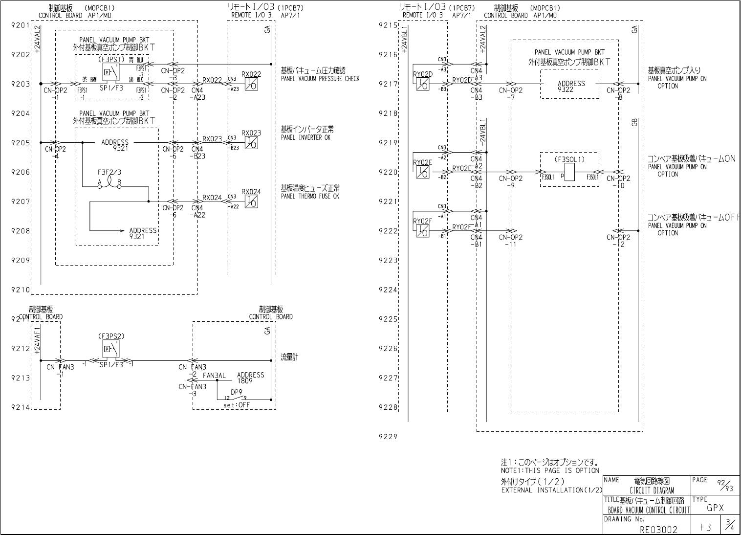
Schmtic_GPX_07_ - 第94页
Downloaded at 2010/04/07 18:31 JST by 3PYM4216 DL#jdS6Xojc A D D R E S S S 9 1 0 3 9 0 7 9 1 0 4 ㊉ 9 1 0 5 9 1 0 6 9 1 0 7 9 1 0 8 9 1 0 9 9 1 1 0 9 1 1 1 基板真空 Z l t / ? 制御 B K T P A N E L V A C U U M P U M P B K T F 3 I…

Downloaded at 2010/04/07 18:31 JST by 3PYM4216 DL#jdS6Xojc
-
A
3
;
CN
4
RY
02
D
RY
02
-
B
3
-
A
2
CW
4
RY
02
E
1
-
AI
CHJ
4
RY
02
F
RY
02
⑶
4
S
PANEL
VACUUM
PUMP
BKT
基板餘
it
^
WBKT
PANEL
VACUUM
PUMP
ON
OPTION
ADDRESS
CN
-
^
P
2
9122
CN
-
DP
2
-
;
8
CD
C
5
PANEL
VACUUM
PUMP
BKT
基 板 真 就
:
御
BKT
!
(
'
FisbuYi
i
]
>
S
:
7
基板吸着八牛
]
-
厶
ON
PANEL
VADUUM
PUMP
ON
OPTION
«
P
CN
-
gP
2
CN
-
p
^
P
2
□
^
7
S
«
i
/
»
2
-
/
\
0
FF
PANEL
VAEUUM
PUMP
ON
OPTION
^
B
>
<
3
^
CN
-
p
^
F
CN
-
pP
2
P
2
RX
024
}
6
Ut
-
hI
/
03
REMOTE
I
/
O
3
s
<
3
^
CN
-
pP
2
CN
4
!
_
A
23
々
3
-
!
2
^
RX
023
jc
:
N
3
簡
3
CN
-
pP
2
CN
4
I
:
B
23
l
/
UJ
B
|
23
-
5
1
开
-
卜
1
/
03
(
1
PCB
7
)
REMOTE
I
/
O
3
AP
7
/
1
制御基板
(
M
0
PCB
1
)
CONTROL
BOARD
API
/
MO
制御麵
(
M
0
PCB
1
)
BOARD
AP
1
/
M
0
CN
-
DP
2
PANEL
VACUUM
PUMP
BKT
基板真笔
itV
:
;
制御
BKT
ADDRESS
9120
CN
-
DP
2
-
4
(
1
PCB
7
)
AP
7
/
1
9 0 1 5
9 0
1
6
基板八牛
]
一厶圧力
SIS
PANEL
VACUUM
PRESSURE
CHECK
9 0
1
7
9 0
1
8
基板
O
八一夕正常
PANEL
INVERTER
OK
9 0 1 9
9 0 2 0
基板温度匕
H
-
7
:
正常
PANEL
THERMO
FUSE
OK
9 0 2 1
9 0 2 2
9 0 2 3
9 0 2 4
9 0 2 5
9 0 2 6
9 0 2 7
9 0 2 8
9 0 0
1
9 0 0 2
9 0 0 3
9 0 0 4
9 0 0 5
9 0 0 6
9 0 0 7
9 0 0 8
9 0 0 9
9 0
1
0
9 0
1 1
9 0 1 2
9 0
1
3
9 0
1 4
9 0 2 9
注
i
:
cox
-
ytt
才
NOTE
1
:
THIS
PAGE
IS
OPTION
内蔵夕心
(
1
/
2
)
WITH
A
BUILT
INC
1
/
2
)
電気回路綱
CIRCUIT
DIAGRAM
NAME
PAGE
9
Ct
,
93
TITLE
基浦
]
-
厶制御回路
BOARD
VACUUM
CONTROL
CIRCUIT
TYPE
GPX
DRAWING
No
.
X
F
3
RE
03002
csl
—
lVAm
nCQA
对
Z
+
iCN
+
cl
?
2
24
o
Rx
111
!
DDR
121
P
2
CN
t
CSJ
1
VA
对
CVJ
+

Downloaded at 2010/04/07 18:31 JST by 3PYM4216 DL#jdS6Xojc
ADDRESS
S
9 1 0 3
9 0 7
9 1 0 4
㊉
9
1 0 5
9
1 0 6
9 1 0 7
9 1 0 8
9 1 0 9
9 1 1 0
9 1 1 1
基板真空
Z l t
/
?
制御
BKT
PANEL
VACUUM
PUMP
BKT
F
3
IV
1
(
U
1
/
F
3
)
9
115
0
>
PI
P
2
■
6
R
/
L
1
u
6
-
9
116
(
F
3
M
1
)
基板真卽方
-
夕
PCB
VACUUM
PUMP
MOTOR
N
M
■
6
S
/
L
2
V
6
-
9
117
Ml
/
F
3
■
O
T
/
L
3
W
6
9
118
■
Q
®
©
9
119
SHIELD
GA
CM
SHIELD
9 1 2 0
RYQ
2
D
RX
023
FWD
30
B
"
1
ADDRESS
-
*
9005
ADDRESS
9008
"
1
ADDRESS
-
l
9017
RX
024
+
24
VAL
2
30
C
X
1
9 1 2 1
9 1 2 2
9
1 2 3
9
1 2 4
9 1 2 5
9 1 1 2
9 1 2 6
9 1 1 3
9
1 2 7
9 1 1 4
9
1 2 8
9 1 2 9
注
i
:
cox
-
ytt
才
N
0
TE
1
:
THIS
PAGE
IS
OPTION
内蔵夕侦
2
/
2
)
WITH
A
BUILT
IN
(
2
/
2
)
電気回路線図
CIRCUIT
DIAGRAM
NAME
PAGE
91
,
93
TITLE
_
ff
]
-
厶制御回路
BOARD
VACUUM
CONTROL
CIRCUIT
TYPE
GPX
DRAWING
No
.
F
3
RE
03002
3
io
.
CN

Downloaded at 2010/04/07 18:31 JST by 3PYM4216 DL#jdS6Xojc
Ut
-
hI
/
03
REMOTE
I
/
O
3
制御麵
(
MOPCBO
CONTROL
BOARD
AP
1
/
M
0
920
1
CN
s
PANEL
VACUUM
PUMP
BKT
外腦及真就乂
?
制御
BKT
!
(
F
~
3
P
~
so
"
i
"
iu
"
1
9202
F
3
P
5
CN
-
pP
2
>
|
>
RX
022
jc
:
N
3
微
2
F
3
PSI
:
CN
-
pP
2
CN
4
二
23
四
BLI
-
I
3
荼 隱
SP
1
/
F
3
CN
-
pP
2
i
F
3
PSI
々
3
-
1
-
2
9204
PANEL
VACUUM
PUMP
BKT
外付基板真岛切制御
BKT
^
RX
023
JCN
3
Rr
^
i
3
CN
-
]
0
P
2
CN
4
I
:
B
23
l
/
UJ
ADDRESS
9205
11
CN
-
|
0
P
2
-
4
9321
B
|
23
-
6
9206
F
3
F
2
/
3
i
!
rM
。
RX
024
—
<
3
^
^
>
RX
024
<
j
^
—
rry
CN
-
I
0
P
2
cm
'
-
A
22
H
6
-
A
22
9207
ADDRESS
9208
9321
9209
-
A
I
CHJ
4
RY
02
F
RY
02
言卜
⑶
4
-
A
2
CW
4
RY
02
E
1
9218
基板
O
八
-
夕正常
PANEL
INVERTER
OK
9219
9220
基板温度匕
H
-
;
(
正常
PANEL
THERMO
FUSE
OK
9221
9222
9223
1
开
—
卜
1
/
03
(
1
PCB
7
)
REMOTE
1
/
0
3
AP
7
/
1
制御基板
(
1
PCB
7
)
AP
7
/
1
(
MOPCBO
CONTROL
BOARD
API
/
M
0
9215
'
Cvj
S
PANEL
VACUUM
PUMP
BKT
外付基板真空如制御
BKT
9216
<
3
^
基板八牛
]
一厶圧力
SIS
PANEL
VACUUM
PRESSURE
CHECK
-
A
3
;
CN
4
RY
02
D
RY
02
ADDRESS
9217
^
t
>
9322
-
B
3
CN
4
CN
-
^
P
2
CN
-
DP
2
-
;
8
9229
注
i
:
cox
-
ytt
才
NOTE
1
:
THIS
PAGE
IS
OPTION
外付
(
例艾
(
1
/
2
)
EXTERNAL
INSTALLATIONC
1
/
2
)
電気回路綱
CIRCUIT
DIAGRAM
NAME
PAGE
92
93
TITLE
基浦
]
-
厶制御回路
BOARD
VACUUM
CONTROL
CIRCUIT
TYPE
GPX
DRAWING
No
.
F
3
RE
03002
CONIPI
9225
5
(
F
3
PS
2
)
9212
9226
;
MIt
CN
^
N
3
CN
-
FAN
3
-
2
FAN
3
AL
ADDRESS
9213
9227
CN
名
N
3
1809
DP
9
-
'
3
set
:
OFF
9214
L
9228
921
0
'
L
9224
PANEL
VACUUM
PUMP
ON
OPTION
]
>
S
:
7
基板吸着八牛
]
-
厶
ON
PANEL
VADUUM
PUMP
ON
OPTION
□
^
7
S
«
i
/
»
2
-
/
\
OFF
PANEL
VAEUUM
PUMP
ON
OPTION
CD
C
5
(
F
3
SOL
1
)
Ml
P
HSOLIi
CN
-
DP
2
!
CN
_
p
0
P
2
-
i
9
<
3
^
CN
-
p
^
F
CN
-
DP
2
P
2
nCQAm
cl