RX-7_RX-7R-Rev09PDFA - 第257页
B-16 B5 【 RX-7R 】 SYSTEM DIAGRAM (5) 【 RX-7R 】 SYSTEM DIAGRAM (5) イラスト番号 Ref.No. 品番 Part Number Description 品名 個数 Q'ty 備考 Remarks 1 HA-0065200-0A CIRCUIT PROT ECTOR サーキットプロテクタ 1 2 HA-0065200-10 CIRCUIT PROTECTOR サー…

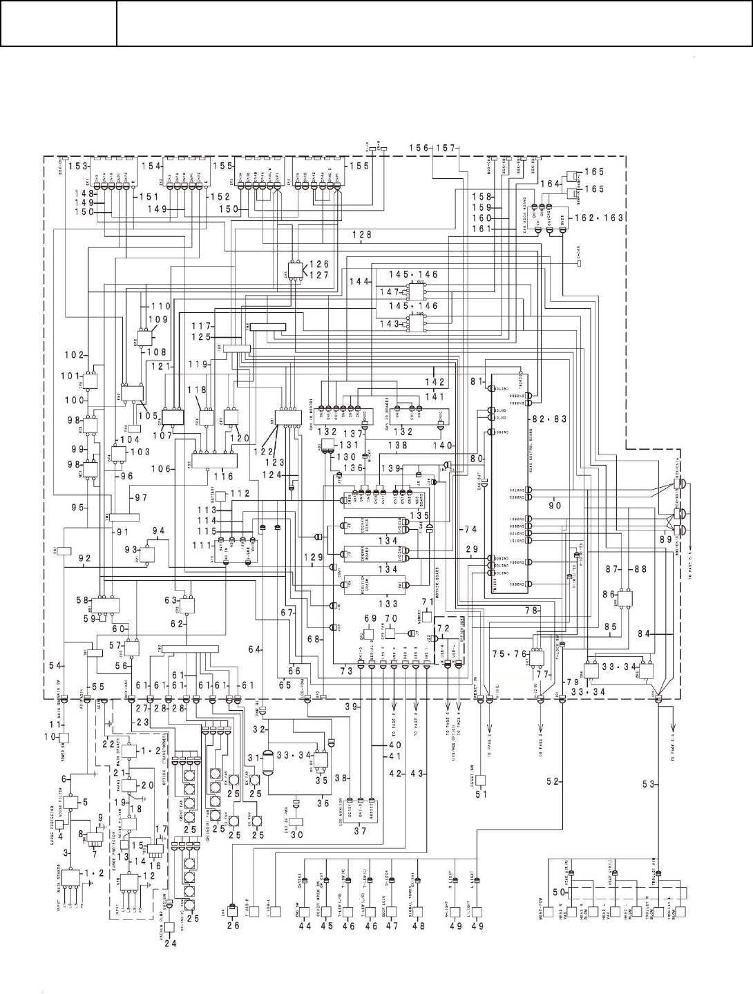
B-15
B5
【RX-7R】SYSTEM DIAGRAM (5)
【RX-7R】SYSTEM DIAGRAM (5)

B-16
B5
【RX-7R】SYSTEM DIAGRAM (5)
【RX-7R】SYSTEM DIAGRAM (5)
イラスト番号
Ref.No.
品番
Part Number
Description
品名
個数
Q'ty
備考
Remarks
1 HA-0065200-0A CIRCUIT PROTECTOR サーキットプロテクタ 1
2 HA-0065200-10 CIRCUIT PROTECTOR サーキットプロテクタ 1
3 401-59290 MB-NF CABLE ASM MB-NF ケーブルクミ 1
4 401-89824 AC INPUT SURGE PROTECTOR ASM AC 入力サージプロテクタ組 1
5 401-91282 NOISE FILTER ノイズフィルター 1
6 401-59291 NF-ELECTRICAL BOX CABLE ASM
NF-ELECTRICAL ボックス ケーブルクミ
1
7 EZ1-854-030-11 BRIDGE TERMINAL ワタリ カナグ (BNJ56BPN10) 1
8 401-59292 TERMINAL BLOCK ターミナルブロック 1
9 EZ1-969-388-12 HARNESS (TB0-E) ハ-ネス (TB0-E) 1
10 HA-0065500-00 SWITCH スイッチ 1
11 401-96335 MAIN SW WIRE ASM メイン スイッチ ワイヤークミ 1
12 HA-0064700-0A CIRCUIT PROTECTOR
サーキットプロテクタ
1
13 401-89824 AC INPUT SURGE PROTECTOR ASM AC 入力サージプロテクタ組 1
14 402-10702 CB-NF CABLE ASM CB-NF ケーブルクミ 1
15 401-59292 TERMINAL BLOCK ターミナルブロック 1
16 EZ1-854-030-11 BRIDGE TERMINAL ワタリ カナグ (BNJ56BPN10) 1
17 EZ1-969-388-12 HARNESS (TB0-E) ハ-ネス (TB0-E) 1
18 401-91282 NOISE FILTER
ノイズフィルター
1
19 402-10703 NF-TRANS CABLE ASM NF-TRANS ケーブルクミ 1
20 401-59296 TRANSFORMER トランス 1
21 402-10704 TRANS-MB CABLE ASM TRANS-MB ケーブルクミ 1
22 402-10705 MB-ELECTRICAL BOX CABLE ASM MB-ELECTRICAL ボックス ケーブルクミ 1
23 EZ1-969-360-13 HARNESS (BOX VAC-VACUUM) ハ-ネス (BOX VAC-VACUUM) 1
24 EZ1-492-203-11 VACUUM PUMP ASSY
シンクウ ポンプ ASSY
1
25 401-89090 DC FAN ASM DC ファンクミ 1
26 HK-0849200-80 CONNECTOR コネクタ 1
27 401-96263 FRONT FAN CABLE ASM フロント ファン ケーブルクミ 1
28 401-96264 TOP COVER FAN CABLE ASM トップ カバー ファン ケーブルクミ 1
29 EZ1-969-109-12 HARNESS (SDIO CN2900-EMI COG) ハ-ネス (SDIO CN2900-EMI COG) 1
30 402-09941 RF POWER CABLE 1 ASM
RF パワー ケーブル 1 クミ
1
31 402-09946 CONNECTOR コネクタ 1
32 402-09943 RF POWER CABLE 3 ASM RF パワー ケーブル 3 クミ 1
33 EZ1-755-690-11 RELAY POWER (RJ1S-CLD-D24) リレー パワー (RJ1S-CLD-D24) 1
34 EZ1-755-691-11 SOCKET RELAY (SJ1S-05B) ソケット リレー (SJ1S-05B) 1
35 402-09945 CR RF5-CR RF4 CABLE ASM CR RF5-CR RF4 ケーブルクミ 1
36 402-09942 RF POWER CABLE 2 ASM
RF パワー ケーブル 2 クミ
1
37 401-58158 15INCH LCD MONITOR 15 インチ LCD モニタ 1
38 EZ1-970-004-12 HARNESS (LCDPW1T-LCDPW2T) ハ-ネス (LCDPW1T-LCDPW2T) 1
39 400-48032 PANEL LINK CABLE 4.5M パネルリンクケーブル 4.5M 1
40 EZ1-970-005-11 HARNESS (PC232CX-TP232CX) ハ-ネス (PC232CX-TP232CX) 1
41 EZ1-838-317-21 CABLE LAN (LKB5Y-02) LAN ケ-ブル (LKB5Y-02) 1
42 401-48260 USB CABLE 3M
USB ケ-ブル 3M
1
43 401-48260 USB CABLE 3M USB ケ-ブル 3M 1
44 401-29025 EMG SW CABLE ASM EMG SW ケーブルクミ 1
45 400-02254 COVER OPEN SW CABLE ASM カバーオープン SW ケーブルクミ 1
46 402-07813 BANK UP SWITCH R ASSY バンク アップ スイッチ R ASSY 1
47 EZ1-492-357-11 ELECTROMAGNETIC ASSY デンジベン ASSY (ドアロック) 1
48 401-29009 SIGNAL TOWER CABLE ASM
シグナルタワーケーブルクミ
1
49 402-10508 LED ASSY (INNER LIGHT) LED ASSY (INNER LIGHT) 1
50 EZ1-492-242-13 SOLENOID ASSY (AIR SUPPLY) ソレノイド ASSY (エアー サプライ) 1

B-17
B5
【RX-7R】SYSTEM DIAGRAM (5)
【RX-7R】SYSTEM DIAGRAM (5)
イラスト番号
Ref.No.
品番
Part Number
Description
品名
個数
Q'ty
備考
Remarks
51 402-00585 RESET SW CABLE ASM リセットスイッチケーブルクミ 1
52 401-96361 IO1 CABLE ASM IO1 ケーブルクミ 1
53 EZ1-969-383-12 HARNESS (BOX IO2-AIRSUP MNT) ハ-ネス (BOX IO2-AIRSUP MNT) 1
54 401-96336 MAIN SW-TB1 WIRE ASM メイン SW-TB1 ワイヤークミ 1
55 402-00606 ACIN-TB1 CABLE ASM ACIN-TB1 ケーブルクミ 1
56 EZ1-969-092-12 HARNESS (CP3-VAC)
ハ-ネス (CP3-VAC)
1
57 EZ1-523-273-11 BREAKER CIRCUIT サ-キツト ブレ-カ (CP33V/2W) 1
58 HA-0061900-00 MAGNETIC CONTACTOR 電磁開閉器 1
59 402-03285 SDIO CN2703-MC CR CABLE ASM SDIO CN2703-MC CR ケーブルクミ 1
60 EZ1-969-081-13 HARNESS (MR1-CP3) ハ-ネス (MR1-CP3) 1
61 401-96262 JOINT FAN CABLE ASM ジョイント ファン ケーブルクミ 1
62 EZ1-969-071-13 HARNESS (CP2-TB3)
ハ-ネス (CP2-TB3)
1
63 401-99881 CIRCUIT PROTECTOR サーキットプロテクタ 1
64 402-09944 RF POWER CABLE 4 ASM RF パワー ケーブル 4 クミ 1
65 EZ1-969-102-11 HARNESS (ATX-TP POW) ハ-ネス (ATX-TP POW) 1
66 402-03287 SDIO CN2704-MC CR CABLE ASM SDIO CN2704-MC CR ケーブルクミ 1
67 402-03285 SDIO CN2703-MC CR CABLE ASM SDIO CN2703-MC CR ケーブルクミ 1
68 EZ1-837-828-11 CABLE PC UNIT MC3 SERIAL
PC ユニツト MC3 シリアル ケーブル
1
69 EZ6-720-331-01 IC CM8062301044204S-R05Y IC CM8062301044204S-R05Y 1
70 EZ1-855-270-11 CPU COOLER CPU ク-ラ- (RR-V211-15FK-R2) 1
71 EZ1-458-642-11 MEMORY 4GB メモリ 4GB (TS512MLK64V3N) 1
72 402-03362 USB-J22 CABLE ASM USB-J22 ケーブルクミ 1
73 401-91456 MOTHER BOARD(RUBY-PB6511) マザーボード (RUBY-PB6511) 1
74 402-03289 SDIO CN2904-HIO CABLE ASM
SDIO CN2904-HIO ケーブルクミ
1
75 EZ1-755-544-11 RELAY (RU2S-D-D24) リレ- (RU2S-D-D24) 1
76 EZ1-755-545-11 SOCKET RELAY (SM2S-05B) リレ- ソケツト (SM2S-05B) 1
77 401-96366 CR7-TB6 CABLE ASM CR7-TB6 ケーブルクミ 1
78 401-96367 CR7-TB6 CABLE ASM2 CR7-TB6 ケーブルクミ 2 1
79 401-96362 CN2701-IO1 CABLE ASM CN2701-IO1 ケーブルクミ 1
80 EZ1-969-110-15 HARNESS (SDIO CN2901-PC CN1)
ハ-ネス (SDIO CN2901-PC CN1)
1
81 401-57971 CN2705 SIGNAL CABLE ASM CN2705 シグナル ケーブルクミ 1
82 EZA-191-677-9A SDIO CONT COMPL SDIO CONT COMPL 1
83 401-46460 SDIO CONT PCB ASM SDIO CONT 基板組 1
84 401-57969 BOX CN1A SIGNAL CABLE ASM ボックス CN1A シグナル ケーブルクミ 1
85 401-96368 CR7-SFR CABLE ASM CR7-SFR ケーブルクミ 1
86 HB-0015800-00 RELAY
リレー
1
87 401-96358 CN2700-SFR CABLE ASM CN2700-SFR ケーブルクミ 1
88 401-96365 TB6-SFR CABLE ASM TB6-SFR ケーブルクミ 1
89 401-96357 ELE BOX-BOX CN1B_C CABLE ASM ELE BOX-BOX CN1B_C ケーブルクミ 1
90 401-57969 BOX CN1A SIGNAL CABLE ASM ボックス CN1A シグナル ケーブルクミ 1
91 EZ1-969-080-13 HARNESS (TB2-MR1) ハ-ネス (TB2-MR1) 1
92 402-10304 CP1-TB7 CABLE ASM
CP1-TB7 ケーブルクミ
1
93 EZ1-576-339-11 BREAKER CIRCUIT (CP32V/3) サ-キツト ブレ-カ (CP32V/3) 1
94 EZ1-969-069-12 HARNESS (CP1-ATX) ハ-ネス (CP1-ATX) 1
95 401-96337 TB7-MC2 WIRE ASM TB7-MC2 ワイヤークミ 1
96 EZ1-969-064-13 HARNESS (TB2-CP4) ハ-ネス (TB2-CP4) 1
97 402-10694 TB2-PS3 CABLE ASM TB2-PS3 ケーブルクミ 1
98 HA-0068700-00 MAGNETIC CONTACTOR
電磁開閉器
1
99 EZ1-969-074-11 HARNESS (MC2-MC3) ハ-ネス (MC2-MC3) 1
100 402-03277 MC3-PS2 CP5 CABLE ASM MC3-PS2 CP5 ケーブルクミ 1