RX-7_RX-7R-Rev09PDFA - 第273页
B-29 B9 【 RX-7R 】 SYSTEM DIAGRAM (9) (RF BANK) 【 RX-7R 】 SYSTEM DIAGRAM (9) (RF BANK) イラスト番号 Ref.No. 品番 Part Number Description 品名 個数 Q'ty 備考 Remarks 1 401-57972 B OX CN1A CA BLE ASM ボックス CN1A ケーブルクミ 1 2 401-96360…

B-28
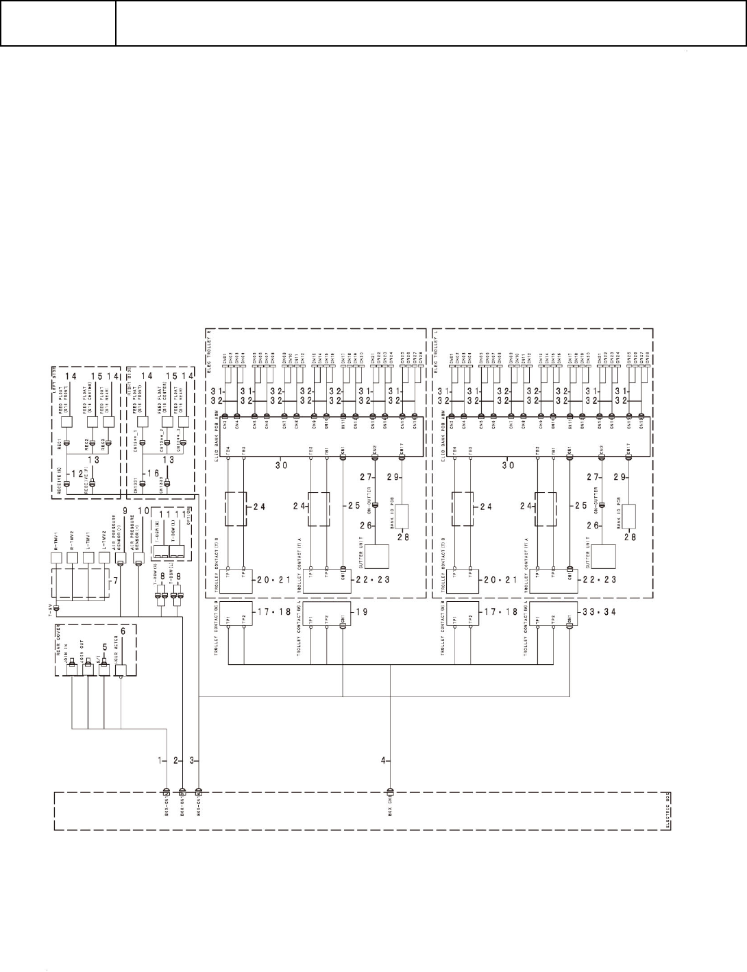
B9
【RX-7R】SYSTEM DIAGRAM (9) (RF BANK)
【RX-7R】SYSTEM DIAGRAM (9) (RF BANK)

B-29
B9
【RX-7R】SYSTEM DIAGRAM (9) (RF BANK)
【RX-7R】SYSTEM DIAGRAM (9) (RF BANK)
イラスト番号
Ref.No.
品番
Part Number
Description
品名
個数
Q'ty
備考
Remarks
1 401-57972 BOX CN1A CABLE ASM ボックス CN1A ケーブルクミ 1
2 401-96360 BOX CN1C CABLE ASM ボックス CN1C ケーブルクミ 1
3 401-57973 BOX CN1B CABLE ASM ボックス CN1B ケーブルクミ 1
4 EZ1-969-296-12 HARNESS (BOX-TROLLEY POW) ハ-ネス (BOX-TROLLEY POW) 1
5 EZ1-969-384-12 HARNESS (S/I JP) ハ-ネス (S/I JP) 1
6 EZ1-520-538-12 METER HOUR (H7ET-NFV-300)
アワ- メ-タ- (H7ET-NFV-300)
1
7 402-07757 VALVE_ASM バルブクミ 1
8 402-09947 T-DSW JP CABLE ASM T-DSW JP ケーブルクミ 1
9 401-29071 AIR(P) SENSOR CABLE ASM エア(P) センサケーブルクミ 1
10 401-29080 AIR(N) SENSOR CABLE ASM エア(N) センサケーブルクミ 1
11 HA-0037900-0A MICRO SW マイクロ SW 1
12 401-58789 FD-FLOAT(L)SENS CABLE2-2 ASM
FD-FLOAT(L)センサケーブル 2-2 クミ
1
13 401-46050 FD-FLOAT(R)SENS SHORT WIRE ASM フィーダウキ(R)センサショートソクセンクミ 1
14 401-58787 SENSOR ASSY A (FEEDER FLOAT JA センサ ASSY A (フィーダフロート JAM) 1
15 401-58788 SENSOR ASSY B (FEEDER FLOAT JA センサ ASSY B (フィーダフロート JAM) 1
16 401-58790 FD-FLOAT(R)SENS CABLE2-2 ASM FD-FLOAT(R)センサケーブル 2-2 クミ 1
17 EZA-194-422-7B TROLLEY CONTACT(M)B MOUNT トロリー CONTACT(M)B MOUNT 1
18 401-46472 TROLLEY CONTACT(M)B PCB ASM
トロリー CONTACT(M)B 基板組
1
19 401-46468 TROLLEY CONTACT(M)A PCB ASM トロリー CONTACT(M)A 基板組 1
20 EZA-194-422-9B TROLLEY CONTACT(T)B MOUNT トロリー CONTACT(T)B MOUNT 1
21 401-46480 TROLLEY CONTACT(T)B PCB ASM トロリー CONTACT(T)B 基板組 1
22 EZA-194-422-8B TROLLEY CONTACT(T)A MOUNT トロリー CONTACT(T)A MOUNT 1
23 401-46476 TROLLEY CONTACT(T)A PCB ASM トロリー CONTACT(T)A 基板組 1
24 401-42757 POWER CABLE ASM
電源ケーブル組
1
25 401-67769 RX-7 TROLLER-IF CABLE ASM RX-7 台車 IF ケーブル組 1
26 401-68969 CUTTER SOLENOID VALVE ASM カッター ソレノイド バルブ クミ 1
27 401-67768 RX-7 TROLLY-CUTTER CABLE ASM RX-7 台車-カッター ケーブル組 1
28 401-69473 BANK ID PCB (RF) ASM バンク ID 基板( RF)組 1
29 401-64515 BANK CABLE(IFSNX_EXT-POW)ASM バンク ケーブル (IFSNX_EXT-POW)クミ 1
30 401-64245 RX-7 ELEC BANK PCB ASM
RX-7 デンドウ バンク PCB
1
31 401-64513 BANK CABLE 1 ASM バンク ケーブル 1 ASM 1
32 401-64514 BANK CABLE 2 ASM バンク ケーブル 2 ASM 1
33 EZA-194-422-6B TROLLEY CONTACT(M)A MOUNT トロリー CONTACT(M)A MOUNT 1
34 401-72762 TROLLEY CONTACT(M)A ORI PCB AS トロリー CONTACT(M)A ORI 基板組 1

B-30
B10
【RX-7R】SYSTEM DIAGRAM (10) (ETF BANK)
【RX-7R】SYSTEM DIAGRAM (10) (ETF BANK)