文档中心
/
RX-7_RX-7R-Rev09PDFA
RX-7_RX-7R-Rev09PDFA - 第277页
C-2
目录
100%
显示:宽度
宽度
1 / 296
回到旧版
旧版
?
C-1
C1
【
RX-7
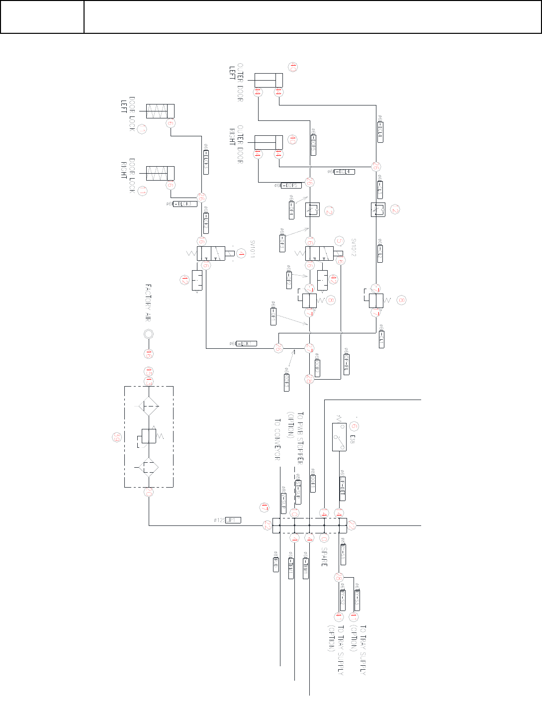
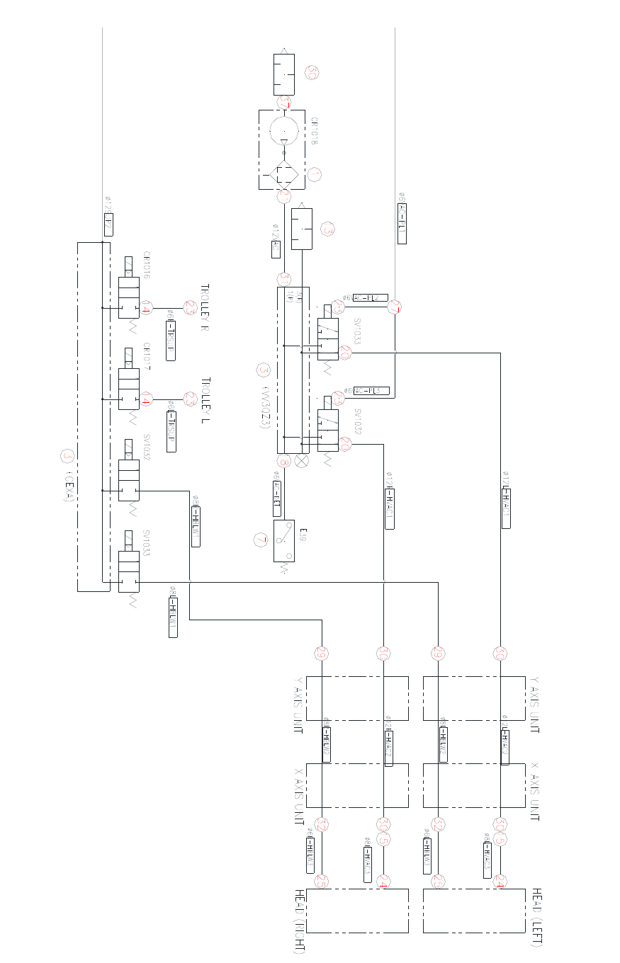
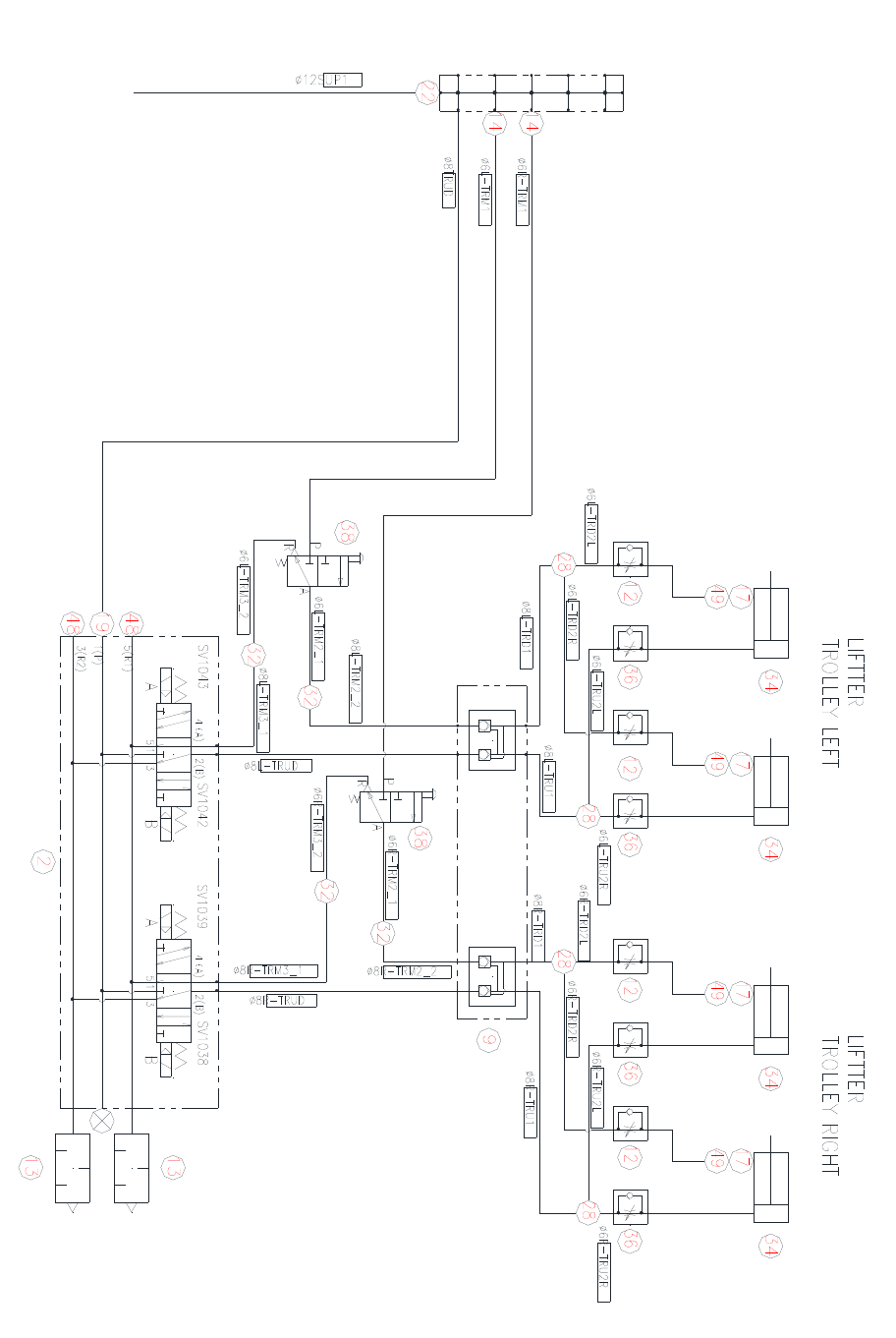
】全体配管図
【
RX-7
】
Pipe diagram
C-2
C-3
该页面需要启用 JavaScript 才能进行交互式预览。