RX-7_RX-7R-Rev09PDFA - 第281页
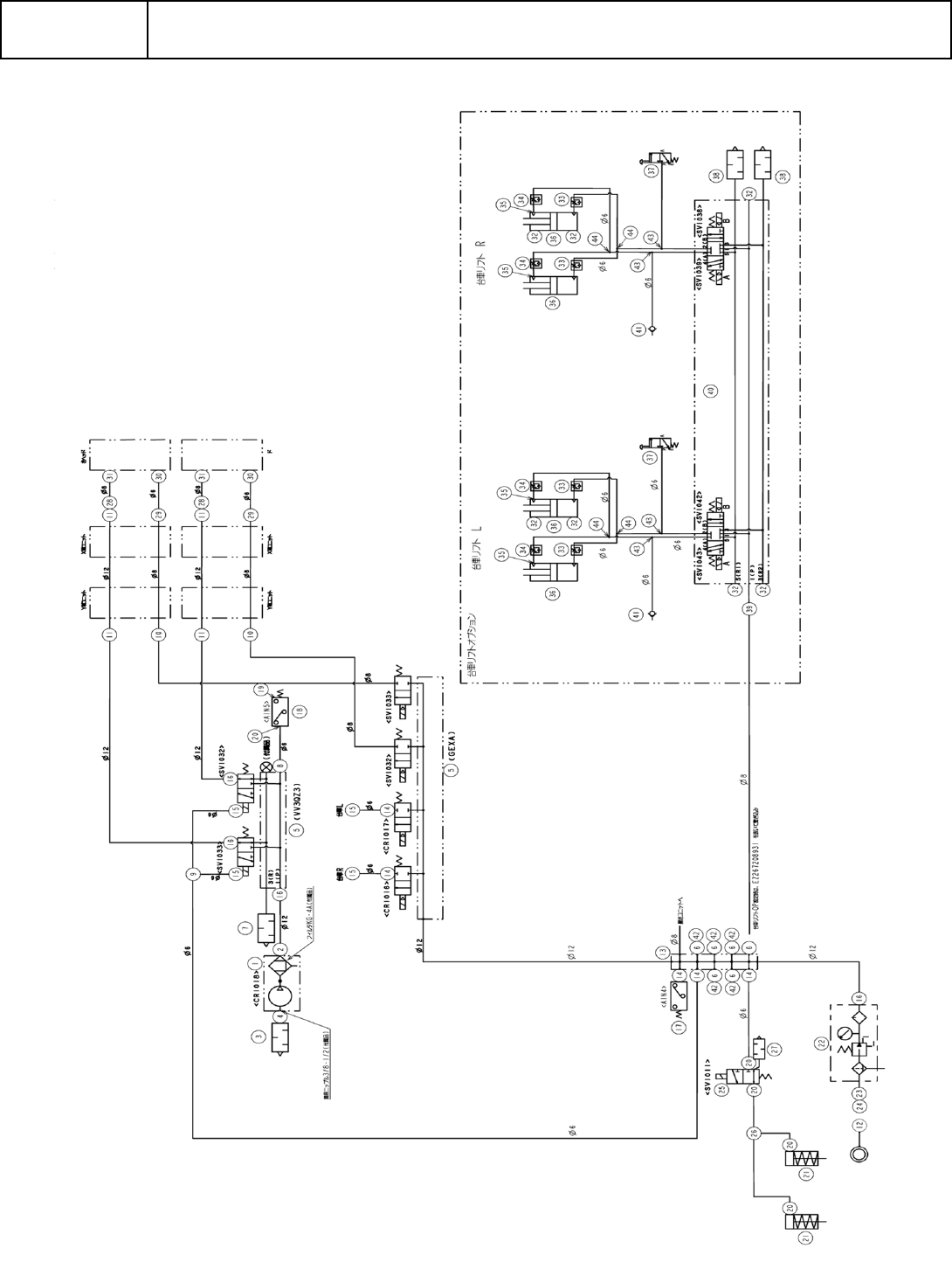
C-6 C2 【 RX-7R 】全体配管図 【 RX-7R 】 Pipe diagram イラスト番号 Ref.No. 品番 Part Number Description 品名 個数 Q'ty 備考 Remarks 1 EZ1-492-203-1 1 V ACUUM PUMP ASSY シンクウ ポンプ ASSY 1 2 PJ-3041254-01 ELBOW UNION 12 エルボユニオン 12 1 3 EZ4-4…

C-5
C2
【RX-7R】全体配管図
【RX-7R】Pipe diagram

C-6
C2
【RX-7R】全体配管図
【RX-7R】Pipe diagram
イラスト番号
Ref.No.
品番
Part Number
Description
品名
個数
Q'ty
備考
Remarks
1 EZ1-492-203-11 VACUUM PUMP ASSY シンクウ ポンプ ASSY 1
2 PJ-3041254-01 ELBOW UNION 12 エルボユニオン 12 1
3 EZ4-454-742-01 SILENCER (ANA1-03) サイレンサ (ANA1-03) 1
4 EZ4-455-483-01 ELBOW (3/8) STREET ストリ- ト エルボ (3/8) 1
5 EZ1-492-242-13 SOLENOID ASSY (AIR SUPPLY) ソレノイド ASSY (AIR SUPPLY) 1
6 EZ2-672-089-31 PLUG (KQ2P-08) BLANKING
ブランキング プラグ
6
7 EZ4-436-830-11 SILENCER (AN15-02) サイレンサ (AN15-02) 1
8 EZ4-447-063-31 UNION (KQ2L06-02AS) ELBOW エルボ ユニオン (KQ2L06-02AS) 1
9 EZ4-447-186-11 WYE (KQ2U06-00A) UNION ユニオン ワイ (KQ2U06-00A) 1
10 EZ4-447-247-21 STRAIGHT (KQ2H08-00A) ストレ-ト (KQ2H08-00A) 2
11 EZ4-447-247-41 STRAIGHT (KQ2H12-00A) ストレ-ト (KQ2H12-00A) 4
12 EZ4-703-619-01 SOCKET
ハイ カプラ- (20SH)
1
13 EZ4-705-238-11 MANIFOLD (KM11-08-12-10) マニホ-ルド (KM11-08-12-10) 1
14 PJ-3010600-03 REDUCER レデューサ 5
15 PJ-3040405-05 ELBOW エルボユニオン 4
16 PJ-3041252-02 ELBOW UNION エルボユニオン 3
17 401-29071 AIR(P) SENSOR CABLE ASM エア(P) センサケーブルクミ 1
18 401-29080 AIR(N) SENSOR CABLE ASM
エア(N) センサケーブルクミ
1
19 PJ-0205000-02 PLUG プラグ 1
20 PJ-3010605-03 HALF UNION ハ-フ ユニオン 5
21 EZ4-271-381-01 CYLINDER (SSD-X-20-10) AIR エア シリンダ (SSD-X-20-10) 2
22 401-58121 AIR COMBINATION (AC30D-02DE-B) エアーコンビネーション (AC30D-02DE-B) 1
23 PJ-0425200-02 ELBOW ネジコミカン ツギテ ストリ-ト エルボ 1
24 EZ4-703-607-02 COUPLER HIGH (20PM)
ハイ カプラ- (20PM)
1
25 EZ1-492-357-11 ELECTROMAGNETIC ASSY デンジベン ASSY (ドアロック) 1
26 PJ-3050600-04 TEE チーズ 1
27 PX-0505010-00 SILENCER シヨウオンキ 1
28 EZ4-446-715-51 REJUICER (KQ2R08-12A) レジユ-サ (KQ2R08-12A) 2
29 PJ-3030800-02 STRAIGHT イケイ ストレート 2
30 EZ4-442-207-01 JOINT ELBOW (KQ2K06-M5N)
エルボカン ツギテ (KQ2K06-M5N)
2
31 EZ4-474-883-01 JOINT ELBOW (KQ2K08-01AS) エルボカン ツギテ (KQ2K08-01AS) 2
32 EZ4-453-569-01 PLUG (CYP025-08B29449) プラグ (CYP025-08B29449) 4
33 EZ4-454-743-01 CONTROLLER (AS2201F-01-06SA) スピ-ド コントロ-ラ (AS2201F-01-06SA) 4
34 PC-0126010-00 SPEED CONTROLLER スピ-ドコントロ-ラ 4
35 PJ-3040651-01 ELBOW UNION 6XPT1/8 エルボユニオン 6XPT1/8 4
36 EZ4-454-729-01 CYLINDER(CXSM32-100) DUAL ROD
デユアル ロツド シリンダ (CXSM32-100)
4
37 EZ4-457-358-01 VALVE (MVP63-J) MECHANICAL メカニカル バルブ (MVP63-J) 2
38 PX-0551040-00 SILENCER (PT1/8) サイレンサ 2
39 PJ-3040851-01 ELBOW UNION エルボユニオン 1
40 402-07757 VALVE_ASM バルブクミ 1
41 400-94346 CHECK_VALVE チェックバルブ 2
42 EZ2-672-089-31 PLUG (KQ2P-08) BLANKING
ブランキング プラグ
5
43 EZ4-447-186-11 WYE (KQ2U06-00A) UNION ユニオン ワイ (KQ2U06-00A) 5
44 PJ-3050600-04 TEE チーズ 5

C-7
C3
【共通】ヘッド部配管図
【COMMON】Head pipe diagram