RX-7_RX-7R-Rev09PDFA - 第283页
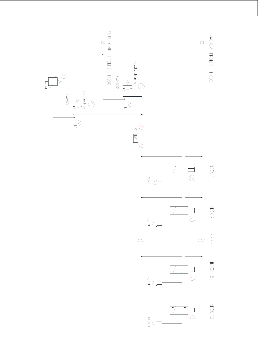
C-8 C3 【共通】ヘッド部配管図 【 COMMON 】 Head pipe diagram イラスト番号 Ref.No. 品番 Part Number Description 品名 個数 Q'ty 備考 Remarks 1 EZ1-492-166-12 SOLENOID V AL VE ASSY (BL W) ソレノイド バルブ ASSY (BLW) 1 2 EZ4-454-752-01 M ECHANICAL V …

C-7
C3
【共通】ヘッド部配管図
【COMMON】Head pipe diagram

C-8
C3
【共通】ヘッド部配管図
【COMMON】Head pipe diagram
イラスト番号
Ref.No.
品番
Part Number
Description
品名
個数
Q'ty
備考
Remarks
1 EZ1-492-166-12 SOLENOID VALVE ASSY (BLW) ソレノイド バルブ ASSY (BLW) 1
2 EZ4-454-752-01 MECHANICAL VALVE メカニカル バルブ 16
3 EZ4-458-768-01 DECOMPRESSION VALVE (MR001) ゲンアツベン (MR001) 1
4 EZ4-702-269-01 NIPPLE (M-5H-4), HOSE ホ-ス ニップル (M-5H-4) 1
5 EZ4-702-324-01 ELBO (M-5HL-4), HOSE ホ-ス エルボ (M-5HL-4) 1

C-9
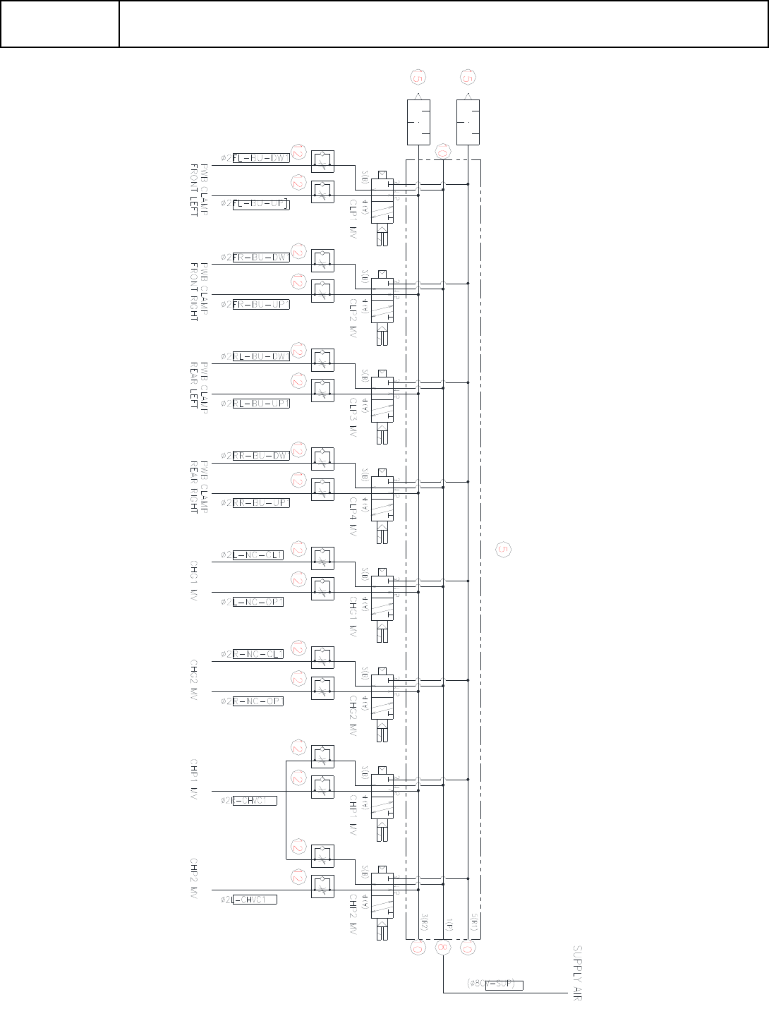
C4
【RX-7】搬送部周辺配管図
【RX-7】Conveyor pipe diagram