RX-7_RX-7R-Rev09PDFA - 第287页
C-12

C-11

C-12

C-13
C4
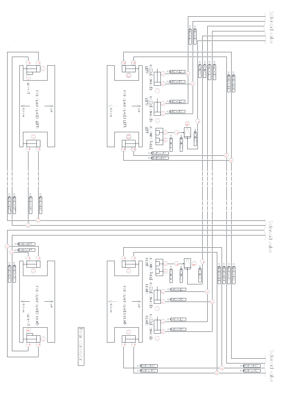
【RX-7】搬送部周辺配管図
【RX-7】Conveyor pipe diagram
イラスト番号
Ref.No.
品番
Part Number
Description
品名
個数
Q'ty
備考
Remarks
1 EZ1-492-216-12 SENSOR ASSY センサ ASSY (クランプ 1) 1
2 EZ1-492-216-42 SENSOR ASSY センサ ASSY (クランプ 4) 1
3 EZ1-492-216-32 SENSOR ASSY センサ ASSY (クランプ 3) 1
4 EZ1-492-216-42 SENSOR ASSY センサ ASSY (クランプ 4) 1
5 EZ1-492-217-14 SOLENOID VALVE ASSY ソレノイド バルブ ASSY 1
6 EZ1-492-356-13 SOLENOID VALVE ASSY (ST) ソレノイド バルブ ASSY (ST) 1 OPTION n=1
7 EZ4-447-052-11 UNION (KQ2H02-M3G), HALF ハ-フ ユニオン (KQ2H02-M3G) 32
8 EZ4-447-063-41 UNION (KQ2L08-01AS), ELBOW エルボ ユニオン (KQ2L08-01AS) 2 OPTION n=1
9 EZ4-447-108-11 UNION (KQ2L02-M3G), ELBOW エルボ ユニオン (KQ2L02-M3G) 8 OPTION n=8
10 EZ4-453-569-01 PLUG (CYP025-08B29449) プラグ (CYP025-08B29449) 6 OPTION n=3
11 EZ4-453-817-01 CYLINDER (SMG-L-10-10) シリンダ (SMG-L-10-10) 4
12 EZ4-457-146-31 CONTROLLER (AS1211F-M5-02A) スピ-ドコントロ-ラ-(AS1211F-M5-02A) 24 OPTION n=8
13 EZ4-454-500-01 CYLINDER (CDUJB8-11-DCP6468P) シリンダ (CDUJB8-11-DCP6468P) 16
14 EZ4-454-521-01 GENERATOR (VUH05-44A), VACUUM シンクウ ハツセイキ (VUH05-44A) 2
15 EZ1-755-545-11 SOCKET, RELAY (SM2S-05B) リレ- ソケット (SM2S-05B) 4 OPTION n=2
16 EZ4-455-731-01 UNION (KJH02-M3), HALF ハ-フ ユニオン (KJH02-M3) 4
17 EZ4-455-732-01 STRAIGHT (KJH02-04) イケイ ストレ-ト (KJH02-04) 4
18 EZ4-455-733-01 WYE (KJU02-00), UNION ユニオン ワイ (KJU02-00) 28
19 EZ4-455-734-01 UNION (KJL02-M5), ELBOW エルボ ユニオン (KJL02-M5) 8
20 EZ4-456-332-01 CYLINDER (CUJB8-15D) シリンダ (CUJB8-15D) 4 OPTION n=4