RL132四跨具部品书N7203A389B44 - 第13页
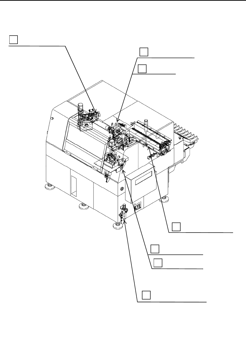
RL132( NM − EJR5A / EJR6A ) 全 体 図 U N I T L A Y O U T [ 標準仕様 STANDARD EQ UIPMENT ] Z 軸フレーム部 Z-AXIS FRAME SE CT. 2 部品ガイドマウント部 PARTS GUIDE MOUNT SECT. 21 FZN7203A389B05-3 カバー部 COVER SEC T. 6 テープ屑ダクト部 WAST E TAPE DU CT SE…

RL132(
NM
−
EJR5A
/
EJR6A
) 全体図 UNIT LAYOUT
[
標準仕様
STANDARD EQUIPMENT
]
挿入部
INSERT SECT.
8
anbirujoubu
UPPER ANVIL SECT.
11
部品供給部
FEEDER CARRIAGE SECT.
17
挿入ヘッド部
INSERTION HEAD SECT.
7
空圧制御部
PNEUMATIC SYSTEM SECT.
1
kabuanbirubu
LOWER ANVIL SECT.
10
FZN7203A389B05-2
部品加工部
PARTS PROCESS SECT.
20

RL132(
NM
−
EJR5A
/
EJR6A
) 全体図 UNIT LAYOUT
[
標準仕様
STANDARD EQUIPMENT
]
Z
軸フレーム部
Z-AXIS FRAME SECT.
2
部品ガイドマウント部
PARTS GUIDE MOUNT SECT.
21
FZN7203A389B05-3
カバー部
COVER SECT.
6
テープ屑ダクト部
WASTE TAPE DUCT SECT.
9
メイン駆動部
MAIN DRIVING SECT.
3
専用部品部
EXCLUSIVE PARTS SECT.
12
付属品部
ACCESSORY PARTS SECT.
23

RL132(
NM
−
EJR5A
/
EJR6A
) 全体図 UNIT LAYOUT
[
選択仕様
OPTIONAL EQUIPMENT
]
搬送ピン部
TRANSFER PIN SECT.
30
基準ピン部
PIN POSITIONING SECT.
31
基板厚対応部
SPECIFICATION FOR P.C.B. THICKNESS SECT.
32
FZN7203A389B05-4
ローダ・アンローダ部
LOADER & UNLOADER SECT.
25
X−Yテーブル部
X-Y TABLE SECT.
24
基準ブロック部
POSITION BLOCK SECT.
26
基準レバー部
POSITION LEVER SECT.
27
プリント基板ポジショナ部
P.C.B. POSITIONER SECT.
37