RL132四跨具部品书N7203A389B44 - 第154页
挿入ヘッド部 (カム(4P)) INSERTION HEAD SECT.(CAM (4P)) 7 FN610130684AA_00 M121

PART No.
イラスト
No.
REF
No.
PART NAME
REMARKSQ'TY
7
挿入ヘッド部(カム(3P))
INSERTION HEAD SECT.(CAM(3P))
部 品 名品 番 個数 備 考
R
2
R
3
R
1
1
N610130683AA
INSERTION HEAD UNIT
1001 N210145759AB
CAM
M8X10 45H A2J (Trivalent)
1
N001
N510018388AA
HEX. SOCKET SET SCREW
M6X20-10.9 A2J (Trivalent)
2
X513
N510017435AA
HEX. SOCKET HEAD CAP BOLT
M120
FN610130683AA_00

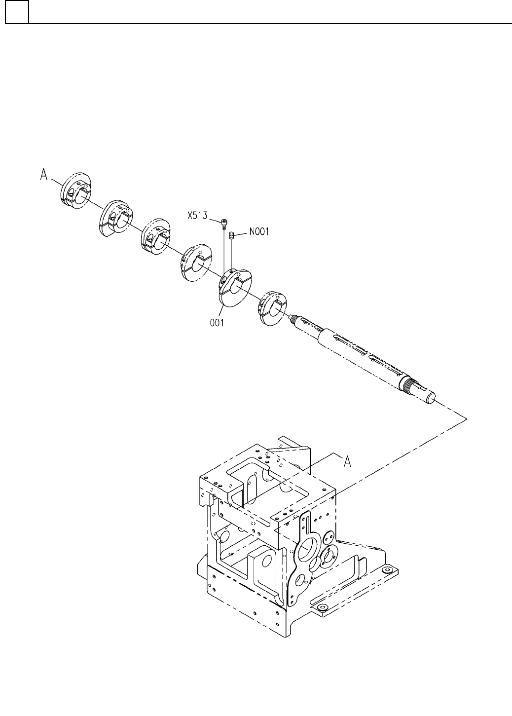
挿入ヘッド部(カム(4P))
INSERTION HEAD SECT.(CAM(4P))
7
FN610130684AA_00
M121

PART No.
イラスト
No.
REF
No.
PART NAME
REMARKSQ'TY
7
挿入ヘッド部(カム(4P))
INSERTION HEAD SECT.(CAM(4P))
部 品 名品 番 個数 備 考
R
2
R
3
R
1
1
N610130684AA
INSERTION HEAD UNIT
1001 N210145760AA
CAM
M8X10 45H A2J (Trivalent)
1
N001
N510018388AA
HEX. SOCKET SET SCREW
M6X20-10.9 A2J (Trivalent)
2
X513
N510017435AA
HEX. SOCKET HEAD CAP BOLT
M122
FN610130684AA_00