RL132四跨具部品书N7203A389B44 - 第162页
挿入ヘッド部 (プッシャU/Dベアリンク ゙サイズアップ) INSERT ION HEAD SECT. (PUSHER U/D BEAEING SIZE U P) 7 FN610132969AA_01 M129

PART No.
イラスト
No.
REF
No.
PART NAME
REMARKSQ'TY
7
挿入ヘッド部(カバー部)
INSERTION HEAD SECT.(COVER SECT.)
部 品 名品 番 個数 備 考
R
2
R
3
R
1
1
N610130988AA
INSERTION HEAD UNIT
S
1
A001
N610116806AA
COVER
1
A002
N610130793AA
COVER
1
004 N210093261AA
BRACKET
EL-10
1
N002
N348EL10
BUSHING FOR WIRING
M5X10-10.9 A2J (Trivalent)
2
X622
N510017386AA
HEX. SOCKET HEAD CAP BOLT
5 10H A2J (Trivalent)
2
X563
N510018499AA
ROUND PLAIN WASHER
M128
FN610130988AA_01

挿入ヘッド部(プッシャU/Dベアリングサイズアップ)
INSERTION HEAD SECT.(PUSHER U/D BEAEING SIZE UP)
7
FN610132969AA_01
M129

PART No.
イラスト
No.
REF
No.
PART NAME
REMARKSQ'TY
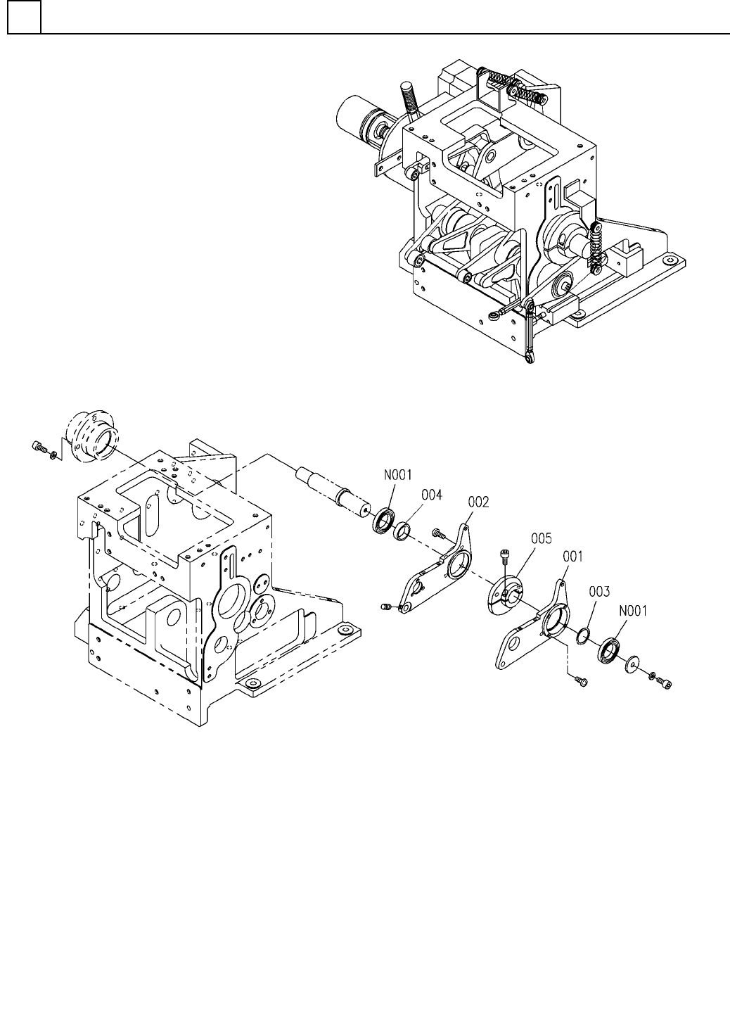
7
挿入ヘッド部(プッシャU/Dベアリングサイズアップ)
INSERTION HEAD SECT.(PUSHER U/D BEAEING SIZE UP)
部 品 名品 番 個数 備 考
R
2
R
3
R
1
1
N610132969AA
INSERTION HEAD UNIT
1001 N210157145AA
LEVER
1002 N210157146AA
LEVER
1
003 N210157196AA
COLLAR
1004 N210157197AA
COLLAR
1005 N210157198AA
CAM
6005ZZ
2
N001
KXF00K8AA00
BEARING
M130
FN610132969AA_01