07_Parts List_N7203A339B00 - 第198页
35-B 溶剤 供 給 ユニット(R):DSP Solven t supply u nit(R) :DSP パーツレイアウト Ki t N o . キット 品番 Kit N am e キット名称 N6 1010 853 1AA セクションNo. PARTS LAYOUT Section No. - - S185 ( KN610108531AA-05-2 )

Ref
No.
Remarks
R
1
Q'ty
35-A
溶剤
供
給
ユニット(R):DSP
Solvent supply unit(R):DSP
イラスト
No.
Part No.
品 名品番 数量
R
2
パーツリスト
Kit N
o
.
キット品
番
Kit Name
キット名称
N610108531AA
Part Name
備 考
セクションNo.
PARTS LIST
Section No.
R
3
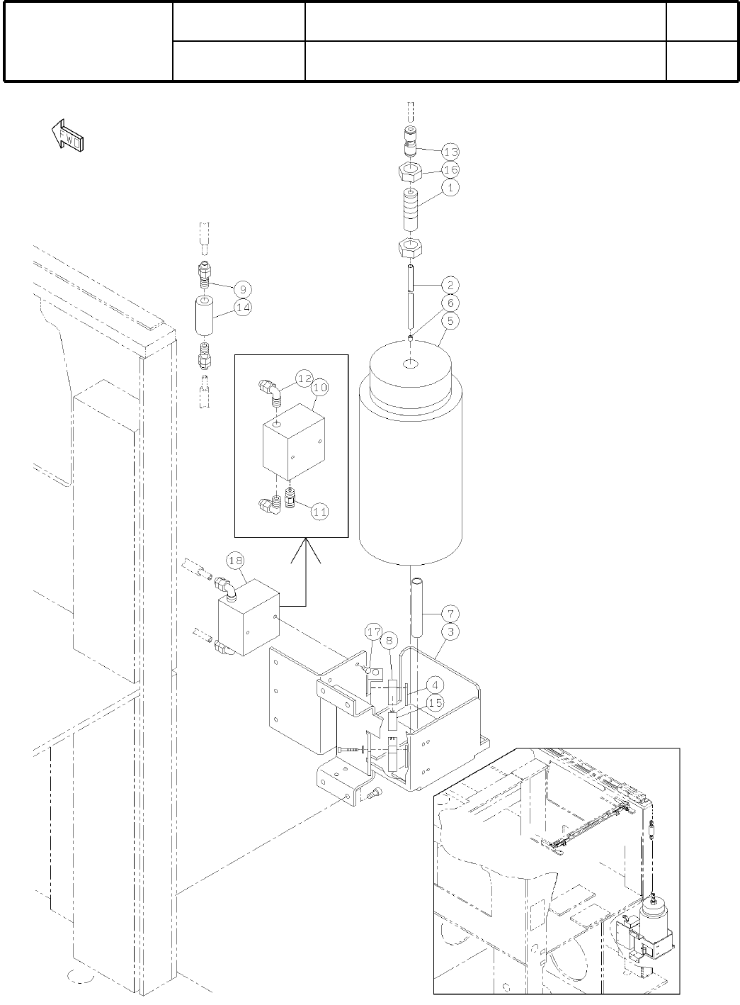
NOZZLE
1
1 N210116894AB
BRACKET
1
2 N210116904AC
BRACKET
1
3 N210116905AC
COVER
1
4 N210134123AB
PLATE
1
5 N210126741AB
BOLT
5
6 N510000329AA
Hexagon socket button head screw M4X10 SUS304
PLUG
1
7 KXF0AP5AA00 SP2001
BOLT
2
8 N510017618AA
Hexagon socket Flat head bolt M4X15-10.9 A2J (Trivalent)
CAP
2
9 N510024546AA CP-328-B-4-G hole process
JOINT
1
10 N510001107AA L4N6X4-PT1/8ST
S184
--
( KN610108531AA-05-1 )

35-B
溶剤
供
給
ユニット(R):DSP
Solvent supply unit(R):DSP
パーツレイアウト
Ki
t
N
o
.
キット
品番
Kit Name
キット名称
N610108531AA
セクションNo.
PARTS LAYOUT
Section No.
--
S185
( KN610108531AA-05-2 )

Ref
No.
Remarks
R
1
Q'ty
35-B
溶剤
供
給
ユニット(R):DSP
Solvent supply unit(R):DSP
イラスト
No.
Part No.
品 名品番 数量
R
2
パーツリスト
Kit N
o
.
キット品
番
Kit Name
キット名称
N610108531AA
Part Name
備 考
セクションNo.
PARTS LIST
Section No.
R
3
PIPE
1
1 N210101770AB
PIPE
1
2 N210085785AD
BRACKET
1
3 N210118812AC
PW004A0
2
4 KXFB01CCA00
TANK
1
5 N610027765AA
FILTER
1
6 N610009394AA
TUBE
1
7 N610083050AA
SENSOR(200-380mm)
1
8 N610110575AA
JOINT
2
9 N510001412AA C4N6X4-PT1/8-S
PUMP
1
10 N510048045AA PB1013-01-X31
JOINT
1
11 KXF0DYT5A00 KQ2H04-01S
JOINT
2
12 N510001107AA L4N6X4-PT1/8ST
JOINT
1
13 N510036675AA PPU6
VALVE
1
14 N510001478AA NCV-304-Rc1/8-P
PLATE
2
15 KXF05EMAA00 GP5-1
NUT
2
16 XNH16CVW Hexagon nut Type3 Best class M16-6H-A2-70
BOLT
2
17 N510017536AA
SSS 003 Hexagon socket button head screw M4X8-10.9 A2J (Trivalent)
Process Pump Kit:DSP
1
18 N610113253AA
S186
--
( KN610108531AA-05-2 )