ASMTX系列技术培训FSE - 第105页

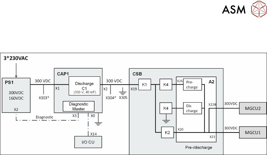
7 电源 7.3 电压概览方框图 技术培训 FSE SIPLACE TX系列 08/2018 105 7.3.2 主轴的 300 V 中间电路电压 下图显示了为贴片头轴生成 300V 中间电路电流。 * X303/X304 维修测试点(DC 300V 输入/输出) ● 主轴的 300VDC 中间电路电压由 PS1 电源组生成,直接通过 CAP1 和 CSB 单元传输到 MGCU。 ● 电容储能电池 CAP1 使用该 300VDC 充电。…

100%1 / 184
7 电源
7.3 电压概览方框图
104 技术培训 FSE SIPLACE TX系列 08/2018
7.3 电压概览方框图
7.3.1 TX 电源电路图
上图所示为 SMPS 所生成电压的简要概览。
电源组 PS1 将主输入交流电源电压转换为 300 VDC(用于主轴的中间电路电压)和160
VDC(用于贴片头轴的中间电路电压)。
300VDC 经由储能电池 CAP1 到接触式安全断路器(CSB),充放电通过预放电/放电板 A2 控
制,而能量储存由储能电池 CAP1 完成。
电源组 PS2 将主输入电源电压转换为 24 VDC。
42VDC 电压的一个链路通过 CSB,在那里回到 FDB 并分配为 42VDC_S(开关)。另一个链
路直接通往放电头缓冲器。
电源组 PS3 将主输入电源电压转换为 28 VDC。
电源组 PS4 将主输入电源电压转换为 24 VDC。
24VDC 电压的部分回路通过 CSB 控制回路,成为 24VDC_S 回到 FD.A1 加以分配,另一回路
则直接通过 FD.A1 得以分配。
所有电压均由保险丝配电板 (FDB) 进行熔断保护。
7 电源
7.3 电压概览方框图
技术培训 FSE SIPLACE TX系列 08/2018 105
7.3.2 主轴的 300 V 中间电路电压
下图显示了为贴片头轴生成 300V 中间电路电流。
* X303/X304 维修测试点(DC 300V 输入/输出)
主轴的 300VDC 中间电路电压由 PS1 电源组生成,直接通过 CAP1 和 CSB 单元传输到
MGCU。
电容储能电池 CAP1 使用该 300VDC 充电。
主轴的预充电/放电控制以及储能电池的能源管理由安全断路器(CSB)中的预充/放电板-A2完
成。
7 电源
7.3 电压概览方框图
106 技术培训 FSE SIPLACE TX系列 08/2018
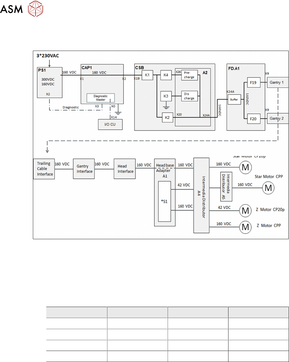
7.3.3 160 V 贴片头轴的中间电路电压
下图显示了为贴片头轴生成 160V 中间电路电流。
*
S1切换Z轴中间电压,CPP 为 160V,C&P20 P为 42V
贴片头轴的 160VDC 电压(中间电路)不会通过储能电池管理,不存在能量补偿问题。
该电压直接从电源组 PS1 经过储能电池 CAP(无处理)进入 CSB,在那里切换到预充/放电
板。
然后,贴片头轴电压经过 FDB 总成,由那里的保险丝保护,然后发传到贴片头。
电压 类型 保险丝 使用
160 VDC 受控 F19 星形电机悬臂 1
160 VDC 受控 F19 Z 电机 CPP 悬臂 1
160 VDC 受控 F20 星形电机悬臂 2
160 VDC 受控 F20 Z 电机 CPP 悬臂 2