ASMTX系列技术培训FSE - 第67页
5 元件供应 5.7 TX 抛料板 技术培训 FSE SIPLACE TX系列 08/2018 67 5.7 TX 抛料板 抛料板是 TX1 和 TX2 贴片机料区 1 的选装件。可将有影像问题的元件放到抛料板上(不要将其抛入 抛料盒中)。 抛料板上的被抛元件将会显示以下信息: ● 抛料板上元件的位置 ● 拾取元件的位置(如果从料盘上拾取元件,则仅显示级别和吸嘴装载盘的数量,并不会显示吸 嘴装载盘中的拾取位置!) ● 相关影像转储 ● …

5 元件供应
5.6 料带割刀
66 技术培训 FSE SIPLACE TX系列 08/2018
1 区 2 区
1. 超薄 FCU。 2. 电气连接接口与 FCU 连接总成相连。
5.6 料带割刀
1. 气缸
2. 空料带槽
3. 电磁阀
4. 接近开关
料带割刀两侧是气缸,用于通过交替运动激活刀片。两个电磁阀 (24V / 5.1 bar) 由 FCU 控制。
当悬臂移到第一个贴片位置时,料带割刀激活,其中一个气缸到达前方位置。
●
第一个气缸到达前面位置后,第二个气缸启动。
●
两个气缸同时退回
●
相关贴片头每完成一个贴片循环,割刀就执行一次切割
大约 15 分钟内,可以拆下料带割刀进行维修。需要设置节流时间。有关拆卸和设置的详细信息,请
参阅《维修手册》。

5 元件供应
5.7 TX 抛料板
技术培训 FSE SIPLACE TX系列 08/2018 67
5.7 TX 抛料板
抛料板是 TX1 和 TX2 贴片机料区 1 的选装件。可将有影像问题的元件放到抛料板上(不要将其抛入
抛料盒中)。
抛料板上的被抛元件将会显示以下信息:
●
抛料板上元件的位置
●
拾取元件的位置(如果从料盘上拾取元件,则仅显示级别和吸嘴装载盘的数量,并不会显示吸
嘴装载盘中的拾取位置!)
●
相关影像转储
●
元件名称
●
元件形状
如已安装抛料板,则需在贴片机软件中进行配置。
需在各元件/元件形状的 SIPLACE Pro 中启用该选项。
可以通过“移除抛料板上的元件”按钮确认将元件从抛料板上移除。各元件均需确认。

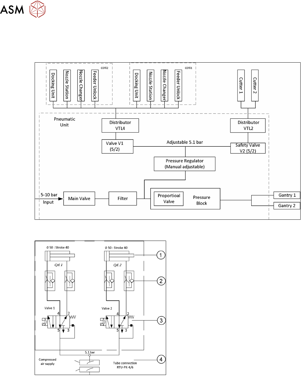
5 元件供应
5.8 元件供应的气压及电气系统
68 技术培训 FSE SIPLACE TX系列 08/2018
5.8 元件供应的气压及电气系统
5.8.1 气压系统概览
料带割刀气压系统
1. 割刀刀片的驱动气缸(40 mm 移动冲程)
2. 气缸上的可调节流阀。可在贴片机软件中检
查节流时间。如需详情,请参阅《维修手
册》。
3. 5/2向电磁阀
4. 5.1 巴压缩空气供给
控制系统打开时,仅切割器启用。