F2FeederPartsList - 第345页
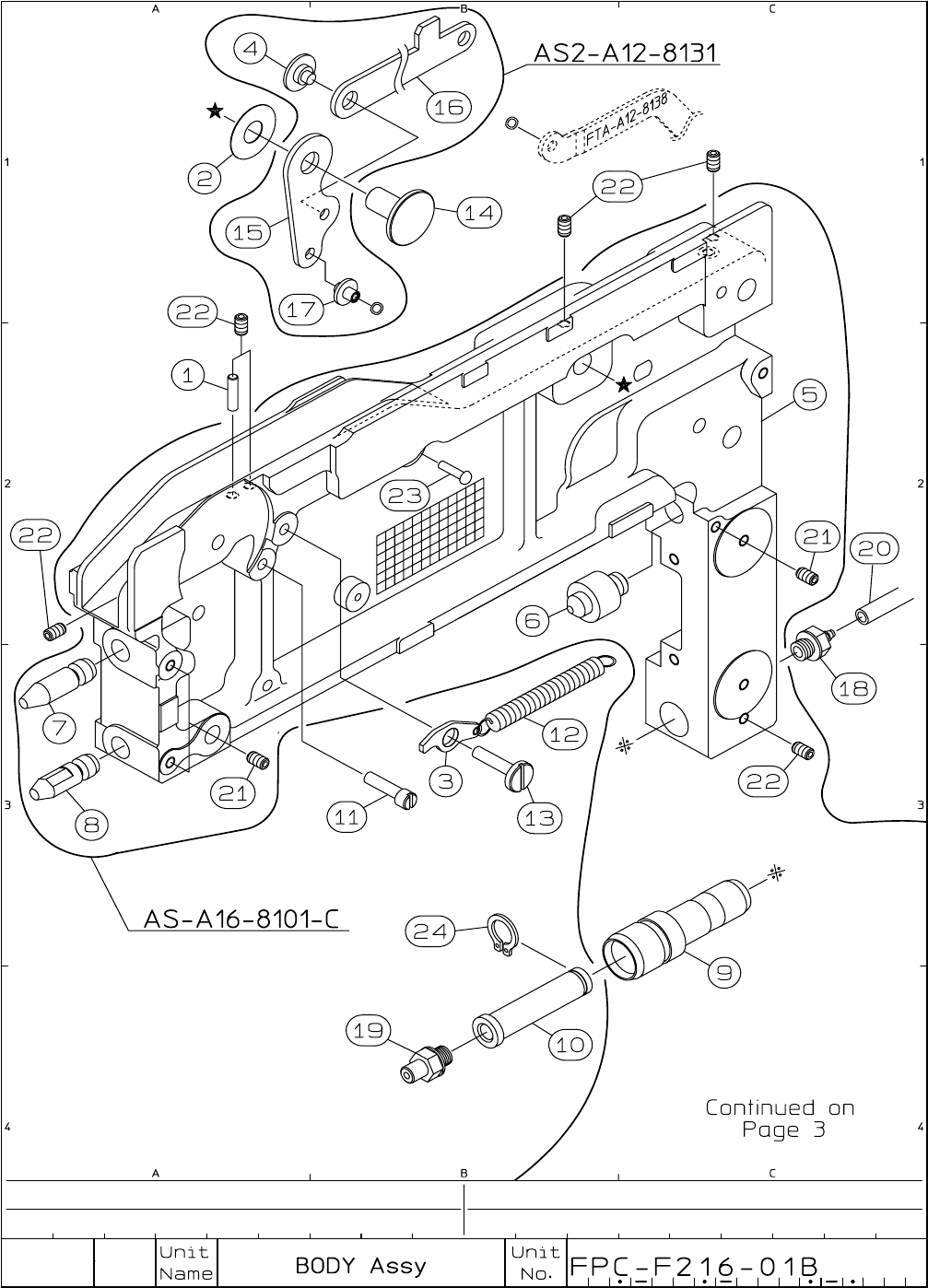
I・pulse F2 Series F2-16 (B type) P 1 Code No. Parts Name Q'ty Parts No. LG4-M5A10-020 BODY ASSY 1 AS-A16-8101-C LG4-M4A1M-100 MAIN LEVER ASSY 1 AS2-A12-8131 1 K87-M111G-100 PUSH PIN 1 CTF-M08- 325 2 LG4-M1A1L-000 TH…

5B-1

I・pulse F2 Series
F2-16 (B type)
P 1
Code No. Parts Name Q'ty Parts No.
LG4-M5A10-020 BODY ASSY
1
AS-A16-8101-C
LG4-M4A1M-100 MAIN LEVER ASSY
1
AS2-A12-8131
1 K87-M111G-100 PUSH PIN 1
CTF-M08- 325
2
LG4-M1A1L-000 THRUST WASHER
1
CTF- 53- 38-02
3 K87-M111H-200 BACK STOPPER 1
FTA-A08-1114
4
LG4-M4A1T-000
ARM AXIS PIN 1 FTA-A12-8134
5
LG4-M5A11-020
BODY 1
FTA-A16-8101-C
6
LG4-M1A12-000
MAIN GUIDE PIN 1
FTA-A08-8102
7
LG4-M1A13-000 LOCATE PIN R
1
FTA-A08-8103-B
8
LG4-M1A14-001 LOCATE PIN F
1
FTA-A08-8104-C
9
LG4-M4A15-000
PLUG HOLDER GUIDE
1
FTA-A12-8105
10
LG4-M1A16-000 PLUG HOLDER
1
FTA-A08-8106
11
KW1-M221F-100 STOPPER PIN
1
CTF-M12- 313
12
LG4-M4A19-001 BACK STOPPER RE. SP.
1
FTA-A08-6164-1600
13
K87-M211B-000 BACK STOPPER AXIS
1
CTF-M12- 315
14
LG4-M1A1K-000 LEVER AXIS PIN
1
FTA-A08-8130-B
15
LG4-M4A1N-000 MAIN LEVER
1
FTA-A12-8131
16
LG4-M4A1P-100 ARM
1
FTA-A12-8235
17
KW1-M224E-000
ARM AXIS PIN 1
FTA-A12-1134
18 K87-M1186-000
BARB CONNECTOR
1
BF3BU
19
LG4-M1AB2-000 PLUG
1
MA-MC05PM
20
LG4-M4ABA-010 AIR HOSE
1
U3B-167
21 K87-M23B3-000 SCREW,SET 3
3MY-5
22 K87-M111R-000 SCREW,SET 6
3MY-5-F
23
K87-M1115-000 CIRCULAR RIVET
1
2-10
24
LG4-M1AD2-000 CIRCLIP C
1
STW-7
25
26
27
28
29
30
31
32
5B-2

5B-3