F2FeederPartsList - 第707页
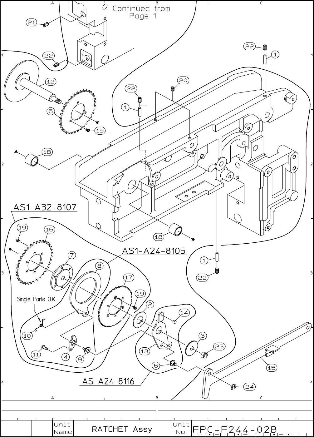
I・pulse F2 Series F2-44 (C type) P 2 No. Code No. Parts Name Q'ty Parts No. LG4-M6A27-001 RACKING M.LEVER ASSY 1 AS1-A24-8105 LG4-M7A20-001 SPROCKET ASSY 1 AS1-A32-8107 LG4-M6A2A-000 RACKING SUB LEV.ASSY 1 AS-A24-81…

8C-3

I・pulse F2 Series
F2-44 (C type)
P 2
No. Code No. Parts Name Q'ty Parts No.
LG4-M6A27-001
RACKING M.LEVER ASSY 1 AS1-A24-8105
LG4-M7A20-001
SPROCKET ASSY 1 AS1-A32-8107
LG4-M6A2A-000
RACKING SUB LEV.ASSY 1 AS-A24-8116
1 K87-M111G-100 PUSH PIN 3
CTF-M08- 325
2 LG4-M6A2F-000
THRUST WASHER
1
CTF-A32- 08
3
LG4-M7A2E-000
LEVER METAL 1 FTA-A32-8108
4 K87-M112G-100 RACKING POLE 1
FTA-A08-1111
5 KW1-M4523-000 SPROCKET 1
FTA-A24-1104
6 KW1-M452W-000 STUD 1 FTA-A24-1118
7 LG4-M7A21-000 METAL 1
FTA-A32-8103-B
8 LG4-M6A22-000 RACKING MAIN LEVER 1
FTA-A24-8105
9 LG4-M6A25-000
RACKING POLE AXIS
1
FTA-A24-8110
10 LG4-M6A2G-000 SCREW COIL SPRING 1
FTA-A24-8111-1
11 LG4-M6A26-000 SPRING HOOK PIN 1 FTA-A24-8111-2
12
LG4-M8A2N-000 RATCHET AXIS
1
FTA-A44-8112
13
LG4-M6A2B-000
RACKING SUB LEVER 1 FTA-A24-8116
14
LG4-M6A2C-000 SHUTTER DRIVE PIN
1
FTA-A24-8116-1
15
LG4-M6A2D-100 MAIN ARM
1
FTA-A24-8217
16 LG4-M7A23-000 SPROCKET 1 FTA-A32-8104
17 LG4-M7A24-000 RATCHET 1
FTA-A32-8107
18 KW1-M552F-000 BEARING 2 MB0808DU
19 K87-M111P-000 SCREW,FLAT HEAD+ 9 P2MK-3
20 K87-M111Y-000 SCREW,SET 2 3MY-4-F
21 K87-M23B3-000 SCREW,SET 1 3MY-5
22 K87-M111R-000 SCREW,SET 5 3MY-5-F
23 K87-M55BL-000 U NUT 1 4MH-U-P
24 K87-M11B9-000
CIRCLIP E
1 E.24
25
26
27
28
29
30
31
8C-4

8C-5