F2FeederPartsList - 第741页
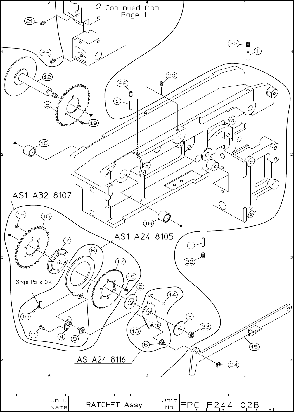
I・pulse F2 Series F2-44 (D type) P 1 No. Code No. Parts Name Q'ty Parts No. LG4-M8A10-110 BODY ASSY 1 AS2-A44-8201-B LG4-M8A10-120 BODY ASSY 1 AS3-A44-8201-B LG4-M6A1M-000 MAIN LEVER ASSY 1 AS-A24-8145 1 LG4-M1A1L-0…


I・pulse F2 Series
F2-44 (D type)
P 1
No. Code No. Parts Name Q'ty Parts No.
LG4-M8A10-110 BODY ASSY 1 AS2-A44-8201-B
LG4-M8A10-120 BODY ASSY 1 AS3-A44-8201-B
LG4-M6A1M-000 MAIN LEVER ASSY 1 AS-A24-8145
1 LG4-M1A1L-000 THRUST WASHER 1 CTF- 53- 38-02
2 KW1-M4578-000 STUD 2 CTF- 54- 44
3 KW1-M221F-100 STOPPER PIN 1 CTF-M12- 313
4 K87-M211B-000 BACK STOPPER AXIS 1 CTF-M12- 315
5 LG4-M6A19-001 BACK STOPPER SPRING 1 FTA-A24-8114-98
6 KW1-M451H-000 BACK STOPPER 1 FTA-A24-1114
7 LG4-M8A11-101 BODY 1 FTA-A44-8201-B
LG4-M6A12-010 MAIN GUIDE PIN 1 FTA-A24-8102-B
LG4-M6A12-020 MAIN GUIDE PIN 1 FTA-A24-8102-C
LG4-M1A13-500 LOCATE PIN R 1 FTA-E08-8503
LG4-M1A13-510 LOCATE PIN R 1 FTA-E08-8503-B
LG4-M1A14-500 LOCATE PIN F 1 FTA-E08-8504
LG4-M1A14-510 LOCATE PIN F 1 FTA-E08-8504-B
11 LG4-M4A15-000 PLUG HOLDER GUIDE 1 FTA-A12-8105
12 LG4-M1A16-000 PLUG HOLDER 1 FTA-A08-8106
13 LG4-M1A1K-000 LEVER AXIS PIN 1 FTA-A08-8130-B
14 LG4-M6A1R-000 STUD 1 FTA-A24-8144
15 LG4-M6A1N-000 MAIN LEVER 1 FTA-A24-8145
16 LG4-M6A1P-000 ARM 1 FTA-A24-8147
17 K87-M56C1-000 BARB CONNECTOR 1 BF4BU
18 LG4-M1AB2-000 PLUG 1 MA-MC05PM
19 LG4-M6ABA-000 AIR HOSE 1 U4B-180
20 K87-M111Y-000 SCREW,SET 1 3MY-4-F
21 K87-M23B3-000 SCREW,SET 2 3MY-5
22 LG4-M1AD1-000 CIRCULAR RIVET 1 2-8
23 K87-M1115-000 CIRCULAR RIVET 1 2-10
24 LG4-M1AD2-000 CIRCLIP C 1 STW-7
25 K87-M11B9-000 CIRCLIP E 3 E.24
26
27
28
※1…F2-44-216D~
※1
※1 8
※1 9
※1 10

8B-3