JM-50-Rev00PDFA - 第69页
- 64 - REF.NO NOTE PART NO D E S C R I P T I O N 品 名 Qty 1 402-07348 SMT_FEEDER_SENSOR_F SMTフィーダ浮きセンサF 1 2 402-07390 FEEDER_SENSOR_UNIT フィーダセンサユニット (1) 3 402-06473 FDS_BASE FDSベース (2) 4 401-10190 FSD_BR FSDブラケット (4) 5 40…

- 63 -
32.SMT FEEDER FLOAT SENSOR COMPONENTS
SMT フィーダ浮きセンサ関係
8
6
5
4
7
4
8
4
5
4
6
7
3
3
2
7
7
8
8
9
9
11
10
14
16
17
15
13
12
1
20
20
22
21
25
24
24
25
23
21
26
26
25
21
22
24
21
24
23
25
27
28
18
19

- 64 -
REF.NO NOTE PART NO D E S C R I P T I O N
品 名
Qty
1 402-07348 SMT_FEEDER_SENSOR_F
SMTフィーダ浮きセンサF
1
2 402-07390 FEEDER_SENSOR_UNIT
フィーダセンサユニット
(1)
3 402-06473 FDS_BASE
FDSベース
(2)
4 401-10190 FSD_BR
FSDブラケット
(4)
5 401-81501 SEPARATE SENSOR RECEIVER ASM
セパレートセンサ_受光組
(2)
6 401-81502 SEPARATE SENSOR EMISSION ASM
セパレートセンサ_投光組
(2)
7 SM-4020501-SC SCREW M2 L=5
なべ小ねじ M2 L=5
(8)
8 SL-6030692-TN SCREW M3 L=6
座金付き六角穴ボルト M3 L=6
(8)
9 SL-6051292-TN SCREW M5 L=12
座金付き六角穴ボルト M5 L=12
(4)
10 HX-0070600-00 MOUNT BASE
マウントベース
(2)
11 EA-9500B01-00 CABLE BAND
束線バンド
(2)
12 402-11886 FDS_CABLE_BR_ASM
FDSケーブルブラケット組
(1)
13 402-11887 FDS_CABLE_BR
FDSケーブルブラケット
(1)
14 SL-6030692-TN SCREW M3 L=6
座金付き六角穴ボルト M3 L=6
(1)
15 SL-6040892-TN SCREW M4 L=8
座金付き六角穴ボルト M4 L=8
(1)
16 HX-0070600-00 MOUNT BASE
マウントベース
(2)
17 EA-9500B01-00 CABLE BAND
束線バンド
(2)
18 402-07349 SMT_FEEDER_SENSOR_R
SMTフィーダ浮きセンサR
1
19 402-07390 FEEDER_SENSOR_UNIT
フィーダセンサユニット
(1)
20 402-06473 FDS_BASE
FDSベース
(2)
21 401-10190 FSD_BR
FSDブラケット
(4)
22 401-81501 SEPARATE SENSOR RECEIVER ASM
セパレートセンサ_受光組
(2)
23 401-81502 SEPARATE SENSOR EMISSION ASM
セパレートセンサ_投光組
(2)
24 SM-4020501-SC SCREW M2 L=5
なべ小ねじ M2 L=5
(8)
25 SL-6030692-TN SCREW M3 L=6
座金付き六角穴ボルト M3 L=6
(8)
26 SL-6051292-TN SCREW M5 L=12
座金付き六角穴ボルト M5 L=12
(4)
27 HX-0070600-00 MOUNT BASE
マウントベース
(2)
28 EA-9500B01-00 CABLE BAND
束線バンド
(2)

- 65 -
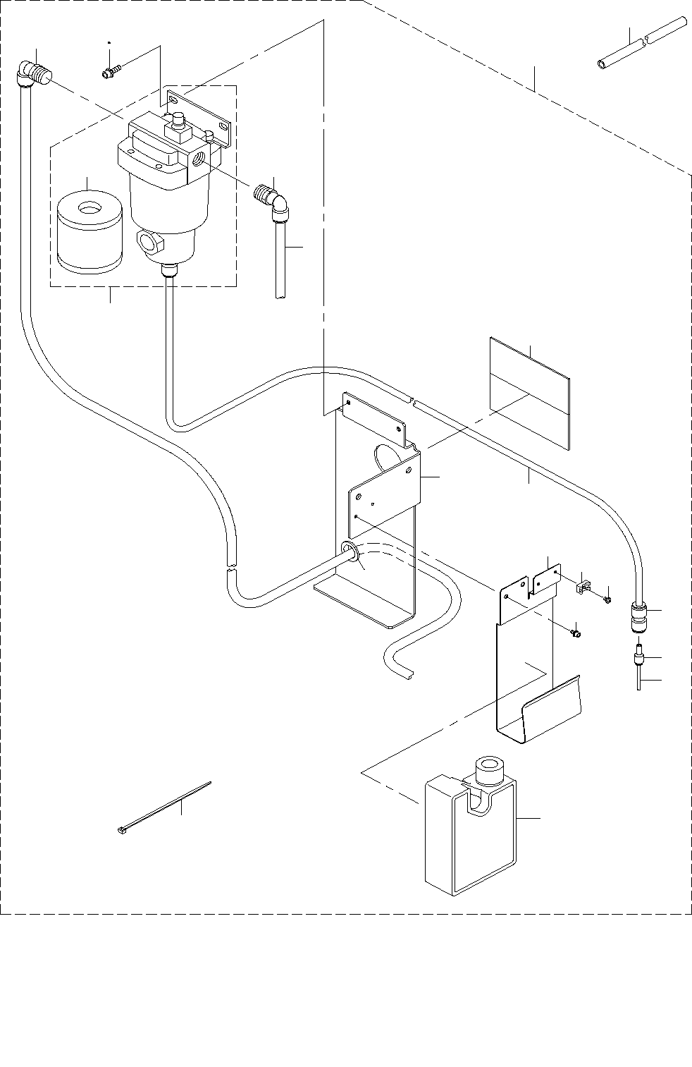
33.MAIN LINE FILTER COMPONENTS
メインラインフィルタ関係
13
12
14
15
7
8
19
11
9
6
16
20
18
4
5
3
2
10
17
4
1
21