P-0324-001 - 第16页
Fig. H1-A3 全体図3 P ARTS LA YOUT -3 1 101-001 767 758 766 744 743 733 744 743 723 757 765 736 742 741 731 749 725 760 746 738 746 738 728 726 728 717 733 742 741 754 735 721 724 719 747 744 743 750 743 749 730 730 729 722 …

1101-001
Fig. H1
Fig. H1-A2
13
21
15
19
20
14
21
22
22
13
21
22
13
21
15
19
20
22
21
22
24
21
22
24
16
G
I
K
16
H
J
L
M
N
202
203
535
539
527
506
505
531
532
528
0992 2 400
912
919
917
918
909
916
918
917
910
119
916
918
917
919
918
917
201
18
17
10
18
17
10
0992 2 400
515
522
535
529
537
538
517
514
516
526
532
531
504
502
540
531
541
532
531
520
521
539
534
533
510
509
522
507
508
501
503
532
531
541
535
530
525
532
531
519
517
513
524
518
511
536
535
529
523
534
533
0948 2 10Z
0948 2 10E
905
920
914
915
923
902
903
913
907
904
906
921
924
922
904
904
904
908
906
903
901
905
907
916
918
917
921
924
922
916
918
917
923
915
914
920
540
531
520
532
512
532
532
531
519
539

Fig. H1-A3
全体図3
PARTS LAYOUT-3
1101-001
767
758
766
744
743
733
744
743
723
757
765
736
742
741
731
749
725
760
746
738
746
738
728
726
728
717
733
742
741
754
735
721
724
719
747
744
743
750
743
749
730
730
729
722
737
739
740
762
740
739
745
708
763
707
755
117
117
720
703
701
715
727
717
742
741
732
744
743
756
744
743
714
740
739
748
740
739
751
740
739
745
734
755
741
760
732
744
743
733
712
710
716
735
744
743
733
744
743
714
749
740
739
713
727
755
702
755
727
752
753
713
704
708
764
707
718
755
727
713
759
720
705
756
744
743
761
736
0992 2 402
K
L
839
840
851
I
J
0992 2 402
0992 2 403
839
840
848
D12
D19
D18
D17
D09
D16
D18
D17
D10
11D
D16
D18
D17
D19
D17
D18
24
22
21
24
22
21
22
20
19
15
21
13
22
21
13
22
22
21
14
20
19
15
21
13
846
838
846
838
828
826
828
822
840
839
837
849
830
829
850
843
830
835
821
801
819
844
843
847
809
817
842
841
845
834
855
841
856
844
843
856
844
842
841
836
842
840
814
839
833
844
843
833
844
843
832
824
807
844
843
814
840
839
118
839
848
840
851
845
840
839
831
849
823
807
808
816
835
812
815
827
855
801
818
805
820
820
810
813
827
855
804
803
808
802
825
855
827
815
813
827
855
118
709
24
22
21
24
22
21
22
20
19
15
21
13
22
21
13
22
22
21
14
20
19
15
21
13
0948 2 10G
1010948 2
D05
D20
D14
D15
D23
D02
D03
D13
D07
D04
D06
D21
D22
D24
D04
D04
D04
D08
D06
D03
D01
D05
D07
D16
D18
D17
D21
D22
D24
D16
D18
D17
D23
D15
D14
D20
0948 2 10D
0948 2 10H
B07
B04
B15
B18
B17
B16
B14
B13
B12
11B
B10
B09
B05
B03
B08
B06
B15
B18
B17
B16
B14
B13
B12
11B
B10
B09
B04
B02
B04
B07
B05
B03
B08
B06
B01
B04
851
840
839
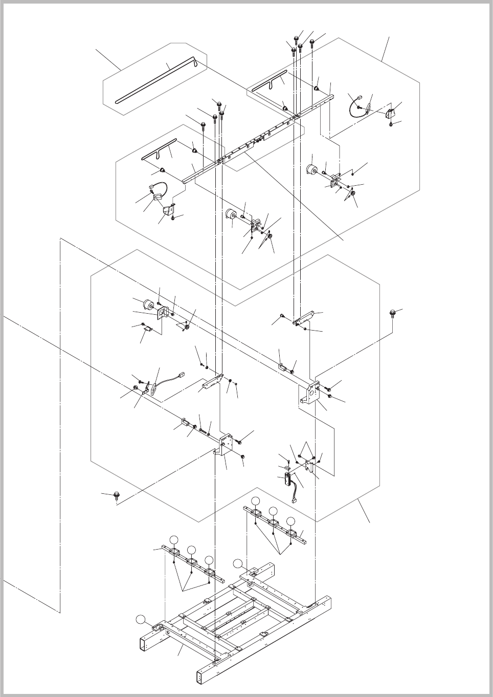
Fig. H1
デュアル搬送 (
Y
サイズ
250mm
対応 )
DUAL TRANSFER(FOR
Y SIZE 250mm)

1101-001
Fig. H1
Fig. H1-A3
K
L
839
840
851
0992 2 403
839
840
848
24
22
21
24
22
21
22
20
19
15
21
13
22
21
13
22
22
21
14
20
19
15
21
13
846
838
846
838
828
826
828
822
840
839
837
849
830
829
850
843
830
835
821
801
819
844
843
847
809
817
842
841
845
834
855
841
856
844
843
856
844
842
841
836
842
840
814
839
833
844
843
833
844
843
832
824
807
844
843
814
840
839
118
839
848
840
851
845
840
839
831
849
823
807
808
816
835
812
815
827
855
801
818
805
820
820
810
813
827
855
804
803
808
802
825
855
827
815
813
827
855
118
0948 2 10D
0948 2 10H
B07
B04
B15
B18
B17
B16
B14
B13
B12
11B
B10
B09
B05
B03
B08
B06
B15
B18
B17
B16
B14
B13
B12
11B
B10
B09
B04
B02
B04
B07
B05
B03
B08
B06
B01
B04
851
840
839