N7201A652E - 第98页
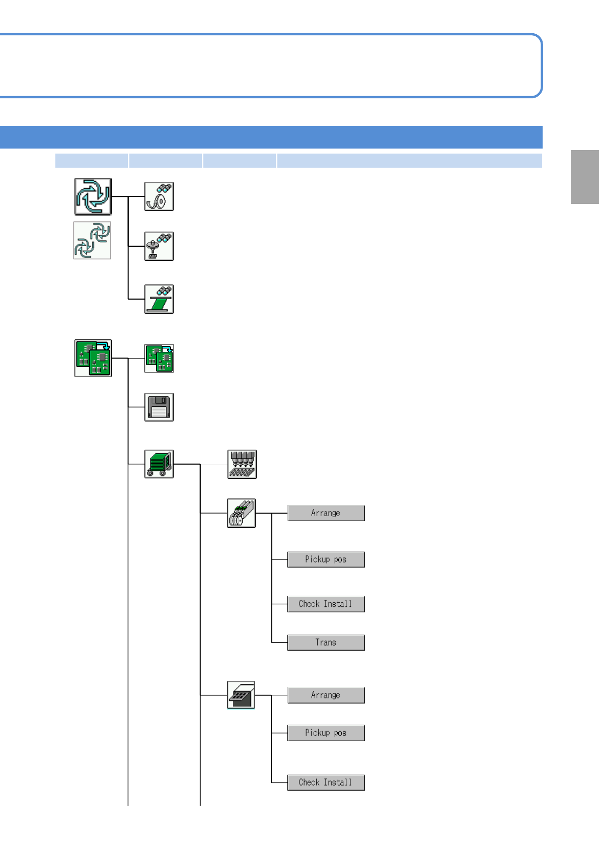
NPM- TT2 EJM1EE-MB-02 O-04 2-2-2 -7 Engineer mode 2 Compo- nent names Menu configur a tion 4 Operating procedure 2-2-2 Material preparation Preparatio n menu Replaces the PCB support pin unit. Displays PCB positions, and…

NPM-TT2 EJM1EE-MB-02O-04
2-2-2-6
Remaining monitor
Checks information on the component shortage of each table in line.
Checks pickup status.
Pickup monitor
Status monitor
Displays production information during operations, parts shortages and
other status.
Production
menu
(During
production)
Continuous preparation
Controls individual preparation before production, per process.
Handles files; for example, loading machine data or saving machine parameters.
File handling
Material
preparation
Preparation
menu
Displays the machine data at each nozzle position.
Nozzle
Feeder
Tray
Displays production data and the
feeder status in color.
Checks feeder status.
Checks the correction values
obtained from pickup position learning
during production, per feeder address.
Operates the transcription unit.
(displayed when the transcription unit is mounted)
Checks production data and the tray
status in color.
Checks tray status.
Checks the correction values
obtained from pickup position learning
during production, per tray address.
Preparation
First layer Second layer Third layer Fourth layer

NPM-TT2 EJM1EE-MB-02O-04
2-2-2-7
Engineer mode 2
Compo-
nent
names
Menu configuration 4
Operating procedure
2-2-2
Material
preparation
Preparation
menu
Replaces the PCB support pin unit.
Displays PCB positions, and transfers
PCBs from their respective positions.
Adjusts PCB widths.
Calculates the consumption of
components relative to the planned volume
in advance.
Production plan
Pickup
information
Displays information on
operating time per stage.
Displays up to 50 emergency stop errors in chronological
order, with the most recent first.
Stop history
Displays the latest 50 errors in the vacuum sensor that
occurred during automatic operation in chronological order.
History
Pickup monitor
Displays component pickup
information.
Operating
information
Vacuum sensor error history
Production
information
menu
Displays component pickup
information.
Checks the number of support pins (for
automatic change) and their positions.
(displayed for the support pin automatic
change specification)
Conveyor
First layer Second layer Third layer Fourth layer

NPM-TT2 EJM1EE-MB-02O-04
2-2-2-8
Maintenance
operations
Consumable parts replacement
Periodic inspection
Checks the inspection items and work history of each cycle.
Displays the consumable parts replacement information.
Accuracy verification result
Displays accuracy verification results.
Maintenance
menu
XY unit
Carries out maintenance operations on XY unit.
Head
Carries out maintenance operations on heads.
Carries out maintenance operations on PCB transfer.
Tray
Carries out maintenance operations on the tray feeder.
(Displayed when the tray feeder is installed)
Conveyor
Preparation
First layer Second layer Third layer Fourth layer