Parts List (Mechanical Parts) - 第10页
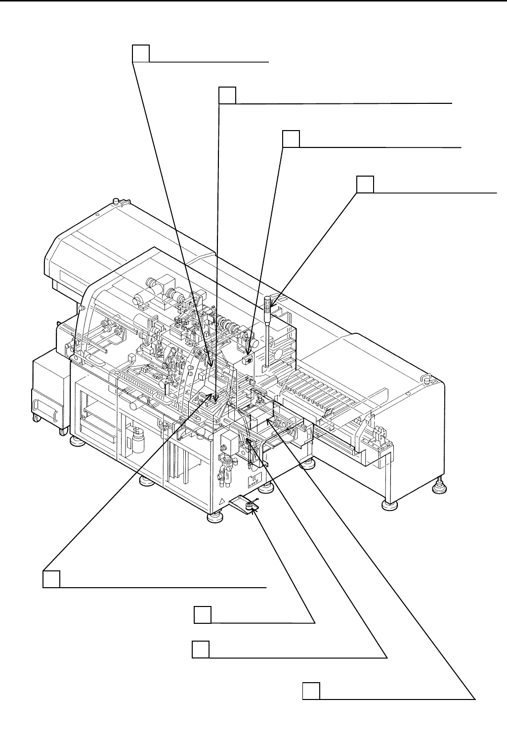
AVK3 (NM-AA30/AA31) 全体図 UNIT LAYOUT [◆選択仕様 OPTIONAL EQUIPMENT] 25 カートリッジ部 CARTRI DGE SECT . 21 カバー部 (Z 軸カバー部 ) COVER SEC T.(Z-AXIS COVER SECT.) 27 J.W リール部 J.W .REEL SECT. 24 パーツフィーダ部 COM PONENT FEEDER SEC T. 23 ローダ・アンロー…

AVK3 (NM-AA30/AA31)
全体図
UNIT
LAYOUT
[◆選択仕様 OPTIONAL EQUIPMENT]
FZQ124783B06-4
26
J.W.
ヘッド部
J.W.HEAD SECT.
30
ブザー取付部
BUZZER ATTACHMENT SECT.
1
空圧制御部
(P-PUSH)
PNEUMATIC SYSTEM SECT.(P-PUSH)
29
シグナルタワー部
SIGNAL TOWER SECT.
31
自動幅寄せ部
A
UTO WIDTH CONTROL SECT.
22
X
-Y
テーブル部
(
自動幅寄せ部
)
X
-Y TABLE SECT.(AUTO WIDTH CONTROL SECT.)
33
基板厚対応部
SPECIFICATION FOR P.B.C. THICKNESS SECT.
34
JW
ヘッド部
JW HEAD SECT.

AVK3 (NM-AA30/AA31)
全体図
UNIT
LAYOUT
[◆選択仕様 OPTIONAL EQUIPMENT]
25
カートリッジ部
CARTRIDGE SECT.
21
カバー部
(Z
軸カバー部
)
COVER SECT.(Z-AXIS COVER SECT.)
27
J.W
リール部
J.W.REEL SECT.
24
パーツフィーダ部
COMPONENT FEEDER SECT.
23
ローダ・アンローダ部
LOADER & UNLOADER SECT.
28
J.W
フィード部
J.W.FEED SECT.
35
カバー部
COVER SECT.
32
基準ピン部
PIN POSITIONING SECT.
FZQ124783B06-5

目 次 CONTENTS
摘要:
M 機械部品 MECHANICAL PARTS
標準仕様 STANDARD EQUIPMENT
本体部(1) MAIN BODY SECT.(1)・・・・・・・・・・・・・・・・・・・・・・・・・・・・・・・・・
1
M1
本体部(2) MAIN BODY SECT.(2)・・・・・・・・・・・・・・・・・・・・・・・・・・・・・・・・・
1
M3
本体部(3) MAIN BODY SECT.(3)・・・・・・・・・・・・・・・・・・・・・・・・・・・・・・・・・
1
M5
本体部(4) MAIN BODY SECT.(4)・・・・・・・・・・・・・・・・・・・・・・・・・・・・・・・・・
1
M7
カバ-部(1) COVER SECT.(1)・・・・・・・・・・・・・・・・・・・・・・・・・・・・・・・・・・・・・
2
M9
カバ-部(2) COVER SECT.(2)・・・・・・・・・・・・・・・・・・・・・・・・・・・・・・・・・・・・・
2
M11
カバ-部(3) COVER SECT.(3)・・・・・・・・・・・・・・・・・・・・・・・・・・・・・・・・・・・・・
2
M13
カバ-部(4) COVER SECT.(4)・・・・・・・・・・・・・・・・・・・・・・・・・・・・・・・・・・・・・
2
M15
カバ-部(5) COVER SECT.(5)・・・・・・・・・・・・・・・・・・・・・・・・・・・・・・・・・・・・・
2
M17
カバ-部(6) COVER SECT.(6)・・・・・・・・・・・・・・・・・・・・・・・・・・・・・・・・・・・・・
2
M19
カバー部(主操作盤) COVER SECT.(MAIN CONTROL PANEL)・・・・・・・・・・・・・・・・・・・・
2
M21
カバー部(Z軸1)<NM-AA30> COVER SECT.(Z-AXIS-1)・・・・・・・・・・・・・・・・・・・・・・・・・・・・・・
2
M23
カバー部(Z軸2)<NM-AA30> COVER SECT.(Z-AXIS-2)・・・・・・・・・・・・・・・・・・・・・・・・・・・・・・
2
M25
カバー部(Z軸3)<NM-AA30> COVER SECT.(Z-AXIS-3)・・・・・・・・・・・・・・・・・・・・・・・・・・・・・・
2
M27
カバー部(Z軸4)<NM-AA30> COVER SECT.(Z-AXIS-4)・・・・・・・・・・・・・・・・・・・・・・・・・・・・・・
2
M29
カバー部(Z軸5)<NM-AA30> COVER SECT.(Z-AXIS-5)・・・・・・・・・・・・・・・・・・・・・・・・・・・・・・
2
M31
カバー部(Z軸6)<NM-AA30> COVER SECT.(Z-AXIS-6)・・・・・・・・・・・・・・・・・・・・・・・・・・・・・・
2
M33
カバー部(Z軸7)<NM-AA30> COVER SECT.(Z-AXIS-7)・・・・・・・・・・・・・・・・・・・・・・・・・・・・・・
2
M35
カバー部(Z軸8)<NM-AA30> COVER SECT.(Z-AXIS-8)・・・・・・・・・・・・・・・・・・・・・・・・・・・・・・
2
M37
カバー部(Z軸カバー部1)<NM-AA31> COVER SECT.(Z-AXIS COVER SECT.-1)・・・・・・・・・・・・・・・・・・
2
M39
カバー部(Z軸カバー部2)<NM-AA31> COVER SECT.(Z-AXIS COVER SECT.-2)・・・・・・・・・・・・・・・・・・
2
M41
カバー部(Z軸カバー部3)<NM-AA31> COVER SECT.(Z-AXIS COVER SECT.-3)・・・・・・・・・・・・・・・・・・
2
M43
カバー部(Z軸カバー部4)<NM-AA31> COVER SECT.(Z-AXIS COVER SECT.-4)・・・・・・・・・・・・・・・・・・
2
M45
カバー部(Z軸カバー部5)<NM-AA31> COVER SECT.(Z-AXIS COVER SECT.-5)・・・・・・・・・・・・・・・・・・
2
M47
FMQ124783B08-1