OM-1460-001_w - 第50页
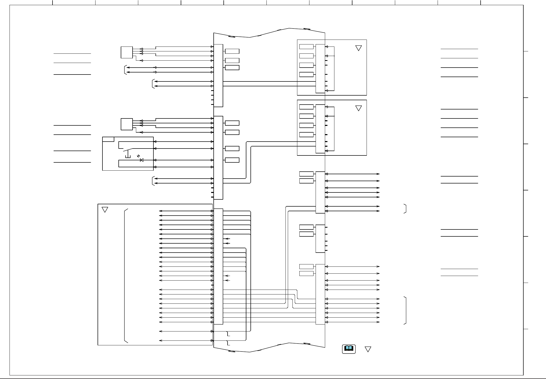
47 0709-001-(M845WBR-A1003) U05 I/O STLT ILB + PWR (R) 1/5 IO_DI 0 非常停止セーフティモニタ 右カバー用セーフティモニタ カバーロック確認 ST2 非常停止スイッチ CN1 :4 :5 :2 :3 -X0501 RX /RX TX /TX 7 3 9 5 -X051 1 CN1 1 B1 B2 -714 B3 -715 B4 B5 B6 -720 B7 -501 B8 -…

46
0709-001-(M845WBL-A1005)
U05 I/O STLT ILB + PWR (L) 3/5
A3
B2
A2
-X0515
10B
CN15
-XB0510
-B0510
+
-
BL
BR
BK
OUT1
:2
:3
:1
OUT2
PK
B3
:4
A5
:1
-X20701
B5
:2
-506
24B1L
-504
-533
24B2L
INT_DI 5
INT_DO 7
INT_DI 3
1
-X0518
CN18
2
4
5
INT_DI 10
INT_DI 16
IO_DO 14
IO_DO 15
A1
B1
-653
-654
6
7
3
8
N.C
GND(10B)
A4,B4
N.C
B10
N.C
B13
N.C
B15
N.C
B10
A13-A15
B13-B15
A3
B2
A2
-X0515
10B
CN16
-XB0510
-B0510
+
-
OUT1
:2
:3
:1
OUT2
B3
:4
-507
24B1R
-505
INT_DI 6
INT_DI 4
A1
B1
-653
-654
N.C
N.C
N.C
A4
:1
-S112
B4
:2
10B
-721
A5
:3
-S112
B5
:4
-737
24B1R
-S112(L)
-H102
GA
IO_DI 11
IO_DO 11
1
-X0517
CN17
2
4
5
INT_DI 9
INT_DI 15
IO_DO 12
IO_DO 13
6
7
3
8
N.C
GND(10B)
CN19
A1
-548
ビーム(1) 緊急停止指令
ビーム(2) 緊急停止指令
B1
-547
A5
10B
A10
24B1L
B5,B10
24B2L
CN20
A1
A6
A5
A10
B5,B10
CN21
A1
-546
ヘッド(1) 緊急停止指令
ヘッド(2) 緊急停止指令
A6
-545
A5
10B
A10
24B1L
B5,B10
24B2L
INT_DO 8
INT_DO 9
INT_DO 13
INT_DO 12
INT_DO 10
INT_DO 11
A3
B3
B7
A7
B6
B2
A2
B1
A2
B1
A1
(-X0523)
CN23
B2
A3
B4
A4
B3
A5
B5
A7
B6
A6
B7
A8
A9,B9
B8
A10
B10
-U16
-X1605:2へ
A11
B11
A12
B12
A13
B13
(-X0524)
CN24
8
(-X0525)
CN25
8
CN15-B11
CN15-B12
CN16-B11
CN16-B12
N.C
-X1606:2へ
-X1607:2へ
-X1608:2へ
-X1609:2へ
-X1610:2へ
-X1611:2へ
-X1612:2へ
-X1613:2へ
-X1614:2へ
-X1615:2へ
-X1616:2へ
-X1617:2へ
-X1618:2へ
-X1619:2へ
-X1620:2へ
-X1644:1へ
-X1643:1へ
-X1642:1へ
-X1641:1へ
-X1640:1へ
-X1639:1へ
-X1638:1へ
-X1637:1へ
-U28(-X2807)
-X10520(1)
-U28(-X2807)
-X10520(2)
GND(10B)
24V(B1)
24V(B2)
GND(10B)
24V(B1)
24V(B2)
GND(10B)
24V(B1)
24V(B2)
GND(10B)
GND(10B)
GND(10B)
GND(10B)
24V(B1)
24V(B1)
24V(B1)
24V(B2)
GND(10B)
-X0519
-X0520
-X0521
N.C
N.C
N.C
N.C
N.C
BL
BR
BK
PK
[D-/03/2E]
[D-/11/5D]
[D-/21/5D]
[F-/12/5F]
[F-/12/5D]
[F-/13/5E]
[F-/13/6D]
I/O P.C.B
STLT_ILB+PWR
-U05(L)
Block1
Block2
サプレッサ浮き検出(1)
フック外れ検出(1)
前後工程電源ON
U07(STLT_IF)
-X0701:1へ
-X0701:2へ
ノズル上下インターロック(M2)
ヘッド上下インターロック(M2)
バッドマークセンサ感度切替1(M2)
バッドマークセンサ感度切替2(M2)
OP
OP
-U09(1) (STLT CUT R)
-X0938:1へ
-X0939:1へ
サプレッサ浮き検出(2)
フック外れ検出(2)
-U09(2) (STLT CUT F)
-X0938:1へ
-X0939:1へ
ステージ準備完了SW
ステージ準備完了SW LED
ノズル上下インターロック(M1)
ヘッド上下インターロック(M1)
バッドマークセンサ感度切替1(M1)
バッドマークセンサ感度切替2(M1)
OP
OP
-X8203:1へ
FB-U82 (モーションコントロール基板)
CPU2-L
-X8203:2へ
-X8203:22へ
-X8203:47へ
-X8203:23,48へ
-X8303:1へ
FB-U83 (モーションコントロール基板)
CPU2-L
-X8303:26へ
-X8303:22へ
-X8303:47へ
-X8303:23,48へ
-X8203:5へ
-X8203:6へ
-X8303:29へ
-X8303:28へ
-X8303:27へ
-X8303:4へ
-X8303:3へ
-X8303:2へ
多機能ヘッド
OP
多機能ヘッド用
OP
多機能ヘッド用
OP
ノートb
ノートb
S
S
S
1
2 3 4 5 6 7 8 9 10 11 12
A
B
C
D
E
F
G
H
*
*
ノート
S
マークは、Block1 または Block2 に多機能ヘッドを搭載する場合の回路図です。
(a)
(b)
Block1に多機能ヘッドを搭載する場合、基板U05-CN17をショートする。
Block2に多機能ヘッドを搭載する場合、基板U05-CN18をショートする。

47
0709-001-(M845WBR-A1003)
U05 I/O STLT ILB + PWR (R) 1/5
IO_DI 0
非常停止セーフティモニタ
右カバー用セーフティモニタ
カバーロック確認ST2
非常停止スイッチ
CN1
:4
:5
:2
:3
-X0501
RX
/RX
TX
/TX
7 39 5
-X0511
CN11
B1
B2
-714
B3
-715
B4
B5
B6
-720
B7
-501
B8
-502
A1-A8
10B1
S131
S132
32 31
32 31
S132
41 42
:B2
-X2761
:5
-X2741
:A2
-X2761
:A3
-X2761
:5
-X2742
:B3
-X2761
:6
-X2741
:6
-X2741
:B6
-X2761
:B7
-X2761
:B8
-X2761
:2
-X2771
:1
-X2770
:A6
-X2761
-U27R
GA
GA
:2
-X27152
:A7
-X2761
:A8
-X2761
A11
B11
A12
:A12
-X2761
-728
-K22
16 15
24B1R
B12
:B12
-X2761
-729
-K65
1 8
A13
:A13
-X2761
-732
-K71
1 8
B13
:B13
-X2761
-733
-K72
1 8
A14
:A14
-X2761
-534
-K23
16 15
B14
:B14
-X2761
-535
-K21
1 8
A17
:A17
-X2761
-540
-K11
16 15
B16
:B16
-X2761
-539
-K12
16 15
A16
:A16
-X2761
-538
-K15
16 15
B15
:B15
-X2761
-537
-K16
16 15
フィーダベース(3) 電源投入
フィーダベース(4) 電源投入
カッター電源投入
カバーロック
真空ポンプR 電源制御
コンベアR 主電源制御
ビーム(3) 主電源制御
ビーム(4) 主電源制御
ヘッド(3) 主電源制御
ヘッド(4) 主電源制御
IO_DI 4
IO_DI 5
IO_DI 9
IO_DI 8
IO_DI 10
INT_DI 0
INT_DI 1
IO_DO 0
IO_DO 1
IO_DO 6
IO_DO 7
IO_DO 2
IO_DO 3
INT_DO 6
INT_DO 5
INT_DO 0
INT_DO 1
INT_DO 2
INT_DO 3
A6
B6
CN15
:1
-X504
:2
:2
-X2770
:1
-X2771
B10
-420
A10
-U27R:-X2761:B10
-U27R:-X2761:A10
A9
B9
A15
B17
N.C
N.C
N.C
N.C
A6
B6
CN16
:1
-X504
:2
-X0515
-X0516
1
CN3
-X0503
2
4
1
CN4
-X0504
2
3
10B
24B1R
10B
24B1R
24B2R
10B
A7
B7
:3
:4
A7
B7
:3
:4
GND(10B)
S131
41 42
GA
:1
-X27152
-U27R
24B2R
-718
[B-/02/1F]
[B-/02/7C]
[BR/02/10A]
[BL/03/4D] [BL/03/4D]
[F-/25/5A]
[BR/01/12B]
[BR/01/12B]
I/O P.C.B
STLT_ILB+PWR
-U05(R)
:7
:3
:6
:2
CN2
-X0502
:9
5 93 7
/TX
TX
/RX
RX
FG(コネクタケース)
M867[M-/04/3A]
-U85 HLSC
FD ch1-1
CH1-CN1
注1
コネクタケース
FG(コネクタケース)
(K3 33より)
(K4B 63より)
(K3 34より)
(K4C 64より)
多段トレイ(3)
多段トレイ(4)
OP
OP
入力用電源
出力用電源
RESERVED
RESERVED
RESERVED
RESERVED
-U27(R)
-X2761:A5
-U27(R)
-X2761:B5
安全カバーモニタST2(R)
安全カバーモニタST2(F)
注1
U16R (STLT ILB)
X1603(CN3)
BC ch1-1
1
2 3 4 5 6 7 8 9 10 11 12
A
B
C
D
E
F
G
H
S
ノート
S
マークは、
Block1またはBlock2に多機能ヘッドを搭載する場合の回路です。

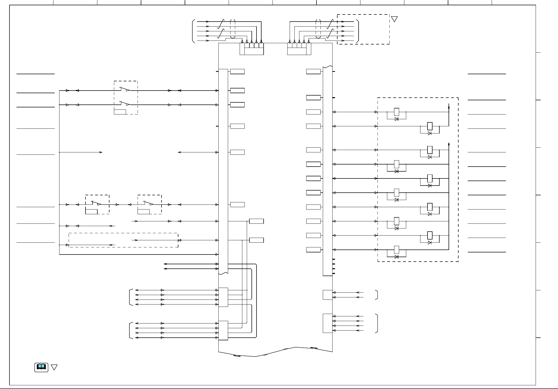
48
0709-001-(M845WBR-A1004)
U05 I/O STLT ILB + PWR (R) 3/5
A3
B2
A2
-X0515
10B
CN15
-XB0510
-B0510
+
-
OUT1
:2
:3
:1
OUT2
B3
:4
A5
B5
-506
24B1R
-504
INT_DI 5
INT_DO 7
INT_DI 3
1
CN18
2
4
5
INT_DI 10
INT_DI 16
IO_DO 14
IO_DO 15
A1
B1
-653
-654
6
7
3
8
N.C
GND(10B)
A4,B4
N.C
B10
N.C
B13
N.C
B15
N.C
B10
A13-A15
B13-B15
A3
B2
A2
-X0515
10B
CN16
-XB0510
-B0510
+
-
OUT1
:2
:3
:1
OUT2
B3
:4
-507
24B1R
-505
INT_DI 6
INT_DI 4
A1
B1
-653
-654
N.C
N.C
N.C
A4
:1
-S112
B4
:2
10B
-721
A5
:3
-S112
B5
:4
-737
24B1R
-S112(R)
-H102
GA
IO_DI 11
IO_DO 11
1
CN17
2
4
5
INT_DI 9
INT_DI 15
IO_DO 12
IO_DO 13
6
7
3
8
N.C
GND(10B)
CN19
A1
-548
ビーム(3) 緊急停止指令
ビーム(4) 緊急停止指令
B1
-547
A5
10B
A10
24B1R
B5,B10
24B2R
CN20
A1
A6
A5
A10
B5,B10
CN21
A1
-546
ヘッド(3) 緊急停止指令
ヘッド(4) 緊急停止指令
A6
-545
A5
10B
A10
24B1R
B5,B10
24B2R
INT_DO 8
INT_DO 9
INT_DO 13
INT_DO 12
INT_DO 10
INT_DO 11
A3
B3
B7
A7
B6
B2
A2
B1
A2
B1
A1
(-X0523)
CN23
B2
A3
B4
A4
B3
A5
B5
A7
B6
A6
B7
A8
A9,B9
B8
A10
B10
-U16
-X1605:2へ
A11
B11
A12
B12
A13
B13
(-X0524)
CN24
8
(-X0525)
CN25
8
CN15-B11
CN15-B12
CN16-B11
CN16-B12
N.C
-X1606:2へ
-X1607:2へ
-X1608:2へ
-X1609:2へ
-X1610:2へ
-X1611:2へ
-X1612:2へ
-X1613:2へ
-X1614:2
へ
-X1615:2へ
-X1616:2へ
-X1617:2へ
-X1618:2へ
-X1619:2へ
-X1620:2へ
-X1644:1へ
-X1643:1へ
-X1642:1へ
-X1641:1へ
-X1640:1へ
-X1639:1へ
-X1638:1へ
-X1637:1へ
-U28(-X2807)
-X10520(3)
-U28(-X2807)
-X10520(4)
GND(10B)
24V(B1)
24V(B2)
GND(10B)
24V(B1)
24V(B2)
GND(10B)
24V(B1)
24V(B2)
GND(10B)
GND(10B)
GND(10B)
GND(10B)
24V(B1)
24V(B1)
24V(B1)
24V(B2)
GND(10B)
-X0519
-X0520
-X0521
BL
BR
BK
PK
BL
BR
BK
PK
[D-/31/5D]
[D-/41/5D]
[M-/31/6B]
[M-/31/6B]
[M-/31/6B]
[M-/31/6B]
[M-/31/6C]
[M-/31/6C]
[M-/41/6B]
[M-/41/6B]
[M-/41/6B]
[M-/41/6B]
[M-/41/6C]
[M-/41/6C]
[F-/22/5F]
[F-/22/5D]
[F-/23/5E]
[F-/23/6D]
N.C
N.C
N.C
N.C
N.C
I/O PCB
STLT_ILB+PWR
-U05(R)
-X0518
-X0517
Block3
Block4
サプレッサ浮き検出(3)
フック外れ検出(3)
ノズル上下インターロック(M4)
ヘッド上下インターロック(M4)
バッドマークセンサ感度切替1(M4)
バッドマークセンサ感度切替2(M4)
OP
OP
-U09(3) (STLT CUT R)
-X0938:1へ
-X0939:1へ
サプレッサ浮き検出(4)
フック外れ検出(4)
-U09(4) (STLT CUT F)
-X0938:1へ
-X0939:1へ
ステージ準備完了SW
ステージ準備完了SW LED
ノズル上下インターロック(M3)
ヘッド上下インターロック(M3)
バッドマークセンサ感度切替1(M3)
バッドマークセンサ感度切替2(M3)
OP
OP
-X8203:1へ
FD-U82 (モーションコントロール基板)
CPU2-R
-X8203:2へ
-X8203:22へ
-X8203:47へ
-X8203:23,48へ
-X8303:1へ
FD-U83 (モーションコントロール基板)
CPU2-R
-X8303:26へ
-X8303:22へ
-X8303:47へ
-X8303:23,48へ
-X8203:5へ
-X8203:6へ
-X8303:29へ
-X8303:28へ
-X8303:27へ
-X8303:4へ
-X8303:3へ
-X8303:2へ
多機能ヘッド
OP
多機能ヘッド用
OP
多機能ヘッド用
OP
RESERVED
1
2 3 4 5 6 7 8 9 10 1
1 12
A
B
C
D
E
F
G
H
*
*
S
S
S
ノート
S
マークは、Block3または Block4 に多機能ヘッドを搭載する場合の回路図です。
(a)
(b)
Block3に多機能ヘッドを搭載する場合、基板U05-CN17をショートする。
Block4に多機能ヘッドを搭載する場合、基板U05-CN18をショートする。