OM-1460-001_w - 第58页
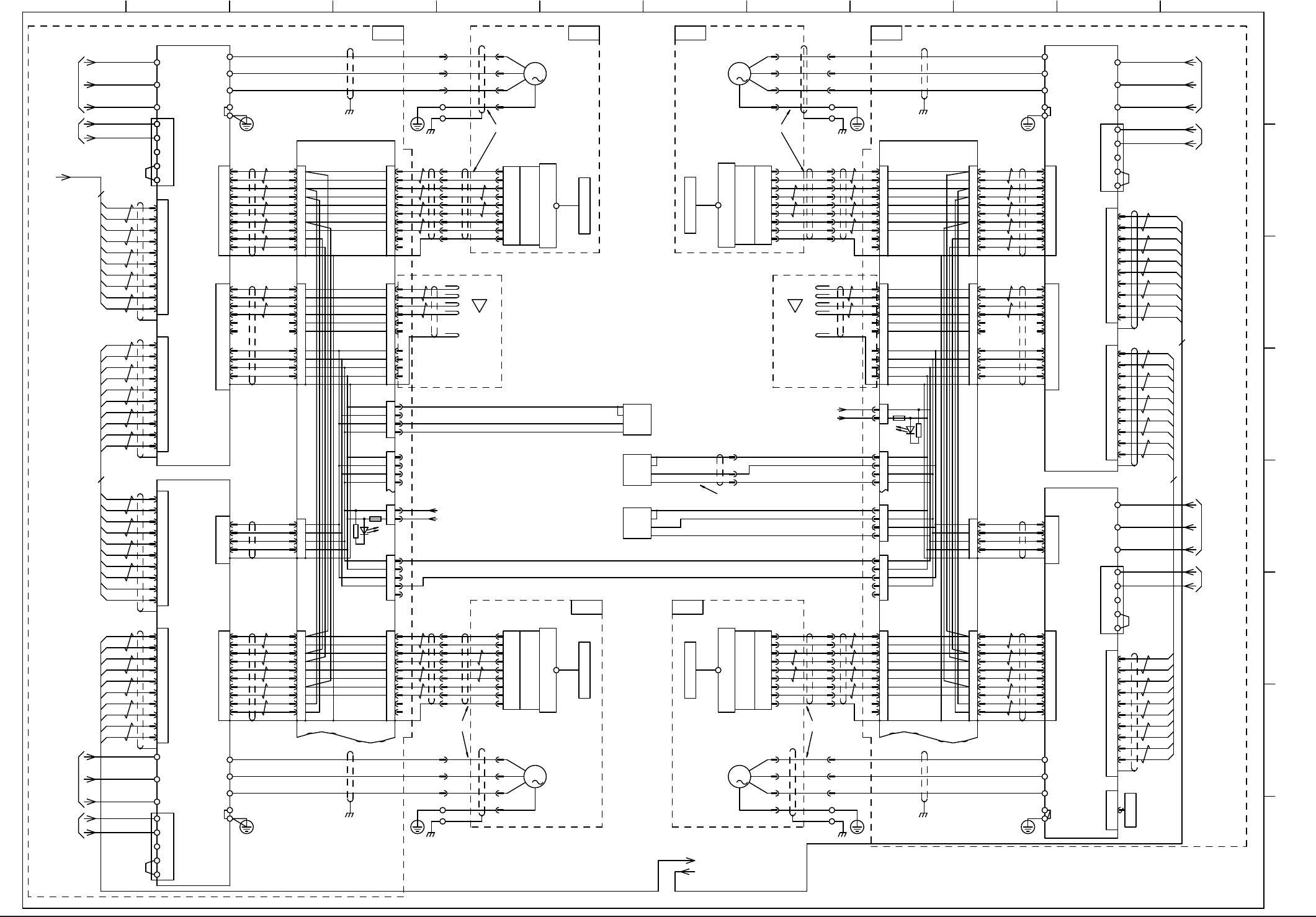
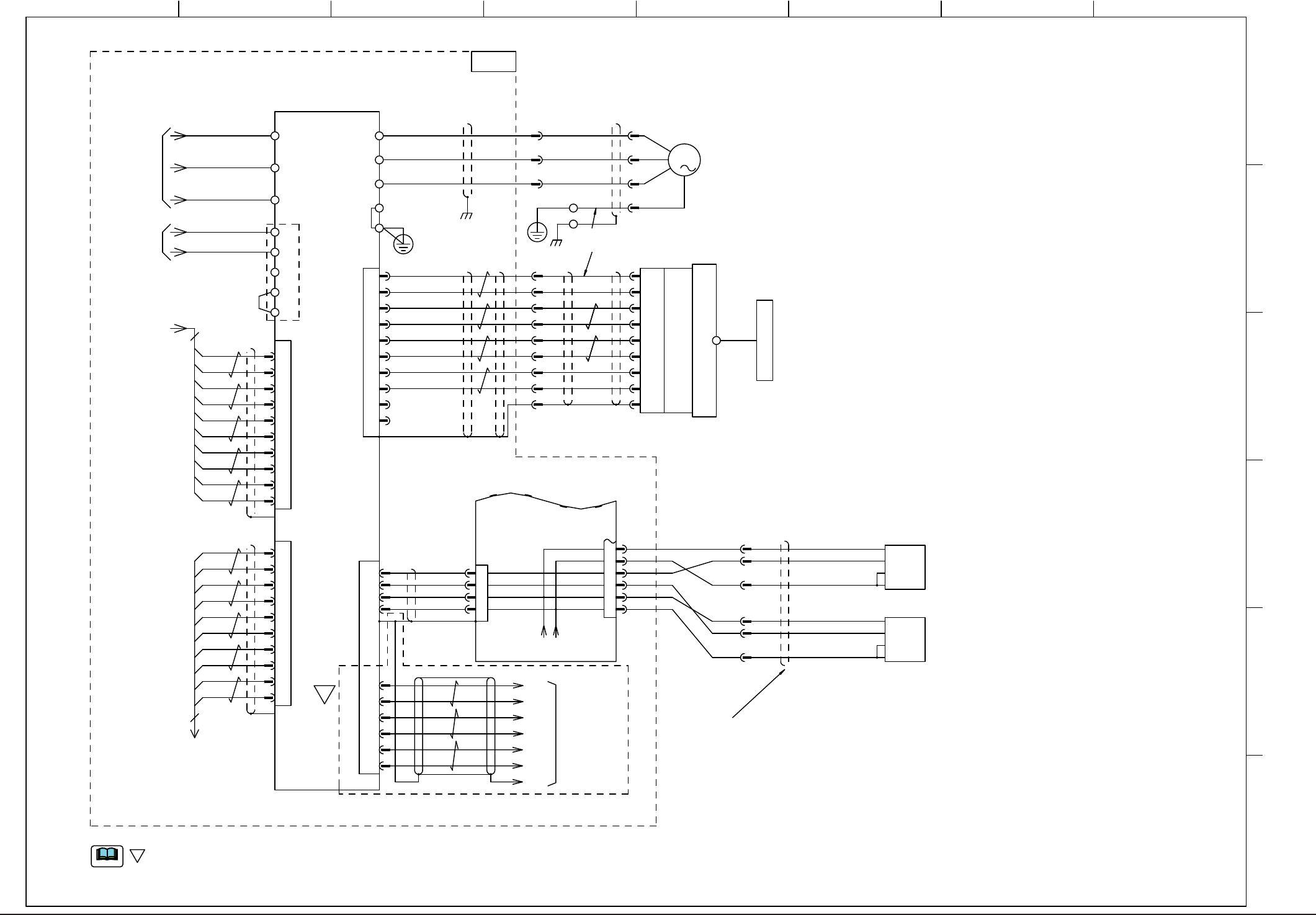
55 0709-001-(M845WC--A1003) X 軸 (1) モータ回路図 3 M :1 -X2100 :2 :3 -M21E :3 :1 :2 -M21 :1 X-Axis -X21 1A -X2102 -M21 W V -A21 L2 L3 CN1A CN2 PE PE U L1 3φAC200V AC200V -X21 1B CN1B 20 10 CN10 -X2410 -X241 1 CN1 1 CN3 -X2103 …

54
0709-001-(M845WC--A1002)
Y 軸 (3,4) モータ回路図
3
M
3
M
3
M
3
M
:1
:3
:2
:1 :1
:2
:3
:1
:2
:3
:1
:1
:2
:3
-X12301
:3
:2
-X2300
:1
-M23
:1
:2
:3
-M23E
:1
-X12201
:3
:2
-X2200
:1 :1
-M22
:2
:3
-B2201
-X221A
-X221B
-X2202
-X2203
-X2302
-X2303
AC200V
3φAC200V
L3
L2
PE
V
W
CN1A
CN1B
L1
U
10B
24B1R
3φAC200V
AC200V
L2
L3
L1
PE
W
U
V
CN1A
CN1B
W
V
L2
L3
CN1A
CN1B
CN2
PE
CN3
U
L1
3φAC200V
AC200V
W
V
U
L1
L2
L3
CN1A
-X231A
CN1B
-X231B
CN2
PE
CN3
3φAC200V
AC200V
-X2401-X2402
-X2404-X2403
-U24
10
10
10
10
-M22E
-X2200-M22
-X221B
-X221A
-X231A
-X231B
-X2404
-X12301
-M23E
-X2300-M23
CN6 CN5
CN2 CN1
CN7
CN3 CN4
OUT
-
L
+
+
-
OUT
-B2202
-X12103
+
L
-
OUT
-B2203
CN8
CN10
CN9
CN3
-X2403
CN2
-X2302
CN9
CN7
-X2303
CN3
CN10
CN8
CN1 CN2
CN5 CN6
-X2402-X2401
CN3
CN2
-X2203
-X2202
-X12201
-U24
CN12
24B1R
CN12
10B
20
-X2407
-X2406
-X2405
-X2408
-X2410
-X2412
-X2409
-X2406
-X2412
-X2408
-X2409
CN4
-X2407
LG
LG
SD
EMG*
EMG
12
11
14
4
TD*
RD
RD*
TD
2
7
1
17
17
1
7
2
TD
RD*
RD
TD*
4
14
1
1
12
EMG
EMG*
SD
LG
LG
D
C
P
L21
L11
D
C
P
L21
L11
LG
LG
SD
EMG*
EMG
12
11
14
4
TD*
RD
RD*
TD
2
7
1
17
17
1
7
2
TD
RD*
RD
TD*
4
14
11
12
EMG
EMG*
SD
LG
LG
D
C
P
L21
L11
L11
L21
P
C
D
L11
L21
P
C
D
SD
17
1
7
2
TD
RD*
RD
TD*
4
14
1
1
12
EMG
EMG*
LG
LG
SD
17
1
7
2
TD
RD*
RD
TD*
4
14
1
1
12
EMG
EMG*
LG
LG
SD
17
1
7
2
TD
RD*
RD
TD*
4
14
1
1
12
EMG
EMG*
LG
LG
-M22E
:1
-L326
-L226
-L126
-L121
-L221
AC200V
3φAC200V
AC200V
3φAC200V
3φAC200V
AC200V
-L221
-L121
-L126
-L226
-L326
-L221
-L121
-L131
-L231
-L331
-L331
-L231
-L131
-L121
-L221
-U22
-U22 -U22
-U22
-U23
-U23 -U23
-U23
[B-/01/12B]
[B-/01/12C]
[C-/05/2E]
[B-/01/12C]
[B-/01/12D]
[B-/01/12E]
[B-/01/12F]
[B-/01/12F]
[B-/01/12F]
[BR/01/12B]
[BR/01/12B]
[C-/06/1C]
[C-/06/2E]
15
5
LG
LG
15
5
LG
LG
15
5
LG
LG
LG
LG
5
15
5
15
5
15
LG
LG
5
15
LG
LG
LG
LG
L
Y1-Axis
-M22
-A22
-M22
-A23
Servo Motor AMP
Y1
-A22
Servo Motor AMP
Y1
Servo Motor AMP
Y2
-A23
Servo Motor AMP
Y2
Y1-Axis
Y2-Axis
-M23 -M23
Y2-Axis
-X2405 -X2405-X2405
block4に多機能ヘッド
を搭載する場合にの
みケーブル配線の変
更を行うこと。
block3に多機能ヘッド
を搭載する場合にの
みケーブル配線の変
更を行うこと。
Yビーム(4)Yビーム(3)
Xビーム(3)-X211Bから
Xビーム(4)-X211B
Xビーム(4)-X211A
ロボットケーブル
ロボットケーブル
終端コネクタ
Y軸オーバーラン(-)
Y軸 接近検出
Y軸オーバーラン(+)
1
17
7
11
20
6
16
4
14
19
3
19
20
5
P5
LG
MRR
MR
LG
P5
MD
MDR
MD2
MDR2
SD
SG
LSP
LSN
COM
LAR
LA
6
16
LBR
LB
7
17
LZR
LZ
8
18
:13
:5
:2
:4
:12
:10
:8
:15
:SD
19
14
4
16
6
20
11
7
17
1 1
17
7
11
20
6
16
4
14
19
18
8
17
7
16
6
5
20
19
3
6
16
7
17
8
18
プレート
SD
3
19
20
5
SD
プレート
COM
LSN
LSP
SG
5
20
19
3
19
14
4
16
6
20
1
1
7
17
11
17
7
11
20
6
16
4
14
19
:SD
:15
:8
:10
:12
:4
:2
:5
:13
SD
MDR2
MD2
MDR
MD
P5
LG
MR
MRR
LG
P5
19
14
4
16
6
20
1
1
7
17
1
3
19
20
5
:8
:9
:7
1
3
2
10
8
9
4
7
2
1
3
4
7
:13
:5
:4
:12
:10
:8
:15
:SD
:2
1
17
7
1
1
20
6
16
4
14
19
1
17
7
1
1
20
6
16
4
14
19
P5
LG
MRR
MR
LG
P5
MD
MDR
MD2
MDR2
SD
19
14
4
16
6
20
1
1
7
17
1
7
4
3
1
2
5
20
19
3
3
19
20
5
SG
LSP
LSN
COM
プレート
SD
7
4
9
8
10
2
3
1
5
20
19
3
SD
プレート
18
8
17
7
16
6
3
19
20
5
6
16
7
17
8
18
19
14
4
16
6
20
1
1
7
17
1 1
17
7
11
20
6
16
4
14
19
:SD
:15
:8
:10
:12
:4
:2
:5
:13
18
8
LZ
LZR
17
7
LB
LBR
16
6
LA
LAR
COM
LSN
LSP
SG
SD
MDR2
MD2
MDR
MD
P5
LG
MR
MRR
LG
P5
5
20
19
3
19
14
4
16
6
20
1
1
7
17
1
2
1
1
2
ロボットケーブル
BC BCC-(3)
C-(3)
C-(4)
C-(4)
ロボットケーブル
制御回路電源
主回路電源
制御回路電源
主回路電源
制御回路電源
主回路電源
制御回路電源
主回路電源
ロボットケーブル
リニアスケールヘッドリニアスケールヘッド
リニアスケールヘッドリニアスケールヘッド
6
15
8
10
12
4
2
5
13
変換器
/RQ
RQ
FG
5V/センサ
0V/センサ
0V
/SD
SD
5V
5V
SD
/SD
0V
0V/センサ
5V/センサ
FG
RQ
/RQ
13
5
2
4
12
10
8
15
6
変換器
5V
SD
/SD
0V
0V/センサ
5V/センサ
FG
RQ
/RQ
13
5
2
4
12
10
8
15
6
/RQ
RQ
FG
5V/センサ
0V/センサ
0V
/SD
SD
5V
6
15
8
10
12
4
2
5
13
変換器
変換器
1
2 3 4 5 6 7 8 9 10 11 12
A
B
C
D
E
F
G
H
S
S

55
0709-001-(M845WC--A1003)
X 軸 (1) モータ回路図
3
M
:1
-X2100
:2
:3
-M21E
:3
:1
:2
-M21
:1
X-Axis
-X211A
-X2102
-M21
W
V
-A21
L2
L3
CN1A
CN2
PE
PE
UL1
3φAC200V
AC200V
-X211B
CN1B
20
10
CN10
-X2410
-X2411
CN11
CN3
-X2103
10B 24B1L
-U24
D
C
P
L21
L11
LG
LG
SD
EMG*
EMG
12
11
14
4
TD*
RD
RD*
TD
2
7
1
17
LG
LG
SD
EMG*
EMG
12
11
14
4
TD*
RD
RD*
TD
2
7
1
17
-L221
-L121
-L336
-L236
-L136
OUT
-
+
-B2101
:2
-X12103
:3
:1
:4
:6
:5
-X12102
-U21
-U21
[B-/01/6E]
[B-/01/6E]
[F-/12/6A]
[C-/01/1B]
15
5
LG
LG
15
5
LG
LG
L
OUT
-
+
-B2102
L
Servo Motor AMP
X
[R-/12/6A]
CPU2-L
FB-U82(ID:0)
ロボットケーブル
SSCNET
X軸 オーバーラン(+)
X軸 オーバーラン(-)
ロボットケーブル
Xビーム(1)
Yビーム(1)-X221Aへ
(-X8201)
BA
6
4
5
3
3
19
20
5
SG
LSP
LSN
COM
プレート
SD
6
4
3
5
1
2
主回路電源
制御回路電源
:SD
:15
:8
:10
:12
:4
:2
:5
:13
1
17
7
11
20
6
16
4
14
19
P5
LG
MRR
MR
LG
P5
MD
MDR
MD2
MDR2
SD
6
15
8
10
12
4
2
5
13
変換器
/RQ
RQ
FG
5V/センサ
0V/センサ
0V
/SD
SD
5V
リニアエンコーダ
1
7
6
3
5
2
LAR
LA
LZR
LZ
LB
LBR
16
17
7
8
18
6
SIELD
X19401
認識CPU
カウンターボードへ
U94
1 2 3 4 5 6 7 8
A
B
C
D
E
F
S
ノート
S
マークは、
多機能ヘッドをblock1に搭載する場合、
サーボモータアンプ-A21-CN3と認識ボードU94-X19401間の配線を変更する。

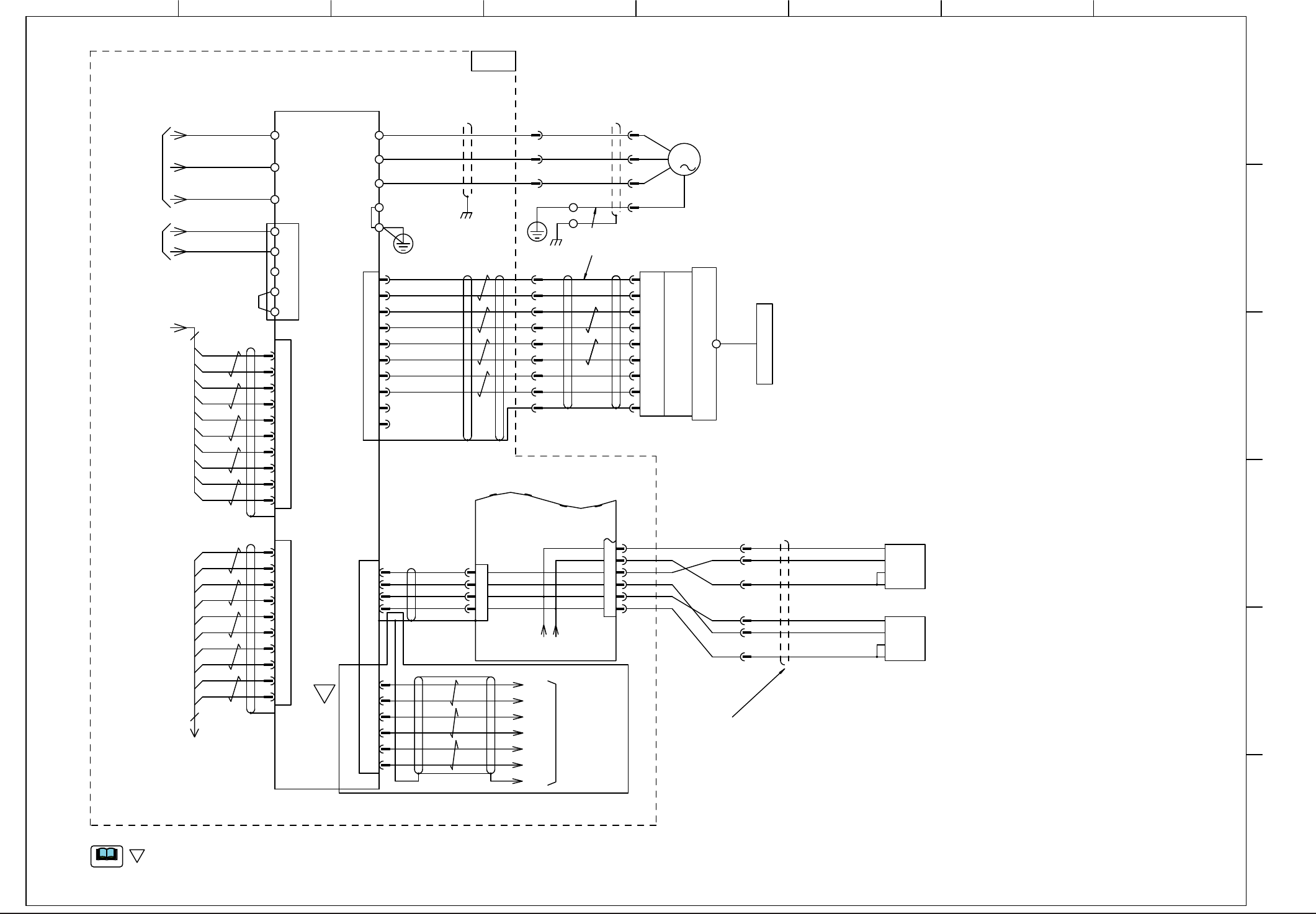
56
0709-001-(M845WC--A1004)
X 軸 (2) モータ回路図
3
M
-X12102
-X2102
W
V
L2
L3
CN2
PE
PE
UL1
3φAC200V
AC200V
CN10
-X2410
-X2411
CN11
CN3
-X2103
10B 24B1L
-U24
D
C
P
L21
L11
:2
:1
:3
-M21E
:3
:2
-X2100
:1
:1
-M21
-L136
-L236
-L336
-L121
-L221
:5
:6
:4
:1
:3
-X12103
:2
-U21
-U21
[B-/01/6H]
[B-/01/6H]
[C-/01/7H]
[C-/01/7H]
-X211A
CN1A
-X211B
CN1B
10
10
LG
LG
SD
EMG*
EMG
12
11
14
4
TD*
RD
RD*
TD
2
7
1
17
LG
LG
SD
EMG*
EMG
12
11
14
4
TD*
RD
RD*
TD
2
7
1
17
15
5
LG
LG
15
5
LG
LG
OUT
-
+
-B2101
L
OUT
-
+
-B2102
L
X-Axis
-M21
-A21
Servo Motor AMP
X
[R-/12/6A]
:SD
:15
:8
:10
:12
:4
:2
:5
:13
Yビーム(1)-X231Bから
1
17
7
1
1
20
6
16
4
14
19
P5
LG
MRR
MR
LG
P5
MD
MDR
MD2
MDR2
SD
ロボットケーブル
Xビーム(2)
Yビーム(2)-X221Aへ
BA
6
4
5
3
3
19
20
5
SG
LSP
LSN
COM
プレート
SD
6
4
3
5
1
2
ロボットケーブル
主回路電源
制御回路電源
6
15
8
10
12
4
2
5
13
変換器
/RQ
RQ
FG
5V/センサ
0V/センサ
0V
/SD
SD
5V
リニアエンコーダ
X軸 オーバーラン(+)
X軸 オーバーラン(-)
1
7
6
3
5
2
LAR
LA
LZR
LZ
LB
LBR
16
17
7
8
18
6
SIELD
X29401
認識CPU
カウンターボードへ
U94
1 2 3 4 5 6 7 8
A
B
C
D
E
F
S
ノート
S
マークは、
多機能ヘッドをblock2に搭載する場合、
サーボモータアンプ-A21-CN3と認識ボードU94-X19401間の配線を変更する。