OM-1460-001_w - 第61页
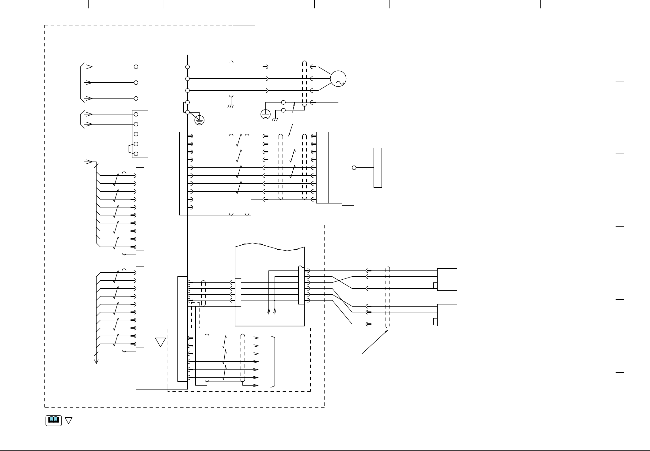
58 0709-001-(M845WC--A1006) X 軸 (4) モータ回路図 3 M -X12102 -X2102 W V L2 L3 CN2 PE PE U L1 3φAC200V AC200V CN10 -X2410 -X241 1 CN1 1 CN3 -X2103 10B 24B1R :2 -X12103 :3 :1 :4 :6 :5 -U24 D C P L21 L1 1 :2 :1 :3 -M21E :3 :2 -X2…

57
0709-001-(M845WC--A1005)
X 軸 (3) モータ回路図
3
M
-X12102
-X2102
W
V
L2
L3
CN2
PE
PE
UL1
3φAC200V
AC200V
CN10
-X2410
-X2411
CN11
CN3
-X2103
10B 24B1R
-U24
D
C
P
L21
L11
:2
:1
:3
-M21E
:3
:2
-X2100
:1
:1
-M21
-L136
-L236
-L336
-L121
-L221
:5
:6
:4
:1
:3
-X12103
:2
-U21
-U21
[B-/01/12D]
[B-/01/12D]
[C-/02/1B]
-X211A
CN1A
-X211B
CN1B
20
10
LG
LG
SD
EMG*
EMG
12
11
14
4
TD*
RD
RD*
TD
2
7
1
17
LG
LG
SD
EMG*
EMG
12
11
14
4
TD*
RD
RD*
TD
2
7
1
17
15
5
LG
LG
15
5
LG
LG
[F-/22/6A]
OUT
-
+
-B2101
L
OUT
-
+
-B2102
L
X-Axis
-M21
-A21
Servo Motor AMP
X
[R-/12/6A]
:SD
:15
:8
:10
:12
:4
:2
:5
:13
1
17
7
11
20
6
16
4
14
19
P5
LG
MRR
MR
LG
P5
MD
MDR
MD2
MDR2
SD
ロボットケーブル
Xビーム(3)
Yビーム(3)-X221Aへ
BC
6
4
5
3
3
19
20
5
SG
LSP
LSN
COM
プレート
SD
6
4
3
5
1
2
ロボットケーブル
主回路電源
制御回路電源
6
15
8
10
12
4
2
5
13
変換器
/RQ
RQ
FG
5V/センサ
0V/センサ
0V
/SD
SD
5V
リニアエンコーダ
CPU2-R
FD-U82(ID:0)
SSCNET
(-X8201)
X軸 オーバーラン(+)
X軸 オーバーラン(-)
1
7
6
3
5
2
LAR
LA
LZR
LZ
LB
LBR
16
17
7
8
18
6
SIELD
X39401
認識CPU
カウンターボードへ
U94
1 2 3 4 5 6 7 8
A
B
C
D
E
F
S
ノート
S
マークは、
多機能ヘッドをblock3に搭載する場合、
サーボモータアンプ-A21-CN3と認識ボードU94-X19401間の配線を変更する。

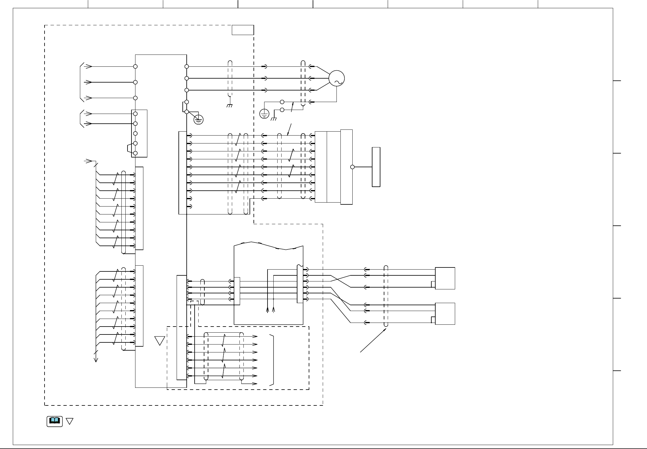
58
0709-001-(M845WC--A1006)
X 軸 (4) モータ回路図
3
M
-X12102
-X2102
W
V
L2
L3
CN2
PE
PE
UL1
3φAC200V
AC200V
CN10
-X2410
-X2411
CN11
CN3
-X2103
10B 24B1R
:2
-X12103
:3
:1
:4
:6
:5
-U24
D
C
P
L21
L11
:2
:1
:3
-M21E
:3
:2
-X2100
:1
:1
-M21
-L136
-L236
-L336
-L121
-L221
-U21
-U21
[B-/01/12G]
[B-/01/12G]
[C-/02/7H]
[C-/02/7H]
-X211A
CN1A
-X211B
CN1B
10
10
LG
LG
SD
EMG*
EMG
12
11
14
4
TD*
RD
RD*
TD
2
7
1
17
LG
LG
SD
EMG*
EMG
12
11
14
4
TD*
RD
RD*
TD
2
7
1
17
15
5
LG
LG
15
5
LG
LG
OUT
-
+
-B2101
L
OUT
-
+
-B2102
L
X-Axis
-M21
-A21
Servo Motor AMP
X
[R-/12/6A]
:SD
:15
:8
:10
:12
:4
:2
:5
:13
Yビーム(3)-X231Bから
1
17
7
1
1
20
6
16
4
14
19
P5
LG
MRR
MR
LG
P5
MD
MDR
MD2
MDR2
SD
ロボットケーブル
Xビーム(4)
Yビーム(4)-X221Aへ
BC
6
4
5
3
3
19
20
5
SG
LSP
LSN
COM
プレート
SD
6
4
3
5
1
2
ロボットケーブル
主回路電源
制御回路電源
6
15
8
10
12
4
2
5
13
変換器
/RQ
RQ
FG
5V/センサ
0V/センサ
0V
/SD
SD
5V
リニアエンコーダ
X軸 オーバーラン(+)
X軸 オーバーラン(-)
1
7
6
3
5
2
LAR
LA
LZR
LZ
LB
LBR
16
17
7
8
18
6
SIELD
X49401
認識CPU
カウンターボードへ
U94
1 2 3 4 5 6 7 8
A
B
C
D
E
F
S
ノート
S
マークは、
多機能ヘッドをblock4に搭載する場合、
サーボモータアンプ-A21-CN3と認識ボードU94-X19401間の配線を変更する。

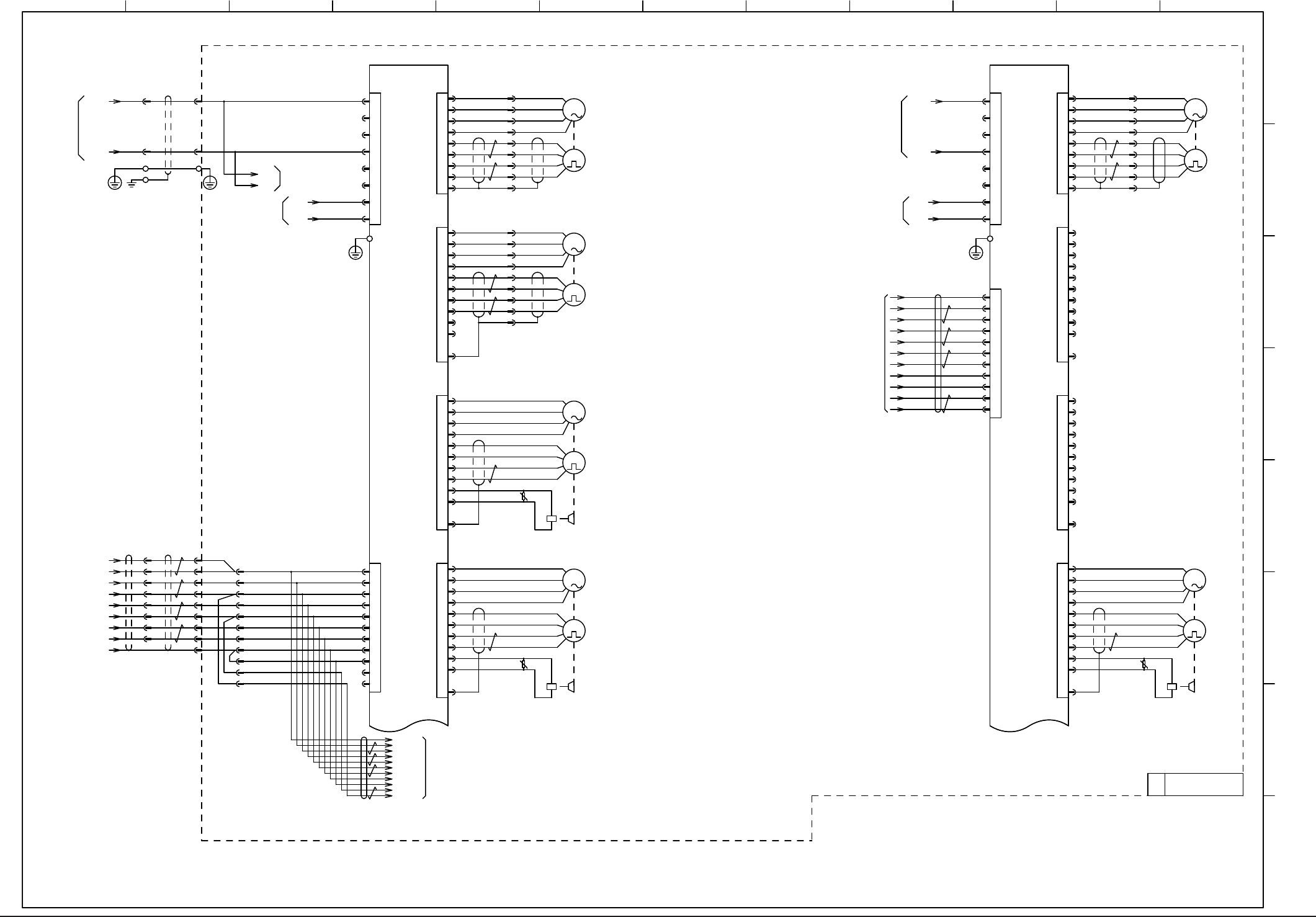
59
0709-001-(M867WMM-1011)
多機能ヘッド M 回路図 (1)
3
M
SSG
3
M
SSG
U
SSG
U
SSG
3
M
U
3
M
SSG
SSG
3
M
3
M
-X141P1
-A141
-X1412D
-X1412C
-X1412A
-X1412B
-X1411A
-M142
-M141
P5G
P5
P48G
P48G
P48G
P48M
P48M
P48M
4
CNP2D
CNP2C
CNP2B
CNP2A
CNP1
1
2
3
5
7
6
8
MRR
SHD
P5G
MR
P5
V
E
U
W
W
U
E
V
P5
MR
P5G
SHD
B2
MRR
B1
MRR
SHD
P5G
MR
P5
V
E
U
W
B1
B2
W
U
E
V
P5
MR
P5G
SHD
MRR
B2
B1
-M142
-M141
48D3A
10DA
8
6
7
5
48V
GND
3
2
1
CNP1
4
P48M
P48M
P48M
P48G
P48G
P48G
P5
P5G
-A145
-X145P1
-M142
B1
B2
MRR
SHD
P5G
MR
P5
V
E
U
W
B2
B1
W
U
E
V
P5
MR
P5G
SHD
MRR
B1
MRR
B2
SHD
P5G
MR
P5
V
E
U
W
CNP2B
CNP2C
CNP2D
-X1452B
-X1452C
-X1452D
-M141
W
U
E
V
P5
MR
P5G
SHD
MRR
CNP2A -X1452A
EMTRE
STRE
SD
LG
RD
EMG
/RD
/TD
TD
SD
/EMG
11
14
6
CN1A
5
1
3
10
9
2
8
7
-X1451A
EMTRE
STRE
SD
LG
RD
EMG
/RD
/TD
TD
SD
/EMG
11
14
6
CN1A
5
1
3
10
9
2
8
7
/EMG
SD
TD
/TD
/RD
EMG
RD
LG
SD
STRE
EMTRE
-A145
CN1Aへ
EMTRE
STRE
SD
LG
RD
EMG
/RD
/TD
TD
SD
/EMG
CN1Aへ
-A141
:4
:12
:6
:11
:5
:7
:1
:8
:2
:2
:8
:1
:7
:5
:11
:6
:12
:4
:2
:8
:1
:7
:5
:11
:6
:12
:4
HM-G300(1)
U
P5
P5G
GND
48V
10DA
48D3A
[BL/01/12E]
[MM/12/5B]
48V
GND
-X311A
7
8
2
9
10
3
1
5
6
14
11
<Robot Cable>
-X187C1
:9
:1
:4
:7
:12
:10
:2
:15
:SD
:2
:12
:7
:14
:4
:11
-X8301:1
:17
:FG
[F-/13/6A]
-X12507
P5
P5G
[MM/12/5C]
CNP1へ
-A145
[MM/11/9A]
[MM/11/3B]
[MM/11/9C]
[MM/11/4G]
Servo Motor AMP Servo Motor AMP
<Robot Cable>
-X12501-X231P1
:1
:2
:5
:6
:15
:14
:18
:16
:19
:21
:20
:17
:22
ノズル2 L軸
ノズル3 Z軸
8
7
2
1
3
6
1
1
12
9
4
4
9
12
1
1
6
3
1
2
7
8
8
7
2
1
3
6
1
1
12
9
4
9
10
8
5
3
1
2
6
7
青
青
黄
白
赤
白
緑
黒
赤
黒
赤
緑
赤
黄
白
青
青
白
5
黒
緑
橙
黄
白
茶
灰
白
赤
5
白
灰
茶
白
黄
橙
緑
赤
黒
5
ノズル2 Z軸
ノズル3 L軸
DC48V
主回路電源
ノズル1 Z軸
5
黒
赤
緑
橙
黄
白
茶
灰
白
5
5
4
9
12
11
6
3
1
2
7
8
8
7
2
1
3
6
11
12
9
4
4
9
12
1
1
6
3
1
2
7
8
ノズル1 L軸
7
6
2
1
3
5
8
10
9
赤
黒
緑
白
橙
白
黄
灰
灰
黄
白
橙
白
緑
黒
赤
灰
黄
白
橙
白
緑
黒
赤赤
黒
緑
白
赤
白
黄
青
青
(上段) (下段)
DC5V
制御回路電源
主回路電源
DC48V
-U28(X2B1)
CPU2-L
FB-U83(ID:1)
SSCNET
DC5V
制御回路電源
-U28(X2B2)
1
2 3 4 5 6 7 8 9 10 11 12
A
B
C
D
E
F
G
H