OM-1460-001_w - 第66页
63 0709-001-(M867WMM-1012) J28 POWER SUPPLY PCB(1) B01 B04 B03 B02 B02 B03 B04 B01 B01 B04 B03 B02 E B2 D D C2 E E A2 D A2 B2 C2 24F 10F 24F 10F 24F 10F 24F 10F C1 B1 A1 C1 B1 A1 -U28 :1 :3 :2 B02A B03A :2 :3 :1 :1 :3 :2…

62
0709-001-(M867WMM-1041)
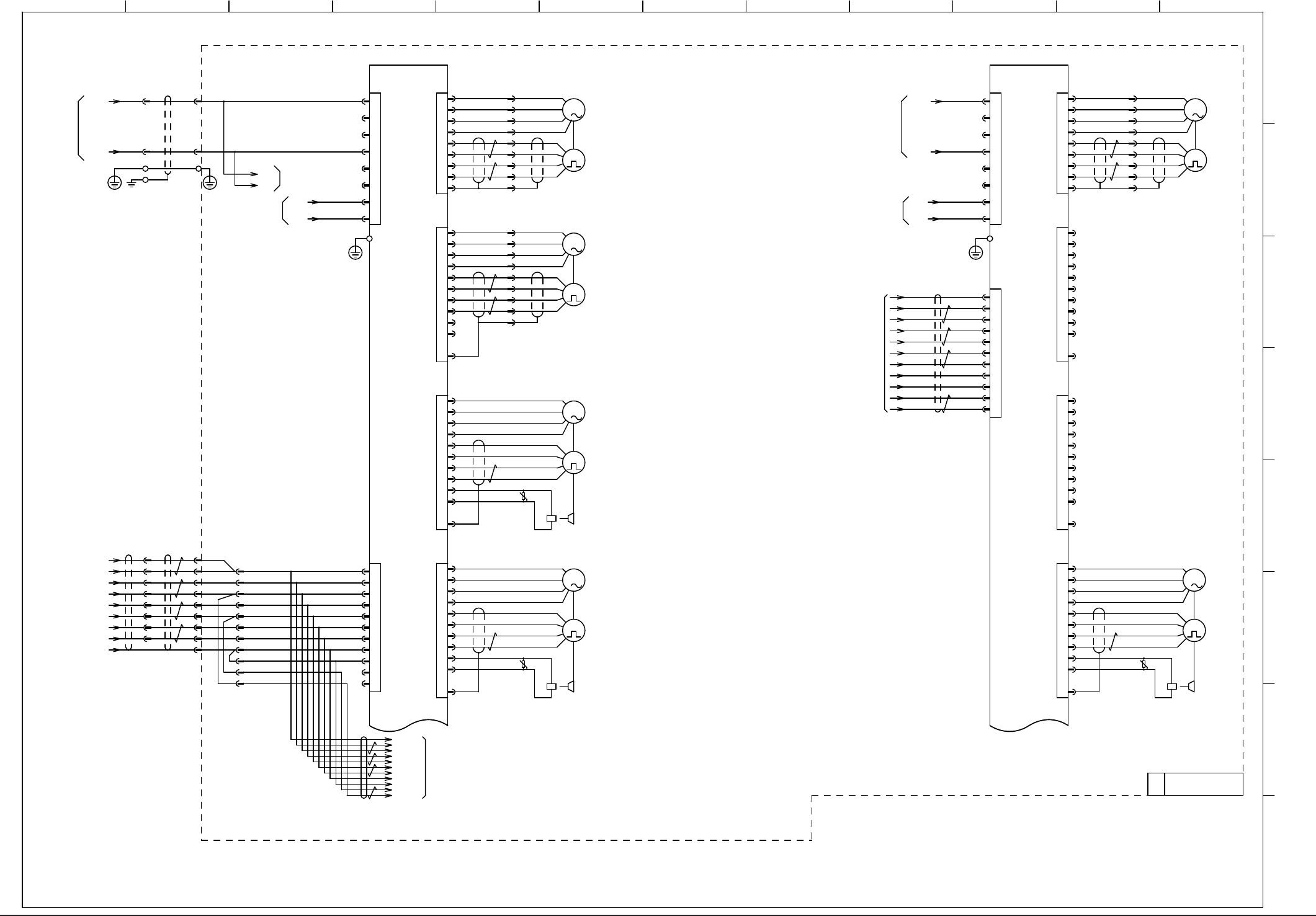
多機能ヘッド M 回路図 (4)
3
M
SSG
3
M
SSG
U
SSG
U
SSG
3
M
U
3
M
SSG
SSG
3
M
3
M
-X141P1
-A141
-X1412D
-X1412C
-X1412A
-X1412B
-M142
-M141
P5G
P5
P48G
P48G
P48G
P48M
P48M
P48M
4
CNP2D
CNP2C
CNP2B
CNP2A
CNP1
1
2
3
5
7
6
8
MRR
SHD
P5G
MR
P5
V
E
U
W
W
U
E
V
P5
MR
P5G
SHD
B2
MRR
B1
MRR
SHD
P5G
MR
P5
V
E
U
W
B1
B2
W
U
E
V
P5
MR
P5G
SHD
MRR
B2
B1
-M142
-M141
48D3D
10DD
8
6
7
5
48V
GND
3
2
1
CNP1
4
P48M
P48M
P48M
P48G
P48G
P48G
P5
P5G
-A145
-X145P1
-M142
B1
B2
MRR
SHD
P5G
MR
P5
V
E
U
W
B2
B1
W
U
E
V
P5
MR
P5G
SHD
MRR
B1
MRR
B2
SHD
P5G
MR
P5
V
E
U
W
CNP2B
CNP2C
CNP2D
-X1452B
-X1452C
-X1452D
-M141
W
U
E
V
P5
MR
P5G
SHD
MRR
CNP2A -X1452A
EMTRE
STRE
SD
LG
RD
EMG
/RD
/TD
TD
SD
/EMG
11
14
6
CN1A
5
1
3
10
9
2
8
7
EMTRE
STRE
SD
LG
RD
EMG
/RD
/TD
TD
SD
/EMG
11
14
6
CN1A
5
1
3
10
9
2
8
7
/EMG
SD
TD
/TD
/RD
EMG
RD
LG
SD
STRE
EMTRE
-A145
CN1Aへ
EMTRE
STRE
SD
LG
RD
EMG
/RD
/TD
TD
SD
/EMG
CN1Aへ
-A141
:4
:12
:6
:11
:5
:7
:1
:8
:2
:2
:8
:1
:7
:5
:11
:6
:12
:4
:2
:8
:1
:7
:5
:11
:6
:12
:4
HM-G300(4)
U
P5
P5G
<Robot Cable>
GND
48V
10DD
48D3D
-X12501-X231P1
:1
:2
[BR/01/12E]
[MM/42/5B]
:5
:6
48V
GND
-X311A
7
8
2
9
10
3
1
5
6
14
11
<Robot Cable>
-X187C1
:9
:1
:4
:7
:12
:10
:2
:15
:SD
-X12507
:15
:14
:18
:16
:19
:21
:20
:17
:22
P5
P5G
[MM/42/5C]
CNP1へ
-A145
[MM/41/9A]
[MM/41/3B]
[MM/41/9C]
[MM/41/4G]
Servo Motor AMP Servo Motor AMP
:3
:13
:8
:16
:6
:11
-X8301:1
:18
:FG
[F-/23/6B]
-X1411A
-X1451A
ノズル2 L軸
ノズル3 Z軸
8
7
2
1
3
6
11
12
9
4
4
9
12
11
6
3
1
2
7
8
8
7
2
1
3
6
11
12
9
4
9
10
8
5
3
1
2
6
7
青
青
黄
白
赤
白
緑
黒
赤
黒
赤
緑
赤
黄
白
青
青
白
5
黒
緑
橙
黄
白
茶
灰
白
赤
5
白
灰
茶
白
黄
橙
緑
赤
黒
5
ノズル2 Z軸
ノズル3 L軸
DC48V
主回路電源
ノズル1 Z軸
5
黒
赤
緑
橙
黄
白
茶
灰
白
5
5
4
9
12
1
1
6
3
1
2
7
8
8
7
2
1
3
6
1
1
12
9
4
4
9
12
1
1
6
3
1
2
7
8
ノズル1 L軸
7
6
2
1
3
5
8
10
9
赤
黒
緑
白
橙
白
黄
灰
灰
黄
白
橙
白
緑
黒
赤
灰
黄
白
橙
白
緑
黒
赤赤
黒
緑
白
赤
白
黄
青
青
(上段) (下段)
DC5V
制御回路電源
主回路電源
DC48V
-U28(X2B1)
CPU2-R
FD-U83(ID:1)
SSCNET
DC5V
制御回路電源
-U28(X2B2)
1
2 3 4 5 6 7 8 9 10 11 12
A
B
C
D
E
F
G
H

63
0709-001-(M867WMM-1012)
J28 POWER SUPPLY PCB(1)
B01
B04
B03
B02
B02
B03
B04
B01
B01
B04
B03
B02
E
B2
D
D
C2
EE
A2
D
A2
B2
C2
24F
10F
24F
10F
24F
10F
24F
10F
C1
B1
A1
C1
B1
A1
-U28
:1
:3
:2
B02A
B03A
:2
:3
:1
:1
:3
:2
B01A
CN1A
:2
:3
:1
:4
:5
:3
:1
:2
B1CN6A
B1CN6B
:2
:1
:3
:5
:4
:4
:6
:5
:5
:6
:4
:4
:5
:3
:1
:2
B1CN6C
:1
:3
:2
CN1B
B01B
:2
:3
:1
:1
:3
:2
B03B
B02B
:2
:3
:1
:5
:6
:4
:4
:5
:3
:1
:2
B2CN6C
B2CN6A
:2
:1
:3
:5
:4
:1
:3
:2
CN1C
B01C
:2
:3
:1
:1
:3
:2
B03C
B02C
:2
:3
:1
:1
:3
:2
X10
:1
:3
:2
B04B
B04A
:2
:3
:1
B04C
:2
:3
:1
INTLK2
INTLK1
-U28
:5
:6
:7
X7
:3
:2
:1
:4
-X2807
X4B2
X4B1
:2
:1
:1
:2
:1
:2
-X2804B1
-X2804B2
P5G
P5
X2B2
:2
:1
-X2802B2
P5G
P5
+
24F
10F
X2B1
X3B2
X3B1
X1
:2
:1
:1
:2
-
:4
:3
-
+
:2
:1
:2
:1
:1
:2
-X2802B1
-X2803B1
-X2803B2
-X1416A
2
1
4
3
5
5
4
2
3
1
5
4
2
3
1
CN6A
SGI
LSP2
OP2
P24I
LSN2
CN6B
LSN3
P24I
OP3
LSP3
SGI
SGI
LSP4
OP4
P24I
LSN4
CN6C
-X1416B
-X1416C
:4
:5
:3
:1
:2
B2CN6B
C2
B2
A2
D
E
-X1456C
-X1456B
CN6C
LSN4
P24I
OP4
LSP4
SGI
SGI
LSP3
OP3
P24I
LSN3
CN6B
LSN2
P24I
OP2
LSP2
SGI
CN6A
1
3
2
4
5
1
3
2
4
5
5
3
4
1
2
-X1456A
OUT
:1
:3
:2
(+)
(-)
G H F
FHG
-A145
-A141
-A141
1
2
1
2
P24O
SGO
SGI
P24I
CN8
CN5
-X14105
-X14108
-X14508
-X14505
CN5
CN8
P24I
SGI
SGO
P24O
2
1
2
1
INTLK3
INTLK4
INTLK5
INTLK6
予備
:1
:3
:2
L.ON
(+)
(-)
:2
:3
:1
(-)
(+)
L.ON
:1
:3
:2
D.ON
(+)
(-)
:2
:3
:1
(-)
(+)
D.ON
<Mechatro Tube>
:1
:3
:2
:2
:3
:1
:1
:3
:2
:2
:3
:1
:2
:3
:1
<Mechatro Tube>
(-)
(+)
OUT
(-)
(+)
L.ON
L.ON
(+)
(-)
(-)
(+)
D.ON
D.ON
(+)
(-)
<Mechatro Tube>
OUT
(+)
(-)
:1
:3
:2
:1
:3
:2
:2
:3
:1
:1
:3
:2
:2
:3
:1
(-)
(+)
L.ON
L.ON
(+)
(-)
D.ON
(+)
(-)
(-)
(+)
D.ON
2
1
EMG
SGI
-X14507
5
4
2
3
1
SGI
INP2
INP4
INP1
INP3
CN6D
-X1456D
CN7
6
NC
CN7
-X14107
SGI
EMG
1
2
CN6D
-X1416D
NC
6
灰
INP3
INP1
INP4
INP2
SGI
1
3
2
4
5
灰
HM-G300(1)
U
<Robot Cable>
:7
:4
:5
:6
:3
:2
:1
-X0524:6
-X0524:7
-X10520
-X0524:2
-X0524:1
-X0524:5
-X0524:4
-X0524:3
[BL/05/4H]
:7
:6
:5
:4
:1
:2
:3
-X12507
<Robot Cable>
24B1L
10B
24F
10F
:2
:1
:3
:4
-X125X1
:4
:3
-X12501
[BR/01/12C]
[BL/01/12B]
:2
:1
Power Supply P.C.B HD
Power Supply P.C.B HD
[MM/11/3B]
[MM/11/9B]
[MM/13/3F]
[MM/13/3F]
[MM/13/3D]
[MM/13/3D]
[MM/13/3E]
L軸1+オ-バーラン
L軸1バスライン
L軸1原点
L軸1-オーバーラン
L軸2-オーバーラン
L軸2原点
L軸2バスライン
L軸2+オーバーラン
L軸3+オーバーラン
L軸3バスライン
L軸3原点
L軸3-オーバーラン
(CNP1)へ
-A141,-A145
(CNP1)へ
-A141,-A145
B05
過剰押し込み検出3
黒
青
茶
過剰押し込み検出1
B05
B05
過剰押し込み検出2
CN3(IN24V)へ
CN4(OUT24V)へ
-U17
-U17
黒
青
茶
茶
青
黒
白
青
茶
茶
青
白
茶
青
黒
灰
白
茶
灰
真空センサ1オートシフト
真空センサ3オートシフト
-X1715(CN15)へ
-U17
-U17
-X1717(CN17)へ
-U17
-X1716(CN16)へ
真空センサ2オートシフト
BA-U05
茶
青
黒
茶
青
黒
茶
青
白
茶
青
白
茶
青
黒
茶
青
黒
茶
青
黒
茶
青
白
茶
青
白
灰
白
茶
灰
白
茶
1 2 3 4 5 6 7 8 9 10 11 12
A
B
C
D
E
F
G
H

64
0709-001-(M867WMM-1022)
J28 POWER SUPPLY PCB(2)
B01
B04
B03
B02
B02
B03
B04
B01
B01
B04
B03
B02
E
B2
D
D
C2
EE
A2
D
A2
B2
C2
24F
10F
24F
10F
24F
10F
24F
10F
C1
B1
A1
C1
B1
A1
-U28
:1
:3
:2
B02A
B03A
:2
:3
:1
:1
:3
:2
B01A
CN1A
:2
:3
:1
:4
:5
:3
:1
:2
B1CN6A
B1CN6B
:2
:1
:3
:5
:4
:4
:6
:5
:5
:6
:4
:4
:5
:3
:1
:2
B1CN6C
:1
:3
:2
CN1B
B01B
:2
:3
:1
:1
:3
:2
B03B
B02B
:2
:3
:1
:5
:6
:4
:4
:5
:3
:1
:2
B2CN6C
B2CN6A
:2
:1
:3
:5
:4
:1
:3
:2
CN1C
B01C
:2
:3
:1
:1
:3
:2
B03C
B02C
:2
:3
:1
:1
:3
:2
X10
:1
:3
:2
B04B
B04A
:2
:3
:1
B04C
:2
:3
:1
INTLK2
INTLK1
-U28
:5
:6
:7
X7
:3
:2
:1
:4
-X2807
X4B2
X4B1
:2
:1
:1
:2
:1
:2
-X2804B1
-X2804B2
P5G
P5
X2B2
:2
:1
-X2802B2
P5G
P5
+
24F
10F
X2B1
X3B2
X3B1
X1
:2
:1
:1
:2
-
:4
:3
-
+
:2
:1
:2
:1
:1
:2
-X2802B1
-X2803B1
-X2803B2
-X1416A
2
1
4
3
5
5
4
2
3
1
5
4
2
3
1
CN6A
SGI
LSP2
OP2
P24I
LSN2
CN6B
LSN3
P24I
OP3
LSP3
SGI
SGI
LSP4
OP4
P24I
LSN4
CN6C
-X1416B
-X1416C
:4
:5
:3
:1
:2
B2CN6B
C2
B2
A2
D
E
-X1456C
-X1456B
CN6C
LSN4
P24I
OP4
LSP4
SGI
SGI
LSP3
OP3
P24I
LSN3
CN6B
LSN2
P24I
OP2
LSP2
SGI
CN6A
1
3
2
4
5
1
3
2
4
5
5
3
4
1
2
-X1456A
OUT
:1
:3
:2
(+)
(-)
G H F
FHG
-A145
-A141
-A141
1
2
1
2
P24O
SGO
SGI
P24I
CN8
CN5
-X14105
-X14108
-X14508
-X14505
CN5
CN8
P24I
SGI
SGO
P24O
2
1
2
1
INTLK3
INTLK4
INTLK5
INTLK6
予備
:1
:3
:2
L.ON
(+)
(-)
:2
:3
:1
(-)
(+)
L.ON
:1
:3
:2
D.ON
(+)
(-)
:2
:3
:1
(-)
(+)
D.ON
<Mechatro Tube>
:1
:3
:2
:2
:3
:1
:1
:3
:2
:2
:3
:1
:2
:3
:1
<Mechatro Tube>
(-)
(+)
OUT
(-)
(+)
L.ON
L.ON
(+)
(-)
(-)
(+)
D.ON
D.ON
(+)
(-)
<Mechatro Tube>
OUT
(+)
(-)
:1
:3
:2
:1
:3
:2
:2
:3
:1
:1
:3
:2
:2
:3
:1
(-)
(+)
L.ON
L.ON
(+)
(-)
D.ON
(+)
(-)
(-)
(+)
D.ON
2
1
EMG
SGI
-X14507
5
4
2
3
1
SGI
INP2
INP4
INP1
INP3
CN6D
-X1456D
CN7
6
NC
CN7
-X14107
SGI
EMG
1
2
CN6D
-X1416D
NC
6
灰
INP3
INP1
INP4
INP2
SGI
1
3
2
4
5
灰
HM-G300(2)
U
<Robot Cable>
:7
:4
:5
:6
:3
:2
:1
-X0525:6
-X0525:7
-X10520
-X0525:2
-X0525:1
-X0525:5
-X0525:4
-X0525:3
[BL/05/4H]
:7
:6
:5
:4
:1
:2
:3
-X12507
<Robot Cable>
24B1L
10B
24F
10F
:2
:1
:3
:4
-X125X1
:4
:3
-X12501
[BR/01/12C]
[BL/01/12B]
:2
:1
Power Supply P.C.B HD
Power Supply P.C.B HD
[MM/21/3B]
[MM/21/9B]
[MM/23/3F]
[MM/23/3F]
[MM/23/3D]
[MM/23/3D]
[MM/23/3E]
L軸1+オーバーラン
L軸1パスライン
L軸1原点
L軸1-オーバーラン
L軸2-オーバーラン
L軸2原点
L軸2パスライン
L軸2+オーバーラン
L軸3+オーバーラン
L軸3パスライン
L軸3原点
L軸3-オーバーラン
(CNP1)へ
-A141,-A145
(CNP1)へ
-A141,-A145
B05
黒
青
茶
過剰押し込み検出1
B05
CN3(IN24V)へ
CN4(OUT24V)へ
-U17
-U17
黒
青
茶
茶
青
黒
白
青
茶
茶
青
白
茶
白
灰
白
青
茶
茶
青
白
黒
青
茶
茶
青
黒
茶
青
黒
灰
白
茶
茶
白
灰
黒
青
茶
黒
青
茶
茶
青
黒
白
青
茶
茶
青
白
灰
真空センサ1 オートシフト
真空センサ3 オートシフト
-X1715(CN15)へ
-U17
-U17
-X1717(CN17)へ
-U17
-X1716(CN16)へ
真空センサ2 オートシフト
BA-U05
過剰押し込み検出3
B05
過剰押し込み検出2
1
2 3 4 5 6 7 8 9 10 11 12
A
B
C
D
E
F
G
H