OM-1460-001_w - 第70页
67 0709-001-(M867WMM-1013) U171 I/O STLI MF HEAD(1) RX /RX TX X1701 X1702 CN1A/1B /TX FG 7 2 4 3 5 CN2A/2B IN OUT CN10 CN1 1 CN12 CN13 CN14 CN15 CN16 CN17 CN18 CN19 CN20 CN21 CN22 CN23 CN24 CN25 CN4 CN3 24B1L 10B 10F 24F…

66
0709-001-(M867WMM-1042)
J28 POWER SUPPLY PCB(4)
B01
B04
B03
B02
B02
B03
B04
B01
B01
B04
B03
B02
E
B2
D
D
C2
EE
A2
D
A2
B2
C2
24F
10F
24F
10F
24F
10F
24F
10F
C1
B1
A1
C1
B1
A1
-U28
:1
:3
:2
B02A
B03A
:2
:3
:1
:1
:3
:2
B01A
CN1A
:2
:3
:1
:4
:5
:3
:1
:2
B1CN6A
B1CN6B
:2
:1
:3
:5
:4
:4
:6
:5
:5
:6
:4
:4
:5
:3
:1
:2
B1CN6C
:1
:3
:2
CN1B
B01B
:2
:3
:1
:1
:3
:2
B03B
B02B
:2
:3
:1
:5
:6
:4
:4
:5
:3
:1
:2
B2CN6C
B2CN6A
:2
:1
:3
:5
:4
:1
:3
:2
CN1C
B01C
:2
:3
:1
:1
:3
:2
B03C
B02C
:2
:3
:1
:1
:3
:2
X10
:1
:3
:2
B04B
B04A
:2
:3
:1
B04C
:2
:3
:1
INTLK2
INTLK1
-U28
:5
:6
:7
X7
:3
:2
:1
:4
-X2807
X4B2
X4B1
:2
:1
:1
:2
:1
:2
-X2804B1
-X2804B2
P5G
P5
X2B2
:2
:1
-X2802B2
P5G
P5
+
24F
10F
X2B1
X3B2
X3B1
X1
:2
:1
:1
:2
-
:4
:3
-
+
:2
:1
:2
:1
:1
:2
-X2802B1
-X2803B1
-X2803B2
-X1416A
2
1
4
3
5
5
4
2
3
1
5
4
2
3
1
CN6A
SGI
LSP2
OP2
P24I
LSN2
CN6B
LSN3
P24I
OP3
LSP3
SGI
SGI
LSP4
OP4
P24I
LSN4
CN6C
-X1416B
-X1416C
:4
:5
:3
:1
:2
B2CN6B
C2
B2
A2
D
E
-X1456C
-X1456B
CN6C
LSN4
P24I
OP4
LSP4
SGI
SGI
LSP3
OP3
P24I
LSN3
CN6B
LSN2
P24I
OP2
LSP2
SGI
CN6A
1
3
2
4
5
1
3
2
4
5
5
3
4
1
2
-X1456A
OUT
:1
:3
:2
(+)
(-)
G H F
FHG
-A145
-A141
-A141
1
2
1
2
P24O
SGO
SGI
P24I
CN8
CN5
-X14105
-X14108
-X14508
-X14505
CN5
CN8
P24I
SGI
SGO
P24O
2
1
2
1
INTLK3
INTLK4
INTLK5
INTLK6
予備
:1
:3
:2
L.ON
(+)
(-)
:2
:3
:1
(-)
(+)
L.ON
:1
:3
:2
D.ON
(+)
(-)
:2
:3
:1
(-)
(+)
D.ON
<Mechatro Tube>
:1
:3
:2
:2
:3
:1
:1
:3
:2
:2
:3
:1
:2
:3
:1
<Mechatro Tube>
(-)
(+)
OUT
(-)
(+)
L.ON
L.ON
(+)
(-)
(-)
(+)
D.ON
D.ON
(+)
(-)
<Mechatro Tube>
OUT
(+)
(-)
:1
:3
:2
:1
:3
:2
:2
:3
:1
:1
:3
:2
:2
:3
:1
(-)
(+)
L.ON
L.ON
(+)
(-)
D.ON
(+)
(-)
(-)
(+)
D.ON
2
1
EMG
SGI
-X14507
5
4
2
3
1
SGI
INP2
INP4
INP1
INP3
CN6D
-X1456D
CN7
6
NC
CN7
-X14107
SGI
EMG
1
2
CN6D
-X1416D
NC
6
灰
INP3
INP1
INP4
INP2
SGI
1
3
2
4
5
灰
HM-G300(4)
U
<Robot Cable>
:7
:4
:5
:6
:3
:2
:1
-X0525:6
-X0525:7
-X10520
-X0525:2
-X0525:1
-X0525:5
-X0525:4
-X0525:3
[BR/05/4H]
:7
:6
:5
:4
:1
:2
:3
-X12507
<Robot Cable>
24B1R
10B
24F
10F
:2
:1
:3
:4
-X125X1
:4
:3
-X12501
:2
:1
Power Supply P.C.B HD
Power Supply P.C.B HD
[MM/41/3B]
[MM/41/9B]
[MM/43/3F]
[MM/43/3F]
[MM/43/3D]
[MM/43/3D]
[MM/43/3E]
[BR/01/12C]
[BR/01/12B]
L軸1+オーバーラン
L軸1パスライン
L軸1原点
L軸1-オーバーラン
L軸2-オーバーラン
L軸2原点
L軸2パスライン
L軸2+オーバーラン
L軸3+オーバーラン
L軸3パスライン
L軸3原点
L軸3-オーバーラン
(CNP1)へ
-A141,-A145
(CNP1)へ
-A141,-A145
B05
黒
青
茶
過剰押し込み検出1
B05
CN3(IN24V)へ
CN4(OUT24V)へ
-U17
-U17
黒
青
茶
茶
青
黒
白
青
茶
茶
青
白
茶
白
灰
白
青
茶
茶
青
白
黒
青
茶
茶
青
黒
茶
青
黒
灰
白
茶
茶
白
灰
黒
青
茶
黒
青
茶
茶
青
黒
白
青
茶
茶
青
白
灰
真空センサ1 オートシフト
真空センサ3 オートシフト
-X1715(CN15)へ
-U17
-U17
-X1717(CN17)へ
-U17
-X1716(CN16)へ
真空センサ2 オートシフト
BC-U05
過剰押し込み検出3
B05
過剰押し込み検出2
1
2 3 4 5 6 7 8 9 10 11 12
A
B
C
D
E
F
G
H

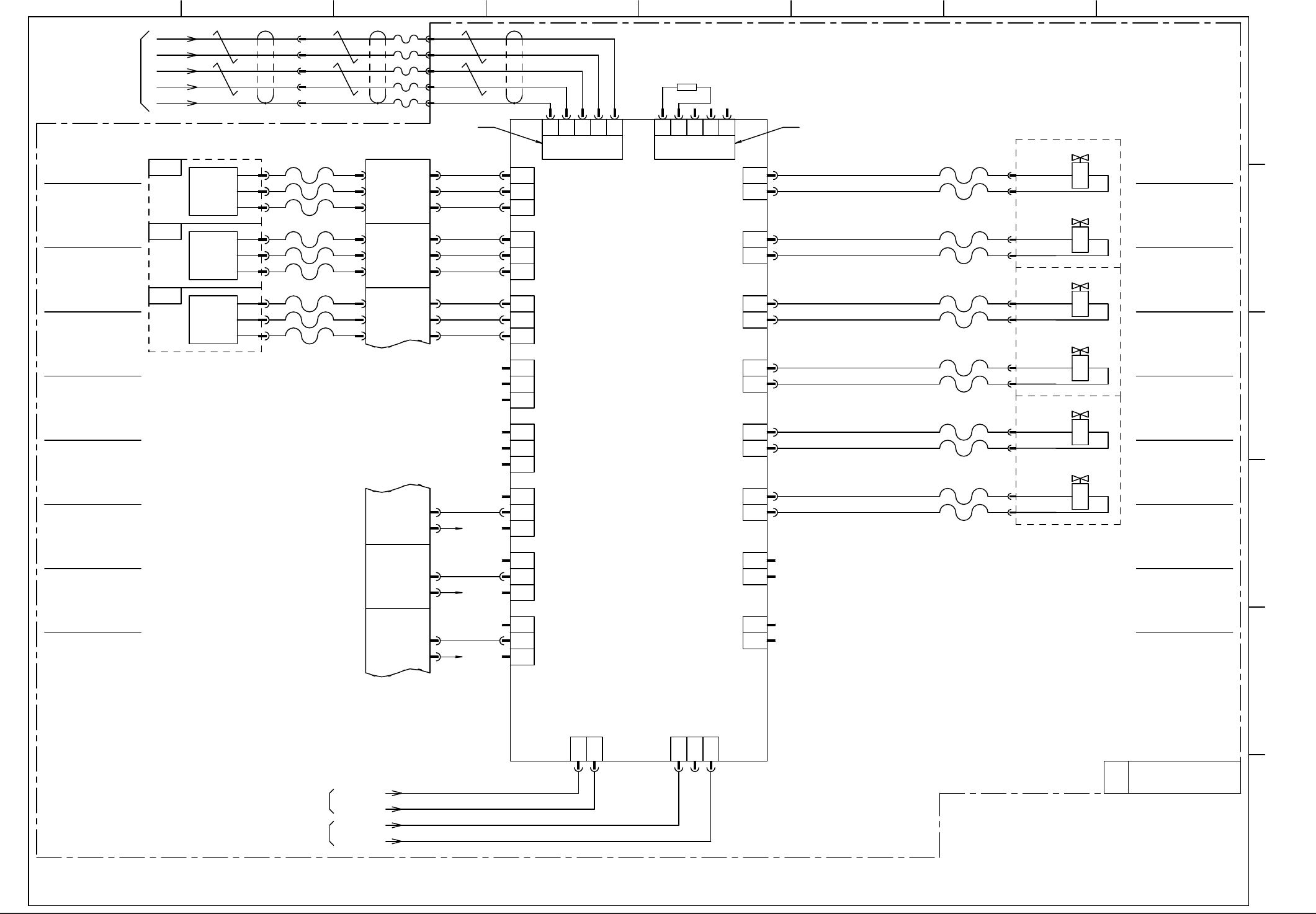
67
0709-001-(M867WMM-1013)
U171 I/O STLI MF HEAD(1)
RX
/RX
TX
X1701 X1702
CN1A/1B
/TX
FG
7 2 43 5
CN2A/2B
IN OUT
CN10
CN11
CN12
CN13
CN14
CN15
CN16
CN17
CN18
CN19
CN20
CN21
CN22
CN23
CN24
CN25
CN4CN3
24B1L
10B
10F
24F
5 34 2 7
FG
/TX
TX
/RX
RX
-X1717
-X1716
-X1715
-X1712
-X1711
-X1710
-X1723
-X1722
-X1721
-X1720
-X1719
-X1718
978
977
976
973
972
971
979
980
981
982
983
984
X1703 X1704
:1
:2
-Y1719
-Y1718
-Y1719
-Y1718
:2
:1
:1
:2
:2
:1
:2
:1
:1
:2
-B07
-B07
-B07
(+)
(-)
:2
茶
:3
:1
青
黒
OUT
青
黒
赤
赤
黒
OUT
黒
:3
茶
:2
(-)
(+)
青青
:1
:1
青 青
(+)
(-)
:2
茶
:3
黒
OUT
黒
赤
:9
:2
:6
:3
:7
:9
:7
:5
:3
コネクタケース
DC+
IN
DC-
DC-
IN
DC+
DC+
IN
DC-
DC(-)
OUT1
DC+
-X11710
-X07A
-X07B
-X07C
-B07A
-B07B
-B07C
:3
:4
:1
:3
:4
:1
:3
:4
:1
OUT2
オートシフト
オートシフト
OUT2
OUT2
オートシフト
-Y1718
-Y1719
-Y1719
-Y1718
-Y1718
-Y1718
-Y1719
-Y1719
-A141
-X1416D:3へ
-X1416D:4へ
-A141
-A145
-X1456D:4へ
DC+
OUT1
DC(-)
DC(-)
OUT1
DC+
-X11711
-X11712
-X11710
-X11711
-X11712
M(A)
M(B)
M(C)
HM-G300(1)
U
-U01(R) (STLT PNL)
-X0102(CN2)
GA ch1-2
[F-/08/6A]
[MM/12/8C]
[MM/12/8C]
[MM/12/8G]
[MM/12/5D]
[MM/12/5C]
I/O P.C.B
-U17
:7
:3
:6
:2
:9
STLT_MF_HEAD
真空パルブ 1
真空センサ 3
真空センサ 2
真空センサ 1
真空破壊パルブ 1
真空パルブ 2
真空破壊パルブ 2
真空パルブ 3
真空破壊パルブ 3
<メカトロチューブ>
<メカトロチューブ>
<メカトロチューブ>
PSE-300
<メカトロチューブ>
<メカトロチューブ>
<メカトロチューブ>
<メカトロチューブ>
<メカトロチューブ>
<メカトロチューブ>
-X20201
<RobotCable>
-X2803B1 :1
:2
-X2804B1
:2
:1
OUT1
OUT1
OUT1
真空センサ 3
真空センサ 2
真空センサ 1
OUT2
OUT2
OUT2
灰
白
白
灰
灰
白
PSE-300
-X10306
終端抵抗
1 2 3 4 5 6 7 8
A
B
C
D
E
F

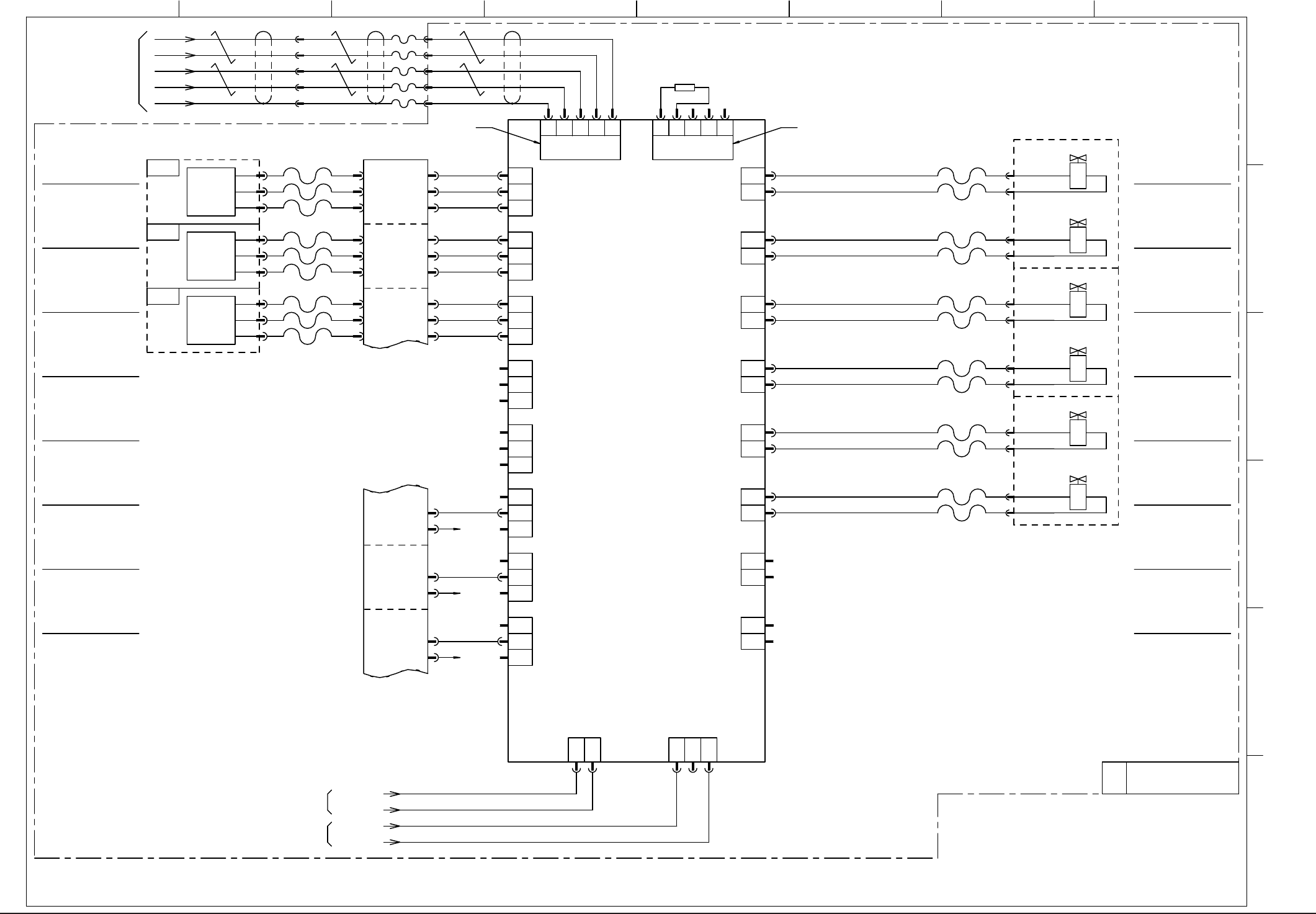
68
0709-001-(M867WMM-1023)
U171 I/O STLI MF HEAD(2)
RX
/RX
TX
X1701 X1702
CN1A/1B
/TX
FG
7 2 43 5
CN2A/2B
IN OUT
CN10
CN11
CN12
CN13
CN14
CN15
CN16
CN17
CN18
CN19
CN20
CN21
CN22
CN23
CN24
CN25
CN4CN3
24B1L
10B
10F
24F
5 34 2 7
FG
/TX
TX
/RX
RX
-X1717
-X1716
-X1715
-X1712
-X1711
-X1710
-X1723
-X1722
-X1721
-X1720
-X1719
-X1718
978
977
976
973
972
971
979
980
981
982
983
984
X1703 X1704
:1
:2
-Y1719
-Y1718
-Y1719
-Y1718
:2
:1
:1
:2
:2
:1
:2
:1
:1
:2
-B07
-B07
-B07
(+)
(-)
:2
茶
:3
:1
青
黒
OUT
青
黒
赤
赤
黒
OUT
黒
:3
茶
:2
(-)
(+)
青青
:1
:1
青 青
(+)
(-)
:2
茶
:3
黒
OUT
黒
赤
:9
:2
:6
:3
:7
:9
:7
:5
:3
DC+
IN
DC-
DC-
IN
DC+
DC+
IN
DC-
DC(-)
OUT1
DC+
-X11710
-X07A
-X07B
-X07C
-B07A
-B07B
-B07C
:3
:4
:1
:3
:4
:1
:3
:4
:1
OUT2
オートシフト
オートシフト
OUT2
OUT2
オートシフト
-Y1718
-Y1719
-Y1719
-Y1718
-Y1718
-Y1718
-Y1719
-Y1719
-A141
-X1416D:3へ
-X1416D:4へ
-A141
-A145
-X1456D:4へ
DC+
OUT1
DC(-)
DC(-)
OUT1
DC+
-X11711
-X11712
-X11710
-X11711
-X11712
M(A)
M(B)
M(C)
HM-G300(2)
U
[MM/22/8C]
[MM/22/8C]
[MM/22/8G]
[MM/22/5D]
[MM/22/5C]
I/O P.C.B
-U17
-U85 HLSC
-X8504
FB ch2-2
[F-/15/5C]
(CH2-CN4)
:7
:3
:6
:2
:9
STLT_MF_HEAD
真空パルブ 1
真空センサ 3
真空センサ 2
真空センサ 1
真空破壊パルブ 1
真空パルブ 2
真空破壊パルブ 2
<メカトロチューブ>
<メカトロチューブ>
<メカトロチューブ>
PSE-300
<メカトロチューブ>
<メカトロチューブ>
<メカトロチューブ>
<メカトロチューブ>
<メカトロチューブ>
<メカトロチューブ>
-X20201
コネクタケース
<RobotCable>
-X2803B1 :1
:2
-X2804B1
:2
:1
OUT1
OUT1
OUT1
真空センサ 3
真空センサ 2
真空センサ 1
OUT2
OUT2
OUT2
灰
白
白
灰
灰
白
PSE-300
-X10306
真空パルブ 3
真空破壊パルブ 3
1 2 3 4 5 6 7 8
A
B
C
D
E
F