OM-1460-001_w - 第72页
69 0709-001-(M867WMM-1033) U171 I/O STLI MF HEAD(3) RX /RX TX X1701 X1702 CN1A/1B /TX FG 7 2 4 3 5 CN2A/2B IN OUT CN10 CN1 1 CN12 CN13 CN14 CN15 CN16 CN17 CN18 CN19 CN20 CN21 CN22 CN23 CN24 CN25 CN4 CN3 24B1R 10B 10F 24F…

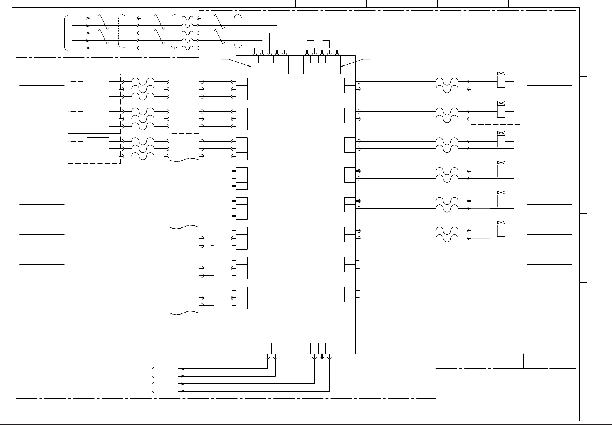
68
0709-001-(M867WMM-1023)
U171 I/O STLI MF HEAD(2)
RX
/RX
TX
X1701 X1702
CN1A/1B
/TX
FG
7 2 43 5
CN2A/2B
IN OUT
CN10
CN11
CN12
CN13
CN14
CN15
CN16
CN17
CN18
CN19
CN20
CN21
CN22
CN23
CN24
CN25
CN4CN3
24B1L
10B
10F
24F
5 34 2 7
FG
/TX
TX
/RX
RX
-X1717
-X1716
-X1715
-X1712
-X1711
-X1710
-X1723
-X1722
-X1721
-X1720
-X1719
-X1718
978
977
976
973
972
971
979
980
981
982
983
984
X1703 X1704
:1
:2
-Y1719
-Y1718
-Y1719
-Y1718
:2
:1
:1
:2
:2
:1
:2
:1
:1
:2
-B07
-B07
-B07
(+)
(-)
:2
茶
:3
:1
青
黒
OUT
青
黒
赤
赤
黒
OUT
黒
:3
茶
:2
(-)
(+)
青青
:1
:1
青 青
(+)
(-)
:2
茶
:3
黒
OUT
黒
赤
:9
:2
:6
:3
:7
:9
:7
:5
:3
DC+
IN
DC-
DC-
IN
DC+
DC+
IN
DC-
DC(-)
OUT1
DC+
-X11710
-X07A
-X07B
-X07C
-B07A
-B07B
-B07C
:3
:4
:1
:3
:4
:1
:3
:4
:1
OUT2
オートシフト
オートシフト
OUT2
OUT2
オートシフト
-Y1718
-Y1719
-Y1719
-Y1718
-Y1718
-Y1718
-Y1719
-Y1719
-A141
-X1416D:3へ
-X1416D:4へ
-A141
-A145
-X1456D:4へ
DC+
OUT1
DC(-)
DC(-)
OUT1
DC+
-X11711
-X11712
-X11710
-X11711
-X11712
M(A)
M(B)
M(C)
HM-G300(2)
U
[MM/22/8C]
[MM/22/8C]
[MM/22/8G]
[MM/22/5D]
[MM/22/5C]
I/O P.C.B
-U17
-U85 HLSC
-X8504
FB ch2-2
[F-/15/5C]
(CH2-CN4)
:7
:3
:6
:2
:9
STLT_MF_HEAD
真空パルブ 1
真空センサ 3
真空センサ 2
真空センサ 1
真空破壊パルブ 1
真空パルブ 2
真空破壊パルブ 2
<メカトロチューブ>
<メカトロチューブ>
<メカトロチューブ>
PSE-300
<メカトロチューブ>
<メカトロチューブ>
<メカトロチューブ>
<メカトロチューブ>
<メカトロチューブ>
<メカトロチューブ>
-X20201
コネクタケース
<RobotCable>
-X2803B1 :1
:2
-X2804B1
:2
:1
OUT1
OUT1
OUT1
真空センサ 3
真空センサ 2
真空センサ 1
OUT2
OUT2
OUT2
灰
白
白
灰
灰
白
PSE-300
-X10306
真空パルブ 3
真空破壊パルブ 3
1 2 3 4 5 6 7 8
A
B
C
D
E
F

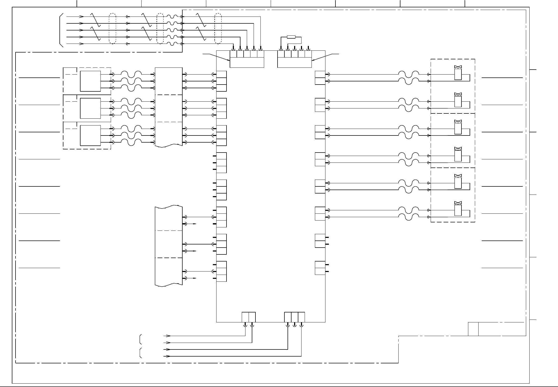
69
0709-001-(M867WMM-1033)
U171 I/O STLI MF HEAD(3)
RX
/RX
TX
X1701 X1702
CN1A/1B
/TX
FG
7 2 43 5
CN2A/2B
IN OUT
CN10
CN11
CN12
CN13
CN14
CN15
CN16
CN17
CN18
CN19
CN20
CN21
CN22
CN23
CN24
CN25
CN4CN3
24B1R
10B
10F
24F
5 34 2 7
FG
/TX
TX
/RX
RX
-X1717
-X1716
-X1715
-X1712
-X1711
-X1710
-X1723
-X1722
-X1721
-X1720
-X1719
-X1718
978
977
976
973
972
971
979
980
981
982
983
984
X1703 X1704
:1
:2
-Y1719
-Y1718
-Y1719
-Y1718
:2
:1
:1
:2
:2
:1
:2
:1
:1
:2
-B07
-B07
-B07
(+)
(-)
:2
茶
:3
:1
青
黒
OUT
青
黒
赤
赤
黒
OUT
黒
:3
茶
:2
(-)
(+)
青青
:1
:1
青 青
(+)
(-)
:2
茶
:3
黒
OUT
黒
赤
:9
:2
:6
:3
:7
:9
:7
:5
:3
DC+
IN
DC-
DC-
IN
DC+
DC+
IN
DC-
DC(-)
OUT1
DC+
-X11710
-X07A
-X07B
-X07C
-B07A
-B07B
-B07C
:3
:4
:1
:3
:4
:1
:3
:4
:1
OUT2
オートシフト
オートシフト
OUT2
OUT2
オートシフト
-Y1718
-Y1719
-Y1719
-Y1718
-Y1718
-Y1718
-Y1719
-Y1719
-A141
-X1416D:3へ
-X1416D:4へ
-A141
-A145
-X1456D:4へ
DC+
OUT1
DC(-)
DC(-)
OUT1
DC+
-X11711
-X11712
-X11710
-X11711
-X11712
M(A)
M(B)
M(C)
HM-G300(3)
U
[MM/32/8C]
[MM/32/8C]
[MM/32/8G]
[MM/32/5D]
[MM/32/5C]
I/O P.C.B
-U17
-U85 HLSC
(CH1-CN2)
FD ch1-2
[F-/25/5B]
-X8502 :7
:3
:6
:2
:9
STLT_MF_HEAD
真空パルブ 1
真空センサ 3
真空センサ 2
真空センサ 1
真空破壊パルブ 1
真空パルブ 2
真空破壊パルブ 2
<メカトロチューブ>
<メカトロチューブ>
<メカトロチューブ>
PSE-300
<メカトロチューブ>
<メカトロチューブ>
<メカトロチューブ>
<メカトロチューブ>
<メカトロチューブ>
<メカトロチューブ>
-X20201
コネクタケース
<RobotCable>
-X2803B1 :1
:2
-X2804B1
:2
:1
OUT1
OUT1
OUT1
真空センサ 3
真空センサ 2
真空センサ 1
OUT2
OUT2
OUT2
灰
白
白
灰
灰
白
PSE-300
-X10306
終端抵抗
真空パルブ 3
真空破壊パルブ 3
1 2 3 4 5 6 7 8
A
B
C
D
E
F

70
0709-001-(M867WMM-1043)
U171 I/O STLT MF HEAD(4)
RX
/RX
TX
X1701 X1702
CN1A/1B
/TX
FG
7 2 43 5
CN2A/2B
IN OUT
CN10
CN11
CN12
CN13
CN14
CN15
CN16
CN17
CN18
CN19
CN20
CN21
CN22
CN23
CN24
CN25
CN4CN3
24B1R
10B
10F
24F
5 34 2 7
FG
/TX
TX
/RX
RX
-X1717
-X1716
-X1715
-X1712
-X1711
-X1710
-X1723
-X1722
-X1721
-X1720
-X1719
-X1718
978
977
976
973
972
971
979
980
981
982
983
984
X1703 X1704
:1
:2
-Y1719
-Y1718
-Y1719
-Y1718
:2
:1
:1
:2
:2
:1
:2
:1
:1
:2
-B07
-B07
-B07
(+)
(-)
:2
茶
:3
:1
青
黒
OUT
青
黒
赤
赤
黒
OUT
黒
:3
茶
:2
(-)
(+)
青青
:1
:1
青 青
(+)
(-)
:2
茶
:3
黒
OUT
黒
赤
:7
:3
:6
:2
:9
:2
:6
:3
:7:9
:7
:5
:3
DC+
IN
DC-
DC-
IN
DC+
DC+
IN
DC-
DC(-)
OUT1
DC+
-X11710
-X07A
-X07B
-X07C
-B07A
-B07B
-B07C
:3
:4
:1
:3
:4
:1
:3
:4
:1
OUT2
オートシフト
オートシフト
OUT2
OUT2
オートシフト
-Y1718
-Y1719
-Y1719
-Y1718
-Y1718
-Y1718
-Y1719
-Y1719
-A141
-X1416D:3へ
-X1416D:4へ
-A141
-A145
-X1456D:4へ
DC+
OUT1
DC(-)
DC(-)
OUT1
DC+
-X11711
-X11712
-X11710
-X11711
-X11712
M(A)
M(B)
M(C)
HM-G300(4)
U
:9
[MM/42/8C]
[MM/42/8C]
[MM/42/8G]
[MM/42/5D]
[MM/42/5C]
I/O P.C.B
-U17
-U01(F) (STLT PNL)
-X0102(CN2)
GA ch2-2
[F-/07/6A]
STLT_MF_HEAD
真空パルブ 1
真空センサ 3
真空センサ 2
真空センサ 1
真空破壊パルブ 1
真空パルブ 2
真空破壊パルブ 2
<メカトロチューブ>
<メカトロチューブ>
<メカトロチューブ>
PSE-300
<メカトロチューブ>
<メカトロチューブ>
<メカトロチューブ>
<メカトロチューブ>
<メカトロチューブ>
<メカトロチューブ>
-X10306
-X20201
コネクタケース
<RobotCable>
-X2803B1 :1
:2
-X2804B1
:2
:1
OUT1
OUT1
OUT1
真空センサ 3
真空センサ 2
真空センサ 1
OUT2
OUT2
OUT2
灰
白
白
灰
灰
白
PSE-300
終端抵抗
真空パルブ 3
真空破壊パルブ 3
1 2 3 4 5 6 7 8
A
B
C
D
E
F