OM-1460-001_w - 第81页
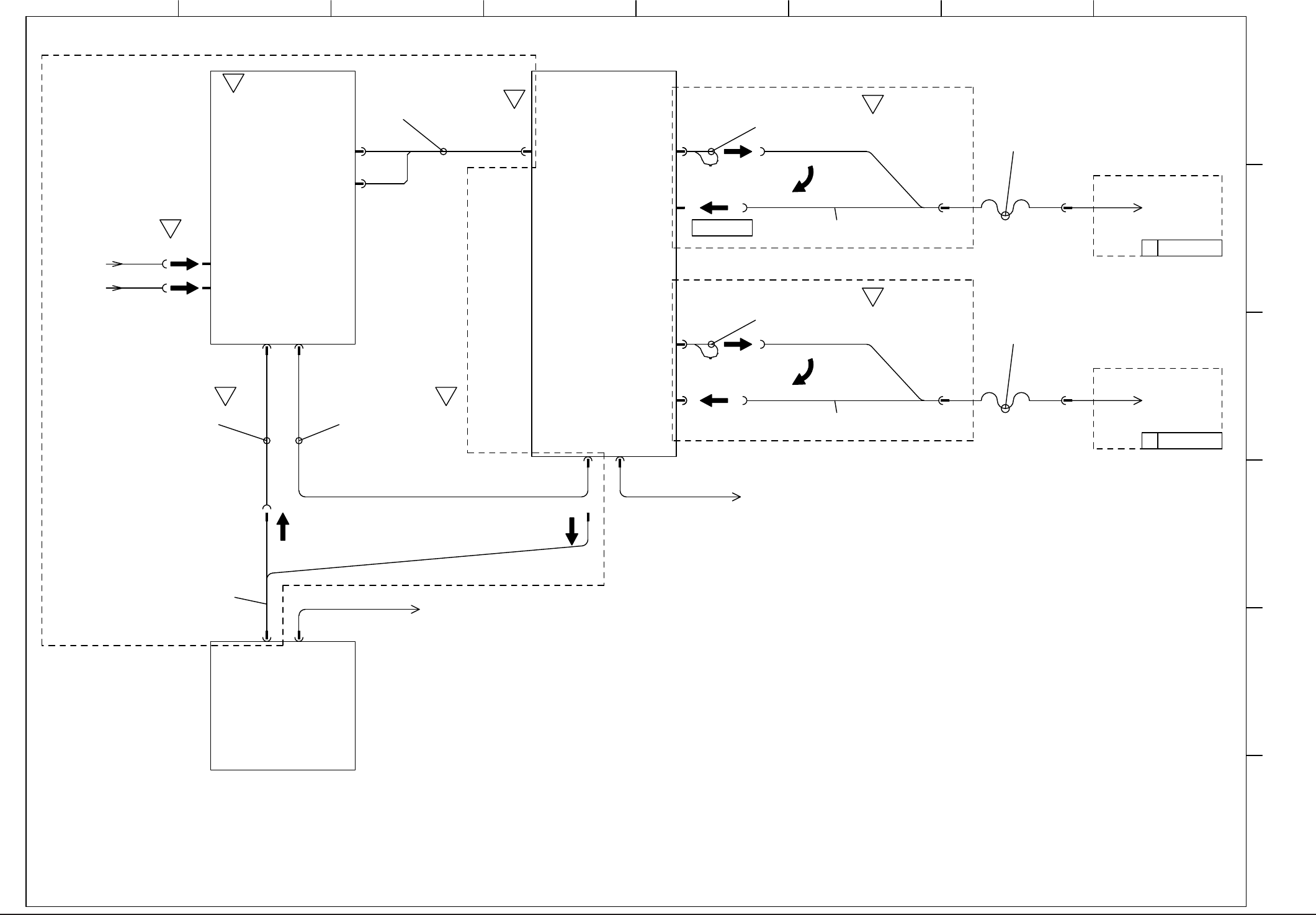
78 0709-001-(M845JA-A1041) G-SO50-09,10(L) 配線資料 1 -U16 -U05 -X0523 CN23 CN5-CN20 -X1605 CN44-CN37 -X1637 CN17 -X0517 CN24 -X0524 CN18 CN25 -X10520(1) -X10520(2) <Robot Cable> -X12507(1) <Robot Cable> -X12507(…

77
0709-001-(M845JA-A1040)
CPU2R ケーブル接続資料 (SSCNET,AELINK)
HUB(U72)へ
N.C.
N.C.
N.C.
-U82
MR-MC10
SSCNET
(6軸x2ch)
I/O
UB64Rへ
I/O
(6軸x2ch)
SSCNET
MR-MC10
-U83
HLSB-PCI
-U85
パルス化
AE-LINK
CN1
CN3
TB(24V)
<ビーム部コネクタ中継パネル>
630 150 5428
630 157 7470
FB)S157 VM0303B
630 108 1861
630 153 3056
630 153 3070
630 154 0306
630 154 0313
630 154 0320
630 154 0306
630 154 0313
630 154 0320
BC)S956 (0.2M)
BC)S957 (0.2M)
BC)S958 (3.0M)
BC)S956 (0.2M)
BC)S957 (0.2M)
BC)S964 (2.0M)
BC)965 (0.4M)
BC)S969 (0.4M)
BC)S967 (0.4M)
BC)S970 (0.4M)
BC)S966 (2.0M)
BC)S968 (2.0M)
BC)S952 (2.0M)
BC)S960 (0.2M)BC)S959 (0.4M)
BC)S955 (3.0M,3.5M)
BC)S964 (2.0M)
BC)965 (0.4M)
BC)S969 (0.4M)
BC)S967 (0.4M)
BC)S970 (0.4M)
BC)S966 (2.0M)
BC)S968 (2.0M)
630 157 7425
630 157 7432
630 157 7449
630 157 7425
630 157 7432
630 157 7494
630 157 7517
630 157 7500
630 157 7524
630 157 7494
630 157 7517
630 157 7500
630 157 7524
630 150 5435
630 150 8221
BC)954 (3.5M)
BC)S953 (2.0M)
630 156 8980
BR)S966 (2.0M)
630 150 6142
BR)S955 (1.2M)
<RobotCable>
<RobotCable>
<RobotCable>
<RobotCable>
<RobotCable>
<RobotCable>
<RobotCable>
<RobotCable>
DB(D)
-U24
CD
CC
-U24
CD
CD
CD
CC
CC
CC
UB18
-A22
-A23
-A21
UB18
-A22
-A21
-A23
[1]
[2]
[3]
[4]
[5]
[6]
[6]
-A63
[5]
-A63
DB(C)
-U21
-U21
-U23
-U22
-U22
-U23
NC
-A53
[1]
-A51
[2]
[1]
[3]
[4]
-A145
-A145
[1] [2] [3] [4]
[1] [2] [3] [4]
[6][-][-][5]
-A141
-A141
[6][-][-][5]
SDD
PCI BUS
-U81
CPU2-R
+5V
(-5V)
-12V+5V
+3.3V
+12V
10/100
BASE-T
COM1
/MS
KBD
VGA
AC200V
-X8201
-X8203
-X12102
-X12201
-X12301
-X2401
-X2404
-X2402
-X2403-X2302
-X2202
-X2102
-X12102
-X12301
-X12201
-X2404
-X2401
-X2403
-X2402
-X2302
-X2202
-X2102
-X231B
-X231A
-X221B
-X221A
-X211B
-X211A
-X231A
-X231B
-X221B
-X221A
-X211B
-X211A
ビームY2
ビームY1
ビームX
ビームY2
ビームY1
ビームX
カッター
(D)
-X631A
-X631A -X631B
カッター(C)
-X2407-X2303
-X2406-X2203
-X2407-X2303
-X2203 -X2406
-U21
-U22
-U23
-U23
-U22
-U21
変換器
変換器
変換器
変換器
変換器
変換器
リニア
エンコーダ
エンコーダ
リニア
エンコーダ
リニア
エンコーダ
リニア
リニア
エンコーダ
エンコーダ
リニア
バックアップ1
コンベアC
-X531A -X531B
-X8301
-X8303
-X8511
-X8513
N1
コンベア幅1
コンベアR
コンベア幅2
コンベアR
搬送
コンベアR
コンベアC
搬送
L1
-X187C1
-X187C1
-X1411A
-X1451A
-X1411A
ノズル1
MD-Z1
ノズル回転 ノズル回転
MD-Z2
ノズル2
ノズル上下
MD-L1
ノズル1 ノズル2
MD-L2
ノズル上下
MD-L3MD-Z3
ノズル1
MC-Z1
ノズル回転 ノズル回転
MC-Z2
ノズル2
ノズル上下
MC-L1
ノズル1 ノズル2
MC-L2
ノズル上下
ノズル上下
MC-L3
ノズル3
空き空き
ノズル回転
MC-Z3
ノズル3
-X1311A
-X1311A
-X1451A
ノズル上下
ノズル3
空き空き
ノズル回転
ノズル3
1 2 3 4 5 6 7 8
A
B
C
D
E
F
S
S
ノートb
ノート
S
マークは、
Block3またはBlock4に多機能ヘッドを搭載する場合の接続資料です。
コネクタ[X1311A] - [X1411A] [X1451A] 間のケーブルはユニット名:HM-G300 (多機能ヘッド)側で
出図しています。
(a)
(b)

78
0709-001-(M845JA-A1041)
G-SO50-09,10(L) 配線資料 1
-U16 -U05
-X0523
CN23CN5-CN20
-X1605
CN44-CN37
-X1637
CN17
-X0517
CN24
-X0524
CN18
CN25
-X10520(1)
-X10520(2)
<Robot Cable>
-X12507(1)
<Robot Cable>
-X12507(2)
-X0517
-X0517
-X2807 へ
(X7)
-U28
U HM-G300(1)
-X2807 へ
(X7)
-U28
U HM-G300(2)
-X1601
CN1
10BL,24B2L
10BL,24B1L
CN2
-X1602
CN4 CN3
-X1604 -X1603
CN2 CN1
-X0502 -X0501
CN5CN4
X0705X0704
(-X0502)
(-X11604)
U07
-X0518
-X0525
-X0518
-X0518
(-X0502)
(標準配線)
既存のケーブル
(標準配線)
(標準配線)
(標準配線)
-U08(
搬送)へ
-U85(HLS)へ
(多機能ヘッド:ILB) (ILB+POWER)
(IF)
手順1-(2)
既存のケーブル
block 1搭載時 本体改造
block 2搭載時 本体改造
(標準配線)
block 1/2共通 本体改造
1 2 3 4 5 6 7 8
A
B
C
D
E
F
630 158 6649
630 158 6649
BA) A156
BA)SA152 BA)SA151
BA)SA155
630 150 5466
630 154 0696
BA) A156
630 150 5473
:630 159 3241
:630 159 3241
:630 158 9312 :630 158 9282
:1GG4W20042960
S
S
S
S
S S
S

79
0709-001-(M845JA-A1042)
G-SO50-09,10(L) 配線資料 2
-U16 -U05
-X0523
CN23CN5-CN20
-X1605
CN44-CN37
-X1637
CN17
-X0517
CN24
-X0524
CN18
CN25
-X10520(3)
-X10520(4)
<Robot Cable>
-X12507(3)
<Robot Cable>
-X12507(4)
-X0517
-X0517
-X2807 へ
(X7)
-U28
U HM-G300(3)
-X2807 へ
(X7)
-U28
U HM-G300(4)
CN4 CN3
-X1604 -X1603
CN2 CN1
-X0502 -X0501
(-X11604)
-X0518
-X0525
-X0518
-X0518
(-X0502)
(-X0502)
CN2CN1
X0802X0801
U08
-X1601
CN1
10BR,24B2R
10BR,24B1R
CN2
-X1602
(標準配線)
既存のケーブル
(標準配線)
(標準配線)
-U85(HLS)へ
(多機能ヘッド:ILB) (ILB+POWER)
既存のケーブル
block 3搭載時 本体改造
block 4搭載時 本体改造
block 3/4共通 本体改造
CNVR(R)
(標準配線)
-U09(カッター)へ
(標準配線)
(標準配線)
(標準配線)
1 2 3 4 5 6 7 8
A
B
C
D
E
F
630 158 6649
630 158 6649
630 150 5466
630 157 7364630 154 0696
630 154 7589
630 150 5473
BA) A156
BA)SA151
BA)SA155
BA) A156
:630 159 3241
:630 159 3241
BA)SA152 :630 158 9282
:630 158 9336
:630 158 9312
S
S
S
S
S
S
S