4OM-1054-002 - 第67页
(1-7) T o detach the nozzle on the subsequent head, select the [T ur- ret Indexing (+)] button (*5) and press the [ON] button (entitled "MOVE"). In 2 seconds, press the [ENABLE] button on the operation panel. T…

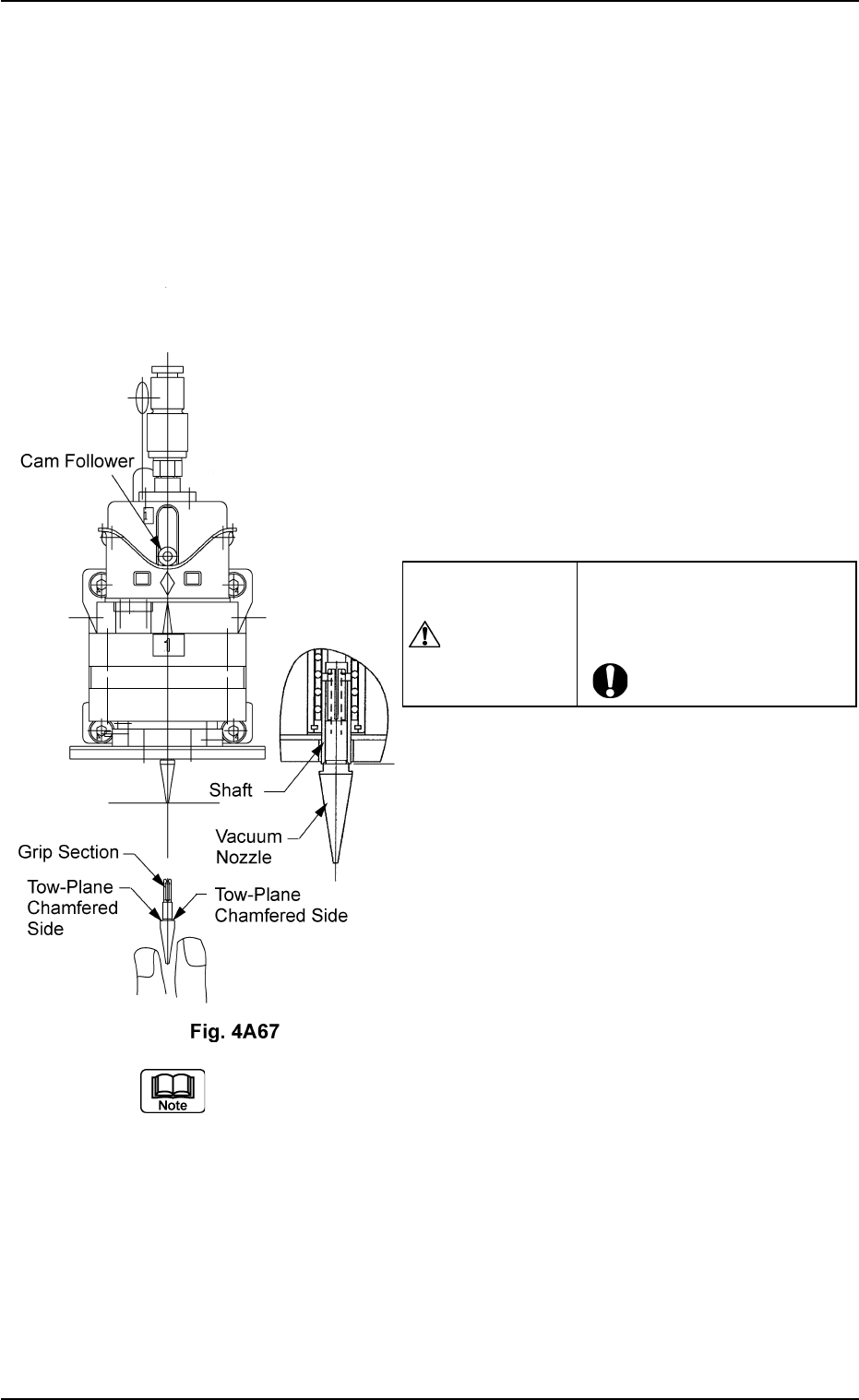
(1-5) Detachment of Vacuum Nozzle
Push the bottom of the nozzle removal jig gently and set it on the vacuum
nozzle such that the hook is engaged correctly with the two-plane cham-
fered side of the vacuum nozzle.
The nozzle removal jig cannot be used for nozzle type 031 (φ6
nozzle). Detach the nozzle by hand.
Fig. 4A65
(1-6) Pull down the nozzle removal jig to detach the vacuum nozzle.
(a) Do not score the diffusion plate while detaching
a vacuum nozzle.
(b) A miniature stroke bearing is used at the
nozzle up/down movement section which
consists of the shaft, the retainer cage, and the
external cylinder units.
When the section is disassembled by mistake,
be sure to correctly reassemble each unit
which belongs to the section.
When the nozzle is detached, the miniature
stroke bearing and the shaft section should not
be removed.
1.4 Maintenance Method
Fig. 4A64-1
Fig. 4A66
Avoid getting the removed vacuum nozzle
magnetized.
When the nozzle is magnetized, an error will occur
in component pick-up or placement.
CAUTION
0303-005 1-52 AGS01ETRP

(1-7) To detach the nozzle on the subsequent head, select the [Tur-
ret Indexing (+)] button (*5) and press the [ON] button (entitled
"MOVE"). In 2 seconds, press the [ENABLE] button on the
operation panel.
The rotary turret starts rotating and the subsequent head
moves to the nozzle detachment position.
Repeat the steps, starting with Step (1-5) until all nozzles are
detached.
When the rotary turret is rotated with a nozzle being
attached, select the [Turret Indexing (-)] button and
press the [ON] button (entitled "MOVE"). The rotary
turret rotates backward by 1 pitch.
0303-005 1-53
AGS01ETRP
1.4 Maintenance Method

(2) Attachment of Vacuum Nozzle
• Before attaching a vacuum nozzle, check that the end of the nozzle
is not damaged, the tapered section is unscratched, the pick-up hole
unclogged, and the grip section undeformed.
• Select the nozzle which meets the parameters specified in the place-
ment head nozzle data.
(2-1) Move the center shaft of the nozzle position
No. to be attached toward the front side of
the machine.
(2-2) While holding the cam follower with your fin-
ger, orient the two-plane chamfered side
horizontally and insert the vacuum nozzle
over the shaft until it stops.
(2-3) Set the [OPERATION] switch to the "RUN"
side.
(2-4) Use the "Head/Nozzle" tab in the "TEACH-
ING" window (submenu) and perform a
teaching operation on the nozzle.
Do not scratch the diffusion plate while attaching a vacuum nozzle.
0211-004 1-54
AGS01ETRP
1.4 Maintenance Method
CAUTION
Inserting a nozzle forcibly
over the shaft in wrong direc-
tion deforms the grip section.