5OM-1625-003_w.pdf - 第127页
5OM-1603 4-10 Integrated Block Connection Diagram (Details B) 1 102-004F(M914W A---0001) 24C 24C 24F 24G5A 24G8A 24G1,2A 24G 24G 24G1,2B 24G5B 24G8B 24B1 24B3 24B1 24B4 24B2 24B1 24B1 48D3E 48H 48D3G 48D3J 48D3K 48D3F 48…

5OM-1603
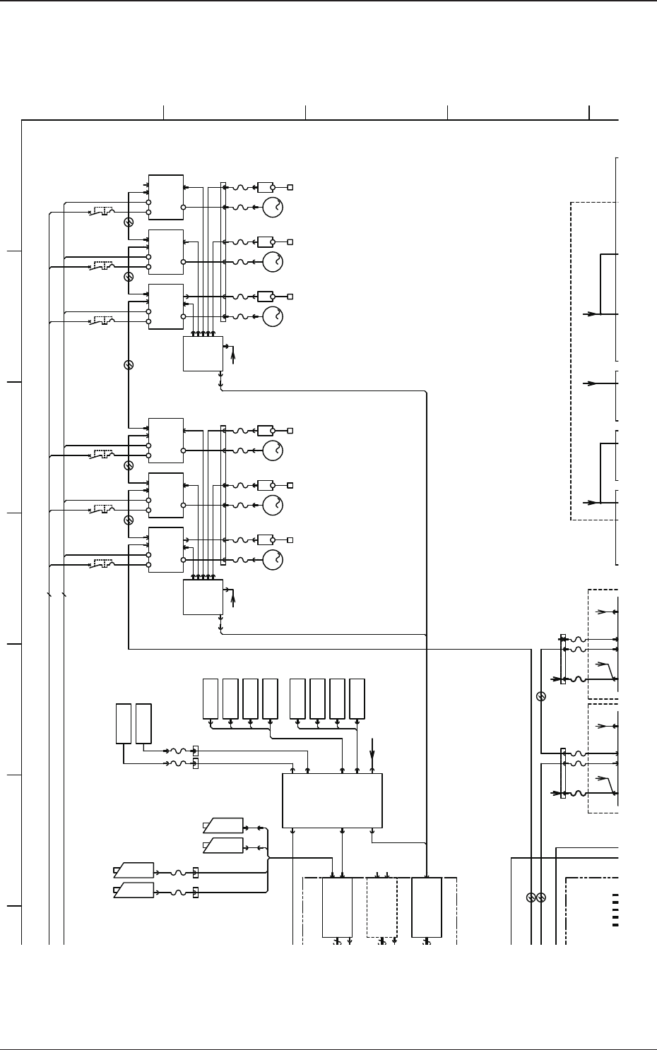
4-91102-004F(M914WA---0001)
Integrated Block Connection Diagram (Details A)
24B3
24B1
External LAN
48D3A
48D3B
48D3E
48D3G
48D3F
3
3
22
3
3
3
3
3
3
2
3
3
M
F201~203
F200
Q201
Q204
K28
Q205
K29
Q206
+48V(D)
G2
F13
F14
F33
K38
U27
CONTROL
U82
MOTION
I/OSSCNET
ID:0
NOISE
FILTER
Z02
NOISE
FILTER
Z01
Q200
3φ AC200V-AC400
T01
K33A
LAN2
CPU
U91
USB(1)
VGA
LAN1
USB(2)
U165
CN1
CN3
DC-IN
CN2
124
124
U92
PIO
CAM
+12V
AC-IN
+5V
+12V
PCI
124
U93
PIO
CAM
124
U94
IN
OUT
Trigger
U178
USB HUB
REAR
N74
FRONT
N74
N76
N75
Option
(300W)
Option
F43
U178
USB HUB
N76
N75
Option
2CH1CH 2CH1CH
K10
G21
COM1
COM2
+5V
F34
F44
K33B
D91
U190
U180
B36(1)
B36(2)
CPUM-OUT:LAN1
(R) (F)
LCD
(TP)
LCD
(TP)
DOM
部品認識カメラ
1
2 3 4 5 6
*
M66
SSCNET3 (Optic)
SSCNET3 (Optic)
TRANSFORMER
Frame
Grabber
Frame
Grabber
COUNTER
CPU1-LINE:LAN1
CPUM-LINE:LAN2
A31:
A41,A45,A47:
A161,A53:
A43,A49,A51:
PEC Recognition Camera
Beam Connector
Relay Panel
CPU1 (Operation and Recognition PC)
ATX Power Supply
Power
Supply
Track Ball
Key Board
Track Ball
Key Board
Lighting Surge
Protector
Attached externally to the Machine
Vacuum Pump
Main Power
Supply
Control Power
Supply
Image Changer
External LAN Connection Panel
Main Power Unit for the Head Unit
Multi-axis Board
Main Power Unit for the Transfer Unit 2-Axis Board
Main Power Unit for the Transfer Unit 2-Axis Board
Power Unit for the Transfer Unit 2-Axis Board

5OM-1603
4-10
Integrated Block Connection Diagram (Details B)
1102-004F(M914WA---0001)
24C
24C
24F
24G5A
24G8A
24G1,2A
24G
24G
24G1,2B
24G5B
24G8B
24B1
24B3
24B1
24B4
24B2
24B1
24B1
48D3E
48H
48D3G
48D3J
48D3K
48D3F
48D3H
48D
5J
24A1
24A2
24A0
24A3
24A*
24A1
24A3
24A3
24A1
+24V(G)
G4
F33
K38
+24V(A)
G1
+24V(B)
+24V(C)
+24V(F)
F1
K1A
F42
CONTROL
U82
MOTION
U85
HLSC
(CN8)
RS485
I/OSSCNET
+3.3V
+5V
U81
CPU
COM1 LAN
AC-IN
+5V
(CN5)
CN1
HLS LINK (HEAD)
HLS LINK
HLS LINK (IF+HEAD)
HLS LINK
SERIAL
SERIAL
I/O
ID:0
AE LINK
D81
CPCI
+48V(F)
G7
(100W)
F2
F5
K25
F7
F52
F41
F43
AE LINK
K75
K71
K77
K72
2CH1CH 2CH1CH
F29
F30
CH1 CH2 CH2CH1
(CN9) (CN10) (CN13)
A_LINK
AE_LINK
K1B
COM2
G22
F34
F44
K50
ILB
U05 U07 U08
U06
U27
(1) (2)
CN3
CN4
CN1
CN2
CN1
CN4
CN5
CN3
CN4
CN3
CN4
HLS LINK
HLS LINK
SERIAL
Relay P.C.B
(1) (2)
CNVR-L
CUT(2)
PWR
U12
CN3
CN4
U14
CN3
CN4
CNVR-R
U01
CN3
CN4
CN1
CN2
PNL
U09
CN3
CN4
CUT(1)
CN1
CN2
CN1
CN2
CN1
CN2
CN1
CN2
CN1
CN2
U
SL-SRS
(RS232C)
U180
F21-24
F25-28
U27
(CN15)(CN3)(CN14)
X18514X18512
2 3 412 3 41
IF
+5V(J)
G8
F61
DOM
INPUT
A41,A45,A47:
A31:
U95:
OUTPUT
U71:CPU_M(OP)
U72:HUB
A161,A53:
A43,A49,A51:
OUTPUT
A63R:
A63F:
A162,A55:
Main Power Unit for the Transfer Unit 2-Axis Board
Main Power Unit for the Transfer Unit 2-Axis Board
Power Unit for the Transfer Unit 2-Axis Board
Power Input Circuit
CT Axis SV-NET Power Supply
CT Axis SV-NET Power Supply
Main Power Unit for the Transfer Unit 2-Axis Board
Safety Circuit
N74: Power Unit for the Front and Rear Monitors
External Power Unit for the Input and Output Machines through I/F
Head Unit Multi-Axis Board Control Power Unit
Safety Circuit
Cooling Fan
Main Power Unit for the LED Lighting Control PCB
Power Supply for OP
Power Unit for the External Unit (1)
Power Unit for the External Unit (2)
External Unit
Connecting Bundled
Connector
Beam Connector
Relay Panel
Each Loads and Sensor
Each Loads
and Sensor
External Unit Connecting
Bundled Connector (Front)
External Unit Connecting
Bundled Connector (Rear)
External Conveyor
Connection Panel
(Left) (Right)
Power
Supply
ATX Power Supply

5OM-1603
4-111102-004F(M914WA---0001)
Integrated Block Connection Diagram (Details C)
24F 24F
24B1 24B1
24B1 24B1
48D3A 48D3B
48H
48D3F 48D3E
48D3G
3
2
3
M
3
M
3
M
3
M
3
M
3
M
SSCNET3 (Optic)
SSCNET3 (Optic)
CNP1 CN1A CN3
124
U92
Frame
Grabber
PIO
CAM
124
U93
Frame
Grabber
PIO
CAM
124
U94
COUNTER
IN
OUT
CN2
CN3
CN1
U95
CN6
CN8
CN5
CN7
E191
E39
E39
(1)
(2)
(2)
CN4
Option
CN1B
SSCNET3 (Optic)
CNP1 CN1A CN3CN1B
AE LINK(CH2)
E192
(2)
E193
(2)
E194
(2)
E191
(1)
E192
(1)
E193
(1)
E194
(1)
AE LINK(CH1)
A21R
Servo Motor
A22R A23R
M21R
X-Axis
Linear Scale
I/F
U21R
M22R
U22R
M23R
U23R
AMP
Y1-Axis
Linear Scale
Y2-Axis
Linear Scale
Servo Motor
AMP
Servo Motor
AMP
I/F I/F
CN5
U24R
Connector
PCB ENCD
Q222R Q223R
A21F
Servo Motor
A22F A23F
M21F
X-Axis
Linear Scale
I/F
U21F
M22F
U22F
M23F
U23F
AMP
Y1-Axis
Linear Scale
Y2-Axis
Linear Scale
Servo Motor
AMP
Servo Motor
AMP
I/F I/F
CN5
Connector
PCB ENCD
Q221F Q222F Q223F
CN12
CN12
U24F
B36(1)
B36(2)
B61(1)
B61(2)
(R) (F) (R) (F)
Q221R
7 8 9 10 11 12
A
B
C
D
Beam Connector
Relay Panel
Beam Connector
Relay Panel
Beam Connector
Relay Panel
Main Power Supply
Control Power Supply
SSCNET3 (Optic)
PEC Recognition Lighting
PEC Recognition Lighting
PEC Recognition Lighting
PEC Recognition Camera
Beam Connector
Relay Panel
LED Lighting
Control PCB
Component
Recognition
Camera
CPU1 (Operation and Recognition PC)
Trigger
Beam Connector
Relay Panel
Beam Connector
Relay Panel