5OM-1625-003_w.pdf - 第134页
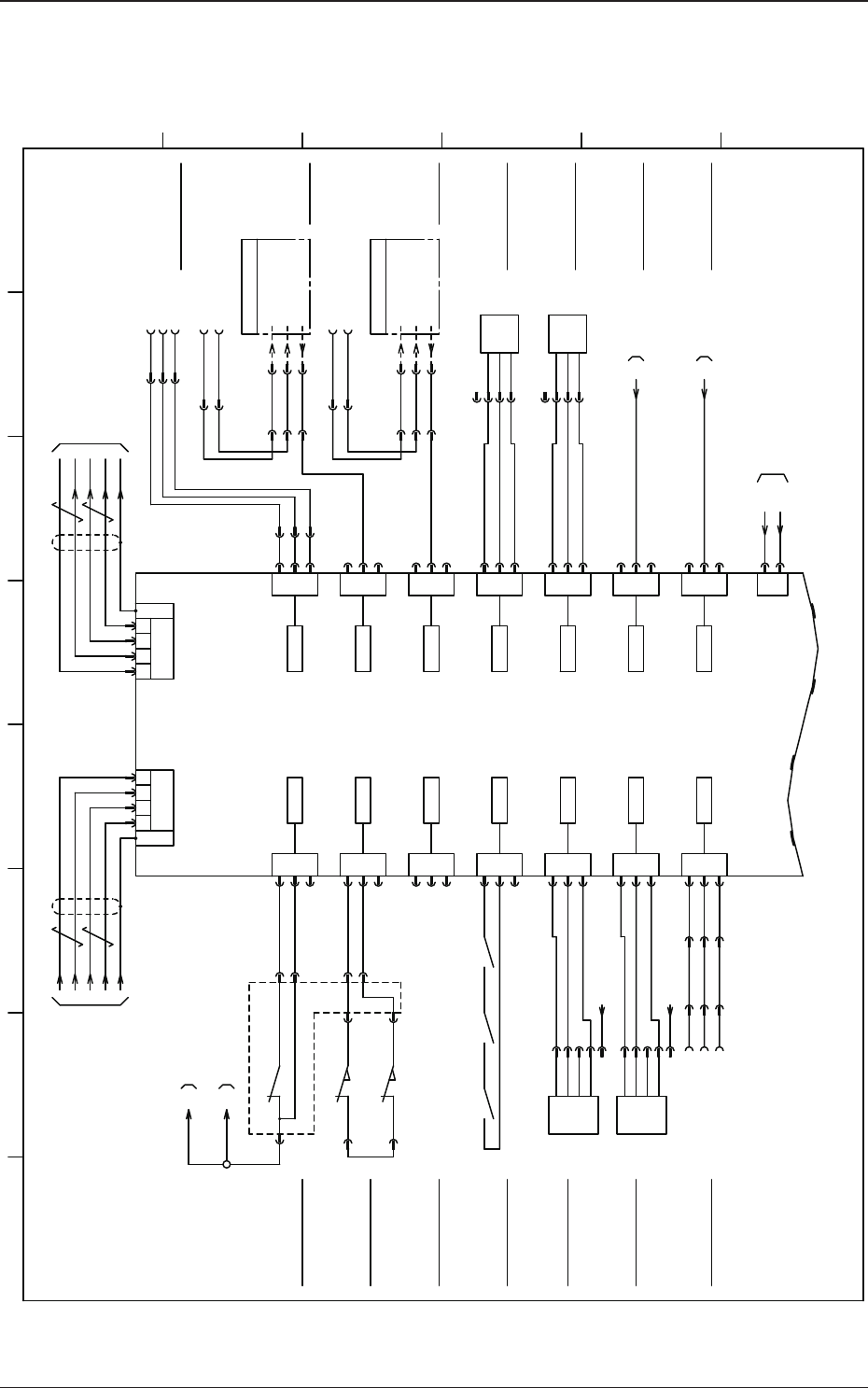
5OM-1603 4-17 1 102-003-(M914WBL--0002) U05 I/O PCB STL T ILB 2/2 2 1 2 1 2 1 2 1 2 1 2 1 2 1 2 1 2 1 2 1 XCN36 XCN30 XCN37 XCN31 XCN38 XCN32 XCN39 XCN33 2 1 2 1 XCN34 XCN35 XCN40 XCN41 24V(A) 24V(A) 24V(A) 24V(A) 24V(A)…

5OM-1603
4-161102-004E(M914WBL--0001)
U05 I/O PCB STLT ILB 1/2
(Inter Lock)
(UB54)
3
2
1
3
2
1
3
2
1
3
2
1
3
2
1
XCN10
3
2
1
3
2
1
3
2
1
3
2
1
3
2
1
XCN17
XCN11 XCN18
XCN12 XCN19
XCN13 XCN20
XCN14
XCN15
9 7 5 753 93
TX+
TX-
RX+
RX-
XCN1 XCN2
3
2
1
XCN16
3
2
1
XCN21
3
2
1
XCN22
3
2
1
XCN23
GND(B)
24V(B)
GND(B)
24V(B)
Shielded Shielded
500
:B1
X2761
:A1
X0511
10B
B0514
BK
O
:2
:3
:1
504
24B1
10B
505
24B1
508
:C6
509
501
S131
51 52
:B2
:8
X2742
:8
X2741
:7
X2741
:7
X2742
S132
52 51
:A2
X2761
513
X0510
X0514
X0518
X0519
X0520
X0523
EMR
SF CVR RL
S FLOAT R
S FLOAT F
CK MS R
CK MS F
HD INLK1
HD INLK2
:3
:5
:7
:9
:9
:7
:5
:3
[BL/03/3A]
I/O P.C.B
STLT_ILB
U05
3
XCN3
X0503
4
10B
24B1
[B-/02/5C]
GND(B)
24V(B)
GND(B)
24V(B)
GND(B)
24V(B)
GND(B)
24V(B)
GND(B)
24V(B)
GND(B)
24V(B)
GND(B)
24V(B)
GND(B)
24V(B)
GND(B)
24V(B)
GND(B)
24V(B)
GND(B)
24V(B)
GND(B)
24V(B)
10B
10B
U27
X0501
X0502
3 4
K31B
K33B
4344
TX+
TX-
RX+
RX-
X2723
:3
500
-X1300F3
[D-/12/6E]
:1
[D-/22/6E]
:1
[F-/13/5A]
501A
512
X0522
X0512
X0513
RSV IN1
XY POFF
K33A
4443
Q201
503A503B 10B
510
511
X0521
503
FB INLK1
FB INLK2
F FLOAT R
F FLOAT F
:2
(Robot Cable)
-X1300F3
HEAD STP
:2
[D-/12/6E]
-X1300F3
:2
[D-/22/6E]
-X1300F3
B0520
BL
BR
BK
:3
:4
:1
:2
B0521
+
-
BL
BR
BK
OUT1
:3
:4
:1
:2
XB0521
XB0520
-
BL
OUT1
XB0514
B0515
XB0515
BR
+
OUT2
:4
:5
BK
O
:2
:3
:1
-
BL
OUT1
BR
+
OUT2
:4
:5
N.C
N.C
+
-
OUT1
X0515
X:3-B1611:1
:1
:2
:3
:1
:2
:3
10B
506
24B1
X0516
X:OP1A
X:OP1
:1
X:OP2A
:1
X:OP2
:2
:2
:3
:3
X0517
:D4:4
:D3:11
-X12501-X22507
X:2-B1611:2
X:1-B1611:2
NST Coplanarity Detection 2
:1X32507R
:2
NST Coplanarity Detection 1
NST Coplanarity Detection 2
NST Coplanarity Detection 1
:C6:2
(Robot Cable)
HEAD STP
:D4:4
:D3:11
-X12501-X22507
X:2-B1611:2
X:1-B1611:2
:1X32507F
:2
10B
507
24B1
X:3-B1611:1
X:3-B1611:2
X:3-B1611:3
X:3-B1611:2
X:3-B1611:3
[D-/21/7E]
U06-X0644
U06-X0645
[D-/21/7F]
U12 (STLT PWR)
X1201(CN1)
ch1-1
U85 HLSC
CH1-CN1
ch1-1
Feeder Disengaged Lath
Detection (Rear)
Feeder Disengaged Lath
Detection (Front)
Nozzle Stocker Coplanarity
Detection 3
Nozzle Stocker 2
1 2 3 4 5 6 7 8
A
B
C
D
E
F
Nozzle Stocker Coplanarity
Detection 3
Nozzle Stocker 1
Case FG
Emergency Stop
Safety Monitor
Pickup Error Component
Detection (Rear)
Pickup Error Component
Detection (Front)
Head Interlock (M1)
Head Interlock (M2)
Cover Lock Check
Connector Case
Connector Case
Power for Input
CB Error (Beam General)
Case FG
External Unit Connecting Bundled Connector (Rear)
Back Up
Beam Main Power Detection
Feeder Base Interlock (Rear)
Rear Side
HH-SRS or HM-G500
Front Side
External Unit Connecting Bundled Connector (Front)
HH-SRS or HM-G500
OP
OP
Feeder Base Interlock (Front)
External Unit Connecting Bundled Connector (Rear)
External Unit Connecting Bundled Connector (Front)
(Rear)
(Front)

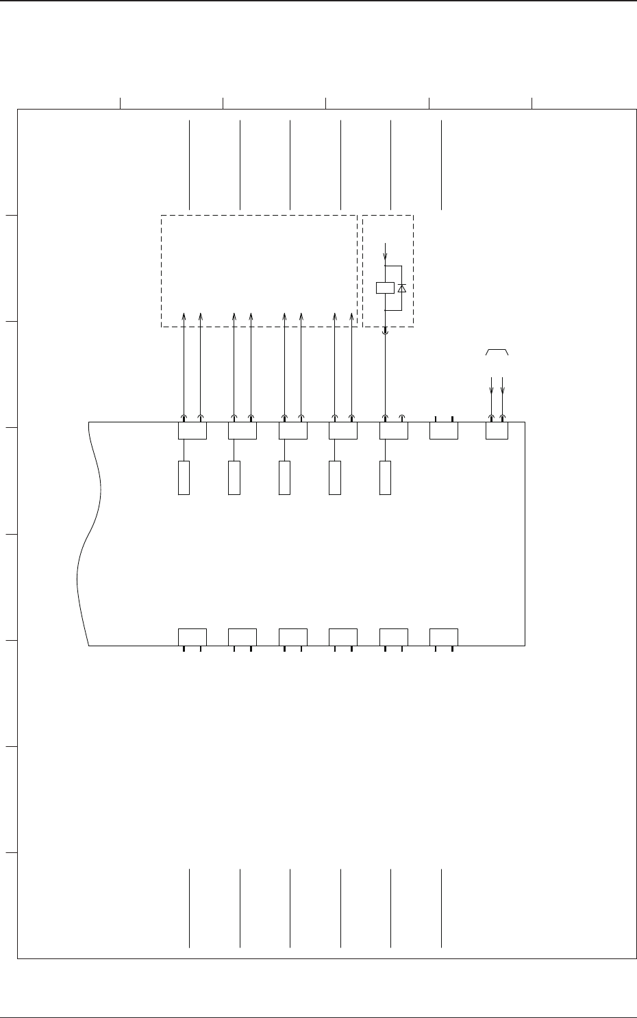
5OM-1603
4-171102-003-(M914WBL--0002)
U05 I/O PCB STLT ILB 2/2
2
1
2
1
2
1
2
1
2
1
2
1
2
1
2
1
2
1
2
1
XCN36XCN30
XCN37XCN31
XCN38XCN32
XCN39XCN33
2
1
2
1
XCN34
XCN35
XCN40
XCN41
24V(A)
24V(A) 24V(A)
24V(A) 24V(A)
24V(A) 24V(A)
24V(A) 24V(A)
24V(A) 24V(A)
24V(A)
Conveyor Emergency Stop
Directive
520
Beam (1) Emergency Stop
Directive
Beam (2) Emergency Stop
Directive
521
[F-/12/5C]
24A3
24A3
[F-/12/5C]
522
Head (1) Emergency Stop
Directive
Head (2) Emergency Stop
Directive
523
[F-/12/5E]
24A3
24A3
[F-/12/5F]
I/O P.C.B
STLT_ILB
U05
XY STP R
XY STP F
HEAD STP R
HEAD STP F
CV STP
1
XCN3
X0503
2
10A
24A3
[B-/02/5B]
X0536
X0537
X0538
X0539
X0540
:B5
X2761
524
K129
12 1
24A1
U27
To X8203:1
CPU2 :U82
To X8203:2
To X8203:48
To X8203:23
(Motion Control PCB)
To X8204:1
To X8204:2
To X8204:48
To X8204:23
Power for Output
1 2 3 4 5 6 7 8
A
B
C
D
E
F

5OM-1603
4-181003-003D(M914WBL--0003)
U12 I/O PCB STLT PWR 1/2
M
P<
X1201 X1202
CN1A/1B CN2A/2B
:3
:4
:5
:2
RX
/RX
TX
/TX
7 39 5 5 93 7
/TX
TX
/RX
RX
3
2
1
CN10
3
2
1
CN18
GND(B)
24V(B)
GND(B)
24V(B)
526
X1210
3
2
1
CN11
3
2
1
CN19
GND(B)
24V(B)
GND(B)
24V(B)
X1211
3
2
1
CN12
3
2
1
CN20
GND(B)
24V(B)
GND(B)
24V(B)
X1212
3
2
1
CN13
3
2
1
CN21
GND(B)
24V(B)
GND(B)
24V(B)
X1221
X1213
3
2
1
CN14
3
2
1
CN22
GND(B)
24V(B)
GND(B)
24V(B)
X1222
X1214
3
2
1
CN15
3
2
1
CN23
GND(B)
24V(B)
GND(B)
24V(B)
X1223
X1215
3
2
1
CN16
3
2
1
CN24
GND(B)
24V(B)
GND(B)
24V(B)
X1224
X1216
3
2
1
CN17
3
2
1
CN25
GND(B)
24V(B)
GND(B)
24V(B)
X1225
X1217
I/O P.C.B
STLT_PWR
U12
1
CN3
X1203
2
10B
24B1
[B-/02/5C]
BR
SP
S141
BK
GY
W
BL
10B
24B1
Q205
1413
527
10B
:2
X11211
:1
S132
22 21
:B7
:4
X2742
:4
X2741
:3
X2741
:3
X2742
S131
22 21
:A7
X2761
528
10B
528A
S105F
(S121B)
:B8
X2761
:5
X2725
:6
X2725
:5
X2781
:6
X2781
:A8
529
10B
K126
68
530
10B
:B9
X2761
:A9
S105B
(S121F)
:6
X2728
:5
X2728
:6
X2782
:5
X2782
U27
:1
-S112
:2
S112F
531
10B
532
F201
F202
F203
533
[BL/01/6A]
:9
:7
:5
:3
:1
-S112
:2
S112B
10B
:B1
-X1300D3
:B2
:B1
:B2
538
539
540
541
529A
[D-/12/3F]
[D-/12/3F]
Q222R
14 13
Q223R
13 14
Q221R
13 14
Q222F
14 13
Q223F
13 14
Q221F
13 14
X1218
X1219
[D-/22/3F]
[D-/22/3F]
10B
10B
535
534A
535A
534B
535B
SL-SRS or DL-SRS
-X1300D3
-X1300D3
-X1300D3
M177
BK
Y
R
:2
X:M177
:1
:3
537
OP
U05 (STLT ILB)
X0502(XCN2)
ch1-1
U08 (STLT CNVR (L))
X0801(CN1)
ch1-1
OP
OP
OP
1 2 3 4 5 6 7 8
A
B
C
D
E
F
CB Error -Y1 CB Error -Y2CB Error -X
CB Error -Y1 CB Error -Y2CB Error -X
CPUBOX Cooling Fan
CPU1 Shut-Down Command
FAN Rotation Error Detection
Beam (1) CB Error Monitor
Beam (2) CB Error Monitor
Multi-Layer Tray Connection
Confirmation (Front)
Shuttle Tray Connection
Confirmation (Front)
Multi-Layer Tray Connection
Confirmation (Rear)
Shuttle Tray Connection
Confirmation (Rear)
External Unit Connecting Bundled Connector (Front)
External Unit Connecting Bundled Connector (Rear)
OP
Power for Input
FG
(Connector Case)
FG
(Connector Case)
Pressure Switch
Connector Case
(Front Side)(Rear Side)
Reserve
Reserve
Air Pressure Drop Detection
Vacuum Pump CB Error
Front/Rear Safety Cover
Monitor
Emergency Stop Switch
DC Load Power Source Monitor
STAGE READY (Front)
STAGE READY (Rear)
Lighting Surge Protector
Safety Fuse Error
Connector Case