5OM-1625-003_w.pdf - 第141页
5OM-1603 4-24 0908-002B(M914WD---0001) Main Body Cooling Fan Circuit Diagram DC Power Supply G4 Cooling Fan (Upper) Housing Section Cooling Fan (Front) M M105 M M106 M173 R BK 10A 24A2 Ceiling (Left) Cooling Fan M M101 G…

5OM-1603
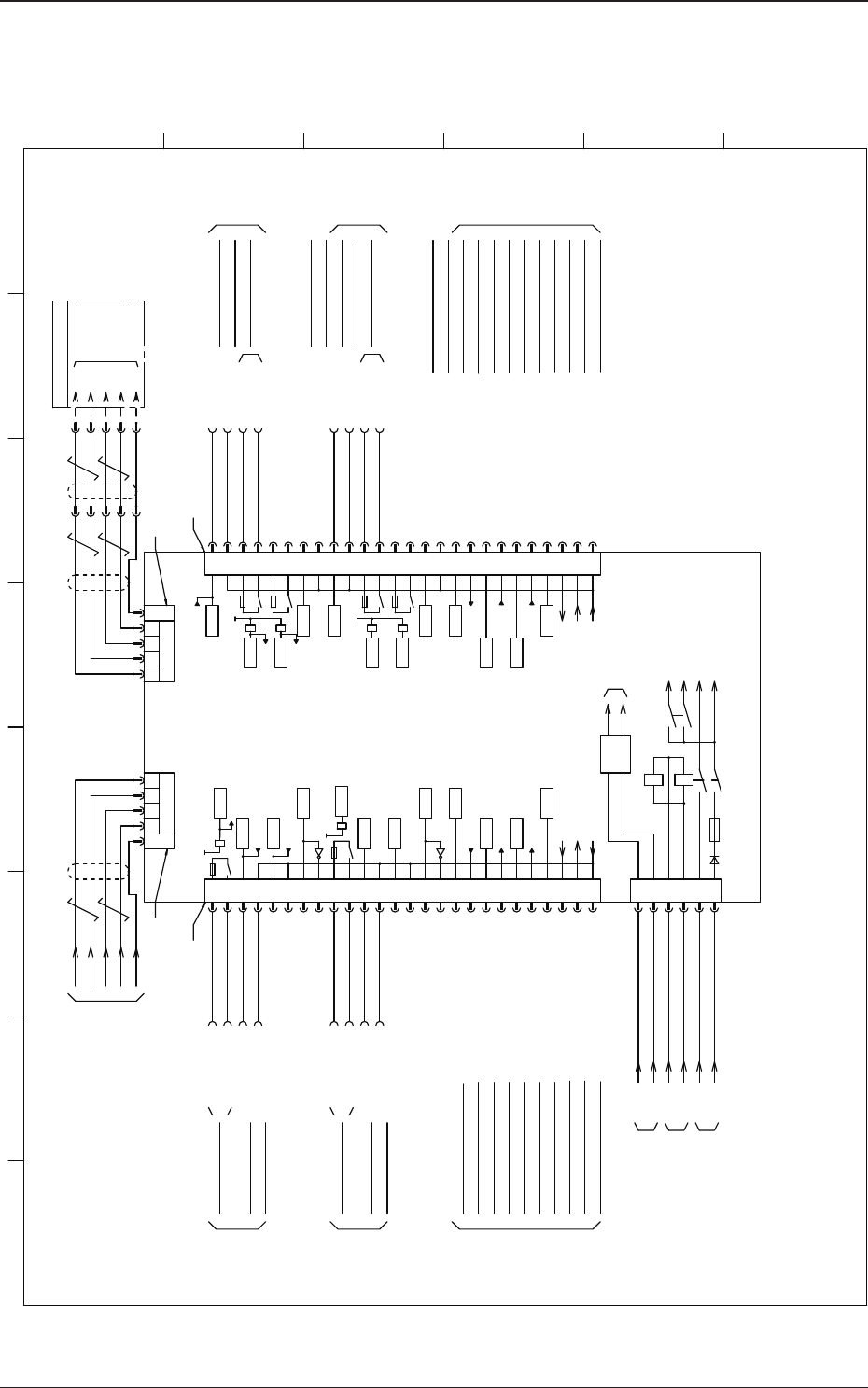
4-230908-002B(M914WC---0012)
X-Axis (F) Motor Circuit Diagram
3
M
-X2100
:3
:4
:2
-M21
:1
W
V
L2
L3
PE
PE
UL1
3
F
AC200V
AC200V
U24F
D
C
P
L21
L11
L221
L121
L313
L213
L113
OUT
-
+
-B2101
:2
-X12410
:3
:1
:4
:6
:5
-X12102
[B-/01/11E]
[B-/01/11E]
L
OUT
-
+
-B2102
L
X-Axis
-M21
A21F
Servo Motor AMP
X
-X211A
-X211B
CN1A
CN1B
[C-/11/2C]
CN5
-X2405
[R-/03/8D]
X29401-X2411
CN11
CN3
-X2103
CN10
-X2410
10B 24B1CN13A:2
[C-/11/6F]
-X2102L
CN2L
:A1
:A2
:A3
:B1
:B2
-U21
-U21
[F-/12/5A]
Robot Cable
Robot Cable
X Beam (Front)
Main Circuit Power Supply
Control Circuit Power Supply
:6
:15
:8
:10
:12
:4
:2
:5
:13
2
4
3
7
8
1
SD
to A22F-X221A
18
9
19
8
To U94
(Counter Board)
CN1
:72,64
:70,62
:69,61
:71,63
X9401
:5
:6
:7
:8
17
6
16
LBR
LA
LAR
8
7
10
7
LB
9
SSCNET3(ch1)
6
4
5
3
3
2
12
5
DOCOM
LSP
LSN
DICOM
Plate
SD
2
4
3
1
1
2
20
EM1
5
1
2
1
2
P5
LG
MRR
MR
MD
MDR
15
8
7
1
3
4
2
5
6
MRR
MR
FG
5V
0V
0V
MDR
MD
5V
Connector Case
Linear Scale Head
(Converter)
CPU2
From FB-U82(ID:0)
SSCNET3(ch1)
X8201
Fφ
1 2 3 4 5 6 7 8
A
B
C
D
E
F
X-Axis Limit (+)
X-Axis Limit (-)
(/Phase A)
(/Phase B)
(Phase B)
(Phase A)

5OM-1603
4-240908-002B(M914WD---0001)
Main Body Cooling Fan Circuit Diagram
DC Power Supply G4
Cooling Fan (Upper)
Housing Section
Cooling Fan (Front)
M
M105
M
M106
M173
R BK
10A24A2
Ceiling (Left)
Cooling Fan
M
M101
GA
Ceiling (Right)
Cooling Fan
M
M102
GA
R BK
R BK
DC Power Supply G4
Cooling Fan (Rear)
M
M174
R BK
Housing Section
Cooling Fan (Rear)
BB
BB
BZ
BZ
[B-/02/6A] [B-/02/6B]
R BK
R BK
X:FAN101-2 X:FAN101-1
X:FAN102-2 X:FAN102-1
X:FAN105-2 X:FAN105-1
X:FAN106-2 X:FAN106-1
X:FAN174-2 X:FAN174-1
X:FAN173-2 X:FAN173-1
:2 :1
:2 :1
M
XM171
:A3
XM171
:B3
XM171
:A4
XM171
:B4
XM171
:A2
XM171
:B2
XM171
:A1
XM171
:B1
1 2 3 4
A
B
C
D
E
F

5OM-1603
4-251003-003C(M914WD---0002)
U07 I/O PCB STLT IF
1 2 3 4 5 6 7 8
A
B
C
D
E
F
CN4 CN5
U85 HLSC
CH1-CN2
ch1-2
:3
:4
:5
:2
Connector Case
HLS LINK
/RX
RX
/TX
TX
FG
(Connector Case)
3
7 5
9 5
3 97
TX
/TX
RX
/RX
X0705X0704
[F-/13/5B]
STLT_IF
CN2-R
6
8
4
2
15
13
11
9
7
5
3
CN2-F
1
I/O P.C.B
X0702RX0702F
12
14
10
16
CN1
U07
6
5
4
3
2
1
17
18
19
20
21
22
23
24
25
26
17
18
19
20
21
22
23
24
25
26
6
8
4
2
15
13
11
9
7
5
3
1
12
14
10
16
X0701
-X22501
:2
:7
:1
:6
:5
-X12501
:B3
:B4
:B1
:B2
:C3
(Robot Cable)
Rear Side
HH-SRS or HM-G500
TX
/TX
RX
/RX
FG
X0702A-F:2
X0702A-F:1
X0702A-F:4
X0702A-F:3
561
560
559
558
24A3
691
24B1
10B
U06-X0631
10C
24C
X0702A-R:1
X0702A-R:2
X0702A-R:3
X0702A-R:4
585
586
587
584
[B-/02/5C]
[D-/21/6B]
[B-/02/5F]
Furnace Signal
Furnace Signal
Furnace Signal GND
Main Machine 24V Power Supply (Main-Input)
Main Machine GND (Main-Input)
Reserved Output1
PCB Request : TRO (Main-Input)
Run : MAO (Main-Input)
Reserved Input1
PCB Transfer : TRI (Input-Main)
Run : MAI (Input-Main)
Main Machine Power Supply (Input-Main)
Ready : GBO (Input-Main)
PCB Transfer
PCB Transfer GND
PCB Request
Main Machine 24V Power Supply (Main-Output)
Main Machine GND (Main-Output)
Main Machine Power Supply (Output-Main)
Run : MAI (Output-Main)
PCB Transfer : TRI (Output-Main)
Reserved Input 1
Run : MAO (Main-Output)
PCB Transfer : TRO (Main-Output)
Reserved Output 1
PCB Transfer
PCB Request
PCB Request GND
Reserved Output 2
X0702B-F:2
X0702B-F:1
X0702B-F:4
X0702B-F:3
569
568
567
566
PCB Transfer
PCB Transfer GND
X0702B-R:1
X0702B-R:2
X0702B-R:3
X0702B-R:4
593
594
595
592
PCB Transfer
PCB Request
PCB Request GND
Main Machine GND
Dual Lane A
SMEMA Type
Dual Lane B
SMEMA Type
Single
HTI
Specification
Input Output
PSU:G1
PSU:G1
F1
GND
24V
5V
GND
5V Circuit in PCB
D9
24C2
10C2
10C2 10C2
DI 01
DI 03
DI 09
DI 11
DI 00
DI 1
DI 02
DI 3
DI 05
DI 07
DI 13
DI 15
DI 04
DI 06
DO 01
DO 09
DO 15
DO 04
DO 05
DO 12
DO 13
24F
24C2
24C2
DO 07
DO 0
CN2F-20
CN2F-22
DO 02
DC-DC
CN2R-18
DI 5
DO 5
DO 4
DO 06
DO 03
CN2R-20
CN2R-22
PCB Request
CN2F-18
DO 1
24R
24F2
24R2
24F2
24F2
24R2
K2
K1
K2
Dual Lane A
SMEMA Type
Dual Lane B
SMEMA Type
Single
HTI
Specification
K3
K3
K4
K4
24R2
K6
K6
K5
K5
K7
K7
K8
K8
1 2 3 4 5 6 7 8
A
B
C
D
E
F
FG
(Connector Case)