5OM-1625-003_w.pdf - 第158页
5OM-1603 4-41 1 102-003-(M920WFB--0001) Feeder Base Circuit Diagram 1 (HLS+RS232C) Image Layer: Do not describe about DOC in the Instruction Manual. 9 8 5 6 7 4 1 2 3 +24V +24v GND X01 GND FG 13 10 11 12 S.GND TXD RXD 4 …

5OM-1603
4-40
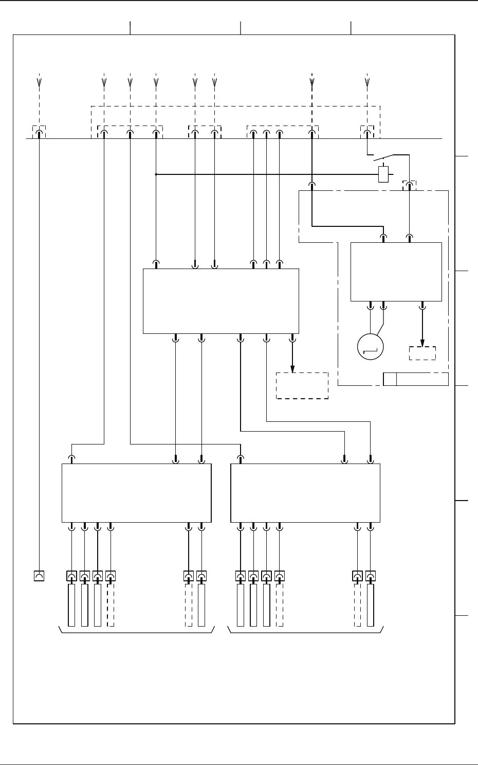
1102-003-(M920WA---0001)
Feeder Cart Connection Diagram
M
HLS
X01
X02
X03
X15
M63
CT
X16
X17
X18
X30
U69
I/O PCB
(STLT FB)
For Offline Control
PWR
RS232C
PWR PWR
SERIAL
I/O
SERIAL
I/O
(50pin)(80pin) (50pin)(80pin)
U68
FB
Connection PCB
U68
FB
Connection PCB
DC24V
(G5,G6) (G7,G8) (G1,G2) SV-NETHLS RS232C
DC48V
N.C.
SV-NET PWR
A63
Servo Motor AMP
CUT
X300C X300EX300F
Main Body Side
X04
X19
X14
X29
CU-SRS
U
X16302
X140
DC24V
K52
X300B
X16301
FEEDER (15 Lane)
Sensor
FEEDER (15 Lane)
External Unit Connecting
Bundled Connector
Feeder Base Unit
Each Loads and Sensor
X30
Tape Feeder
Single Connection
Connector
1 2 3 4
A
B
C
D
E
F

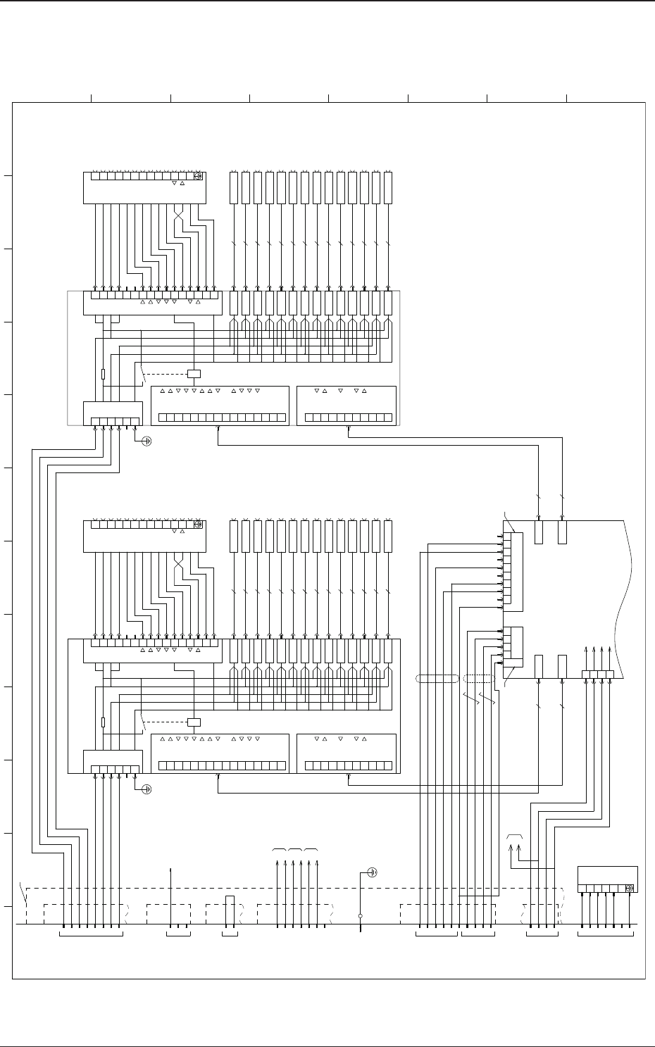
5OM-1603
4-411102-003-(M920WFB--0001)
Feeder Base Circuit Diagram 1
(HLS+RS232C)
Image Layer: Do not describe about DOC in the Instruction Manual.
9
8
5
6
7
4
1
2
3
+24V
+24v
GND
X01
GND
FG
13
10
11
12
S.GND
TXD
RXD
4GND
1
2
3
+24V
+24V
GND
9
8
5
6
7
13
10
11
12
S.GND
TXD
RXD 14
15
16FG
X01
14
X02
14
X03
14
X04
14
X05
OUT1
OUT2
IN1
IN2
IN3
14
X06
14
X07
14
X08
14
X09
14
X10
14
X11
14
X12
14
X13
14
X14
14
X15
X02
X03
X04
X05
X06
X07
X08
X09
X10
X11
X12
X13
X14
X15
4
3
2
1 GND
+24V
GND
+24V
X100
-X68100
Connection P.C.B FB
-U68
6
5
FG
OUT1
OUT2
IN1
IN2
IN3
X01:
X01:
X01:
X01:
X01:
OUT1
OUT2
IN1
IN2
IN3
X02:
X02:
X02:
X15:
X15:
OUT2
IN1
X15:
X15:
…
X101
X01:
X01:
X01:
X02:
X02:
X15:
X15:
…
X102
S.GND
TXD
RXD
S.GND
TXD
TXD
RXD
9
8
5
6
7
4
1
2
3
+24V
+24v
GND
X16
GND
FG
13
10
11
12
S.GND
TXD
RXD
-X6801
4GND
1
2
3
+24V
+24V
GND
9
8
5
6
7
13
10
11
12
S.GND
TXD
RXD 14
15
16FG
X01
-X6802 14
X02
-X6803 14
X03
-X6804 14
X04
-X6805 14
X05
OUT1
OUT2
IN1
IN2
IN3
-X6806 14
X06
-X6807 14
X07
-X6808 14
X08
-X6809 14
X09
-X6810 14
X10
-X6811 14
X11
-X6812 14
X12
-X6813 14
X13
-X6814 14
X14
-X6815 14
X15
X17
X18
X19
X20
X21
X22
X23
X24
X25
X26
X27
X28
X29
X30
4
3
2
1 GND
+24V
GND
+24V
X100
-X68100
Connection P.C.B FB
-U68
6
5
FG
77
80
79
78
73
76
75
74
9
8
7
6
OUT1
OUT2
IN1
IN2
IN3
X01:
X01:
X01:
X01:
X01:
OUT1
OUT2
IN1
IN2
IN3
X02:
X02:
X02:
X15:
X15:
OUT2
IN1
X15:
X15:
1
5
…
…
…
X101
47
50
49
48
46
8
7
X01:
X01:
X01:
X02:
X02:
X15:
X15:
1
6
…
…
…
X102
S.GND
TXD
RXD
S.GND
TXD
TXD
RXD
24G5
10G
24G6
10G
10G
24G8
10G
24G7
:5
:8
:7
:6
:12
:11
:10
:9
X300C
U69
X6909
FG(Connector Case)
/TX
CN9
TX
/RX
RX
I/O P.C.B
STLT_FB
:2
:3
:4
:1
24G2
10G
24G1
10G
:6
:5
:10
:9
:8
:7
:1
:2
:3
:4
/RX
/TX
RX
TX
FG
FG
RTS
TxD
S.GND
RxD
CTS
φ6
:2
79 68
FG
RTS
CN6
CTS
5
S.GND
4 3
TXD
2
RXD
1
80X6901
CN1CN2
80 X6902
X6908
CN8
10B1
24VB1
-X68101
-X68102
-X6801
-X6802
-X6803
-X6804
-X6805
-X6806
-X6807
-X6808
-X6809
-X6810
-X6811
-X6812
-X6813
-X6814
-X6815
-X68101
-X68102
X6906
X300F
X300A
1
2
3
4
10B2
24VB2
CN4
50 X6904 50X6903
CN3
3
7 5
9
X300C
:1
:6
:7
:8
:9
:10
:11
X300E
+24V
GND
+24V
:1
:2
:1
:2
-X6911
-X6912
-X6915
:2
:3
[FB/02/7E]
[FB/02/3E]
[FB/02/3E]
:12
1Ω7W
77
80
79
78
73
76
75
74
9
8
7
6
1
5
…
…
47
50
49
48
46
8
7
1
6
…
…
RLY RLY
:3
X300D
:10
:9
DC24V
[D-/12/4D]:(1)
[D-/22/4D]:(2)
Feeder Connection
Check
[D-/12/4F]:(1)
[D-/22/4F]:(2)
RS232C
[D-/12/8D]:(1)
[D-/22/8D]:(2)
HLS
[D-/12/8C]:(1)
[D-/22/8C]:(2)
DC24V
[D-/12/4C]:(1)
[D-/22/4C]:(2)
Pneumatic Hose
[D-/12/4A]:(1)
[D-/22/4A]:(2)
X26301
[CU/01/2C]
X140
:E
:F
:G
:B
:C
:D
:A
4
1
2
3
9
+24V
+24V
GND
GND
Tape Feeder
Single Connection Connector
(Drawer Connector)
FG
913
913
10G
10G
DC24V
[D-/12/8E]:(1)
[D-/22/8E]:(2)
914
1Ω7W
:1
:2
Drawer Connector for Feeder
Transfer Start 1
Transfer Start 2
Transfer Ready
Communication
Ready
Feeder Connection
Check
C module
(12Pins)
Note 1
F module
(12Pins)
A module
(3Pins)
Drawer Connector for Feeder
Drawer Connector for Feeder
Drawer Connector for Feeder
Drawer Connector for Feeder
Drawer Connector for Feeder
Drawer Connector for Feeder
Drawer Connector for Feeder
Drawer Connector for Feeder
Drawer Connector for Feeder
Drawer Connector for Feeder
Drawer Connector for Feeder
Drawer Connector for Feeder
Drawer Connector for Feeder
Drawer Connector for Feeder
Drawer Connector for Feeder
Drawer Connector for Feeder
Drawer Connector for Feeder
Drawer Connector for Feeder
Drawer Connector for Feeder
Drawer Connector for Feeder
Drawer Connector for Feeder
Drawer Connector for Feeder
Drawer Connector for Feeder
Drawer Connector for Feeder
Drawer Connector for Feeder
Drawer Connector for Feeder
Drawer Connector for Feeder
Drawer Connector for Feeder
Drawer Connector for Feeder
E module
(12Pins)
(Unclamp)
(Clamp)
External
Notification
External
Notification
(Feeder Clamp)
External
Command
D module
(12Pins)
Feeder
Connection
Check
To U69(CN15)
To U69(CN12)
Offline Control
To U69(CN11)
To Solenoid Valve
CAUTION:
Note 1. The drain line is connected to the connector case.
External Unit Connecting Bundled Connector
X30
1
2 3 4 5 6 7 8 9 10 11 12
A
B
C
D
E
F
G
H
Offline Control
Offline Control
Transfer Start 1
Transfer Start 2
Transfer Ready
Communication
Ready
Feeder Connection
Check

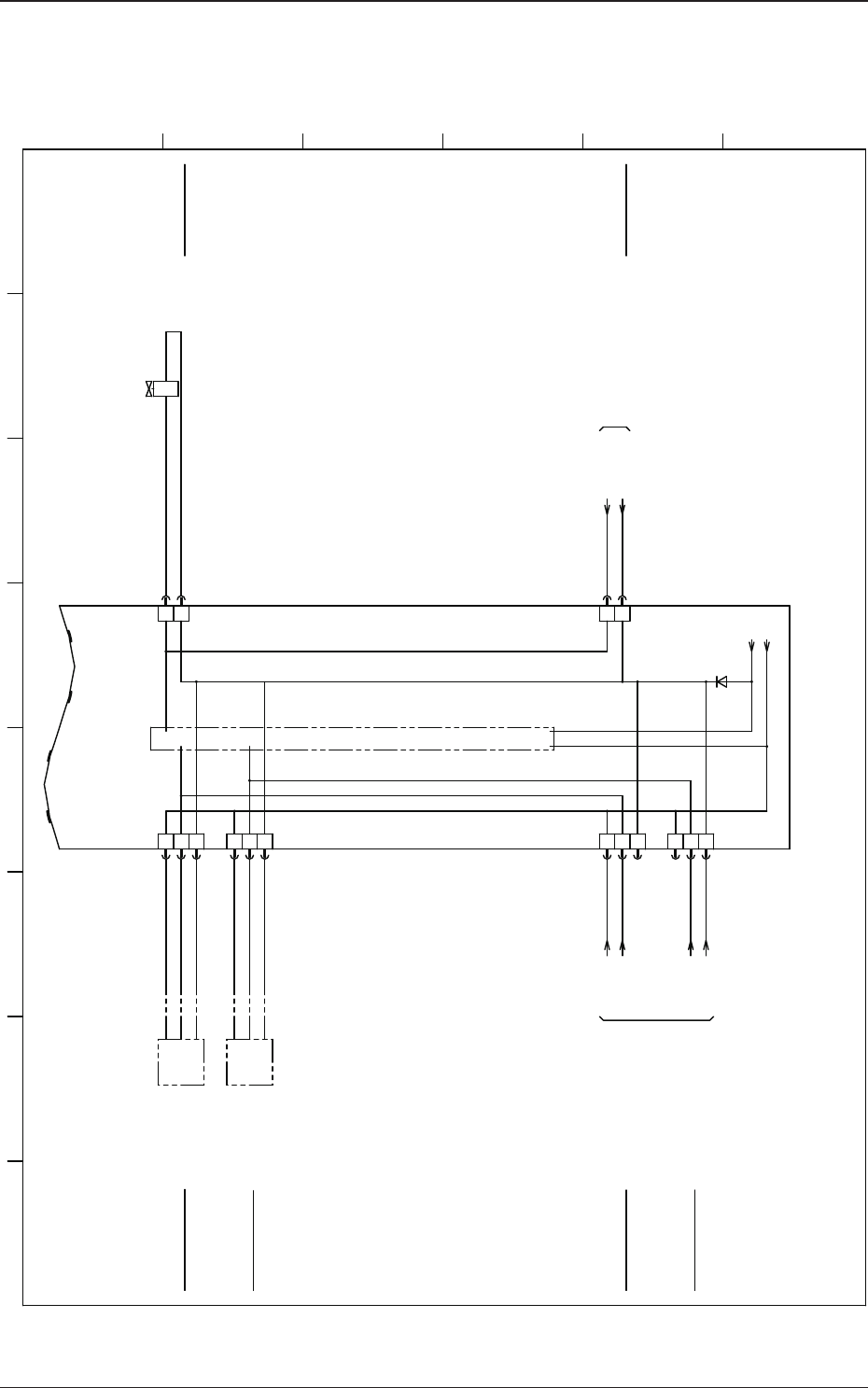
5OM-1603
4-42
1102-004A(M920WFB--0002)
Feeder Base Circuit Diagram 2
Y6913
-
OUT
+
BR
BK
BL
B6914
X6913
1
2
CN13
X6914
CN14
1
2
3
3
2
1
CN10
X6910
X6912
CN12
1
2
3
X6915
CN15
1
2
3
CN11
2
1
X6911
10B1
24VB1
24VBO
24VBO
24VBO
24VBO
24VBO
24VB1
Internal I/O Circuit
B6910
BL
BK
BR
+
OUT
-
+24V
GND
+24V
X300E
:8
:9
:10
:11
X300E
:7
:6
[FB/01/2D]
[FB/11/2D]
U69
I/O P.C.B
STLT_FB
Feeder Clamp
From X300E
From X300E
1 2 3 4 5 6 7 8
A
B
C
D
E
F
External Command
(Feeder Clamping)
for Offline Control
Feeder Base Offline Control
External Unit Connecting
Bundled ConnectorFeeder Base Offline Control
External Unit Connecting
Bundled Connector
(Clamping)
(Unclamping)
Feeder Clamp Upper Limit
Feeder Clamp Lower Limit
Feeder Clamp Lower Limit
External Notification (Clamping)
for Offline Control
Feeder Clamp Upper Limit
External Notification (Unclamping)
for Offline Control