5OM-1625-003_w.pdf - 第167页
5OM-1603 4-50 1 102-004-(M917WNF--0211) Conveyor M Circuit Diagram (1) M M X4505 7 5 3 9 3 2 1 NC BRK- BRK+ CN6 A45 CN1 1 2 4 3 7 8 6 5 CN3 E/C A+ EGND E+5V E/C B- E/C B+ E/C A- E/C Z- E/C Z+ 3 4 2 1 A B A B CN5 1 2 4 3 …

5OM-1603
4-491102-003-(M917WA--0211)
S Transfer Block Diagram (Fixed - Movable) Front L
M
M
M
M
MM
M
M
M
M46
M47 M51
NL-LB2
NA-LB1 NR-LB1
A45 A47 A161 A53
PG
PG
A51
U08
PWR HLS
Sensor
Load
Input 16 Points Output 16 Points
Sensor
Load
Input 16 Points Output 16 Points
M45
NL-LB1
M48
NA-LB2 NA-W1
-M161
NA-BAL
M53
M54
NA-BAR
M52
NR-LB2
AEPWR AEPWR AE PWR AEPWRPWR AE
PWR HLS
24B1
10B
24A3
10A
24B1
10B
24A3
10A
48D3G
10D
HLS-LINK:2ch-1
48D3H
10D
24A2
10A
24A2
10A
CNVR-L CNVR-R
HLS-LINK:1ch-1AE-LINK:1CH AE-LINK:2CH
U14
48D3E
10D
48D3F
10D
X14106 X15306
X14110 X116110 X14310 X14906
X:M121 X:M122 X:M123 X:M124
X15506X116210
D4460 D4460 D4460 D4460 D4460
Transfer Unit Sensor and Load Transfer Unit Sensor and Load
Extermal Unit Connecting
Bundled Connector (Rear)
Input Machine
HLS
Extermal Unit Connecting
Bundled Connector (Front)
Input Machine
HLSU181R
CPU2CAN Converter
U85 U181F
CPU2CAN Converter
U85
Transfer Section Left Side Transfer Section Right Side
1 2 3 4 5 6 7 8
A
B
C
D
E
F

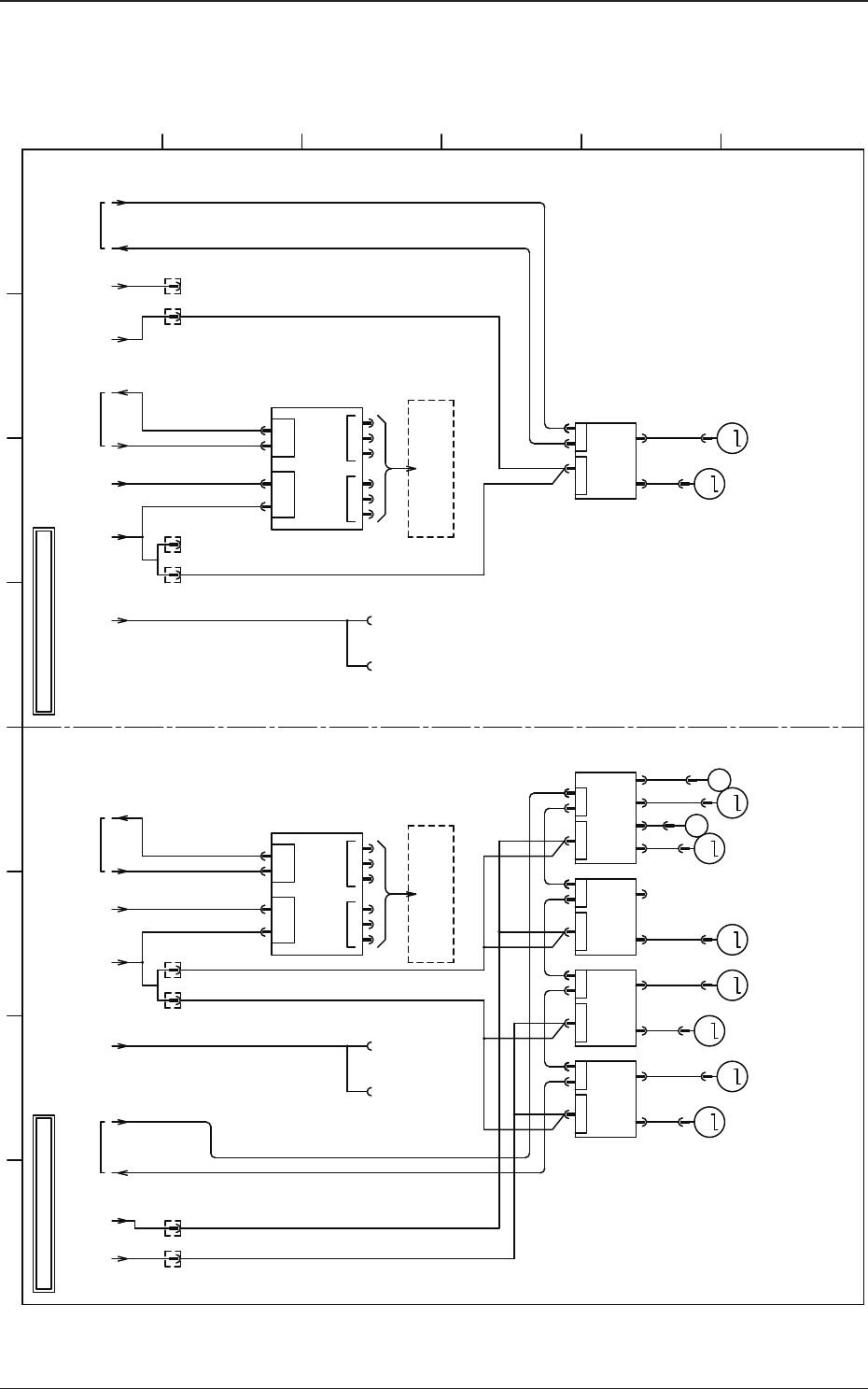
5OM-1603
4-501102-004-(M917WNF--0211)
Conveyor M Circuit Diagram (1)
M
M
X4505
7
5
3
9
3
2
1
NC
BRK-
BRK+
CN6
A45
CN1
1
2
4
3
7
8
6
5
CN3
E/C A+
EGND
E+5V
E/C B-
E/C B+
E/C A-
E/C Z-
E/C Z+
3
4
2
1
A
B
A
B
CN5
1
2
4
3
7
8
6
5
CN7
E/C A+
EGND
E+5V
E/C B-
E/C B+
E/C A-
E/C Z-
E/C Z+
5
6
3
4
2
1
CN4
DOWN
SEN+
ORG
-LS
+LS
COM
5
6
3
4
2
1
CN8
DOWN
SEN+
ORG
-LS
+LS
COM
3
2
1
NC
BRK-
BRK+
CN2
4501
7
5
3
9
3
4
2
1
A
B
A
B
NL-LB1
M45
NL-LB2
M46
X4504
X4508
-
+
OUT
B4501
BR
BL
BK
B4501
:2
B4501
:3
:1
-
+
OUT
B4502
BR
BL
BK
B4502
:2
B4502
:3
:1
1
2
3
4
CN10
MGND
C+GND
5
6
M+48V
C+24V
1
2
4
3
N1
1
2
4
3
N2
ALM-
STP-
ALM+
STP+
1
2
3
4
CN9
10D
48D3E
X4510
X4509
X45N2
GND
COM B
+V
COM A
GND
COM B
+V
COM A
10B
24B1
AE-LINK UNIT
X45N1
[NF/12/8D]
+V
GND
COM A
COM B
[NF/18/3A]
[NF/18/3C]
390
10A
[NF/18/3A]
AE-LINK UNIT
[NF/18/3F]
GND
TR+
TR-
DC48V
DC24V
1 2 3 4 5 6 7 8
A
B
C
D
E
F
Conveyor
Emergency Stop
Input Machine
Output Machine
Main Circuit Power Supply
Lane B
Deceleration Sensor/L Flow
Stop Sensor/R Flow
Lane B
Stop Sensor/L Flow

5OM-1603
4-511102-004-(M917WNF--0212)
Conveyor M Circuit Diagram (2)
Shielded
M
M
X4705
7
5
3
9
3
2
1
NC
BRK-
BRK+
CN6
A47
CN1
1
2
4
3
7
8
6
5
CN3
E/C A+
EGND
E+5V
E/C B-
E/C B+
E/C A-
E/C Z-
E/C Z+
CN5
1
2
4
3
7
8
6
5
CN7
E/C A+
EGND
E+5V
E/C B-
E/C B+
E/C A-
E/C Z-
E/C Z+
5
6
3
4
2
1
CN4
DOWN
SEN+
ORG
-LS
+LS
COM
5
6
3
4
2
1
CN8
DOWN
SEN+
ORG
-LS
+LS
COM
3
2
1
NC
BRK-
BRK+
CN2
X4701
7
5
3
9
BK
W
R
GR
NA-LB1
M47
NA-LB2
M48
-
+
OUT
B4701
BR
BL
BK
B4701
:2
B4701
:4
:1
IN
OR
:3
IN
PK
:5
X0840:1
-
+
OUT
B4801
BR
BL
BK
B4801
:2
B4801
:4
:1
IN
OR
:3
IN
PK
:5
X0841:1
X4704
X4708
[NF/16/7D]
[NF/16/7E]
BK
W
R
GR
1
2
3
4
CN10
MGND
C+GND
5
6
M+48V
C+24V
1
2
4
3
N1
1
2
4
3
N2
ALM-
STP-
ALM+
STP+
1
2
3
4
CN9
10D
48D3E
X4710
[NF/18/3B]
X4709
AE-LINK UNIT
X47N2
[NF/11/8C]
GND
COM B
+V
COM A
+V
GND
COM A
COM B
GND
COM B
+V
COM A
10B
24B1
[NF/18/3B]
AE-LINK UNIT
X47N1
[NF/13/8D]
+V
GND
COM A
COM B
-
+
OUT
B4702
BR
BL
BK
B4702
:2
B4702
:4
:1
IN
OR
:3
IN
PK
:5
X0842:1
[NF/16/7E]
-
+
OUT
B4802
BR
BL
BK
B4802
:2
B4802
:4
:1
IN
OR
:3
IN
PK
:5
X0843:1
[NF/16/7E]
3
4
2
1
A
B
A
B
3
4
2
1
A
B
A
B
[NF/18/3D]
390
10A
DC48V
DC24V
Lane B
(OP)
Large PCB (OP) / L Flow
Stop Sensor Mounting
Section 3
Lane B
(OP)
Large PCB (OP) / R Flow
Stop Sensor Mounting
Section 4
1 2 3 4 5 6 7 8
A
B
C
D
E
F
Conveyor
Emergency Stop
Output Machine
Input Machine
Main Circuit Power Supply
Lane B
Stop Sensor Mounting
Section 1
Lane B
Stop Sensor Mounting
Section 2