5OM-1625-003_w.pdf - 第187页

5OM-1603 5-6 1 102-004D(01300-7) Side Panel C 2 A21(X) Main Power:F (L1 13, L213, L313) A22(Y1) Main Power:F (L1 14, L214, L314) A23(Y2) Main Power:F (L1 15, L215, L315) HLS PCB Collective Section A21(X) Main Power:R (L1…

100%1 / 207
5OM-1603
5-51102-004D(01300-7)
Side Panel C 1
Green/Yellow
BlackRed
White
Black
Blue
Blue
Blue
Blue
Blue
Blue
Black
Black
Black
Black
Black
Black
Black
Black
Black
Black
Black
Black
Black
Black
Black
Black
Black
Black
Black
Black
Black
Black
Black
Black
Black
Black
Black
Black
Black
Black
Black
Black
Black
Black
Blue
Blue
Red
Yellow
Yellow
Red
Black
Black
Black
Black
Black
Red
White
Black
K3-34
K38-A22
U07:X27163-1
K33A-13
TB:P1
14AWG Green / Yellow
K33A-1,3,5
U07:X2723-2
TB:DC1(10A)
Vacuum Pump
G01,G02,G04,G07 Power Supply
TB:DC1(24A1)
TB:DC1(24A2)
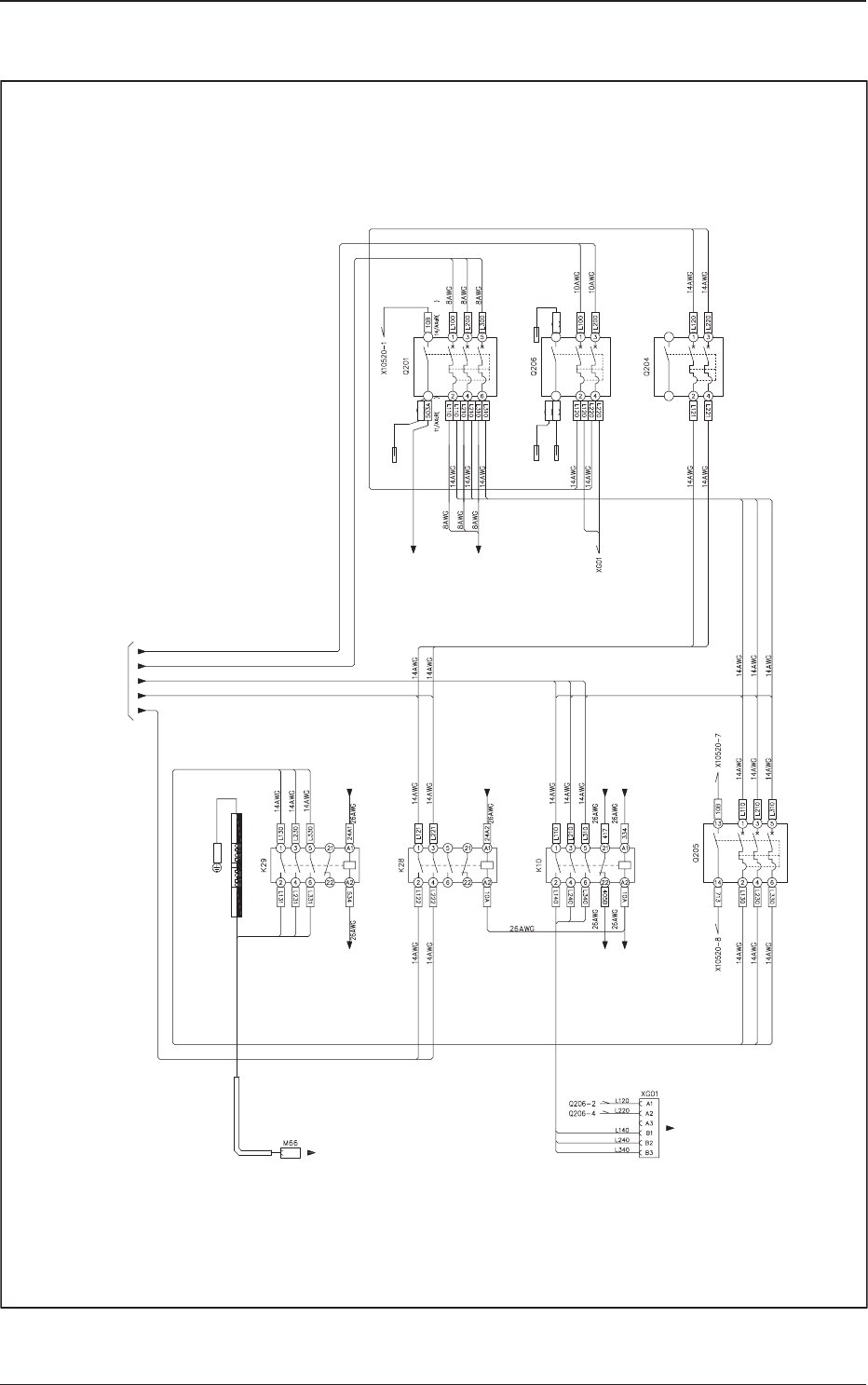
5OM-1603
5-61102-004D(01300-7)
Side Panel C 2
A21(X) Main Power:F
(L113, L213, L313)
A22(Y1) Main Power:F
(L114, L214, L314)
A23(Y2) Main Power:F
(L115, L215, L315)
HLS PCB Collective Section
A21(X) Main Power:R
(L116, L216, L316)
A22(Y1) Main Power:R
(L117, L217, L317)
A23(Y2) Main Power:R
(L118, L218, L318)
K33B-2,4,6
K33B-2,4,6
Red
Blue
Blue
Blue
Blue
Blue
Blue
Blue
Blue
Blue
Black
Black
Black
Blue
Blue
Blue
Blue
Black
Black
Black
Black
Black
Black
Black
Black
Black
Black
Black
Black
Black
Black
Black
Black
Black
Black
Black
Black
Black
5OM-1603
5-71102-004J(01300-8)
Side Panel C 3
F2
X10520-2
HLS PCB Collective Section
U27:X2716-2
U27:X2715-2
Q221-Q223F Terminal Block
Q221-Q223R Terminal Block
K4-S14
Q201-2,4,6
Q201-11/AXcR Yellow
Black
Black
Black
Black
Black
Black
Black
Black
Black
Black
Black
Black
Blue
Blue
Blue
Blue
Blue
Blue
BlueBlueBlue
K4-T31
K4-T33
K10-21
U27:X2711
Black Black
Black
Black
Blue
Black
Blue
Blue
Blue
Blue
Blue
Blue
Blue
Blue
Blue
Blue
Blue
Blue
Blue
Blue
Blue
Blue
Blue
Blue
Blue
Blue
Blue
Blue
Blue
Blue
Blue
Blue
Blue
Blue
Black
Black
Black
Black
Black
Black
Black
Black
Black
Black
Black
Black
Black
Black
Blue
Blue
Blue
Blue
Blue
Blue
Black/White
Black/White
Black/White
Black/White
White
White
Blue
Blue Blue
Blue
Blue
Blue
Black
Black
Black
Black
Black
Black
Blue
Black
Black
Black
Green/Yellow
Note 2 Note 1
Note 2
Note 2
Note 2
Note 2
Note 2
Note 2
Note 2
Note 2
Note 2
Note 2
Note 2
Note 2
Note 2
Note 2
Note 2
Note 2
Note 2
Note 2
Note 2
Note 2
Note 2
Note 2
Note 2
Note 2
Note 2
Note 2
Note 2
Note 2
Note 2
Note 2
Note 2
Note 2
Note 2
Note 2
Note 2
Note 1
Black
Black
Black
Blue
Black
Black
Blue
Blue
Blue
BlackBlue
Black
Black
Black
Black
Black
Black
Black
Note 2
Note 2
Note 2
Note 2