5OM-1625-003_w.pdf - 第192页
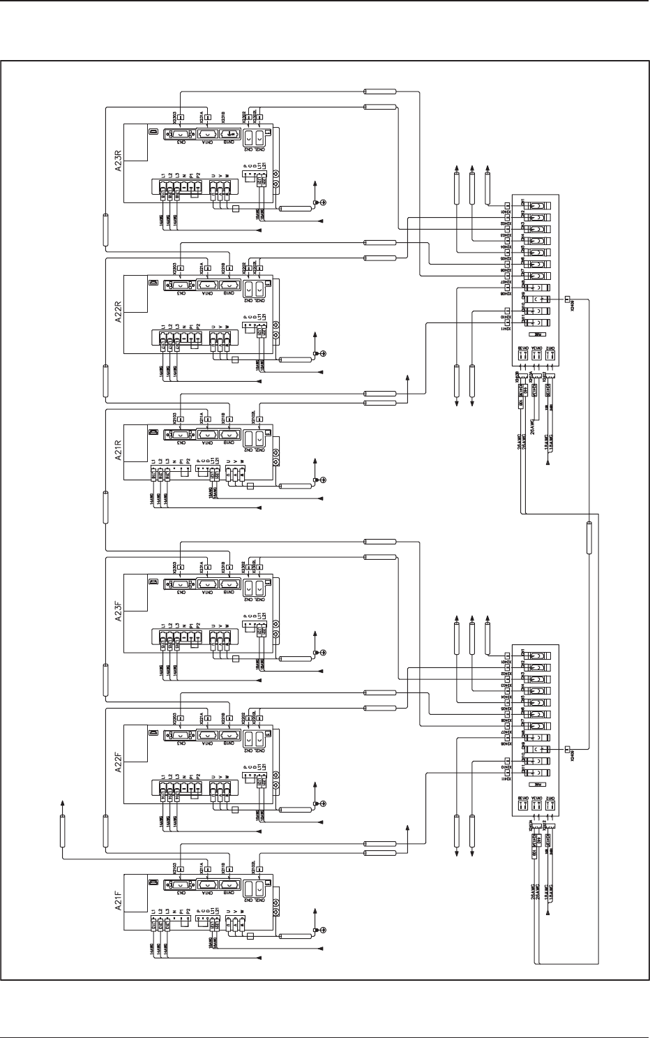
5OM-1603 5-1 1 1 102-004J(01300-10) XY Servo Connection V iew CPU2 U82:CH1-X8201 X2100 Beam Connector Relay Panel (F) X2100 Beam Connector Relay Panel (R) X2200 Beam Connector Relay Panel (R) X2300 Beam Connector Relay P…

5OM-1603
5-101102-004J(01300-9)
Side Panel R 2
TB:DC1(500)
Rear Side Operation Panel: S101,S105
Front Side Operation Panel: S101,S105
SV-NET Converter:U181(R)
External Bundled Connector (R)
K50-21
K29-A2
Transfer (L)U08:X0826
Transfer (R)U14:X1426
TB:DC1(24B1, 10B)
TB:DC1(24B1, 10B)
External Unit Bundled Connector (R)
Transfer Relay Section (L Side): X12762
Transfer Relay Section (L Side): X12763
SV-NET Converter:U181(F)
External Bundled Connector (F)
External Unit Bundled Connector (F)
K10-22
K25-1
Blue
Blue
Blue
Blue
Blue
Blue
Blue
Orange 1
Yellow 1
Orange 1
Yellow 1

5OM-1603
5-111102-004J(01300-10)
XY Servo Connection View
CPU2 U82:CH1-X8201
X2100
Beam Connector Relay Panel (F)
X2100
Beam Connector Relay Panel (R)
X2200
Beam Connector Relay Panel (R)
X2300
Beam Connector Relay Panel (R)
X2200
Beam Connector Relay Panel (F)
X2300
Beam Connector Relay Panel (F)
Lower:Q221F
Lower:Q222F
Lower:Q223F
Upper:Q221R
Upper:Q222R
Upper:Q223R
TB:P1(L121, L221)
TB:P1(L121, L221)
TB:P1(L121, L221)
TB:P1(L121, L221)
TB:P1(L121, L221)
X12102L
Beam Connector Relay Panel (F)
X12102L
Beam Connector Relay Panel (R)
X12410
Beam Connector Relay Panel (F)
Y-Axis Limit (-) B2203
X12201
Beam Connector Relay Panel (F)
X12301
Beam Connector Relay Panel (F)
CPU1:U94 X29401
X12410
Beam Connector Relay Panel (R)
Y-Axis Limit (+) B2201
X12201
Beam Connector Relay Panel (R)
X12301
Beam Connector Relay Panel (R)
CPU1:U94 X19401
TB:DC1(24B1,10B)
TB:DC1(24B1,10B)
TB:P1(L121, L221)
Y2 AxisY1 AxisX Axis
Black
Black
Black
Black
Black
Black
Black
Black
Black
Black
Black
Black
Black
Black
Black
Blue
Black
Blue
Blue
Blue
Blue
Blue
Blue
Black
X Axis
Y1 Axis
Y2 Axis
Black
Black
Black
Black
Black
Black
Black
Black
Black
Black
Black
Black
Black
Black
Black

5OM-1603
5-121102-004J(01300-11)
I/O PCB Connection View 1
Air Vacuum Switchover Y0938
High Speed/Multi-Functional
Head Change Over Y0939
External Unit Bundled Connector (R)
CPU2:U85 CH2-CN3(X8503)
Feeder Ready (Rear): S111R
Light Tower / Material Indicator Relay Cable
Positioning
Check(R)
FB1 Y-Direction Positioning
Check 1 B0910
FB1 Y-Direction Positioning Check 2 B0911
FB1 Drop Detection Unit
Backward Limit B0912
FB1 Drop Detection Unit
Backward Limit B0913
FB1 Up Y0932
FB1 Down Y0933
Cylinder Upper Limit Detection B0914
Cylinder Lower Limit Detection B0915
Feeder Disengaged Latch
Detection(A) B0520
Pick-up Error Detection(A) B0514
Positioning Unit Drop
Prevention Stopper 1 Y0942
Rear Side: Operation Panel
Nozzle Stocker 1 Unit Lower Limit Detection 1 NST18
Nozzle Stocker 1 Shutter Closing Check 1 NST20
Nozzle Stocker 1 Clamping Check 1 NST22
Nozzle Stocker 1 Unit Lower Limit Detection 2 NST18
Nozzle Stocker 1 Shutter Closing Check 2 NST20
Nozzle Stocker 1 Clamping Check 2 NST22
Nozzle Stocker 1 Shutter Open / Close 1 NST35
Nozzle Stocker 1 Upper 1 NST36
Nozzle Stocker 1 Shutter Open / Close 2 NST35
Nozzle Stocker 1 Upper 2 NST36
Dust Air Blowing (B)
Nozzle Stocker Coplanarity Detection 1 B1611
Nozzle Stocker Coplanarity Detection 2 B1611
Front Side:
Operation Panel
Feeder Ready (Front): S111F
External Conveyor Relay Section L-Side
: X195
External Conveyor Relay
Section R-Side: X196