5OM-1625-003_w.pdf - 第194页
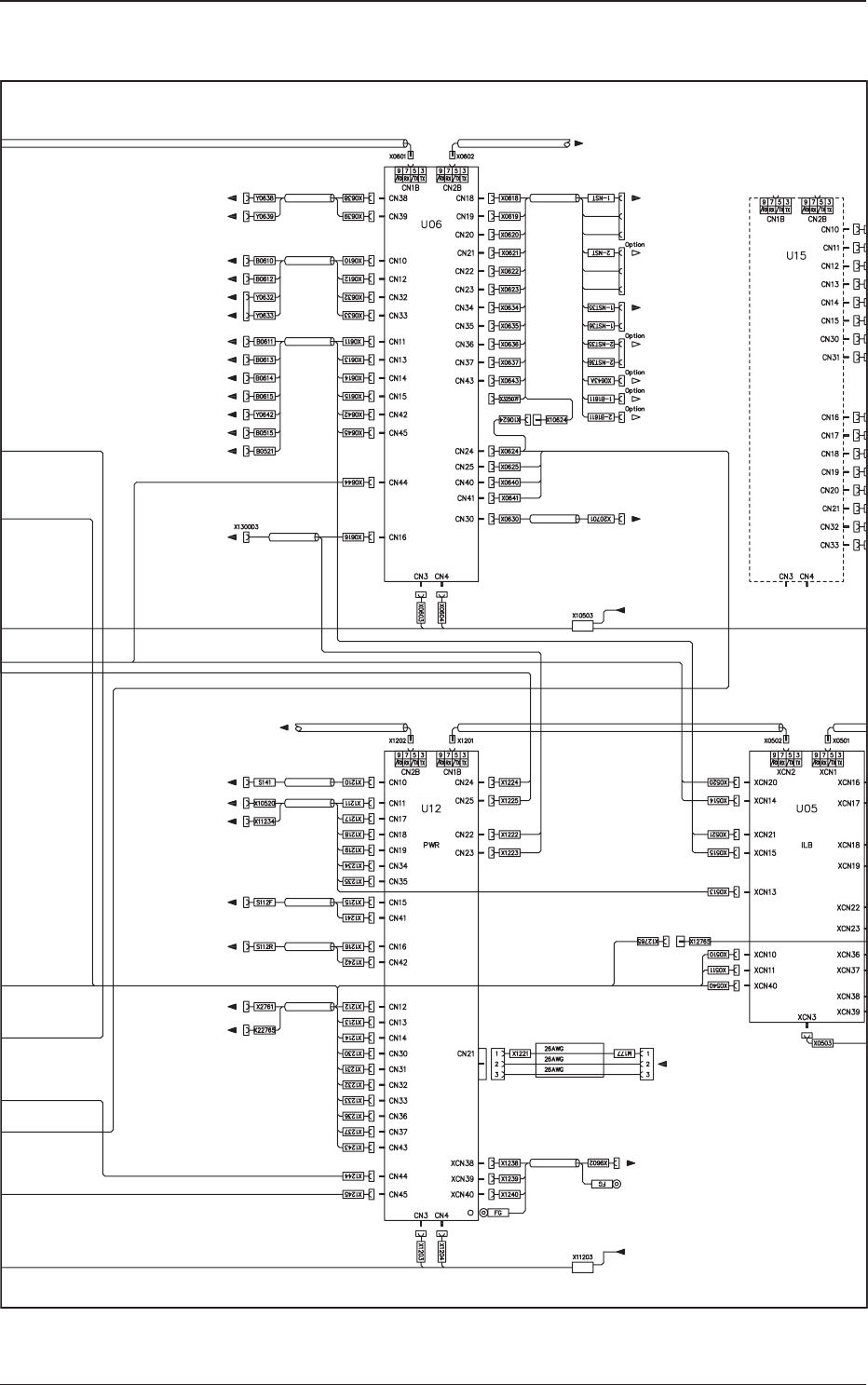
5OM-1603 5-13 1 102-004D(01300-11) I/O PCB Connection View 2 Air V acuum Switchover Y0638 Transfer (R) UB32 : X1401 TB:DC1(10B) U27:X2761 Transfer (L) UB32 : X0801 CPU BOX Cooling Fan: M177 TB:DC1(10B) K4-X1,A2 Lead Copl…

5OM-1603
5-121102-004J(01300-11)
I/O PCB Connection View 1
Air Vacuum Switchover Y0938
High Speed/Multi-Functional
Head Change Over Y0939
External Unit Bundled Connector (R)
CPU2:U85 CH2-CN3(X8503)
Feeder Ready (Rear): S111R
Light Tower / Material Indicator Relay Cable
Positioning
Check(R)
FB1 Y-Direction Positioning
Check 1 B0910
FB1 Y-Direction Positioning Check 2 B0911
FB1 Drop Detection Unit
Backward Limit B0912
FB1 Drop Detection Unit
Backward Limit B0913
FB1 Up Y0932
FB1 Down Y0933
Cylinder Upper Limit Detection B0914
Cylinder Lower Limit Detection B0915
Feeder Disengaged Latch
Detection(A) B0520
Pick-up Error Detection(A) B0514
Positioning Unit Drop
Prevention Stopper 1 Y0942
Rear Side: Operation Panel
Nozzle Stocker 1 Unit Lower Limit Detection 1 NST18
Nozzle Stocker 1 Shutter Closing Check 1 NST20
Nozzle Stocker 1 Clamping Check 1 NST22
Nozzle Stocker 1 Unit Lower Limit Detection 2 NST18
Nozzle Stocker 1 Shutter Closing Check 2 NST20
Nozzle Stocker 1 Clamping Check 2 NST22
Nozzle Stocker 1 Shutter Open / Close 1 NST35
Nozzle Stocker 1 Upper 1 NST36
Nozzle Stocker 1 Shutter Open / Close 2 NST35
Nozzle Stocker 1 Upper 2 NST36
Dust Air Blowing (B)
Nozzle Stocker Coplanarity Detection 1 B1611
Nozzle Stocker Coplanarity Detection 2 B1611
Front Side:
Operation Panel
Feeder Ready (Front): S111F
External Conveyor Relay Section L-Side
: X195
External Conveyor Relay
Section R-Side: X196

5OM-1603
5-131102-004D(01300-11)
I/O PCB Connection View 2
Air Vacuum Switchover Y0638
Transfer (R) UB32:X1401
TB:DC1(10B)
U27:X2761
Transfer (L) UB32:X0801
CPU BOX Cooling Fan: M177
TB:DC1(10B)
K4-X1,A2
Lead Coplanarity Detection OP
Positioning
Check(F)
Stocker Additional
Installation
OPTION
High Speed/Multi-Functional
Head Change Over Y0639
FB2 Y-Direction Positioning Check 1 B0610
FB2 Y-Direction Positioning Check 2 B0611
FB2 Drop Detection Unit Backward Limit B0612
FB2 Drop Detection Unit Backward Limit B0613
FB2 Up Y0632
FB2 Down Y0633
Cylinder Upper Limit Detection B0614
Cylinder Lower Limit Detection B0615
Feeder Disengaged Latch
Detection(B) B0521
Pick-up Error Detection(B) B0515
Positioning Unit Drop Prevention Stopper 2 Y0642
External Unit Bundled
Connector (F)
Nozzle Stocker 2 Unit Lower Limit Detection 1 NST18
Nozzle Stocker 2 Shutter Closing Check 1 NST20
Nozzle Stocker 2 Clamping Check 1 NST22
Nozzle Stocker 2 Unit Lower Limit Detection 2 NST18
Nozzle Stocker 2 Shutter Closing Check 2 NST20
Nozzle Stocker 2 Clamping Check 2 NST22
Nozzle Stocker 2 Shutter Open / Close 1 NST35
Nozzle Stocker 2 Upper 1 NST36
Nozzle Stocker 2 Shutter Open / Close 2 NST35
Nozzle Stocker 2 Upper 2 NST36
Dust Air Blowing (F)
Nozzle Stocker Coplanarity Detection 1 B1611
Nozzle Stocker Coplanarity Detection 2 B1611
Front and Rear I/F BOX: X20701
Blue
Blue
Black
Safety Door Lock Switch: S112F
Safety Door Lock Switch: S112R
Pressure Switch : S141
Side Panel :X10520
Side Panel :X11234

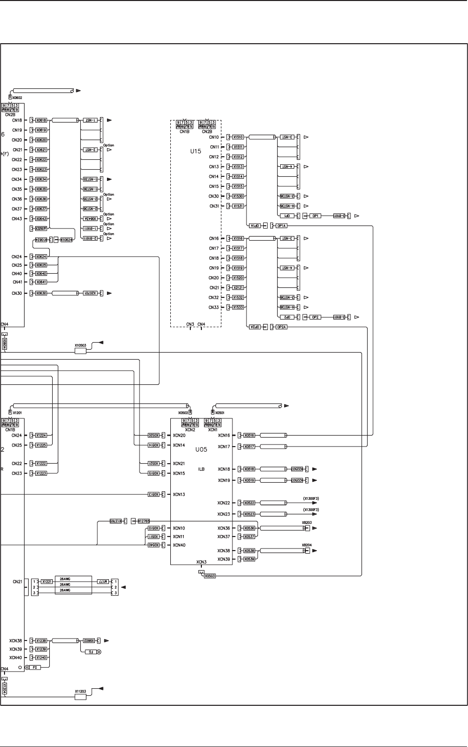
5OM-1603
5-141102-004J(01300-11)
I/O PCB Connection View 3
CPU2:U85 CH1-CN1(X8501)
Beam Relay Panel (R)
:X22507
Beam Relay Panel (F)
:X22507
External Unit Bundled
Connector (R)
External Unit Bundled
Connector (F)
CPU2 U82
CPU2 U82
Transfer (R) UB32:X1401
TB:DC1(10B)
TB:DC1(10B)
CPU BOX Cooling Fan: M177
Lead Coplanarity Detection OP
Stocker Additional
Installation
OPTION
Nozzle Stocker 2 Unit Lower Limit Detection 1 NST18
Nozzle Stocker 2 Shutter Closing Check 1 NST20
Nozzle Stocker 2 Clamping Check 1 NST22
Nozzle Stocker 2 Unit Lower Limit Detection 2 NST18
Nozzle Stocker 2 Shutter Closing Check 2 NST20
Nozzle Stocker 2 Clamping Check 2 NST22
Nozzle Stocker 2 Shutter Open / Close 1 NST35
Nozzle Stocker 2 Upper 1 NST36
Nozzle Stocker 2 Shutter Open / Close 2 NST35
Nozzle Stocker 2 Upper 2 NST36
Dust Air Blowing (F)
Nozzle Stocker Coplanarity Detection 1 B1611
Nozzle Stocker Coplanarity Detection 2 B1611
Front and Rear I/F BOX: X20701
Blue
Blue
Black