5OM-1625-003_w.pdf - 第199页
5OM-1603 5-18 Power Cable Wiring Diagram 1 102-004D(01700-3) 5J 10J 5J1 10J 10J 10J 10J 5J1 5VOP1 5J1 10J 5J1 5J1 10J 5J1 5VOP1 L120 L220 FG N L -V +V (5V) G8 F61 3.15A 2 1 2 1 FG N L -V +V -V +V -V +V -V +V (24V) CN2 CN…

5OM-1603
5-171102-004J(01300-13)
SSCNET, SERIAL Cable Connection Diagram 2
X8201
X8202
<RobotCable>
X8203
To U05,K4
1CH
2CH
1CH
X8204
To U05
<RobotCable>
-X1311B
U81
X8102
X8104
X8109
-X1300F2
-X1300F2
-X1311A
-X1311B
-X1311A
XG221
G22
+5V
SERIAL
COM1
COM2
+5V
D81 DOM
CPU2
BASE-T
10/100
SSC
NET3
2CH
I/O(DI)
U82
-X311A
-X311B
-A31(1)
DD
[3]
[4]
[2]
[1]
NS HL NL
CN1B
CN1A
-X311A
-X311B
-A31(2)
DD
[4]
[2]
[1]
NS NL
CN1B
CN1A
Beam X
A21F
[3]
CN1A
CN1B
-X221A
-X211B-X211A
[4]
Beam Y1
A22F
CN1A
CN1B
CN1A
CN1B
[5]
Beam Y2
A23F
[0]
Beam X
A21R
CN1A
CN1B
[1]
Beam Y1
A22R
CN1A
CN1B
CN1A CN1B
[2]
Beam Y2
A23R
-X231B
-X221B
-X231A
-X231B
-X211A
-X211B
-X221A
-X221B
-X231A
[3]
HL
HH-SRS(2)
HH-SRS(1)
t20;CPCI BUS
To External Unit Connecting Bundled Connector (2)
To External Unit Connecting Bundled Connector (1)
To U91:CPU1(LAN2)
MR-MC121-S12
(U82 16 Axis X2ch)
Nozzle
Selection
Head U/D
Nozzle U/D
Head
Rotation
Nozzle
Selection
Head U/D
Nozzle U/D
Head
Rotation

5OM-1603
5-18
Power Cable Wiring Diagram
1102-004D(01700-3)
5J
10J
5J1
10J
10J
10J
10J
5J1
5VOP1
5J1
10J
5J1
5J1
10J
5J1
5VOP1
L120
L220
FG
N
L
-V
+V
(5V)
G8
F61
3.15A
2
1
2
1
FGNL
-V
+V
-V
+V
-V
+V
-V
+V
(24V)
CN2
CN1
24F
10F
24C
10C
24B
10B
24A
10A
24A
10A
24A
10A
G01A
G01B
(24V)
L
N
FG
-V
+V
-V
+V
CB
VB
24G
10G
L220
L120
L120
L120
FG L3 L2 L1
CN01
CN02
+
-
48D
10D
(48V)
L
N
FG
-V
+V
-V
+V
CB
VB
(48V)
L220
L120
L220
L120
XG01
G07
X12702
1
2
3
4
5
6
X12702
G02,04
48H
10H
L140
L240
L340
G2
G7
G1
G4
H-SN-14
HWS-HA-02
A1
A2
A3
B1
B2
B3
1
2
A1
A2
A3
B1
B2
B3
A4
A5
A6
B4
B5
B6
10A
10A
10A
10C
10F
24A
24A
24A
24C
24F
10B
24B
1
2
A1
A2
A3
B1
B2
B3
10D
10D
10G
48D
48D
24G
10H
48H
L120
L220
L140
L240
L340
1
2
3
4
5
6
H-SN-17
H-SN-14
HWS-HA-02
X12702
1
2
3
4
5
6
7
8
9
赤
黒
10
1
2
3
1
2
3
4
5
6
7
8
9
10
11
12
HWS-HA-02
1
2
3
4
5
6
1
2
3
4
5
6
1
2
3
4
5
6
X12702
1
6
1
6
To G1:CN2
To G1:CN1
To G2:CN02
A
B
C
D
E
A
B
C
D
E
CN2
〈Connection Diagram〉
40
10H
48H
20.0
G07
XG01

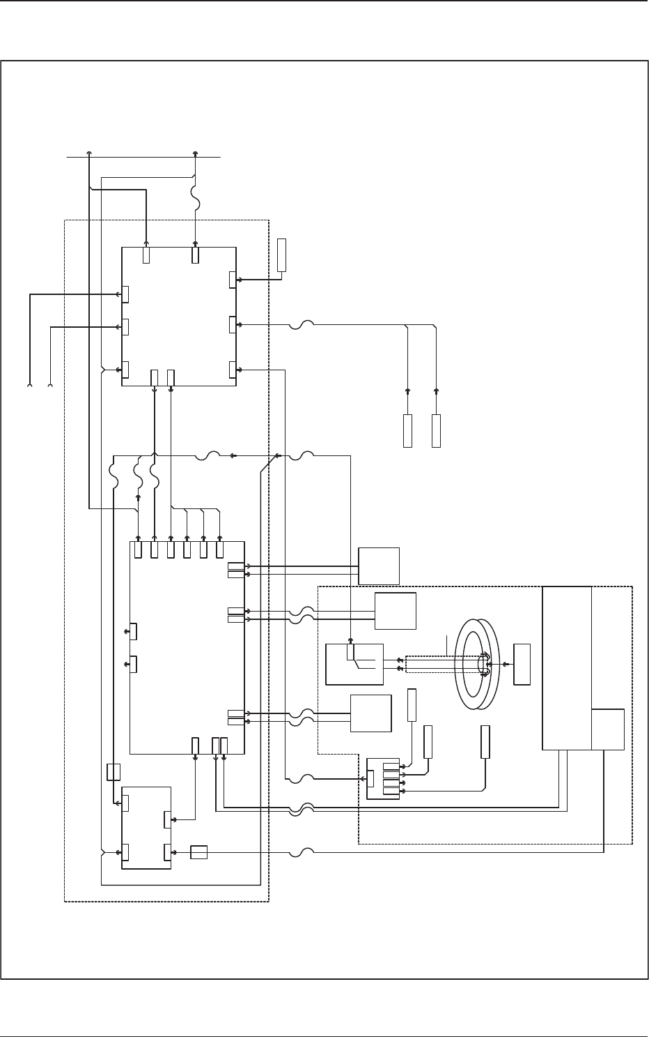
5OM-1603
5-191102-004-(03J0M)
High-Speed Head Wiring/Connection Diagram
-X31P1
CNP1POWER
-X331P1
X02
-X25X2
-X131P1
-X25X1
X01POWER
-X3103
CN3SEN PWR
CN5
POWER
-X0305
-X13701
-X3701
J1
CN6
HLS
-X0306
CN1
HLS
-X2501
-X23701
-X12501
B01
-X25B1
X1
-X14701
B04
B02
B05
B01
B02
-X25B2
-B3106
-B3103
-B3106
-B3103
CN4
-X2504
-X314B
CN4BSEN PWR
-X314C
CN4CSEN PWR
-X314D
CN4DSEN PWR
CN5
-X3105
CN7
-X0307
HLSDC24V
-B3101
-B3104
-B3105
M33
-X312D
CN2D
M32
M34
M31
-B0413R
-X31P2A
CNP2A
-X0304
CN4
CN5
-X2505
-B0308
POWER
-B0309
CN6
-X2506
CN3
-X2503
-Y0902
-X31P2D
CNP2D
-X312B
CN2B
-X31P2B
CNP2B
-X312C
CN2C
-X31P2C
CNP2C
CN2A
-X312A
CN1A
SSC-NET
CN1B
SSC-NET
-X2507
CN7
A31 U25
U03
U37
U147
-X31P3
CNP3BK
-B0413T
Ferrite Core
U04
-B0413T
-X10421 -X10422
Head Section Box Inside
Linear Measure Sensor
Linear Measure Sensor
Light Reception
Encoder
Linear Measure Sensor
Light Emission
DD-Axis Motor
NL-Axis U/D (+)
NL-Axis U/D (-)
NL-Axis Motor
Power
Supply
Encoder
Slip Ring
Multi-axis Amplifier
Inside of Center Shaft
NS-Axis Motor
Power
Supply
Encoder
HL-Axis Motor
Power
Supply
+Brake
Encoder
HL-Axis U/D (+)
HL-Axis U/D (-)
HLS PCB
Robot Cable Fixing Panel
Air Blow
Movable Section
Ferrite Core
POWER
NS-Axis Position Detection