5OM-1625-003_w.pdf - 第202页
5OM-1603 5-21 1 102-004B(02001) Single T ransfer Harness Connection Diagram 1091401300-08 1091401300-08 UB77:X2762 1091401300-09 CPU2(U85) X8511 1091401300-08 CPU2(U85) X8513 UB77:X2763 1091401300-09 X0804 X0803 10914013…

5OM-1603
5-201102-004A(03A00-5)
Multi Functions Head Block Diagram
X141P1
CN1BCN1A
SSC-NET
X1411B
-M141
3
M
-M142
3
M
X1412B
CN2B
X1412D
CN2D
X1412A
CN2A
X1412C
CN2C
-B01
-B04
-B02
-B05
-B07
B05
-Y1719
-Y1718
Y1718
-M141
3
M
3
M
-M142
-B01
-B04
-B02
-B05
-B07
B05
-Y1719
-Y1718
Y1718
-M141
3
M
3
M
X1452C
CN2C
X1452D
CN2D
-M142
-B01
-B04
-B02
-B05
-B07
B05
-Y1719
-Y1718
Y1718
CNP2C
CNP2D
X145P2C X145P2D
CNP2B
X141P2B
CNP2D
X141P2D
CNP2A
X141P2A
CNP2C
X141P2C
CN1B
X1451A
CN1A
SSC-NET
-X131P1
-X12501
CNP1
X145P1 -X28X1
X1
PWR
X2
-X28X2
CN3
X14503
CN3
X14103
CN7
X2807
CN6
X2806
CN5
X2805
CN4D
X1454D
CN4C
X1414C
CN4D
X1414D
B02C
B01C
B05C
B05B
B01B
B02B
B04B
B04C
X28B05A
X28B01A
X28B05B
X28B02A
X28B04A
X28B01B
X28B02B
X28B04B
B05A
B01A
B02A
B04A
X28B05C
X28B01C
X28B02C
X28B04C
B07C
X28B07C
B07B
X28B07B
B07A
X28B07A
CN21
CN22
CN20
CN19
CN18
CN23
X1718
X1719
X1720
X1721
X1722
X1723
CN8
X2808
-X2804
CN4
HLS
-X2803
CN3
IO
-X1701
CN1
HLS
CN2
HLS
A145 A141
-X1702
-X1703
CN3
PWR
CN4
PWR
-X1704
PWR
CN10
CN14
CN25
CNP1
PWR
X128X2
M141 M141M141
CNP3
X145P3
CNP3
X141P3
-X2802
CN2
IO
Servo Motor AMPServo Motor AMP
Already Assembled
U28
Already Assembled
U17
Robot Cable Fixing Panel
-X1710
-X1725
-X1714
-B308-B309
(UB80) (UB13)
X1411B
SSCNET(-X1311A)
SSCNET(-X1311B)
Main Body Side
Power Encoder
Supply
Power Encoder
Supply
Power Encoder
Supply
Nozzle 3 L-AxisNozzle 3 Z-AxisNozzle 2 Z-AxisNozzle 1 Z-Axis
L-Axis 3 Limit (−)
L-Axis 3 Pass Line
L-Axis 3 Limit (+)
Vacuum Sensor 3
Excessive Pushing
Detection 3
Vacuum Breaker 3
Vacuum Valve 3
L-Axis 2 Limit (−)
L-Axis 2 Pass Line
L-Axis 2 Limit (+)
Vacuum Sensor 2
Excessive Pushing
Detection 2
Vacuum Breaker 2
Vacuum Valve 2
L-Axis 1 Limit (−)
L-Axis 1 Pass Line
L-Axis 2 Limit (+)
Vacuum Sensor 1
Excessive Pushing
Detection 1
Vacuum Breaker 1
Vacuum Valve 1
Brake Power
Encoder Supply
Brake Power
Encoder Supply
Brake Power
Encoder Supply
(Upper)(Lower)
Nozzle 2 L-AxisNozzle 1 L-Axis

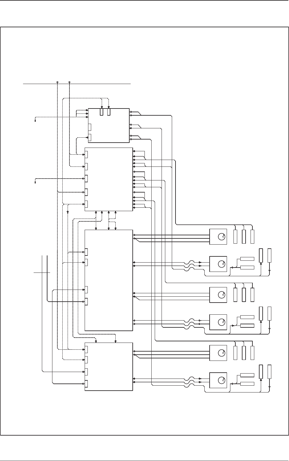
5OM-1603
5-211102-004B(02001)
Single Transfer Harness Connection Diagram
1091401300-08 1091401300-08
UB77:X2762
1091401300-09
CPU2(U85) X8511
1091401300-08
CPU2(U85) X8513
UB77:X2763
1091401300-09
X0804
X0803
1091401300-08
X0801
X1300F1
X0802
X1401
X1402
X1404
X1403
1091401300-08
X1300F1
1091401300-11
1091401300-11
2091401304-02
2091401304-02
2091401304-02
2091401304-02
2091401304-022091401304-02
A161A45 A47
X14106
X16104
CN4
B16101
B16101
M161
NA-W1
X4504
X4508
CN8
CN4
B4502
B4501
B4502
B4501
M45
NL-LB1
M46
NL-LB2
X4704
X4708
CN8
CN4
B4801
B4701
B4801
B4701
M47
NA-LB1
M48
NA-LB2
A53
B5301
X5304
CN4
B5401
X5308
CN8
M53
NA-BAL
M54
NA-BAR
CN1
X16101
CN1
X4501
CN5
X4505
CN1
X4701
CN5
X4705
CN1
X5301
CN5
X5305
X4510
CN10
X4710
CN10
X16110
CN10
X15306
X5310
CN10
N1 N2
N1 N2 N1 N2 N1 N2
X4509
CN9
CN9
X16109
CN9
X5309
CN9
X12762
X0840
X0841
A51
X5104
X5108
CN8
CN4
B5101
B5101
M51
CN1
X5101
NR-LB1
M52
CN5
X5105
NR-LB2
X14906
X5110
CN10
N2 N1
X5309
CN9
X12763
CN2A/2BCN1A/1B
/RX
RX
/TX
TX
9,10
7,8
5,6
3,4
/RX
RX
/TX
TX
9,10
7,8
5,6
3,4
U08
L
X0840
CN40
X0841
CN41
X0820
CN20
B0820
B0820
B0820T
X0833
CN33
X0837
X0836
CN36
CN37
X0839
CN39
Y0836
Y0837
Y0839
CN4
CN3
B4701
B4801
X0812
CN12
B0812,0813
X0813
CN13
Y0833
CN2A/2BCN1A/1B
/RX
RX
/TX
TX
9,10
7,8
5,6
3,4
/RX
RX
/TX
TX
9,10
7,8
5,6
3,4
X1414
CN14
B1414,1415
B1414
B1415
X1415
CN15
X1416
CN16
B1416,1417
B1416
B1417
X1417
CN17
X1437
X1436
CN36
CN37
X1439
CN39
Y1436
Y1437
Y1439
CN4
CN3
U14
R
CN3
X5303
CN7
X5307
AE-LINK Converter U181(R)
BA Side Panel
HLS Collective Section
PCB Stopper 6 (OP)
Movable Chute 3
PCB Support Pin Detection 3
BA Side Panel
Transfer L
Bank Feeder Change Cart
Connector Section (R)
Lane B Stop Sensor
Lane B Deceleration Sensor
Lane B Stop Sensor Mounting Section 1
Lane B Stop Sensor Mounting Section 2
BA Side Panel
Movable 3 Z Cylinder Down: L
Movable 3 Z Cylinder Up: L
PCB Stopper Lane B: L
PCB Stopper 6 (OP)
Movable Chute 3 Origin Sensor
Backup 1 Origin
Backup 2 Origin
Lane B Stop Sensor
HLS Collective Section
PCB Stopper Origin: BL
PCB Stopper Upper: BL
PCB Stopper Origin: BR
PCB Stopper Upper: BR
Transfer L
BA Side Panel
BA Side Panel
Bank Feeder Change Cart
Connector Section (F)
Movable 3 Z Cylinder
Down: R
Movable 3 Z Cylinder
Up: R
PCB Stopper Lane B: R
TB:DC1 TB:DC1
AE-LINK Converter U181(L)
TB:DC1
TB:DC1
(U12):X1202 (U06):X0602
TB:DC1
(UB32) (UB32)
Wiring for Optional Device
Wiring for Optional Device
Wiring for Optional Device

5OM-1603
5-221102-003
Bundled Connector Cable Connection Diagram (Main Body Side)
(Feeder Power Distribution)
(Feeder HLS)
SERIAL Communication
Safety Circuit: Emergency Stop
Safety Circuit: Interlock
(Through TB)
SV-NET Converter
CAN Communication+DC24V
L110, 210 and 310 Line TB
Electromagnetic Panel+TB
Relay PCB+TB
For SV-NET Converter
Mounting Panel with
Standard/
Special specifications
To ACV specially designed Ethernet Converter
Feeder Set Jig Connector
Connector for Single Tape Feeder
Feeder Connector Bracket
External Unit Bundled Connector Cable
(On the side of Main Machine)
Pneumatic Piping