5OM-1625-003_w.pdf - 第67页
5OM-1603 1-12 Pneumatic and Mounting Diagrams 1 102-004-(0800G) Nozzle Stocker (Pneumatic Diagram) 8 4 5 6 2 3 9 1 Stocker 1 U/D From Main Body Shutter 1 Open / Close No. Name Q’ty No. Name Q’ty No. Name Q’ty No. Name Q’…

5OM-1603
1-11
Pneumatic and Mounting Diagrams
1102-004A(04100)
Positioning Unit (Mounting Diagram)
10
8
9
9
10
7
No. Name Q’ty No. Name Q’ty No. Name Q’ty No. Name Q’ty
7 Solenoid Valve 1
8 Solenoid Valve 1
9 Cylinder 2
10 Cylinder 2

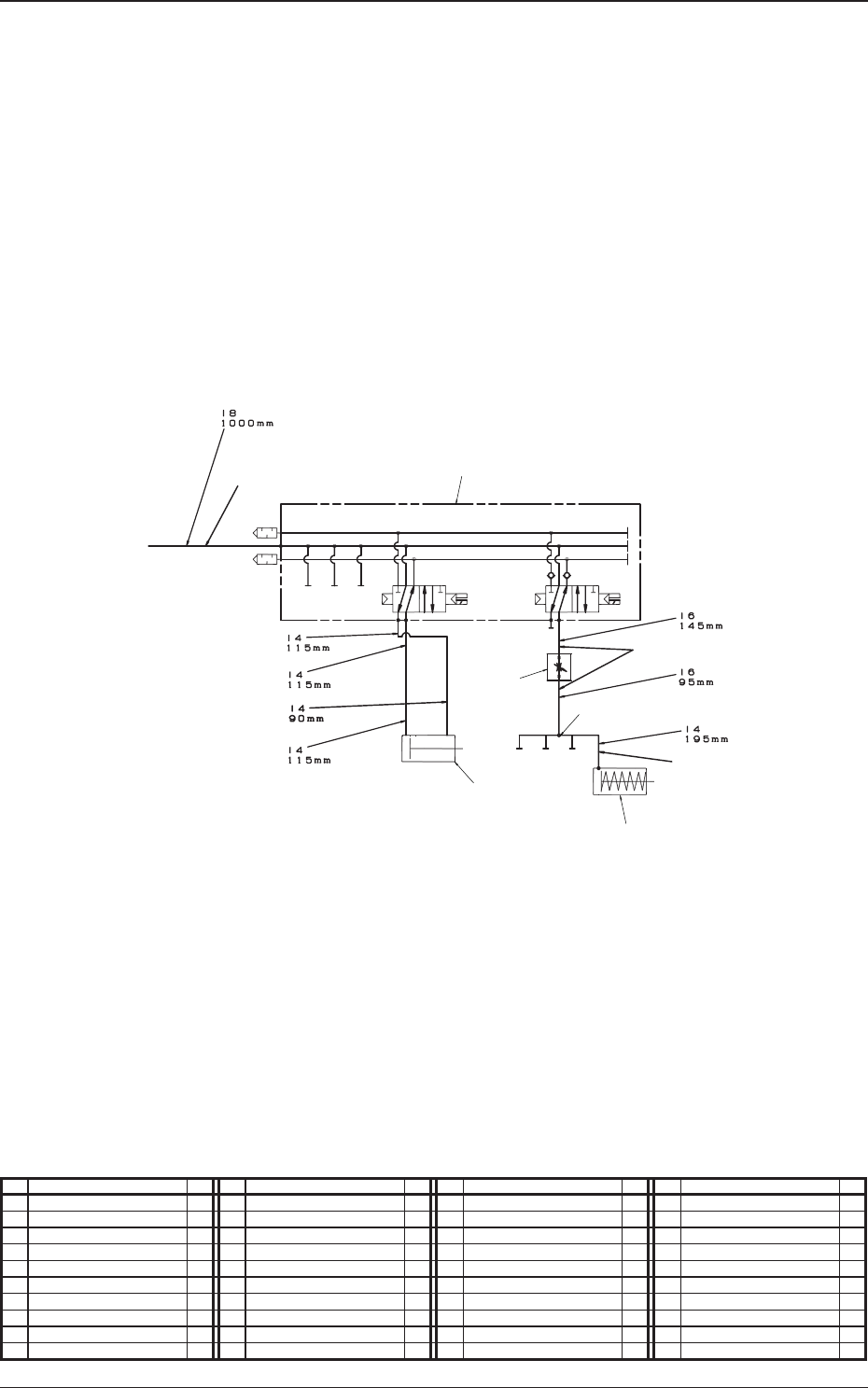
5OM-1603
1-12
Pneumatic and Mounting Diagrams
1102-004-(0800G)
Nozzle Stocker (Pneumatic Diagram)
8
4
5
6
2
3
9
1
Stocker 1 U/D
From Main Body
Shutter 1 Open / Close
No. Name Q’ty No. Name Q’ty No. Name Q’ty No. Name Q’ty
1 Tube
φ
8 1
2 Tube
φ
6 1
3 Tube
φ
4 1
4 Solenoid Valve 1
5 Cylinder 1
6 Cylinder 1
7 Speed Controller 2
8 Needle 1
9 Union Y 1

5OM-1603
1-13
Pneumatic and Mounting Diagrams
1102-003-(0800G)
Nozzle Stocker (Mounting Diagram)
9
4
5
6
No. Name Q’ty No. Name Q’ty No. Name Q’ty No. Name Q’ty
4 Solenoid Valve 1
5 Cylinder 1
6 Cylinder 1
9 Union Y