5OM-1625-003_w.pdf - 第72页

5OM-1603 1-17 Pneumatic and Mounting Diagrams 1003-003 Feeder Base (Mounting Diagram) 3 4 2 6 5 No. Name Q’ty No. Name Q’ty No. Name Q’ty No. Name Q’ty 2 Solenoid V alve 2 3 Speed Controller 4 4 Cylinder 2 5 Modular Unit…

100%1 / 207
5OM-1603
1-16
Pneumatic and Mounting Diagrams
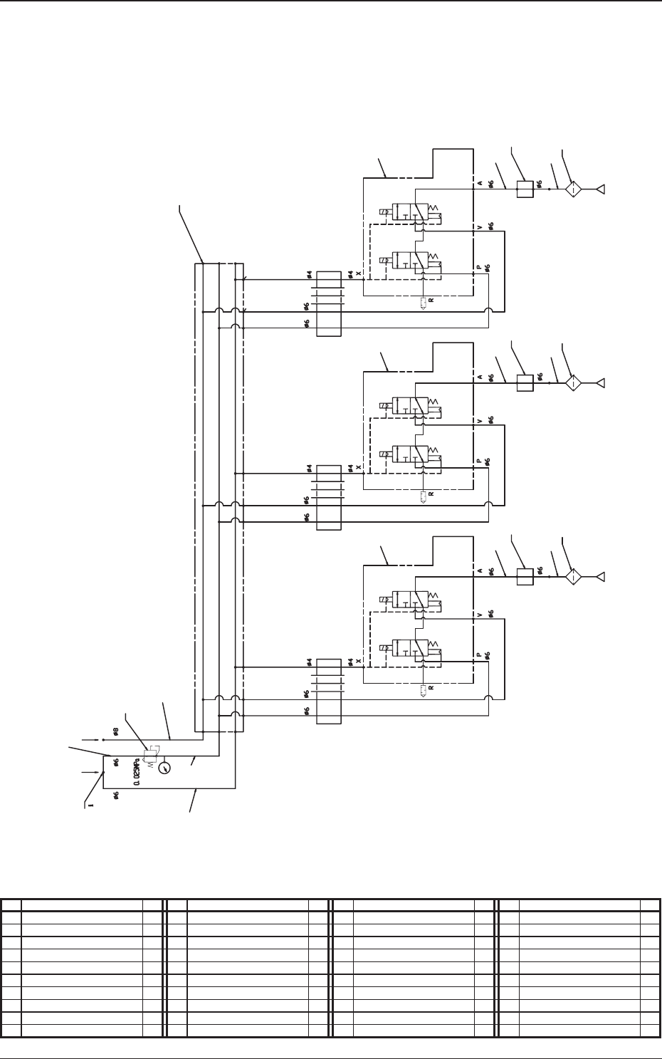
0908-002
Feeder Base (Pneumatic Diagram)
5
1
2
3
4
6
From Main Body
No. Name Q’ty No. Name Q’ty No. Name Q’ty No. Name Q’ty
1 Tube
φ
6 1
2 Solenoid Valve 2
3 Speed Controller 4
4 Cylinder 2
5 Modular Unit 2
6 Air Connector Pin 2
5OM-1603
1-17
Pneumatic and Mounting Diagrams
1003-003
Feeder Base (Mounting Diagram)
3
4
2
6
5
No. Name Q’ty No. Name Q’ty No. Name Q’ty No. Name Q’ty
2 Solenoid Valve 2
3 Speed Controller 4
4 Cylinder 2
5 Modular Unit 2
6 Air Connector Pin 2
5OM-1603
1-18
Pneumatic and Mounting Diagrams
5
5
6
9
2
11
10
10
10
1
2
11
12
12
1
2
11
12
1
7
8
3
Nozzle 3Nozzle 2Nozzle 1
Air IN
Vacuum
Set up
Multi-Functional Head Unit (Pneumatic Diagram)
No. Name Q’ty No. Name Q’ty No. Name Q’ty No. Name Q’ty
1 Tube
f
6 1 11 Vacuum Sensor 3
2 Tube
f
6 1 12 Vacuum Filter 3
3 Tube
f
6 1
4 Tube
f
6 1
5 Tube
f
6 1
6 Tube
f
8 1
7 Regulater 1
8 Union Y 1
9 Manifold Unit 1
10 Solenoid Valve Unit 3
1102-001-(03G00)