8800401-3F_VT-S730_MaintenanceManual(C)PDFA - 第40页
2 . 装置规格 2- 16 外部联锁连接器规格 IN 侧(上 / 下游共通) OUT 侧(上 / 下游共通) 设置 4 个上述 引脚 配置的 连接器,分别 将其作为上游 和下游的输入 / 输出。 Pin No. 信号名 备注 1 INTLOCK 2 IN_COM Pin No. 信号名 备注 1 INTLOCK 2 - 3 OUT_COM 检查装置侧的连接器 (S730) 连接器 1-179553- 2 ( AMP ) 连接器…

2.装置规格
2-15
2.5 外部连锁装置 I/F
运行环境
本装置的正上方门一旦打开,即会向上游装置及下游装置(闸门开启侧、均开启时为两侧)
输出外部连锁装置信号。此外,外部连锁装置信号通过上游及下游装置输入本装置后,若
本装置的闸门为开启状态,则会立即暂停本装置的运转。
・ 输出
本装置在启动中、正常运行时均会进入High(OFF)状态,检测到门开启时,即会进入Low(ON)
状态。输出时会向闸门开启侧(均开启时为两侧)进行输出。门一旦关闭,又会恢复High(OFF)
状态。
・ 输入
外部连锁装置信号通过上游及下游装置输入本装置后,即会执行以下操作。
本装置的运行状态
闸门开启时
闸门关闭时
闸门执行开启→关
闭动作时
闸门执行关闭→开
启动作时
外部连锁装置
输入状态
High
(OFF)
继续正常运行。
Low
(ON)
运行停止
继续正常运行。
运行停止。
运行停止时,将会显示以下信息。
将外部连锁装置信号关闭后,请按【复位】键。
门感应器
门开启
开
关
门关闭
外部连锁装置输出

2.装置规格
2-16
外部联锁连接器规格
IN 侧(上/下游共通)
OUT 侧(上/下游共通)
设置4个上述引脚配置的连接器,分别将其作为上游和下游的输入/输出。
Pin No.
信号名
备注
1
INTLOCK
2
IN_COM
Pin No.
信号名
备注
1
INTLOCK
2
-
3
OUT_COM
检查装置侧的连接器(S730)
连接器 1-179553-2 (AMP)
连接器 175288-2 (AMP)
外接设备指定连接器
连接器 1-178128-2 (AMP)
连接器 175217-2 (AMP)
2 1
检查装置侧的连接器(S730)
连接器 1-179553-3 (AMP)
连接器 175288-2 (AMP)
外接设备指定连接器
连接器 1-178128-3 (AMP)
连接器 175217-2 (AMP)
3 2 1

2.装置规格
2-17
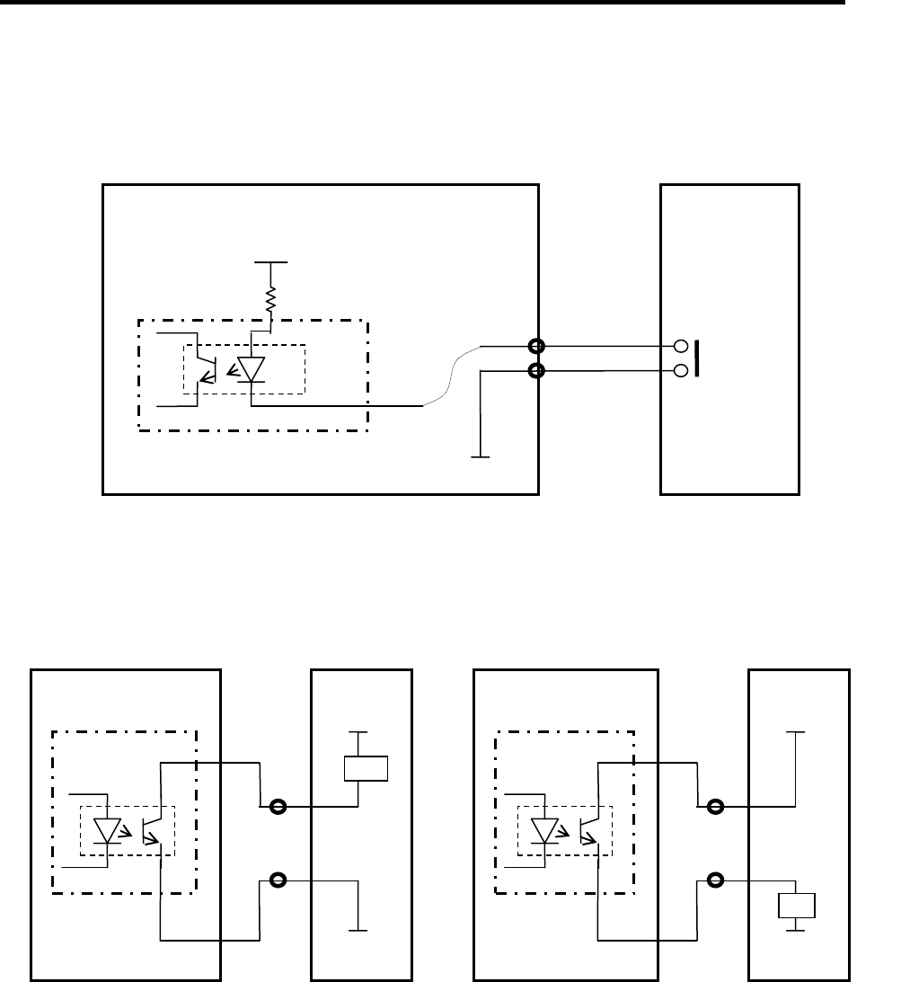
输入/输出内部链接
(1)输入规格
注:IN-COM是上、下游所有输入的公用端口
(2)输出规格
注:OUT-COM 是各输出的单独接地点
请将流经上下游装置内部的电流上限值设定为 500mA 以下。
Vcc(连接器)侧及 GND(发射极)侧均可连接负载。
本装置内的无触点继电器流经电流上限值为 10mA。
本装置
上下游装置
输入部分
IN
IN_COM
GND
24V
上下游装置
输出部分
OUT
OUT
_COM
VCC
负载
上下游装置
输出部分
OUT
OUT
_COM
VCC
负载
连接器负载
发射极负载