Q170226E01 中文版 - 第118页
rh5 服务手册 5.4 − 1 da3s ec − 83 − 8lo − a0 5.4 装载机/卸载 皮带更换 和调整 =备忘录=

rh5
服务手册
da3sec−83−8lo−a0
5.4
−
2
5.4
装载机/卸载皮带更换和调整
5.4
装载机/卸载皮带更换和调整
判决编号。
da3sec−83−8lo−a0
拆除皮带
1.
拆下弹簧,提高张力杆。 然后用手拆下
皮带。
什么时候表演
•
当皮带弹出或切断时
•
当皮带因磨损而打滑时
张力辊
带了条新皮带
1.
在钢轨上设置一个新的皮带,并将其钩到张
力辊上,观察到接缝。
=检查=
•
确保皮带接缝朝左如图所示。
•
当一个或多个皮带因磨损而需要更换
时,一次更换所有四个皮带。
旋转方向
带缝
腰
带
春天
张力杠杆

rh5
服务手册
5.4
−
1
da3sec−83−8lo−a0
5.4
装载机/卸载皮带更换和调整
=备忘录=

rh5
服务手册
5.5插入头指南平行检查和调整
5.5
−
1
1
da3sec−83−8m0−a0
5.5
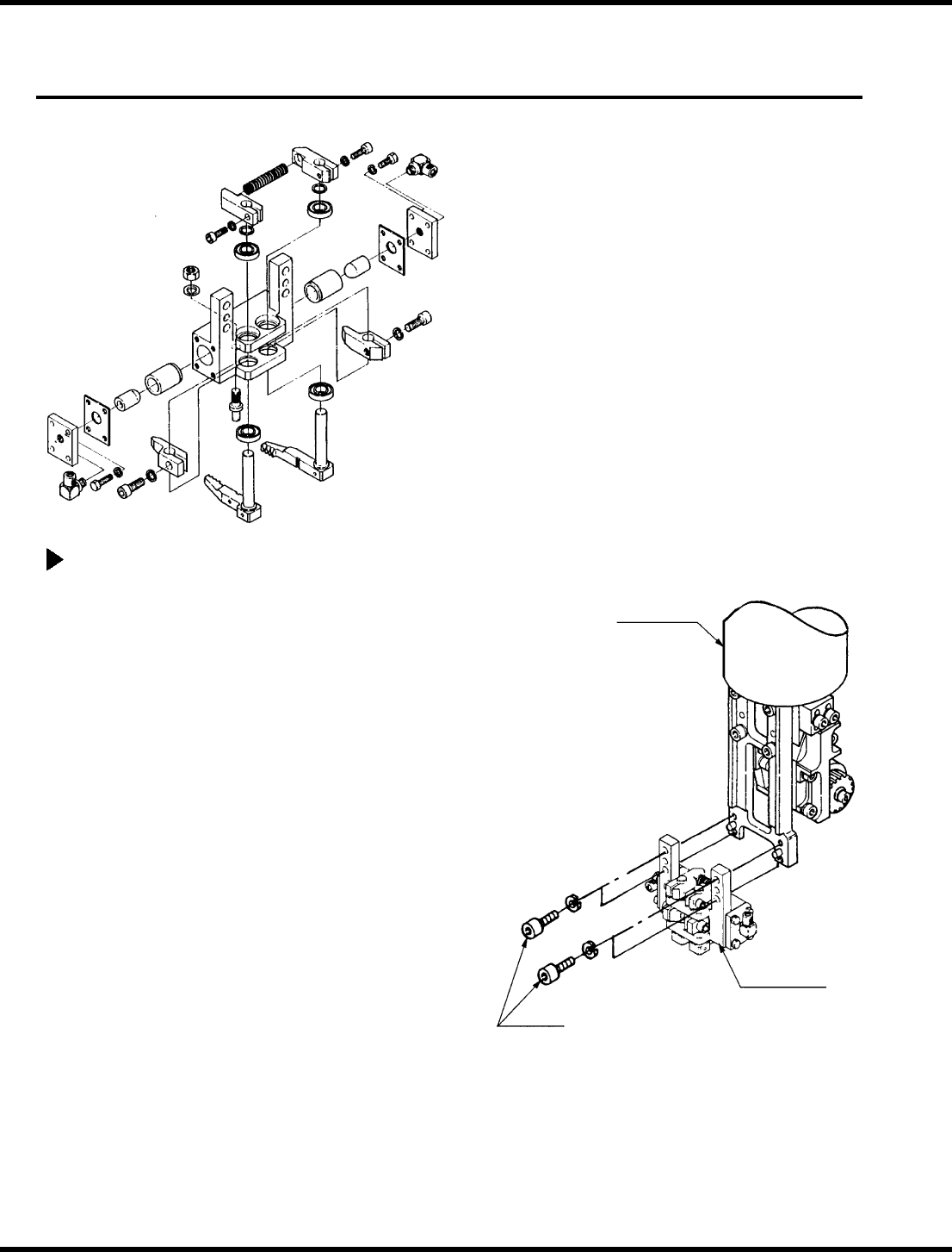
插入头导轨平行检查和调整
判决编号。
da3sec−83−8m0−a0
引导卡盘移除
1.
关闭机器电源,松开螺栓A(X4)并拆下导向
卡盘。
2.
打开电源并接合
手动模式。 然后,激活头部
旋转锁。
3.
转动手轮,直到凸轮轴约在数字顺序计时
器上的100°位置。
什么时候表演
•
当导向销不容易滑入导向卡盘内部时。
•
当插入错误频繁发生时。
所需工具
•
艾伦扳手
•
箱子扳手
•
杠杆−操作刻度盘规
插入头
向导恰克
Bolt
A