Q170226E01 中文版 - 第147页
rh5 服务手册 5.15引线 切割器和胶带 切割器更换和 调整 5.15 − 1 1 da3s ec − 83 − 8xo − a0 5.15 引线切 割器 和胶 带切 割器的 更换 和调 整 判决编号。 da3sec − 83 − 8 xo − a0 引线切割 机和胶带 切割机拆 除 1. 拆卸螺栓A1 和B1(各2 个)固定铅 割刀(A)和 (B)。 2. 拆卸螺栓A1 和B1(各2 个)固定铅 割刀(A)和 (B)。 什么时候 …

rh5
服务手册
5.14
−
1
da3sec−83−8wo−a0
5.14
插入头插入卡爪/橡胶更换/调整
恰克橡胶替代品
1.
从卡盘爪上拆下橡胶。
=参考=
橡胶很容易弹出。
2.
附加一个新橡胶。
恰克橡胶
恰克爪(C)
恰克爪(D)
恰克橡胶

rh5
服务手册
5.15引线切割器和胶带切割器更换和调整
5.15
−
1
1
da3sec−83−8xo−a0
5.15
引线切割器和胶带切割器的更换和调整
判决编号。
da3sec−83−8xo−a0
引线切割机和胶带切割机拆除
1.
拆卸螺栓A1和B1(各2个)固定铅割刀(A)和
(B)。
2.
拆卸螺栓A1和B1(各2个)固定铅割刀(A)和
(B)。
什么时候表演
•
当切割误差经常发生时,由于磨损
或损坏的刀具刀片。
•
当插入错误频繁发生时。
所需工具
•
艾伦扳手
•
间隙测量仪
筹备工作
•
将零件给料机移动到一个更容易从机器后部
拆下刀具刀片的位置。
•
拆卸零件检测支架。
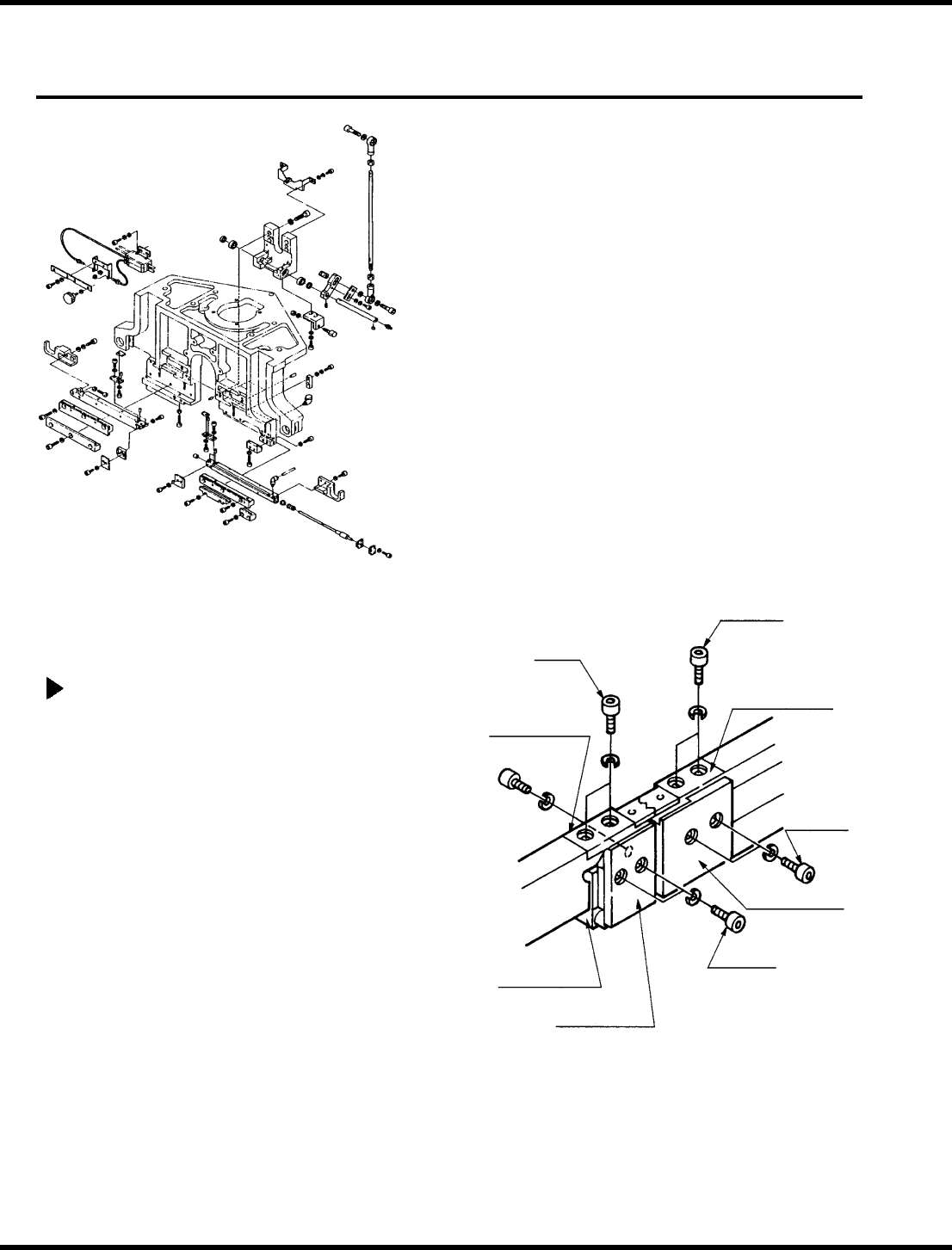
螺栓B1
螺栓A1
导刀(B)
切铅刀(A)
螺栓B2
胶带切割机B2
螺栓A2
切块的身体
卷尺(A)

rh5
服务手册
5.15引线切割器和胶带切割器更换和调整
da3sec−83−8xo−a0
5.15
−
2
2
临时切断胶带切割机和引线切割机
1.
清洗铅刀安装表面
(B)和卷尺(B)。
2.
按下引线切割机(B),使其与定位销的安装表面
平齐。
3.
检查无大于的间隙规
定位之间可以看到0.01mm
销和引线切割机(B)。 然后,暂时
用螺栓B1(X2)固定它的表面)
4.
将胶带切割机(B)压在刀体(B)和末端的接触
面上
完全提高,以确保螺栓B2(X2)暂时安全。
5.
至于引线切割机(A),请遵循与引线切割机(B)
相同的程序,并将其暂时锁定到位,并检查是
否有间隙
量规。
6.
以同样的方式暂时固定胶带切割机(A。
=检查=
•
注意引线切割器配件螺栓的长度。 (M3x6)
(使用较长的螺栓会引起对切割废料推杆的干
扰。 )
=检查=
当引线切割机和胶带切割机在
安装后,一定要先连接引线切割机。
螺栓B1
螺栓A1
导刀(B)
刀体(B)
定位销
安装表面
螺栓B2
卷尺(B)
切铅刀(A)
定位销
安装表面
切块的身体
卷尺(A)
刀体(A)
螺栓A2