DECAN_F2_TRM(Ver6.5_CS18.02) - 第174页
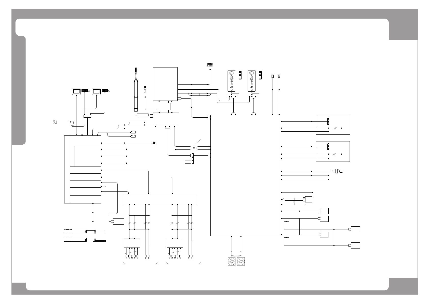
Page +$1:+$ 170 DECAN F2 Harness Wiring Diagram (1/9) TOWER LAMP FL Y CAMERA1~5 AM03-005553A G LOCK R S T M E E CHANGE F/FEEDER RESET 0N STOP START READY E O P C N Y RESET F/FEEDER CHANGE STOP START READY P O T S Y N C E…

Page
+$1:+$
169
DECAN
F2

Page
+$1:+$
170
DECAN
F2
Harness Wiring Diagram (1/9)
TOWER LAMP
FLY CAMERA1~5
AM03-005553A
G
LOCK
R
S
T
M
E
E
CHANGE
F/FEEDER
RESET
0N
STOP
START
READY
E
O
P
C
N
Y
RESET
F/FEEDER
CHANGE
STOP
START
READY
P
O
T
S
Y
N
C
E
E
E
M
R
G
<FRONT-OP> <REAR-OP>
LOCK
0N
CPCI 6U RACK
COM1/2USBVGA1 COM3/4
PC-232 SERIAL
SBC
<FRONT>
<REAR>
PCIE ADAPTER
PCIE X1 2MR
PCIE X1 3MR
PCIE X1 3MR
AXIO B/D #1-CN1
AXIO B/D #2-CN1
AXIO B/D #3-CN1
AM03-010874A
USB HUB
AM03-010911A
AM03-011257A
NT-A8 #1
NT-A8 #2
PC POWER SUPPLY
AM03-010909A
AM03-010873A
SAFETY CONTROL B/D
CN30
CN3
F-OP
CN31
CN3
R-OP
[SC]
CN34
T-BOX
FRONT
CN36
T-BOX
REAR
AM03-010838B
P1 P2
COM1
COM2
COM3
COM4
COM5
CN4 CN9
PWR(12V)
AXIO#1-CN2
AXIO #2 B/D-CN2
AM03-010975B
SM400 VISION IF B/D
CN1
CN1
FIDUCIAL CAMERA
SM400 CAMERA IO B/D#1
[FID1]
CN1CN3
AM03-010966A
CN6CN8
AM03-010968B
AM03-010970A
AM03-010971B
CN5
AM03-010973A
CN10
AM03-010974B
SM511_FD001-18
SM511_FL002-16.17
SM511_FL001-16.17
AM03-005551A
IT MASTER
CN1(12V)
AM03-010965B
AM03-010976B
AM03-005543B
AM03-005548A
FLY CAMERA1~5
FIDUCIAL CAMERA
HEAD1 HEAD2
CN11
CN1
입력
CN10
CN11
CN21
CN27
CN28
CN25
CN26
CN2 CN7
HD1-CN1
HD2-CN1
CONV I/F B/D
[CV]
AM03-010857B
[SUB]
CONV.SUB I/F B/D
CN32
CN28
AM03-010836B
CN6
CN1
CN18
CN3
AM03-010850A
CN17
CN2
START,FFD,RFD
CN7
AM03-010938A
CN4
CN2
AM03-010906B
START,STOP,RESET,FFD
CN5
AM03-010907B
START,STOP,RESET,FFD
CN2
AM03-010078A
AM03-010078A
CN7
CN13
AM03-010842B
CN8
AM03-010854B
SM511_CV126-1
M
1
2
OUT
AIR SENSOR
CN29
CN3
CN1
CN4
CN1
CN6
CN13
EM,READY,DOOR,FSO
[VIS]
CN24
FL1-15
FL1-15
SM511_FD002-18
121234 5
CN18
MC1
21
22
+A1
-A2
CN19
AM03-010090A
AM03-010967A
AM03-005544B
AM03-010969B
J4R-3
J4R-4
J9L-3
J9L-4
AM03-010843B
J6R-2
SM48_CV026-1
J11L-2
AM03-010837B
J6R-3
J6R-4
J11L-3
J11L-4
AM03-010908B
AM03-010905B
AM03-010905B
AM03-010910B
T6L(9.10)
T6L(7.8)
TB1-3C
AM03-005519A
TB1-8C
220V PWR
AM03-010952B
AM03-010953B
AM03-005528A
AXIO#3-CN2
REAR R DRIVER-PW
FRONT R DRIVER-PW
21/22
JUMPER
AM03-005553A
P1 P2
COM1
COM2
COM3
COM4
COM5
SM400 CAMERA IO B/D#2
[FID2]
AM03-005551A
AM03-005543B
AM03-005548A
1212345
AM03-005544B
AM03-010986B AM03-010987A
REAR PANEL LAN PORT
AM03-011275A
FFD-CN4
AM03-010872A
PWR
AM03-010871A
CAN
J1R
CN26 CN27
J1R-3
J1R-4
AM03-010867A
AM03-010947B
AM03-010948B
AM03-010959A
AM03-010960B
AM03-010949A
AM03-010950A
AM03-010957A
AM03-010958B
CN33
CN35
CN20
CN22
RFD-CN4
SC-J1R
CN4
AM03-010961A
F/R T-BOX HOST
AM03-010839A
AM03-010840A
AM03-010841B
F.R-DRV-PW
AM03-010954A
HD1-PW
PWR(24V)
PWR(24V)
PWR(24V)
FFD-PWR
AM03-010866B
PWR(24V)
PWR(24V)
PWR(24V)
HD2-PW
R.R-DRV-PW
VGA
VGA
AM03-010795A
TW-LP
TW-BZ
J9LJ4R
PC-232-EXT
LAN-EXT
R-PW-PANEL
DOOR.FFD.READY.START
DSTOP.RESET SW
J6R
AM03-010859A
J11L
AIRSEN
AM03-010859A
(DC BRK)
FLY1-PWFLY-PW
FLY-CAM FLY1-CAM
FID1-CAM1
FID1-CAM2
F.Y-BRK
F.HD-BRK R.HD-BRK
R.Y-BRK
FID-CAM1
FID-CAM2
FLY2-PWFLY-PW
FLY-CAM FLY2-CAM
FID2-CAM1
FID2-CAM2
FID-CAM1
FID-CAM2
PWR(24V)
PWR(24V)
PWR(24V)
F.XY MODULE
R.XY MODULE
13
14
(24G)
(+24V)
CN23
SAFEGUARD OVERRIDE KEY
AX-CN1
AM03-010951A
AM03-011671A
CN5
CN-FSO
J90831059C
PS1+24V
PS1-24G
PS2+24V
PS2-24G
T6L
PS1
PS2
PS2+24V
PS2-24G
PS2
REAR FEEDER BASE RIGHT B/D
JK1 JK2 JK3 JK4 JK5 JK6
JK7 JK8 JK9 JK10 JK11 JK12
JJ1 JJ2 JJ3 JJ4 JJ5 JJ6
JJ7 JJ8 JJ9 JJ10 JJ11 JJ12
AM03-000697A
AM03-000698A
CAN
PWR
CAN
PWR
REAR FEEDER BASE LEFT B/D
CAN_CH1_L
CAN_CH2_R
CAN_CH3_L
CAN_CH4_R
CAN
SC-EN1
VGA2
CN6
AM03-010919B
LEFT-FAN
CN7
AM03-010920B
RIGHT-FAN
RIGHT LEFT
SM471_PW022
SUB-CN6/7
15S
15S
15S
15S
15S
15S
15S
15S
15P
9P
15P
9P
15P
9P
15P
9P
JST 20P
AM03-010954A
J1R-1
J1R-2
PWR(24V)
Molex 2p
Molex 2p
(HEAD AMP)
F ERROR LAMP
EP02-001746A
F-OW-LAMP
PWR
PWR
AM03-011245A
CV-RFD-PWR
5557-10R/5559-10P
X
X
⓸䇭⽀⢰䁇 㻈ᴴ
MULTIPORT
LAN1
F BARCODR
SM511_IT001
R BARCODR
AM03-011246A
SCAN
L/R-CN1
ADAPTOR
RELAY-BK2
AM03-011274B
RY11
RELAY-BK1-5
AM03-011272A
6
4
(+24V)
(+24V)
RY1
AM03-011273B
AM03-010945A
CN2
입력
SC-EN2
RELAY-BK1-4
AM03-011270A
6
4
(+24V)
(+24V)
RY2
AM03-011274B
AM03-010945A
AM03-010938A
JST 20P
SM511_FD001-18
SM511_FL002-16.17
SM511_FL001-16.17
SM511_FD002-18
㩅䑄
HD1
HD2
CN3
CN2
CN1
FAN
RACK FAN
RACK-FAN-EXT
CV-CN16
AM03-012401A
AM03-010848C
SM511_KV003-3
SM511-PC005
SM511-PC006
SM511_KV003-2
SM471_PW067
SM511_PC003 SM511_PC003-1
SM511_IT003
OPTION
SM511_CV104
SM511_CV104-1
SM511_CA202
AM03-010868A
SM511_VM111 SM511_VM111-1
SM511_IT004
SM511_IT005
SM511_VIS000
SM511_VIS012
SM511_VIS012-1
SM511_CV109-3
SM511_CV109-1
SM_FD025
SM_FD024
SM511_VIS001-1
SM511_VIS003-1
SM511_VIS005
SM511_VIS007
SM511_VIS008
SM511_VIS010
SM511_VIS001-2
SM511_VIS003-2
SM471_VIS009
SM471_VIS002-1
SM471_VIS006
SM471_VIS002-2
SM471_VIS009
SM471_VIS002-1
SM471_VIS006
SM471_VIS002-2
SM471_VIS011 SM471_VIS011
SM511_CV003
SM511_CV113
SM511_OP103
SM511_OP104
SM511_CV126
AM03-007638A
SM511_SC105
SM511_CV202
SM511_CV202
AM03-010855B
SM511_SC105-1
SM511_CV023-5
SM33_OP005
SM33_OP005
SM511_CV023-4
SM511_OP001
SM511_OP001
SM511-SC001
SM511-SC002
SM511_CV034
SM511_CV035
SM511_OP104-1
SM511_SC122
SM511_SC123
SM511_SC007-2
SM511-SC007-3
SM511_SC120
SM511_SC121
SM511_SC111-2
SM511_SC111-2
SM511_FD101-1
SM511_FD101
SM511-SC009
SM511_AX001
SM33_SC008
SM41_SC006
SM471_SC007-1
SM511_PW149-1 SM511_PW149
SM511-PW033
SM511_PW148
SM511_PW127
SM511_PW202
SM511-PW032
SM511_PW149
SM511_PW202
SM511_PW127
SM511_PW020
SM511_PW021
SM511_CV132
SM511_SC204
SM511_CV101 SM51-1_CV101-1
V1+_BASE_343

Page
+$1:+$
171
DECAN
F2
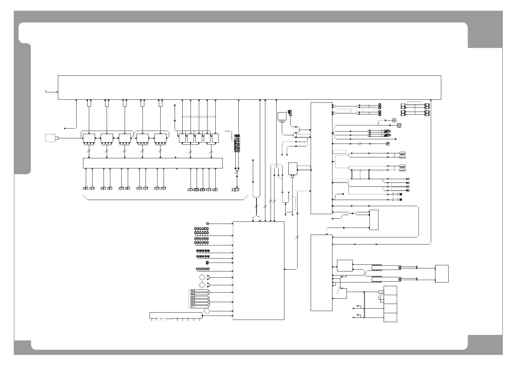
Harness Wiring Diagram (2/9)
F-FEEDER I/F
BOARD
CONVEYOR I/F
BOARD
SM411P HEAD IF B/D
CN5
CN6
CAN
CN4
CN2
J90800839D
J90800838D
AM03-000697A
AM03-010866B
J90800842C
J90800841
FEEDER INPUT
CN3
CN2
EXT.BOARD
CN11
CN21
Z12 AMP
Front R DRIVER
Z1 Z2 Z3 Z4
CN11
(50W)
F.SW
Panasonic AC servo
SET
MODE
AP5 AXIS IO BOARD #2
[AXIO#2]
CN12
AM03-005564A
CN5
CN6
CN3 CN1
CN10
CN4 CN2
CN13 CN14
CN5
CN6
CN3 CN1 CN4 CN2
Z5 Z6
CN15 CN16
CN5
CN6
CN3 CN1 CN4 CN2
Z7 Z8
CN17 CN18
CN5
CN6
CN3 CN1 CN4 CN2
Z9 Z10
CN19 CN20
CN5
CN6
CN3
CN1 CN4 CN2
CN1
CN22 CN23 CN26
CN5
CN2
PWR
SACO-CN28
CN3
CAN
AM03-010982A
[FFD]
AM03-005565A
CN10
AM03-011248A
CN10
AM03-011249A
CN10
AM03-011250A
CN10
AM03-010924A
AM03-010924A
AM03-010924A
[HD1]
CN1
[CV]
[FD_EXT]
CN13
AM03-011273B
AM03-000697A
AM03-000698A
CAN
PWR
CAN
PWR
AM03-010791B
F-HD-CAN
AM03-010788B
CN9
CN20
AM03-010844B
INLINE BEFORE(F)
CN16
RANC-EXT
R-ANC
CN19
AM03-010856B
CRASH-SEN
CRASH SENSOR
CN1
SM411P FRONT MOTOR IF B/D
[FMOT]
CN11
Z34 AMP Z56 AMP Z78 AMP Z910 AMP
CN12 CN13 CN14 CN15 CN23 CN21
CN24 CN25
CN1 CN1 CN1 CN1
CN22
R1 R2 R3 R4
R5
CN19 CN20CN18CN17CN16
CN7 CN9
CN1
CN6 CN2 CN7 CN3 CN8 CN4 CN9 CN5 CN10 CN24
AM03-010892A
AM03-010893A
AM03-010894A
AM03-010895A
AM03-010896A
AM03-010897A
AM03-010898A
AM03-010899A
AM03-010900A
AM03-010901A
AM03-005618A
AM03-005619A
AM03-005620A
AM03-005621A
AM03-005622A
FSW-EN
FSW-PWR
AM03-005611A
SM511_FL001-6.7
SM471_PW016
FRONT
CAN
CN2
CAN
CN7
JK1 JK2 JK3 JK4 JK5 JK6
JK7 JK8 JK9 JK10 JK11 JK12
JJ1 JJ2 JJ3 JJ4 JJ5 JJ6
JJ7 JJ8 JJ9 JJ10 JJ11 JJ12
FRONT FEEDER BASE LEFT B/D
FRONT FEEDER BASE RIGHT B/D
FD-CN7
FD-CN7
F.FD-CN13-EX
EP02-000588A
PCIE X1
CN4CN19CN18
Z1~Z8 HOME
Z9~Z10, R1~R5, SW HOME
CN1
PWR
SM33_CV010
F-ANC
CN21
AM03-010851B
FAREA-E
FAREA-R
SM33_CV016
FRONT AREA SENSOR
J6R-1
J90831141A
REAR AREA SENSOR
AM03-003542A
J90831151C
CAN
CN3
PCIE ADAPTER #2
AM03-010871A
CAN
PWR
CAN
PWR
SM511_FL002-4
Z1~Z8 HOME
Z9~Z10, R1~R5, SW HOME
CN12
CN15
MC2
TH-N12
AM03-010789B
AM03-010795A
AM03-010848B
AM03-010847A
AM03-010849A
J5R-2
AM03-010852B
J10L-2
AM03-010853B
J11L-1
AM03-010859A
8
7
PC RACK
PWR
AM03-010935A
SM471_VI006
SACO-CN25
AM03-010812B
AM03-010942B
AM03-010867A
AM03-010888B
AM03-010889A
AM03-010959A
AM03-010949A
AM03-010980A
FFD-PWR
J6R J11L
J5R J10L
AM03-010858A
PS3
+24V
24G
AM03-010924A
VAC.
VAC.VAC.
VAC.
H1 H2
H3 H4
SM411P VACUUM SENSOR B'D(H1~H10)
H5
VAC. VAC.
CN1
[VAC]
VAC.
H6 H7
H9H8
VAC. VAC.
H10
VAC.
CN16
H1~10 VAC SOL
CN15
H1~10 BLOW SOL
CN14
CN12
Z1~5 HOME
CN11
Z6~10 HOME
CN9
SW HOME
CN13
OVER BLOW
CN10
R1~5 HOME
CN8
조명
FIDUCIAL조명 #1
CN17
FIDUCIAL조명 #2
OUTER/INNER
조명
OUTER/INNER
CN6
CN7
CN20
COAX
조명
AM03-005584A
AM03-005585A
AM03-005586A
AM03-005580A
AM03-005581A
AM03-005583A
AM03-005587A
AM03-005582B
AM03-005588B
AM03-005589A
AM03-005590B
AM03-005593B
AM03-005598A
SIDE-A
SIDE-B
조명
OUT-AA
OUT-BA
조명
OUT-AB
OUT-BB
H1~H6(VAC,BLOW H7~H8(VAC.BLOW)
H1H6-VAC
H7H10-VAC
F-HD-SOL
F-HD-SOL
HD-SOL-EXT
AXIO#1-CN5
AXIO#1-CN6
CN7
AM03-010798A
CN5
R-HD-SOL
SM511_VI104 SM511_VI104 -1
PUMP-PWR
AM03-010943A
PUMP-ALARM
VACCUM-AIR
AM03-010940A
AM03-010941A
FANC-EXT
FA-OP
FA-CL
RA-CL
RA-OP
CRASH_SEN
CN5
J5R-3 J10L-3
AM03-010805B
AM03-010806B
AM03-011606A
R ANC-SOL
AM03-011605A
F ANC-SOL
FANC-SOL
RANC-SOL
RAREA-R
RAREA-E
[AX]
CN8
CN12
CN14
W STP UP/DN
W BUT
CN4
AM03-010841B
RFD-CN4
CN2
CN3
J4R-1
J4R
J9L-1
J9L
J8L-1 J3R-1
AM03-010786B AM03-010794A AM03-010785B
CAN
CN20
CN22
[SC]
CN21
IT MASTER
AM03-010871A
CAN_CH1_L
CAN_CH2_R
BD_PW
BD_PW
FD-CN7-EX
CN8
RY3
8
7
RY4
5
RY7
F-FB-L
5559-4
AM03-011273B
5
RY8
F-FB-R
5559-4
AM03-011273B
EXIT-STP-SOL2
EXIT STOP SOL2
IN STOP SOL2
IN-STP-SOL2
AM03-010807B
AM03-010808B
CV-CN15-IN
CV-CN15-EXIT
AFTER
BEFORE
INLINE AFTER(F)
CN8
CN22
AM03-010845A
AFTER(R)
BEFORE(R)
INLINE BEFORE(R)
AM03-010846A
INLINE AFTER(R)
J90831146B
(DC BRK)
(DC BRK)
J8L J3R
HD1-PW
JST 6P
5557-04R/5559-04P
AM03-010822D
AM03-010829C
L-CV-30P
R-CV-30P
R PCB IN/WAIT.OUT SEN
R PCB EXIT/WAIT.B/D OUT SEN
CAN
CAN
(DC BRK)
R ERROR LAMP
R-OW-LAMP
F ERROR LAMP
F-OW-LAMP
CN6
AM03-010836B
F LOOF FAN
R LOOF FAN
F-LOOF-FAN
R-LOOF-FAN
SUB-CN1
JST 6P
PWR
CV-RDF-PWR
PWR
5557-10P/5559-10R
AM03-011245A
(ANC 구매품)
V1_BASE_150
(구매품)
V1+_BASE_343
(구매품)
R1 R2 R3 R4 R5
DRIVER DRIVER DRIVER DRIVER DRIVER
PW PW PW PW PW
CN2 CN2 CN2 CN2 CN2
AM03-010954A
F.R-DRV-PW
AM03-010957A
SC-CN10
PWR
SM511_FL001-8.9
SM511_FL001-10.11
SM511_FL001-12.13
SM511_FL001-14
SM511_FL002-6.7
SM511_FL002-8.9
SM511_FL002-12
SM511_FL001-15
SM511_FL002-15
SM511_FL002-14
SM511_FL002-10.11
SM511_FL002-13
(C/V WORK)
(C/V WORK)
(C/V WORK)
(C/V WORK)
(C/V WORK)
(C/V WORK)
RELAY-BK1-3
AM03-011269A
RELAY-BK1-2
RELAY-BK1-1
24G-EX-1
24G-EX-2
AM03-011267A
AM03-011268A
RACK-FAN-EXT
RACK-FAN
AM03-012401A
4->2
SM471_VM009-1
SM471_VM009-2
SM511_VM009-3
SM511_VM009-4
SM511_VM009-5
SM511_PW031
SM511_PW031
SM511_PW031
SM511_SC007-2
SM511_PW031
SM511_PW123
SM511_VM011
SM511_SC111-2 SM511_SC120
SM511_MD013
SM511_MD014
SM511_SC122
SM511_VM006
SM511_MD019
SM511_MD020
SM511_MD021
SM511_MD022
SM511_MD023
SM511_MD024
SM511_MD024-1
SM511_MD024-2
SM511_MD024-3
SM511_MD024-4
SM471_MD038
SM471_MD039
SM471_MD040
SM471_MD040-1
SM471_MD040-2
SM471_MD025
SM471_VI006
SM511_VI104 SM511_VI104 -1
SM511_PW147-1
SM511_PW146
SM511_CS202
SM511_CS204
SM511_CS135
SM511_PW147
SM511_PW146-1
SM511_CA104
SM511_CS035
SM511_CV106-1
SM421_CV106-2
SM511_CV109-1
SM511_CV107
SM511_CV107-1
SM33_CV024
J90834437A
SM511_CV131
SM511_CV115
SM33_CV018
SM33_CV030
SM511_CV109
SM511_CV109-2
SM511_CV117-1SM511_CV202
SM511_CV109-3
SM511_CA102
SM33_CV016
SM511_CA102-1
SM511_CA202
SM511_CV115-1SM511_CV201
SM511_CS111
SM511_CS111-2
SM511_CS111-3
SM511_CS111-1
SM511_CV101
SM511_CS111-5
SM511_CS111-6
SM511_CV003
SM511_CV101-1
SM511_FD101
SM511_FD101-1
SM_FD004
SM_FD003
SM_FD007
SM_FD006
SM511_PW148
SM_FD025
SM_FD024
SM411N_FD001
SM511_IT004
SM511_CA101-2 SM511_CA201 SM511_CA101-1
SM511_IT004
SM511_PW148
SM511_PW148
SM511_FD013
SM511_FD010
SM511_FD011
SM_FD005
SM471_HD004
SM471_HD005
SM471_HD006
SM471_HD003
SM471_HD003-1
SM471_HD008
SM471_HD009
SM471_HD007
SM471_HD010-1
SM471_HD010-2
SM471_HD010-3
SM471_HD010-6
SM471_HD010-11