DECAN_F2_TRM(Ver6.5_CS18.02) - 第178页
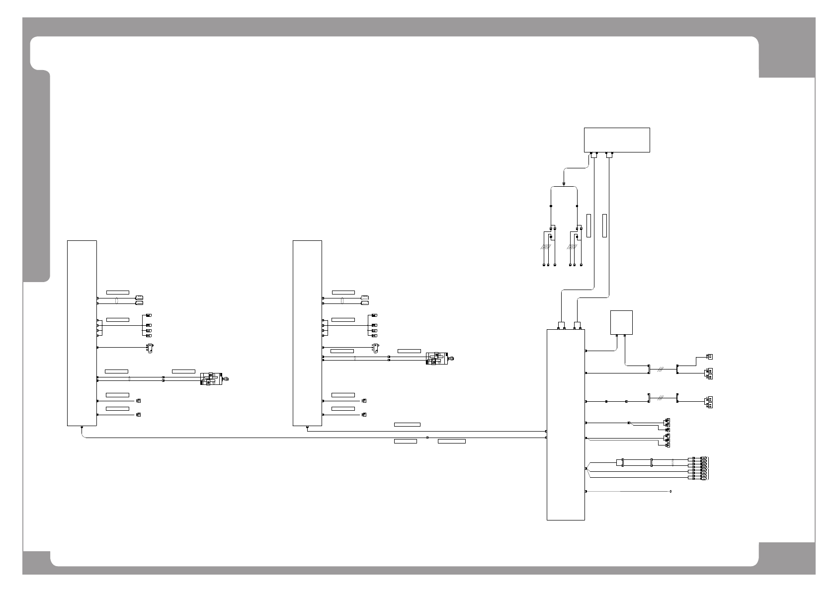
Page +$1:+$ 174 DECAN F2 Harness Wiring Diagram (5/9) CN5 CN3 CN2 CN11 BOARD SM41 1P AXIS SENSOR F FEEDER UNLOCK RY1 ML AM03-010782B SM51 1_AX104 AM03-010810B CN8 CN12 CN5 CN4 AM03-010812B CN6 CN7 [AX] CN7 CN9 CN10 CN9 C…

Page
+$1:+$
173
DECAN
F2
Harness Wiring Diagram (4/9)
CN2
R-FEEDER I/F
BOARD
CN5
CN6
J90800838D
J90800839D
CN3
REAR FEEDER BASE RIGHT B/D
AP5 AXIS IO BOARD #3
[AXIO#3]
CN2
PWR
CN3
CAN
[RFD]
CN1
CN11 CN21
Z12 AMP
R.SW
Panasonic AC servo
SET
MODE
CN12
CN5
CN6
CN3 CN1
CN10
CN4 CN2
CN13 CN14
CN5
CN6
CN3 CN1 CN4 CN2
CN15 CN16
CN5
CN6
CN3 CN1 CN4 CN2
CN17 CN18
CN5
CN6
CN3 CN1 CN4 CN2
CN19 CN20
CN5
CN6
CN3
CN1 CN4 CN2
CN22 CN23
CN26
CN10 CN10 CN10 CN10
SM411P REAR MOTOR IF B/D
[RMOT]
Z34 AMP Z56 AMP Z78 AMP Z910 AMP
CN24 CN25
AM03-005492A
[HD2]
CAN
JK1 JK2 JK3 JK4 JK5 JK6
JK7 JK8 JK9 JK10 JK11 JK12
J90800840B
CN11
FEEDER INPUT
EXT.BOARD
[FD_EXT]
J90800841C
CN2
JJ1 JJ2 JJ3 JJ4 JJ5 JJ6
J90800842C
JJ7 JJ8 JJ9 JJ10 JJ11 JJ12
AM03-000697A
AM03-000698A
CAN
PWR
REAR FEEDER BASE LEFT B/D
FD-CN7
FD-CN7
R.FD-CN13-EX
FD-CN7
PCIE X1
SM411P HEAD IF B/D
SENSORSENSORSENSOR
VAC.
VAC.VAC.VAC.
H1 H2
H3 H4
SM411P VACUUM SENSOR B'D(H1~H10)
H5
VAC. VAC.
SENSOR
CN1
[VAC]
SENSORSENSOR
VAC.
H6 H7
H9H8
VAC. VAC.
SENSOR SENSOR
H10
VAC.
SENSOR
CN16
H1~10 VAC SOL
CN15
H1~10 BLOW SOL
CN14
CN12
Z1~5 HOME
CN11
Z6~10 HOME
CN9
SW HOME
CN13
OVER BLOW
CN10
R1~5 HOME
CN8
조명
FIDUCIAL조명 #1
CN17
FIDUCIAL조명 #2
OUTER/INNER
조명
OUTER/INNER
CN7 CN9
CN19CN18
Z1~Z8 HOME
CN1
PWR
SACO-CN26
PCIE ADAPTER #3
CAN
PWR
CAN
PWR
CN11 CN12 CN13 CN14 CN15 CN23 CN21 CN22
CN19 CN20CN18CN17CN16
CN1 CN6 CN2 CN7 CN3 CN8 CN4 CN9 CN5 CN10 CN24
HD-PW
AM03-010960B
CAN
Z9~Z10, R1~R5, SW HOME
Z1~Z8 HOME
Z9~Z10, R1~R5, SW HOME
CN6
CN7
CN20
COAX
조명
PC RACK
PS2
AM03-010872A
+24V 24G
CH1
CH2
CH3
CH4
(50W)
SW-ENRSW-PWR
Z1 Z2 Z3 Z4 Z5 Z6 Z7 Z8 Z9 Z10
R1 R2 R3 R4
R5
REAR
PWR
AM03-010936A
AM03-010924A
AM03-010924A
AM03-010924A
SACO-CN29
AM03-005564A
AM03-005565A
AM03-011248A
AM03-011249A
AM03-011250A
IT MASTER
AM03-010890B
AM03-010891A
AM03-010950A
AM03-010981A
PS4
+24V
24G
AM03-010924A
SIDE-A
SIDE-B
조명
OUT-AA
OUT-BA
조명
OUT-AB
OUT-BB
CN5
CN4
AM03-005703A
H1~H6(VAC,BLOW H7~H8(VAC.BLOW)
H1H6-VAC
H7H10-VAC
R-HD-SOL
R-HD-SOL
HD-SOL-EXT
AXIO#1-CN5
AXIO#1-CN6
AM03-010798A
CN5
F-HD-SOL
AM03-010962B AM03-010964B
AM03-010871A
AM03-010871A
CAN_CH3_L
CAN_CH4_R
BD_PW
BD_PW
CAN
PWR
CN7
CN8
FD-CN7-EX
CN13
EP02-000588A
8
7
RY5
8
7
RY6
5
RY9
5
RY10
5
3
5
5
AM03-005463A
CN3
J3R-2 J8L-2
AM03-010787B AM03-010794A AM03-010790B
CAN
CN4
AM03-010841B
[SC]
CV-CN4
CN20
CN22
CN7
[AX]
CN8
AM03-010793B
CAN
AM03-010792B
AM03-010795A
R-HD-CAN
J9L-2
J9L
J4R-2
J4R
CN2
(DC BRK)
(DC BRK)
J3R
J8L
CAN
Rear R DRIVER
CN1
AM03-010982A
CN1 CN1 CN1 CN1
R1 R2 R3 R4 R5
DRIVER DRIVER DRIVER DRIVER DRIVER
PW PW PW PW PW
CN2 CN2 CN2 CN2 CN2
AM03-010954A
R-R-DRV-PW
AM03-010958B
SC-CN11
PWR
SM511_FL002-14
SM511_FL001-6.7
SM511_FL001-8.9
SM511_FL001-10.11
SM511_FL001-12.13
SM511_FL002-6.7
SM511_FL002-9.10
SM511_FL002-12
SM511_FL002-10.11
SM511_FL001-15
SM511_FL002-15
SM511_FL001-14
SM511_FL002-13
AM03-011273B
RELAY-BK1-3
AM03-011269A
R-FB-L
5559-4
AM03-011273B
R-FB-R
5559-4
AM03-011273B
RELAY-BK1-2
RELAY-BK1-1
24G-EX-3
24G-EX-4
AM03-011267A
AM03-011268A
CV-RFD-PWR
AM03-011245A
AM03-010892A
AM03-010893A
AM03-010894A
AM03-010895A
AM03-010896A
AM03-010897A
AM03-010898A
AM03-010899A
AM03-010900A
AM03-010901A
AM03-005618A
AM03-005619A
AM03-005620A
AM03-005621A
AM03-005622A
AM03-005611A
SM511_MD019
SM511_MD020
SM511_MD021
SM511_MD022
SM511_MD023
SM511_MD024
SM511_MD024-1
SM471_MD038
SM471_MD039
SM471_MD040
SM471_MD040-1
SM471_MD040-2
SM471_MD025
SM511_PW031
SM511_PW031
SM511_PW031
SM471_VM009-1
SM471_VM009-2
SM511_VM009-3
SM511_VM009-4
SM511_VM009-5
SM511_SC007-3
SM511_PW031
SM511_VM011
SM511_SC111-2 SM511_SC121
SM511_PW124
SM511_VM007
PW471_PW017
SM511_MD015
SM511_MD016
SM511_SC123
SM511_VI006
SM511_CS035
SM511_VI104 SM511_VI104 -2
AM03-005584A
AM03-005585A
AM03-005586A
AM03-005580A
AM03-005581A
AM03-005583A
AM03-005587A
AM03-005582B
AM03-005588B
AM03-005589A
AM03-005590B
AM03-005593B
AM03-005598A
SM471_HD004
SM471_HD005
SM471_HD006
SM471_HD003
SM471_HD003-1
SM471_HD008
SM471_HD009
SM471_HD007
SM471_HD010-1
SM471_HD010-2
SM471_HD010-3
SM471_HD010-6
SM471_HD010-11
SM511_CA101-3 SM511_CA201 SM511_CA102-4
SM511_CV101
SM511_CA105-1
SM511_CA105
SM511_CA202
SM511_CV101 -1
SM_FD003
SM_FD004
SM_FD006
SM_FD007
SM_FD025
SM_FD024
SM411N_FD001
SM511_PW148SM511_FD013
SM511_PW148
SM511_PW148
SM511_FD010
SM511_FD011
SM511_IT004
SM511_IT004
SM471_FD008
SM511_IT005
SM_FD005

Page
+$1:+$
174
DECAN
F2
Harness Wiring Diagram (5/9)
CN5
CN3
CN2
CN11
BOARD
SM411P AXIS SENSOR
F FEEDER UNLOCK
RY1 ML
AM03-010782B
SM511_AX104
AM03-010810B
CN8
CN12
CN5
CN4
AM03-010812B
CN6
CN7
[AX]
CN7
CN9 CN10
CN9
CN13
AM03-010799B
CN6
RY1 HM
RY1 PL
FY1 HM
FY1 ML
FY1 PL
AM03-010811B
R FEEDER UNLOCK
SM33_CS034-2
AM03-010813B
SM511_FL002-4
AM03-010856B
CRASH SENSOR
J90831151C
SM511_FL002-4
AM03-007246B
AM03-010962B
AM03-010783A
J3R-3
J3R-4
J8L-3
J8L-4
J5R-1 J10L-1
AM03-010963B
AM03-010964B
#1F-FL-11
AXIO#2-CN5
SM471_VI006
#2F-FL-11
HD-CN5
HD-CN4
AXIO#3-CN5
SM471_VI006
HD-CN5
HD-CN4
HD-SOL-EXT
F-HD-SOL
R-HD-SOL
F-HD-SOL
H7H10-VAC
R-HD-SOL
H7H10-VAC
H1H6-VAC
H1H6-VAC
#1R-FL-11
#2R-FL-11
J90831285A
AM03-010798A
AM03-010800A
AM03-010801B
Y11.Y12,Y21.Y22.X1.X2 HOM SNS
W STP UP/DN
W BUT
F-X-SEN
CRASH-SEN
R-X-SEN X_SEN
AM03-007246B
X_SEN
X2 MOTOR SENSOR
HOME
ML
X1 MOTOR SENSOR
HOME
ML
FY-AX-EXT
J5R J10L
J3R
AM03-010794A
J8L
AM03-010814A
AM03-010858A
SM511_CS142-1
[CV]
CN14 CN19
CON1
CON1
SENSOR,SOL DATUM
CN1
PWR
SACO-CN23
AM03-011671A
CN15
CN17
CN18
CN19
F SHUTTLE STOPPER SOL
F WORK STOPPER SOL
F BUT SOL
F EDGE PUSHER SOL
CN15
CN17
CN18
CN19
R SHUTTLE STOPPER SOL
R WORK STOPPER SOL
R BUT SOL
R EDGE PUSHER SOL
CN4
CN5
PCB WORK 1-1
AM03-010796A
PCB WORK 2-1
CN4
CN5
PCB WORK 1-2
AM03-010796A
PCB WORK 2-2
F BUT UP
OMRON
EE-1001
+
L
OUT
-
F-BUT
J90831196C
R BUT UP
OMRON
EE-1001
+
L
OUT
-
R-BUT
J90831196C
CN9 CN9
WIDTH WORK 2 HOME
OMRON
EE-1001
+
L
OUT
-
WW2H
AM03-010797A
CN8
WIDTH WORK 1 HOME
OMRON
EE-1001
+
L
OUT
-
WW1H
AM03-010797A
CN8
AM03-011137B
F WORK STOPPER UP
F WORK STOPPER DOWN
F-STP-UP
F-STP-DN
AM03-011144B
[L] [R]
(DC BRK)
(DC BRK)
AM03-010802A
AX-CN4-EXT
[AXIO#1]
JST 30
L/R CN11
L/R CN12
CN10CN10
AM03-011145B
FRONT DUMP BOX CHECK SWITCH
AM03-011145B
REAR DUMP BOX CHECK SWITCH
F_DM_BOX R_DM_BOX
SENSOR
F CONVEYOR
IF BOARD
SENSOR
R CONVEYOR
IF BOARD
R WORK STOPPER UP
R WORK STOPPER DOWN
R-STP-UP
R-STP-DN
L/R CN13
L/R CN14
AM03-011144B
E3S-LS3N
E3S-LS3N
E3S-LS3N
E3S-LS3N
AM03-011137B
AM03-011607A
AM03-011607A
SM511_CS136
SM511-CS051
SM511_CS001 SM511_CS001
SM33_CS007SM33_CS007
SM511_CS009 SM511_CS009
SM511_CS006SM511_CS039
SM511-CS051-1
SM511_CS143 SM511_CS144
SM511_CS039 SM511_CS006
SM511_CS111-4 SM511_CS111-4
SM511_VI104
SM511_VI104-1
SM511_VI104-2
SM511_CS035
SM511_CS050
AM03-005703A
AM03-005703A
SM511_CS135
SM511_CS041
SM511_CV131
SM33_CV030
SM471_AX002
SM471_AX002
SM511_CS142
SM511_CV201
SM511_CS142-1
SM511_AX103SM511_AX103-1
SM511_CS134
SM511_CS134-1
SM511_CA201
SM511_AX001
J90831286C
SM33_CS034-1

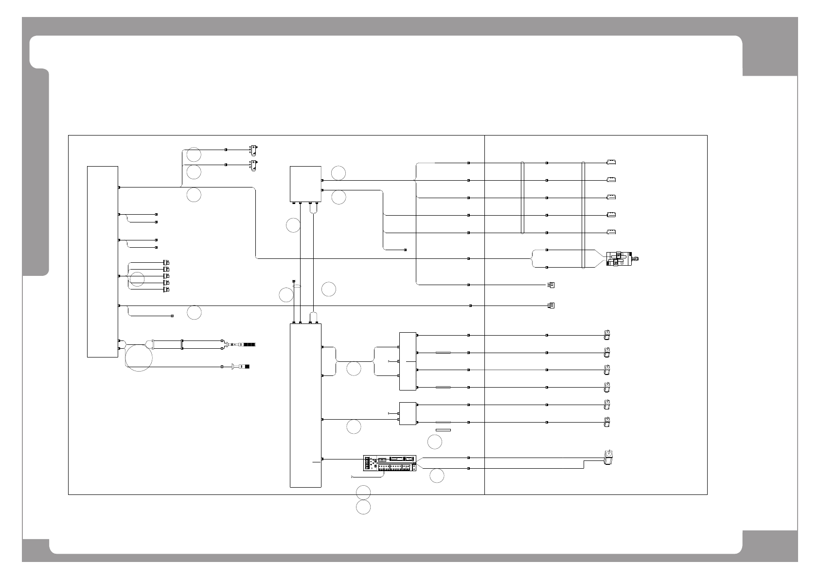
Page
+$1:+$
175
DECAN
F2
Harness Wiring Diagram (6/9)
Belt CB#3
J90831430B
SINGLE CONV (OPTION)
-
SM41_MD015
Belt CB#4
J90831431B
-
SM41_MD016
Belt WB#1
J90831432B
-
SM41_MD017
Belt CB#1
J90831439B
-
SM41_MD013
Belt CB#2
J90831440B
-
SM41_MD014
Belt WB#2
J90831441B
-
SM41_MD018
AM03-003868A
SM421-CV112
PCB-OUT
SECOND
PCB-WORK
PCB-WAIT
PCB-IN
P-UP
P-DN
J90831401C
SM41_CV007
PCB IN(OUT) SENSOR
PCB WAIT(SECOND PLACE) SENSOR
PCB WORK SENSOR
PLACE STOPPER UP/DOWN SENSOR
SECOND PLACE(PCB WAIT) SENSOR
PCB OUT(IN) SENSOR
BUT
BUT HOME
OMRON
EE-1001
+
L
OUT
-
AM03-012630A
SM511_CS051-2
PCB-OUT
SECOND
PCB-WAIT
PCB-IN
PCB-WORK
AM03-003578B
SM421_MD108
CB1
AM03-003582B
SM421_MD110
WB1
AM03-003580B
SM421_MD109
CB3
AM03-003872A
SM421_CV151-1
AM03-003870B
SM421_CV150-1
WD-HOME
WD HOME
OMRON
EE-1001
+
L
OUT
-
AM03-003577B
SM421_AX104-1
AM03-003904B
SM421_MD208
CB2
AM03-003908B
SM421_MD210
WB2
AM03-003906B
SM421_MD209
CB4
WD-HOME-EXT
P-SEN-EXT
WD SERVO MOTOR
-
Ạ⬘䖼
AM03-012631A
SM511_CS111-7
PLACE_SOL
BUT_SOL
EDGE_SOL
ANC1_SOL
CB2-EXT
AM03-012619A
SM511_MD208-1
BUT-SEN-EXT
AM03-012629A
SM511_CS050-1
PUMP-ALARM
CB1-EXT
AM03-012616A
SM511_MD108-1
CB3-EXT
AM03-012617A
SM511_MD109-1
CB4-EXT
AM03-012620A
SM511_MD209-1
WB1-EXT
AM03-012618A
SM511_MD110-1
WB2-EXT
AM03-012621A
SM511_MD210-1
CB12
4 AXIS
CB34
BW12
[AX]
Panasonic AC servo
SET
MODE
WD_PW
AM03-012614A
SM511-MD022-1
WD_EN
AM03-012615A
SM51-MD023-1
X6
AM03-012622A
SM511_PW018
AM03-012623A
SM511_VM005-1
501189-3010
2 AXIS
[AXIO#1]
AM03-012624A
SM511_VM008
AM03-012625A
SM511_VM009
TB1-14A
TB1-16A
TB1-18A
TB1-22A
AM03-012632A
SM511_CS135-1
[CV]
CN21
AM03-012634A
SM511_CV115-2
FAREA-R
SC-J5R-2
CN22
AM03-012635A
SM511_CV115-3
SC-J6R-1
RAREA-E
ANC2_SOL
CN5
CN14
CN15
CN4
CN7
IN SHUTTEL HOME
Y1.2,X1.2 SENSOR
CN17
CN18
CN19
CN23
CN7 CN9 CN10
CN5 CN6 CN7 CN8
AM03-012628A
SM511_CS035-1
PCB IN,WAIT,PCB OUT,SECOND.WORK
BUT,WORK STP,EDGE PUSHER,VAC,BLOW
HD-SOL-EXT
F DUMP BOX
F_DM_BOX
R DUMP BOX
R_DM_BOX
AM03-012636A
SM511_PW147-2
DC24V
DC24V
CN2
CN3
CN2
CN3
CN2
CN3
CN4
CN4
CN1
CN1
CN4
CN5
AM03-012633A
SM511_CS136-1
R-CN10
L-CN10
SM511_CS143(ḩ㟝)
SM511_CS144(ḩ㟝)
SINGLE CONV 㐐 㻈ᴴ
ROBOT CABLE
E3S-LS3N(OMRON)
E3S-LS3N(OMRON)
E3S-LS3N(OMRON)
E3S-LS3N(OMRON)
E3S-LS3N(OMRON)
WTSA10X40-1004WS
2S56Q-01842SR2(새한)
2S56Q-01842SR2(새한)
2S56Q-01842SR2(새한)
2S56Q-01842SR2(새한)
2S56Q-01842SR2(새한)
2S56Q-01842SR2(새한)
PCB-OUT(RL)
CN7
CN13
TOWER LAMP
J4R-3
J4R-4
J9L-3
J9L-4
TW-LP
TW-BZ
J9LJ4R
㵸ⶼ䚔ᶷ
SM511_CV104-2
R ERROR LAMP
R-OW-LAMP
SM511_CV104-1
(ḩ㟝)
SM511_CA202
(ḩ㟝)
2500
1300
1600
1900
2850
1500
1500
1000
1000
1400
PE:700
2550
2550
350
2750
2900
CN21
AXIO#1 B/D 스위치 바꿔야됨
<주의>
(Z상 인텍터 에러발생시)