DECAN_F2_TRM(Ver6.5_CS18.02) - 第294页
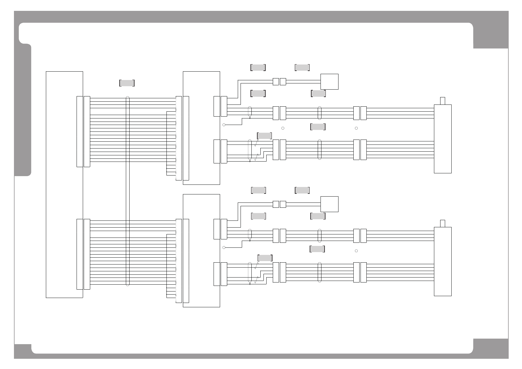
Page +$1:+$ 290 DECAN F2 Axis IO Board (4/16) 1 2 4 6 7 8 9 5 5 3 3 5 5 AXIO BD #1 BOARD FX SERVO DRIVER RX SERVO DRIVER CN15 SM51 1_VM005 CW /CW CCW /CCW +COM /SON CLR GAIN /ALMRST /ALM INP 1 3 7 9 27 17 19 21 23 22 24 …

Page
+$1:+$
289
DECAN
F2
Axis IO Board (3/16)
NO. PART NO. PART NAME Q'TY Old No. Supply Supply LT Reference
1 AM03-010979A CABLE ASSY-FX_FS_DRV_COMMAND 1
2 AM03-010903A CABLE ASSY-REGEN_RESISTOR_DRV_1 1
3 AM03-010902C CABLE ASSY-REGEN_RESISTOR 2 AM03-010902A/AM03-010902B
4 AM03-010875B CABLE ASSY-FX_MOTOR_PWR 1
5 AM03-013438A CABLE ASSY-SM511 FLAT 1 4 AM03-010515C/ AM03-010515D
6 AM03-010876A CABLE ASSY-FX_MOTOR_ENC 1
7 AM03-010904A CABLE ASSY-REGEN_RESISTOR_DRV_2 1
8 AM03-010887B CABLE ASSY-RY2_LINEAR_ENC 1 AM03-010887A
9 AM03-010878A CABLE ASSY-RX_MOTOR_ENC 1

Page
+$1:+$
290
DECAN
F2
Axis IO Board (4/16)
1
2
4
6
7
8
9
5
5
3
3
5
5
AXIO BD #1
BOARD
FX SERVO
DRIVER
RX SERVO
DRIVER
CN15
SM511_VM005
CW
/CW
CCW
/CCW
+COM
/SON
CLR
GAIN
/ALMRST
/ALM
INP
1
3
7
9
27
17
19
21
23
22
24
AXIO#1-CN15
AM03-010979A
501189-3010
44
45
46
47
13
7
29
30
27
31
37
39
41
21
22
48
49
23
24
25
36
38
9
8
50
-COM
EA
/EA
EB
/EB
EZ
/EZ
GND
29
2
4
8
10
14
16
6
30
1
3
7
9
27
17
19
21
23
22
24
29
2
4
8
10
14
16
6
30
44
45
46
47
13
7
29
30
27
31
37
39
41
21
22
48
49
23
24
25
36
38
9
8
50
PULSE
*PULSE
SIGN
*SIGN
SG
+24V
/S-ON
+24V
GAIN
/ALMRST
ALM(ALM 1)
INP
-COM
A
/A
B
/B
C
/C
SG
SG
SG
SG
SG
FG
FX-DRV
SM-50J
CN16
CW
/CW
CCW
/CCW
+COM
/SON
CLR
GAIN
/ALMRST
/ALM
INP
1
3
7
9
27
17
19
21
23
22
24
AXIO#1-CN16
501189-3010
44
45
46
47
13
7
29
30
27
31
37
39
41
21
22
48
49
23
24
25
36
38
9
8
50
-COM
EA
/EA
EB
/EB
EZ
/EZ
GND
29
2
4
8
10
14
16
6
30
1
3
7
9
27
17
19
21
23
22
24
29
2
4
8
10
14
16
6
30
44
45
46
47
13
7
29
30
27
31
37
39
41
21
22
48
49
23
24
25
36
38
9
8
50
PULSE
*PULSE
SIGN
*SIGN
SG
+24V
/S-ON
+24V
GAIN
/ALMRST
INP
-COM
A
/A
B
/B
C
/C
SG
SG
SG
SG
SG
FG
RX-DRV
SM-50J
UL20276 20P*28AWG
IRN150S
RESISTER
RB1
RB3
RB2
U
FX-U.V.W
6
5
4
3
V
W
2
1
6
5
4
3
2
1
SM511_MD001
AM03-010875B
1
2
3
4
FX-PWR
172168-1 (6 PLUG)
06JFAT-SAXGF
SHIELD
UL2464-SB 3C*18AWG
+5V
5G
N/C
N/C
FX-DRV-X6
SD
FG
COVER
1
2
3
4
5
6
1
2
3
4
5
6
COVER
SHIELD
SM511_MD002
AM03-010884A
FX-EN
43025-0600
2108342-1_(6P)
UL2464-SB 2P 24AWG
X5
2
1
FY1.FY2.RY1
2
1
SM511_MD027-1
AM03-010903A
SM511_MD027
AM03-010902B
IRN150S
RESISTER
RB1
RB3
RB2
U
RY2-U.V.W
6
5
4
3
V
W
2
1
6
5
4
3
2
1
X5
2
1
RY2.FX.RX
2
1
SM511_MD027-2
AM03-010904A
SM511_MD027
AM03-010902B
FX
MOTOR
LINEAR
1
2
3
4
X-PW
1
2
3
4
350780-1 (4 CAP)
SM511_FL001(4.5)
AM03-010515A
4
5
2
3
6
1
X-EN
172159-1 (4 CAP)
SM511_FL001(4.5)
AM03-010515A
1
2
3
4
5
6SD/
1
2
3
4
5
6
43020-0600
172167-1 (4 PLUG)
1
2
3
4
SM511_MD003
AM03-010877A
1
2
3
4
RX-PWR
172168-1 (6 PLUG)
06JFAT-SAXGF
SHIELD
UL2464-SB 3C*18AWG
+5V
5G
N/C
N/C
RX-DRV-X6
SD
FG
COVER
1
2
3
4
5
6
1
2
3
4
5
6
COVER
SHIELD
SM511_MD004
AM03-010878A
RX-EN
43025-0600
2108342-1_(6P)
UL2464-SB 2P 24AWG
X5
1
2
3
4
5
6SD/
1
2
3
4
5
6
172167-1 (4 PLUG)
1
2
3
4
172159-1 (4 CAP)
4
5
2
3
6
1
RX
MOTOR
LINEAR
1
2
3
4
X-PW
1
2
3
4
350780-1 (4 CAP)
SM511_FL001(4.5)
AM03-010515A
4
5
2
3
6
1
X-EN
172159-1 (4 CAP)
SM511_FL001(4.5)
AM03-010515A
1
2
3
4
5
6
43020-0600
1
2
3
4
172159-1 (4 CAP)
4
5
2
3
6
1

Page
+$1:+$
291
DECAN
F2
Axis IO Board (4/16)
NO. PART NO. PART NAME Q'TY Old No. Supply Supply LT Reference
1 AM03-010979A CABLE ASSY-FX_FS_DRV_COMMAND 1
2 AM03-010903A CABLE ASSY-REGEN_RESISTOR_DRV_1 1
3 AM03-010902C CABLE ASSY-REGEN_RESISTOR 2 AM03-010902A/AM03-010902B
4 AM03-010875B CABLE ASSY-FX_MOTOR_PWR 1
5 AM03-013438A CABLE ASSY-SM511 FLAT 1 4 AM03-010515C/ AM03-010515D
6 AM03-010884B CABLE ASSY-RY1_LINEAR_ENC 1
7 AM03-010904A CABLE ASSY-REGEN_RESISTOR_DRV_2 1
8 AM03-010877A CABLE ASSY-RX_MOTOR_PWR 1
9 AM03-010878A CABLE ASSY-RX_MOTOR_ENC 1