OM-1273-004_w - 第195页
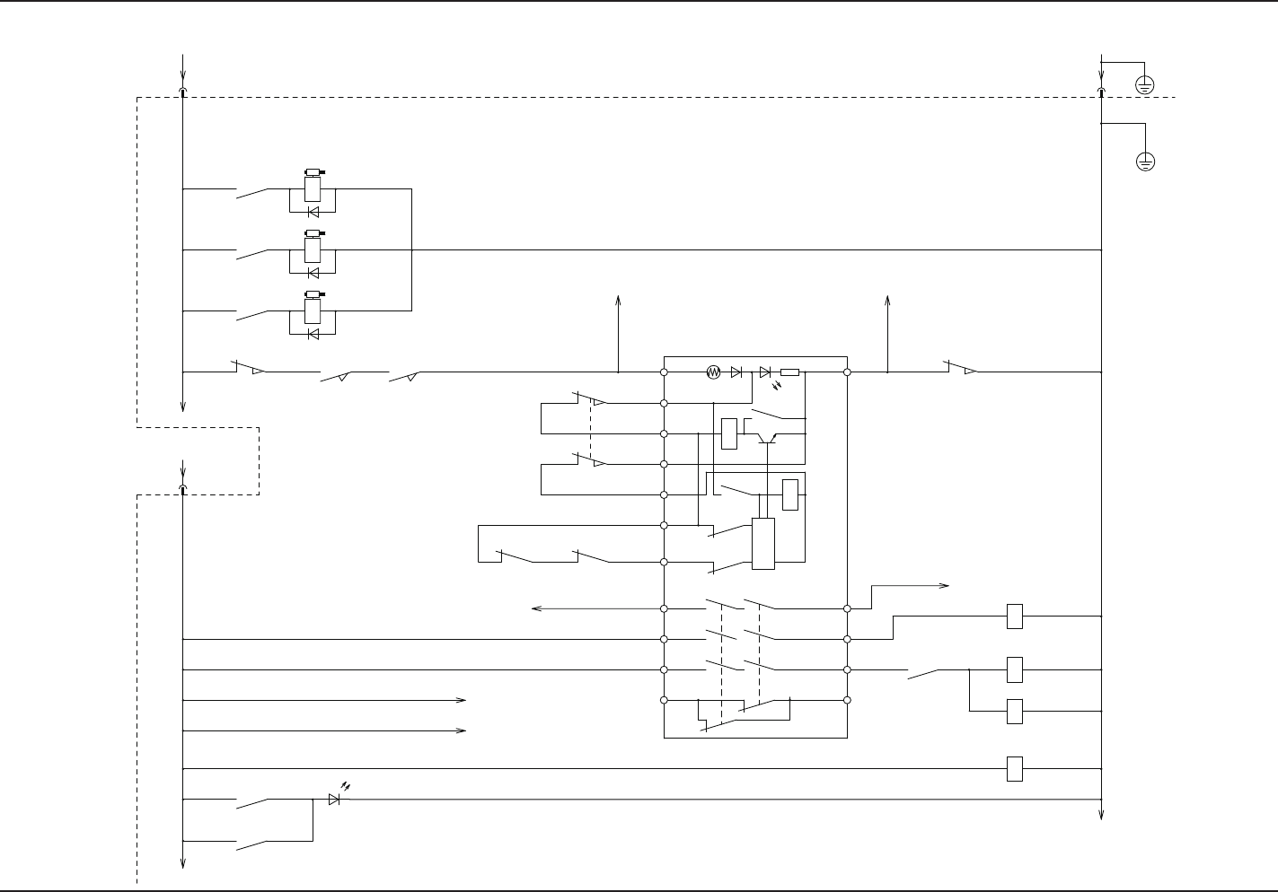
AJK-ML T-ID 5-32 Power Supply Section (Safety Circuits) 1 L & R 0706-002 -(M806WBR--5005) TNR-9G470K -1022 -1012 -1021 -1020 24 34 42 13 41 33 23 T32 T31 T22 T12 T1 1 T21 A1 14 A2 PWR TH K1 K2 Circuit Control K2 K2 K…

AJK-MLT-ID
5-31
Traverse M Circuit Diagram L & R
0706-002 -(M806WBR--5004)
3
M
SSG
-M01
PE
PE
CN3
2
RD
TD*
TD
RD*
12
7
14
4
EMG
LG
D
C
L21
CN1A
11
1
P
LG
L1
L2
L3
L11
U
W
V
EMG*
CN1B
17
-A01
-X0102
-X0103
-M01 :1
:2
:3
:4
-X0101A
-X0101B
-M01P
:5
:4
:2
:1
:8
:7
:9
FG
L321
L221
L121
-L343
-L243
-L143
-L342
-L242
-L142
-K102
1 2
3 4
65
-K101
-Q101
56
34
2 1
-L341
-L241
-L141
+
-
OUT
-B0101
L
L
-B0102
OUT
+
-
20
-10G
-24G1
20
TxD
LG
11
12
MO1
LG
LG
SD
MO2
COM
VDD
MBR
4
1
5
14
10
13
11
(LSN)DWN
(LSP)STP
RxD
LG
DOG
SG
9
19
1
2
3
20
LG
1
P5
MD
19
16
6
MR
7
17
MRR
MDR
SD
11
LG
P5
20
LG
12
TV axis
EV-2 Axis (-A03)
(-X0301B)
SSCNET EV-2 Axis Driver (-X301B)
Terminal
Connector
EV Side
Limit (+)
Limit (-)
GX Main Body Side
F3 200 V AC
Plate
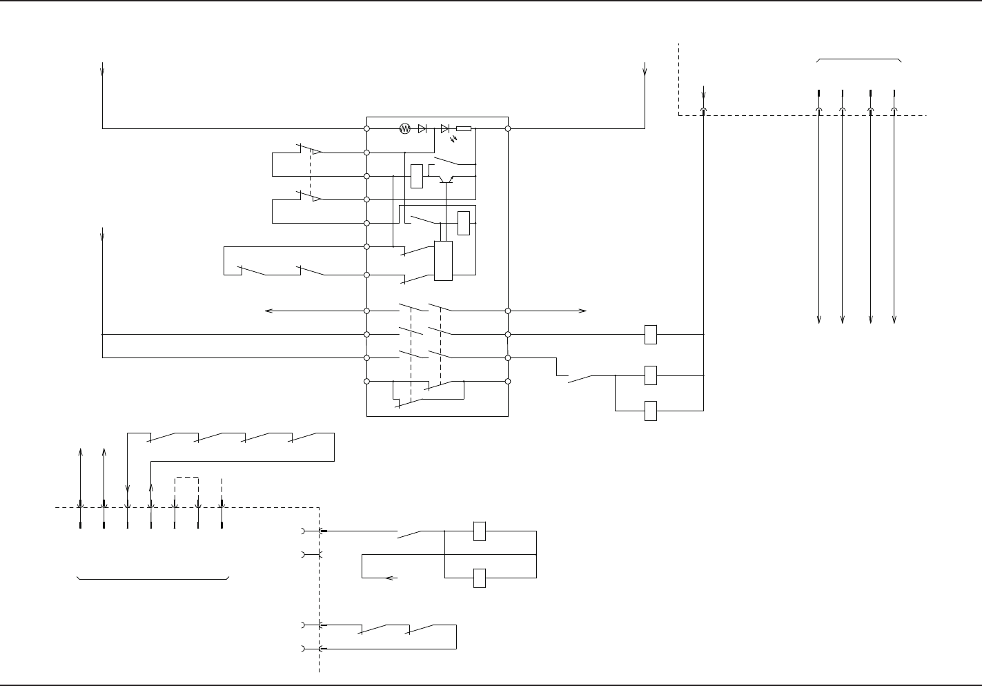
4.2 Electrical Circuit Diagrams Traverse M Circuit Diagram L & R

AJK-MLT-ID
5-32
Power Supply Section (Safety Circuits) 1 L & R
0706-002 -(M806WBR--5005)
TNR-9G470K
-1022
-1012
-1021
-1020
24 34 42
13 413323T32T31T22
T12 T11
T21A1
14A2
PWR
TH
K1
K2
Circuit
Control
K2
K2
K1
K1
K2
K1
-1002
-1003
-1004
-1008-1009
-1010-1011
-1014-1013
-1005
-1015
-1006 -1007
-1017
-1018
-1019
-1016
-K201
73
913
-K501
-K503
-K202
A1 A2
A2A1
-K001
21 22
-K201-K202
2122
10A
-Y0101
51
-K507
62
-K508
-Y0102
3
-K509
7
-Y0103
1211
-S0503
12 11
-S0501
-S0501
2122
429
-K505
913
-S0504 -S0505
2221
-S0503
X502X502
24A1
X502
-H0001
1 5
-K505
-K506
62
-10A
-24A1
21 1 2
:02
:03
:01
Emergency Stop of
Main Body
From Main Body
of GX
Safety Door
Lock: Lower
Safety Door
Lock: Upper
Safety Door
Lock: (Magazine)
Safety Door Switch
(Magazine)
Maintenance Cover 1
Opening Detection
Maintenance Cover 2
Opening Detection
To Safety Relay K002: A2
To Safety Relay K002: A1
Safety Door Switch: (Magazine)
Safety Door Switch: (Lower)
Safety Door Switch: (Lower)
To -TR-U05 (UB14)
- X0524: 2
To Safety Relay K002: 23
To Safety Relay K002: 33
Power Lamp
To -TR-U05 (UB14)
- X0524: 1
EV1 Main Circuit
Power Supply ON
EV1 Load
Power Supply ON Check
EV (Lower)
4.2 Electrical Circuit Diagrams Power Supply Section (Safety Circuits) 1 L & R

AJK-MLT-ID
5-33
Power Supply Section (Safety Circuit) 2 L
0706-002 -(M806WBL--5006)
-1041
-1040
-1039
K1
K2
K1
K1
K2
K2
Control
Circuit
K2
K1
TH
PWR
42342414A2
A1
T11T12
T21 T22 T31 T32 13 23 33 41
-1035 -1036
-1033 -1032
-1031 -1030
-1034
-24G1
-10G
-10B
-24B1
-1037
-1038
-1044
-1042
-1043
-1001
-1028-1027-1026
-1029
-1025
-1023
-1024
-K301
14 10
-K506
84
-K504
-K302
A1 A2
A2A1
-1015
-K002
22 21
-S0502
-S0502
1112
22 21
-K302 -K301
2221
-1007 -1018
-10A
10A
24G1
10G
:4
:3
:1
:2
X503
10B
24B1
X502
:01
:02
:01
X507
:04
-K102-K101
2221 22 21
6 2
-K502
62616261
-K201 -K202
62
-K301
61
-K302
6162
:7
:3
:4
X504
:2
:1
:6
:5
A2A1
-K101
-K102
A2A1
10A
X507
COM
Safety Door Switch: (Upper)
Safety Door Switch: (Upper)
To -TR-U05 (UB14)
-X0525: 2
Emergency Stop
Detection
From X2639: 2
Main Body Safety
Cover Detection
From X2722: 2
Safety Relay K3
To X2622: 2
Safety Relay K3
From X2611: 6
Identification 1
Identification 2
From X20: 2
(Installation of Stage A)
From X23: 2
(Installation of Stage B)
From X20: 1
(Installation of Stage A)
From X23: 1
(Installation of Stage B)
From X36: 2
(Installation of Stage A)
From X37: 2
(Installation of Stage B)
From X36: 1
(Installation of Stage A)
From X37: 1
(Installation of Stage B)
From Main Body of GX
Traverse Main Circuit
Power Supply ON
From Terminal
EV2 Main Circuit
Power Supply ON
EV2 Load Power ON
Detection
To -TR-U05 (UB14)
-X0525: 1
EV (Upper)
From Main Body of GX
Relay 2 (UB21) Board
To K501-5
To -TR-U04( CN6: 2)
4.2 Electrical Circuit Diagrams Power Supply Section (Safety Circuit) 2 L