OM-1273-004_w - 第198页
AJK-ML T-ID 5-35 UA54 I/O Board ILB-IN 1 L 0706-002 A(M806WBL--5007) /RX RX /TX TX FG CN5 CN6 CN7 CN8 CN9 CN10 CN1 1 CN12 9 3 7 2 6 7 9 6 3 2 FG TX /TX RX /RX -X0404 -X0403 CN4 CN3 ILB IN 1 2 3 3 2 1 3 2 1 3 2 1 1 2 3 1 …

AJK-MLT-ID
5-34
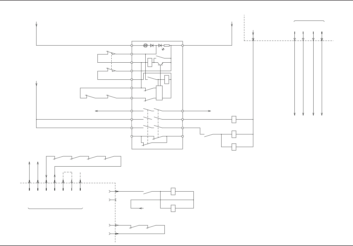
Power Supply Section (Safety Circuit) 2 R
0706-002 -(M806WBR--5006)
-1041
-1040
-1039
K1
K2
K1
K1
K2
K2
Control
Circuit
K2
K1
TH
PWR
42342414A2
A1
T11T12
T21 T22 T31 T32 13 23 33 41
-1035 -1036
-1033 -1032
-1031 -1030
-1034
-1024
-1023
-24G1
-10G
-10B
-24B1
-1025
-1029
-1026 -1027 -1028
-1037
-1038
-1001
-1043-1042
-1044
-K301
14 10
-K506
84
-K504
-K302
A1 A2
A2A1
-1015
-K002
22 21
-S0502
-S0502
1112
22 21
-K302 -K301
2221
:5
:6
:1
:2
X504
:4
:3
-1007 -1018
-10A
10A
24G1
10G
:4
:3
:1
:2
X503
10B
24B1
:7
62 61
-K302
61
-K301
62
-K202-K201
61 62 61 62
X502
:01
A1 A2
-K102
-K101
A1 A2
-K502
26
212221 22
-K101 -K102
:04
X507
:01
:02
10A
X507
COM
Safety Door Switch: (Upper)
Safety Door Switch: (Upper)
To -TR-U05 (UB14)
-X0525: 2
Emergency Stop
Detection
From X2639: 2
Main Body Safety
Cover Detection
From X2722: 2
Safety Relay K3
To X2622: 2
Safety Relay K3
From X2611: 6
Identification 1
Identification 2
From X20: 2
(Installation of Stage C)
From X23: 2
(Installation of Stage D)
From X20: 1
(Installation of Stage C)
From X23: 1
(Installation of Stage D)
From X36: 2
(Installation of Stage C)
From X37: 2
(Installation of Stage D)
From X36: 1
(Installation of Stage C)
From X37: 1
(Installation of Stage D)
From Main Body of GX
Traverse Main Circuit
Power Supply ON
From Terminal
EV2 Main Circuit
Power Supply ON
EV2 Load Power ON
Detection
To -TR-U05 (UB14)
-X0525: 1
From Main Body of GX
Relay 2 (UB21) Board
To K501-5
To -TR-U04( CN6: 2)
EV (Upper)
4.2 Electrical Circuit Diagrams Power Supply Section (Safety Circuit) 2 R

AJK-MLT-ID
5-35
UA54 I/O Board ILB-IN 1 L
0706-002 A(M806WBL--5007)
/RX
RX
/TX
TX
FG
CN5
CN6
CN7
CN8
CN9
CN10
CN11
CN12
9
3 72
6
7
9 63
2
FG
TX
/TX
RX
/RX
-X0404-X0403
CN4CN3
ILB
IN
1
2
3
3
2
1
3
2
1
3
2
1
1
2
3
1
2
3
1
2
3
3
2
1
1
2
CN2
CN20
CN19
CN18
CN17
CN16
CN15
CN14
CN13
1
2
3
3
2
1
3
2
1
3
2
1
1
2
3
1
2
3
1
2
3
3
2
1
(UA54)
:7
:2
:5
:4
:7
:4
:5
:2
:3
:3
-S0505
-S0505
-10B
-24B1L
-X0402
:4
:3
31 32
-X0405
-X0406
-X0407
-X0408
-X0409
-X0410
-X0411
-0405
-0406
-0407
-0408
-0409
-0410
-0411
-S0504
-S0503
-S0502
-S0501
3231
3231
34
34
:3
:4
-S0504
-S0503
:6
:5
-S0502
:6
:5
-S0501
:6
:5
-X0413
-X0414
-X0415
-X0416
-X0417
-X0418
-0413
-0414
-0415
-0416
-0417
-0418
-0419
-0420
-B0420
-B0415
-B0414
-
OUT
+
-B0420
:1
:2
:3
:3
:2
:1
-B0419
+
OUT
-
-B0419
:3
:2
:1
-B0418
+
OUT
-
-B0418
:3
:2
:1
-B0417
+
OUT
-
-B0417
:3
:2
:1
-B0416
+
OUT
-
-B0416
:3
:2
:1
-B0415
+
OUT
-
:3
:2
:1
-B0414
+
OUT
-
:3
:2
:1
-B0413
+
OUT
-
-B0413
-B0417T
-
+
-B0418T
-
+
-B0419T
-
+
-B0418T
:1
:2
:2
:1
-B0417T
:2
:1
-B0419T
-10B1
-24B1L
-TR-U04
15
-K501
-X505
:1
:2
:3
:4
:9
-X504
:1
:2
-X0501(CN1)
-TR-U05(UB14)EV,TV:I/O
RESERVED
D (D) ch2-1
-U09 (UB14) Positioning
-X0902 (CN2)
From Main Body of GX
-X2722: 2
(From -K4 33)
X2639: 2
(From K3 33)
Emergency Stop
Detection
Main Body
Safety Cover
Detection
Safety Door (Upper)
Door Switch Detection
Safety Door (Lower)
Door Switch Detection
Maintenance
Cover Open
Detection LS2
Safety Door
(Magazine)
Door Switch Detection
Maintenance
Cover Open
Detection LS1
Pallet Chuck Claw Cylinder 1
[Clamping Side]
Pallet Chuck Claw Cylinder 1
[Unclamping Side]
Palette Chuck Claw Cylinder 2
[Clamping Side]
Palette Chuck Claw Cylinder 2
[Unclamping Side]
Pickup Error
Detection Sensor A
Pickup Error
Detection Sensor B
Pickup Error
Detection Sensor C
4.2 Electrical Circuit Diagrams UA54 I/O Board ILB-IN 1 L

AJK-MLT-ID
5-36
UA54 I/O Board ILB-IN 1 R
0706-002 A(M806WBR--5007)
/RX
RX
/TX
TX
FG
CN5
CN6
CN7
CN8
CN9
CN10
CN11
CN12
9
3 72
6
7
9 63
2
FG
TX
/TX
RX
/RX
-X0404-X0403
CN4CN3
ILB
IN
1
2
3
3
2
1
3
2
1
3
2
1
1
2
3
1
2
3
1
2
3
3
2
1
1
2
CN2
CN20
CN19
CN18
CN17
CN16
CN15
CN14
CN13
1
2
3
3
2
1
3
2
1
3
2
1
1
2
3
1
2
3
1
2
3
3
2
1
(UA54)
:7
:2
:5
:4
:7
:4
:5
:2
:3
:3
-S0505
-S0505
-10B
-24B1R
-X0402
:4
:3
31 32
-X0405
-X0406
-X0407
-X0408
-X0409
-X0410
-X0411
-0405
-0406
-0407
-0408
-0409
-0410
-0411
-S0504
-S0503
-S0502
-S0501
3231
3231
34
34
:3
:4
-S0504
-S0503
:6
:5
-S0502
:6
:5
-S0501
:6
:5
-X0413
-X0414
-X0415
-X0416
-X0417
-X0418
-0413
-0414
-0415
-0416
-0417
-0418
-0419
-0420
-B0420
-B0415
-B0414
-
OUT
+
-B0420
:1
:2
:3
:3
:2
:1
-B0419
+
OUT
-
-B0419
:3
:2
:1
-B0418
+
OUT
-
-B0418
:3
:2
:1
-B0417
+
OUT
-
-B0417
:3
:2
:1
-B0416
+
OUT
-
-B0416
:3
:2
:1
-B0415
+
OUT
-
:3
:2
:1
-B0414
+
OUT
-
:3
:2
:1
-B0413
+
OUT
-
-B0413
-B0417T
-
+
-B0418T
-
+
-B0419T
-
+
-B0418T
:1
:2
:2
:1
-B0417T
:2
:1
-B0419T
-10B1
-24B1R
-TR-U04
15
-K501
-X505
:1
:2
:3
:4
:9
-X504
:1
:2
-X0501(CN1)
-TR-U05(UB14)EV,TV:I/O
RESERVED
D (D) ch2-1
-U09 (UB14) Positioning
-X0902 (CN2)
-X2722: 2
(From -K4 33)
X2639: 2
(From K3 33)
Emergency Stop
Detection
Main Body
Safety Cover
Detection
Safety Door (Upper)
Door Switch Detection
Safety Door (Lower)
Door Switch Detection
Maintenance
Cover Open
Detection LS2
Safety Door
(Magazine)
Door Switch Detection
Maintenance
Cover Open
Detection LS1
Pallet Chuck Claw Cylinder 1
[Clamping Side]
Pallet Chuck Claw Cylinder 1
[Unclamping Side]
Palette Chuck Claw Cylinder 2
[Clamping Side]
Palette Chuck Claw Cylinder 2
[Unclamping Side]
Pickup Error
Detection Sensor A
Pickup Error
Detection Sensor B
Pickup Error
Detection Sensor C
Ejected Palette Detection
(Traverse Side)
From Main Body of GX
4.2 Electrical Circuit Diagrams UA54 I/O Board ILB-IN 1 R