EF08HDR-Rev01.pdf - 第11页
- 8 - REF.NO NOTE PART NO D E S C R I P T I O N 品 名 Qty 1 401-43874 FRAME_ASSY フレーム組 1 2 401-43875 UPPER_COVER_ASSY アッパーカバー組 1 3 401-43876 UC_FRONT_R_ASSY アッパーカバーフロントR組 (1) 4 WP-0320500-SE WASHER 3.2X0.5 平座金小形丸 M3 (1) 5 …

- 7 -
4. EF08HDR (4)
1
4
7
6
18
19
15
16
10
9
12
8
5
3
28
30
29
31
32
33
34
35
35
36
38
37
39
41
43
21
22
42
35
23
11
30
45
46
47
51
52
49
50
48
60
59
61
56
62
63
64
65
54
63
55
57
58
67
68
A
2
20
B
B
C
D
D
C
70
71
69
53
66
44
27
24
26
27
25
25
13
14
17
28
E
E
A
28
32
32
34
34
37
40

- 8 -
REF.NO NOTE PART NO D E S C R I P T I O N
品 名
Qty
1 401-43874 FRAME_ASSY
フレーム組
1
2 401-43875 UPPER_COVER_ASSY
アッパーカバー組
1
3 401-43876 UC_FRONT_R_ASSY
アッパーカバーフロントR組
(1)
4 WP-0320500-SE WASHER 3.2X0.5
平座金小形丸 M3
(1)
5 401-43877 UC_FRONT_A_R_ASSY_S
アッパーカバーフロントAR組
(1)
6 402-06396 U_COVER_8D_S_ASSY
アッパーカバー8D_S組
(1)
7 SM-3030552-TN SCREW M3 L=5
丸ねじ M3 L=5
(1)
8 401-43878 UC_FRONT_L_ASSY
アッパーカバーフロントL組
(1)
9 SM-3030552-TN SCREW M3 L=5
丸ねじ M3 L=5
(1)
10 WP-0320500-SE WASHER 3.2X0.5
平座金小形丸 M3
(1)
11 402-06396 U_COVER_8D_S_ASSY
アッパーカバー8D_S組
(1)
12 401-43879 UC_FRONT_A_L_ASSY_S
アッパーカバーフロントAL組
(1)
13 401-35699 UC_COLLAR_2
アッパーカバーカラー2
(1)
14 SM-8030302-TP SCREW M3X0.5 L=3
止めねじ M3X0.5 L=3
(1)
15 SM-8020202-UZ SCREW M2 L=2
止めねじ M2 L=2
(2)
16 401-03256 UC_SH
アッパーカバーシャフト
(1)
17 401-63291 UC_SH_B_N
アッパーカバーシャフト_B_N
(1)
18 401-63290 UC_COIL_SP_N
アッパーカバースプリング_N
(2)
19 401-03257 UC_COLLAR
アッパーカバーカラー
(1)
20 401-43880 COVER_ASSY
カバー組
1
21 401-43563 COVER_TAPE_U_GUIDE
カバーテープUガイド
(1)
22 401-03381 WILCO_FM_0306E
ローヘットスキュリュウM3X10
(1)
23 SL-4030691-SC SCREW M3 L=6
座金付きなべ小ねじ M3 L=6
(1)
24 401-35739 FRONT_COVER_8D_L_B
フロントカバー_8D_L_B
(1)
25 401-35743 F_COVER_SH_8D_2
フロントカバー固定ねじ2
(2)
26 401-63292 FRONT_COVER_8D_L_A
フロントカバー_8D_L_A
(1)
27 401-03402 F_COVER_SH_8D
フロントカバー固定ねじ
(4)
28 SM-1020501-SC SCREW
皿ねじ M2 L=5
(4)
29 401-63293 FRONT_COVER_8D_R
フロントカバー_8D_R
(1)
30 401-03402 F_COVER_SH_8D
フロントカバー固定ねじ
(6)
31 401-03374 SIDE_COVER_8D_A_L
サイドカバー_8D_A_L
(1)
32 401-65434 SCREW M2.5X5 MEC
メックねじ M2.5X5
(11)
33 401-03373 SIDE_COVER_8D_A_R
サイドカバー_8D_A_R
(1)
34 401-65434 SCREW M2.5X5 MEC
メックねじ M2.5X5
(11)
35 401-03375 SIDE_COVER_STUD
サイドカバースタッド
(3)
36 401-43648 SIDE_COVER_8D_B_L
サイドカバー_8D_B_L
(1)
37 401-65434 SCREW M2.5X5 MEC
メックねじ M2.5X5
(3)
38 SM-1040601-SC SCREW M4X0.7 L=6
皿小ねじ M4X0.7 L=6
(1)
39 401-43647 SIDE_COVER_8D_B_R
サイドカバー_8D_B_R
(1)
40 401-65434 SCREW M2.5X5 MEC
メックねじ M2.5X5
(3)
41 SM-1040601-SC SCREW M4X0.7 L=6
皿小ねじ M4X0.7 L=6
(1)
42 401-03378 COVER_NUT_M4
カバーナット_M4
(1)
43 401-03379 COVER_NUT_SS
カバーナット_SS
(1)
44 401-43881 CLAMP_ASSY_8D_P
クランプ組_8D_P
1
45 400-77499 ARM_LINK_GUIDE_SH
アームリンクガイドシャフト
(1)
46 400-68203 CLAMP_SH_F
クランプシャフトF
(1)
47 400-77496 ARM_LINK_PIVOT_SH_M
アームリンクピボットシャフトM
(1)
48 400-77492 CLAMP_SH_M
クランプシャフトM
(1)
49 SM-1040601-SC SCREW M4X0.7 L=6
皿小ねじ M4X0.7 L=6
(1)
50 SM-4030501-SC SCREW M3X0.5 L=5
なべ小ねじ M3X0.5 L=5
(1)
51 400-77497 ARM_LINK_PIVOT_SH_F
アームリンクピボットシャフトF
(1)
52 400-68667 LOCK_LEVER_FLANGE
ロックレバーフランジ
(1)
53 401-43882 CLAMP_LEVER_ASSY_8D_P
クランプレバー組_8D_P
(1)
54 401-25828 LOCK_SPRING_32
ロックスプリング_32
(1)
55 401-43883 LOCK_RELEASE_LEVER_ASSY_8D_P
ロックリリースレバー組_8D_P
(1)
56 401-43547 LEVER_CAP_BK
レバーキャップ_BK
(1)
57 SL-4020591-SC SCREW M2X5
なべ小ねじセムス M2 L=5
(1)
58 401-36032 LOCK_PLATE_R_ASSY_P
ロックプレートR組_P
(1)
59 401-64852 SCREW M3X8 MEC
メックねじ M3X8
(1)
60 401-03279 LOCK_LEVER_SENS_DOG
ロックレバーセンサドグ
(1)
61 NM-6030002-SC NUT M3X0.5 TYPE2
六角ナット M3X0.5 2種
(1)
62 400-69659 LOCK_SP_STOPPER
ロックスプリングストッパー
(1)
63 400-77500 LOCK_STOPPER_BOLT
ロックストッパーボルト
(3)
64 SM-1040601-SC SCREW M4X0.7 L=6
皿小ねじ M4X0.7 L=6
(1)
65 401-25829 LOCK_BUSHING
ロックブッシング
(1)
66 401-03277 CLAMP_SENSOR_ASSY
クランプセンサ組
(1)
67 401-03283 LOCK_SENS_BKT
ロックセンサブラケット
(1)
68 401-02832 WILCO_F_0205N_D
ウィルコセットなべ小ねじ F−0205N−D
(1)
69 400-99236 LOCK SENS D PCB ASM
ロックセンサD基板組
(1)
70 401-03396 PCB_PROTECT_R
メイン基板プロテクト_R
1
71 401-03395 PCB_PROTECT_L
メイン基板プロテクト_L
1

- 9 -
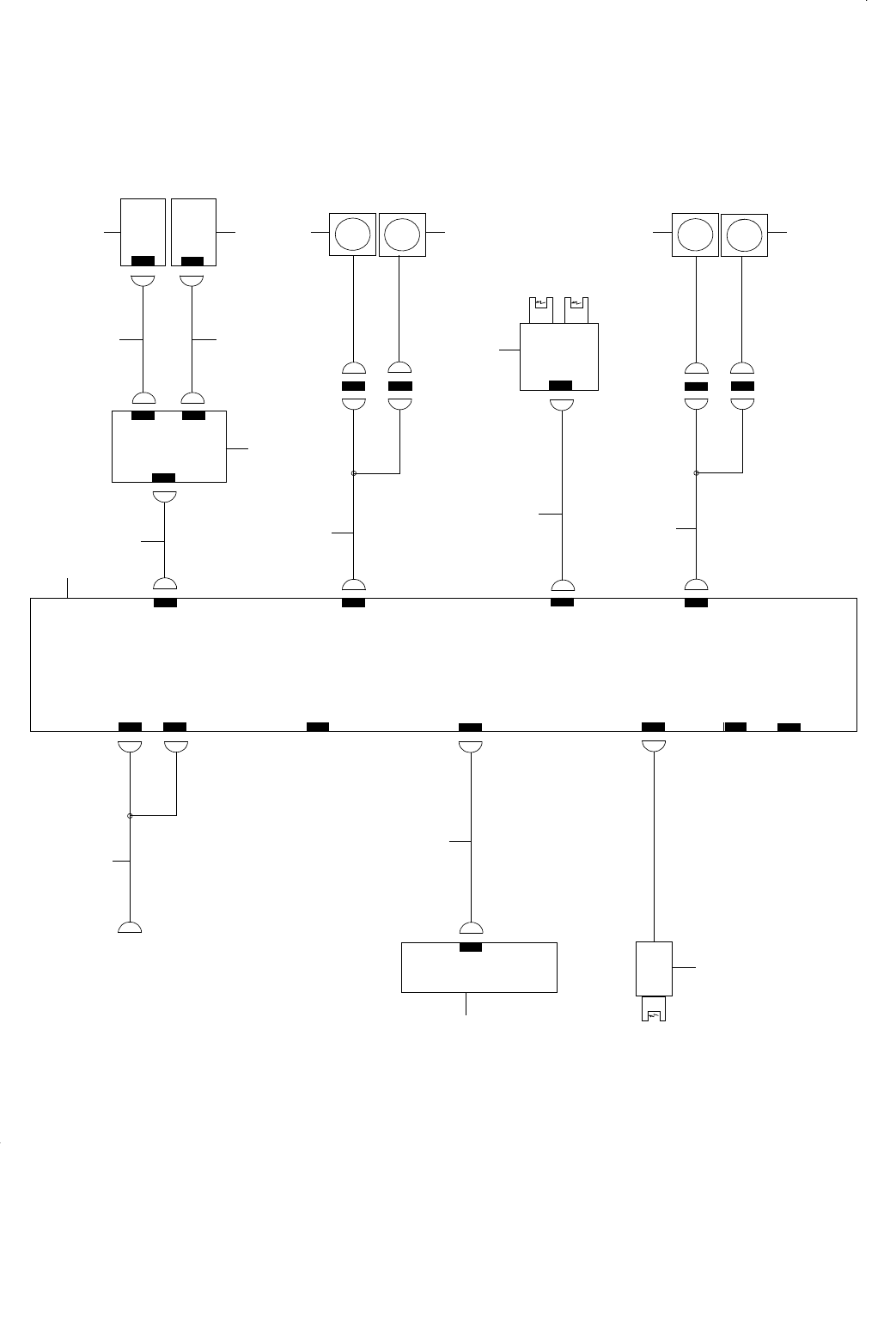
5. SYSTEM DIAGRAM
1
ENC INT PCB ASM
CN5
CN10
CN18
CN17
SW PANEL D
CN2
CN2
CN4
MOUNTER I/F
CN3
CN1
CN9
LOCK SENS D PCB ASM
FEED MOTOR D ASM
TS SENS D PCB ASM
PULL MOTOR D ASM
ENC HD
ENC HDCN15
CN7
8D_R MAIN PCB ASM
PULL MOTOR D ASM
FEED MOTOR D ASM
2
3
4
5
6
7
8
9
10
11 12
15
13 14 1613 14 16