KE-750_MS - 第75页
14. Shock Absorber Replacement (1) Put table in DOWN position. (2) Loosen shock absorber peripheral nut from the bottom of the conveyor unit and replace shock absorber. (3) For instructions on adjusting positioning of sh…

12. SV Cable Assy Replacement
(1) Close main air supply valve and remove tube from SV.
(2) Remove connector at lower end of SV.
(3) Loosen SV mounting screw and replace SV.
13. Centering Pin Replacement
(1) Loosen screw (1) and remove T-PIN sensor from each (2).
(2) Loosen screw (3) and remove centering pins from guide block and damper block.
(3) Loosen screw (4) and remove E-ring (5).
(4) Replace centering pins.
(5) Reassemble in reverse sequence.
1-67

14. Shock Absorber Replacement
(1) Put table in DOWN position.
(2) Loosen shock absorber peripheral nut from the bottom of the conveyor unit and replace shock
absorber.
(3) For instructions on adjusting positioning of shock absorber, refer to QA Table, Conveyor No. 4.
UP speed adjus
t
Lock scre
w
A
djust scre
w
DOWN speed adjus
t
Shock absorber nut
BU damper collar
Rail guide shaft
Mounting face for rail guide PWB guide
SM8040502TP Rail guide shaft adjust screw
15. Rail Plate Levelling
(1) Loosen stop screws in base bars BL & BR.
(2) For instructions on levelling refer to QA Table, Conveyor No. 3.
Mount dial gauge onto camera bracket D of the head and adjus
t
parallelism between the section indicated below and the X axis. to
[//|0.1]. Tighten stop screw (SL6104042TN) in base bar B.
Measure fo
r
parallelism here.
1-68

Chapter 6 CAL Block
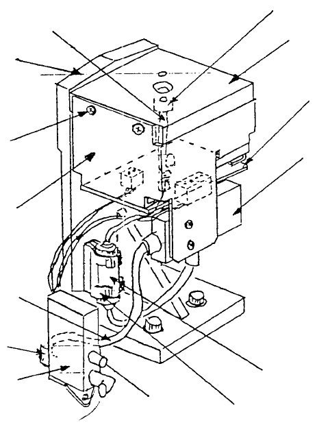
1. CAL Block PWB Replacement
(1) Unplug the 2 cables connected to the PWB.
(2) Disconnect θ6mm air tube from elbow union.
(3) Disconnect union filter from holder.
(4) Remove the 4 M3 SEMS cap screws and pull down CAL side cover. Reach into opening and
disconnect φ4mm tube from straight. Now CAL side cover can be removed.
Straight
PJ301040506
CAL plate
E3603721000
CAL block PWB ass
y
E86097210A0
Ejecto
r
E3066700000
Union filte
r
Holde
r
Silence
r
PX058001000
CAL vacuum ON
cable assy
E93677250A0
Elbow union
PJ304040505
Elbow union
PJ304040505
θ 6mm air tube
CAL side cove
r
E3604721000
M3 SEMS cap
CAL stand
E3602721000
θ 4mm air tube
Fig. 6-1-1
1-69